Реферат по углям (847196)
Текст из файла
Министерство образования и науки Российской Федерации
Федеральное государственное бюджетное общеобразовательное учреждение
высшего профессионального образования
«Уральский государственный лесотехнический университет»
Химико-технологический институт
РЕФЕРАТ
на тему:
Производство древесного угля в Юго-Восточной Азии
Выполнила студентка группы
Проверил
_______________________
Екатеринбург 2019
Содержание
| Введение | 3 | |
| 1. | Технология производства древесного угля | 5 |
| 2. | Особенности производства ДУ в странах Юго-Восточной Азии | 8 |
| 3. | Установка для производства ДУ | 9 |
| 4. | Заключение | 18 |
| Список литературы | 19 |
Введение
Древесный уголь представляет собой легкий черный углеродный остаток, получаемый путем удаления воды и других летучих компонентов из животных и растительных материалов. Древесный уголь обычно производится медленным пиролизом - нагреванием древесины или других органических материалов в отсутствие кислорода. Этот процесс называется сжиганием угля.
Древесный уголь представляет собой многоуглеродистый материал, широко применяемый в промышленности[1]. Главные преимущества древесного угля:
- готовое топливо высокого качества
- при горении не образует дыма и пламени
- проводит тепло
- не самовозгорается
- применим для изготовления абсорбентов.
В промышленности процессы абсорбции применяются для очистки газов и паров, разделении этих смесей, извлечении летучих растворителей[2] Древесный уголь, в зависимости от вида сырья, разделяют на 3 категории:
А – уголь, получаемый при пиролизе древесины 1 сорта,
Б – уголь, получаемый при пиролизе смеси 1 и 2 сорта,
В – уголь, получаемый посредством углежжения смеси 1, 2 и 3 сортов.
Процесс производства древесного угля является древним, и археологические свидетельства его производства насчитывают около 30 000 лет. Поскольку древесный уголь горит горячее, чище и равномернее, чем древесина, он использовался металлургическими заводами для плавки железной руды в доменных печах и кузнецами, которые изготавливали и формовали сталь. Коммерческое производство было сначала сделано в ямах, покрытых грязью, специально обученными мастерами, называемыми колье[3].
Пиролиз древесины — процесс деструкции высокомолекулярных компонентов древесины с образованием низкомолекулярных продуктов, сопровождающийся вторичными реакциями конденсации, рекомбинации и другими реакциями усложнения молекул с образованием нелетучего остатка, под воздействием тепла в среде, практически не содержащей кислорода[4].
Процесс пиролиза древесины можно разделить на четыре стадии:
1. Стадия сушки древесины, заканчивающаяся примерно при 150°С. На этой стадии
из древесины удаляется содержащаяся в ней влага, химический состав древесины почти не изменяется и летучих продуктов практически не образуется[5].
2. Начальная стадия распада древесины, протекающая при температуре от 150 до 250-270°С[6]. В этот период начинается разложение менее термостойких компонентов древесины выделением реакционной воды, углекислоты, окиси углерода, уксусной кислоты и некоторых других продуктов, изменяется химический и элементный состав.
3. Стадия собственно пиролиза — бурного распада древесины с выделением тепла (экзотермический процесс) и образованием основной массы продуктов разложения.
Начинается она при 270-275°С и заканчивается примерно при 400°С[7].
4. Стадия прокалки угля (не считая охлаждения угля), заканчивающаяся в зависимости от аппарата и способа пиролиза при температуре 450-600°С. При этом выделяется небольшой объем жидких продуктов и значительный - газов. Осуществляется также за счет подвода тепла извне[8].
Общий процесс пиролиза древесины происходит в аппарате (реторте) периодического действия с внешним нагревом, температура внутри се долгое время остается в пределах 150°С (пока не закончится процесс сушки). Затем температура внутри реторты быстро поднимается и, когда начинается бурное экзотермическое разложение, становится выше температуры снаружи реторты. После завершения выделения основного объема жидких и газообразных продуктов температуру снаружи повышают, начинают прокалку угля, выделение жидких продуктов в этот период уменьшается, а под конец почти полностью прекращается
Для нагрева древесины при пиролизе применяются два способа передачи тепла внешний нагрев с передачей тепла через стенку и внутренний нагрев с передачей тепла от
греющего агента непосредственно древесине. В качестве внутреннего теплоносителя могут служить газы (парогазы) жидкости и твердые тела.
Технология производства древесного угля
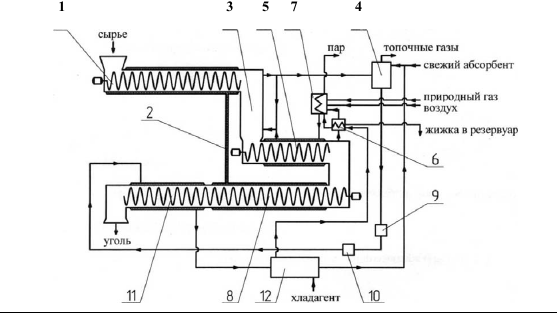
Процесс производства древесного угля может занять несколько дней и сжигать летучие соединения, такие как вода, метан, водород и гудрон. При промышленной переработке сжигание происходит в больших бетонных или стальных бункерах с очень небольшим количеством кислорода и прекращается до того, как все превращается в пепел[9]. Процесс оставляет черные комки и порошок, около 25% от первоначального веса. При воспламенении углерод в древесном угле соединяется с кислородом и образует углекислый газ, угарный газ, воду, другие газы и значительные количества энергии. Он упаковывает больше потенциальной энергии за унцию, чем сырое дерево. Уголь горит ровно, горячо, выделяет меньше дыма и меньше опасных паров[10]. Схема производства представлена на рисунке 1. Измельченные древесные отходы непрерывно загружают в зону прогрева 1, выполненную в виде шнекового транспортера тепловой рубашкой. Прогрев древесной массы осуществляют кондуктивно при температуре 95..105°С за счет конденсации водяных паров в тепловой рубашке, поступающих со стадии охлаждения угля 8 по тепловой трубе 2. Из зоны прогрева древесная масса с температурой порядка 60 °С поступает в зону сушки 3, где высушивается конвекцией топочными тазами при температуре 240 - 250 °С прогревом материала до 180 °С. При этом часть образованных в зоне сушки 3 влажных топочных газов с температурой около 150 °С отводят через абсорбер 4 в окружающую среду, другую часть снова нагревают до температуры 240 - 250 °С путем смешивания топочными газами с температурой 600 °С, поступающими из зоны пиролиза и направляют обратно в зону сушки. В абсорбере 4 выбрасываемые в атмосферу топочные газы очищают от примесей абсорбентом. Из зоны сушки 3 высушенная древесная масса поступает в зону пиролиза 5, где её пиролизуют в шнековом транспортере с тепловой рубашкой. Из топки 7 топочные газы с температурой 600..700°С поступают в тепловую рубашку зоны пиролиза и в режиме противотока относительно движения древесной массы нагревают поверхность, которая кондуктивно передает тепло материалу. Пиролиз древесной массы осуществляется за счет кондуктивного подвода теплоты и за счет теплоты химических реакций термического разложения древесины. Угольный остаток на выходе из зоны пиролиза 5 имеет температуру порядка 500°С. Образовавшуюся в зоне пиролиза парогазовую смесь эжектируют сконденсировавшей в конденсаторе 6 жижкой, которую далее отводят в резервуар, при этом несконденсированные пирогазы отводят в топку 7. Хладагент (вода), охлаждающий пирогазы, направляется в топку 7 и превращается в пар. Угольный остаток, поступающий из зоны пиролиза 5, кондуктивно охлаждают до 120 градусов в зоне охлаждения 8, выполненной в виде шнекового транспортера с охлаждающей рубашкой. Охлаждение осуществляется испарением конденсата воды, поступающего из зоны прогрева по тепловой трубе 2. Далее уголь дополнительно охлаждают в режиме противотока до 50°С. Охлаждение осуществляется кондуктивным способом от охлаждающей рубашки, в которой циркулирует абсорбент с температурой 35°С. Абсорбент поступает из абсорбера 4 и предварительно, проходит через нейтрализатор 9 и фильтр 10. Абсорбент с температурой ориентировочно 65°С, отводящийся из зоны дополнительного охлаждения 11, охлаждают в теплообменнике 12 до температуры 25°С. Хладагент, использующийся для охлаждения абсорбента в теплообменнике 12, направляют в конденсатор 6 для конденсирования пирогазов, а затем в топку 7 для превращения в пар. Охлажденный древесный уголь транспортируют на склад, пар, отводящийся из топки 7, используют в технологических или бытовых целях. Для первоначального запуска процесса и выхода на режимные параметры в топку 7 в качестве топлива подают природный газ. Также в топку 7 подают воздух для поддержания процесса горения несконденсировавшихся газов. Потери рециркулирующего абсорбента с выбрасываемыми топочными газами возмещают подачей свежего абсорбента.
Рисунок 1 – Производство древесного угля
Для производства древесного угля из крупнокусковой древесины влажностью 25% используют печи ModEco. Для предварительной сушки древесины используется отработанный в печи теплоноситель[11]. Древесина сушится способом «через слой», что даёт наиболее эффективный результат[12]. К каждому куску древесины поступает теплоноситель, обдувая кусок теплом, которое уносит с собой выходящую из сырья влагу. Правильно спроектированный сушильный комплекс исключает конденсацию влаги. Компьютерная система управления печью подходит для любых условий и включает в себя не только автоматизированную систему управления печью, но и автоматическое управление температурами подаваемого в сушку тепла[13].
Данные о мировой политике в сфере лесозаготовок
Основные регионы экспорта ДУ показаны на рисунке 2. Крупнейшим экспортером древесного угля является Юго-Восточная Азия, где по объемам экспорта (370тыс.т.) преобладает Индонезия. Второе место по экспорту древесного угля занимает Восточная Европа и Западная Африка (Нигерия)[14]. В таблице 1 представлены данные о сравнительной производительности труда в лесной промышленности. Добыча угля ведется на всех континентах(табл.2).
Рисунок 2 – Регионы экспорта древесного угля
Таблица 1 - Производительность труда в лесном секторе в различных регионах мира
Таблица 2 - Развитие добычи угля в разных странах
На фоне общего роста добычи угля в мире в 1,5 раза за весь период 1980–2006 гг. в географии отрасли произошли серьёзные сдвиги. Практически сохранила свою долю в мировой добыче Северная Америка. Однако США, прежде крупнейшая угледобывающая держава мира, даже увеличив объёмы добычи на 300 млн. т в год, теперь переместились на второе место и вдвое уступают новому лидеру – Китаю. Почти втрое понизилась доля Европы, где в абсолютных цифрах размеры добычи угля сократились почти в два раза, главным образом после 1990 г. Вдвое снизилась доля стран бывшего СССР (в России добыча сократилась на 130 млн. т в год, на Украине – на 100 млн.т). На карте мира появилась новая крупная угледобывающая страна – Колумбия, на долю которой теперь приходится 3/4 добычи угля в Южной Америке. Увеличилась в два раза добыча угля в ЮАР, которая определяет отраслевую статистику по Африке. Более чем вдвое выросла доля Азиатско-Тихоокеанского региона, на который в настоящее время приходится 56–57% всей добычи угля в мире. Новой угледобывающей державой стала Индонезия, где объёмы добычи увеличились с 0,9 до 183 млн. т в год. Так за четверть века сложилась новая география мировой угледобывающей промышленности, отражающая современную расстановку сил в мировом хозяйстве[15].
С одной стороны, происходит сокращение добычи, вплоть до полной ликвидации угольной промышленности. Дефицит восполняется за счет импорта, так как, помимо экологических причин, импортируемый уголь к тому же ещё и дешевле добываемого в Европе. С другой стороны, растет число стран, особенно в Восточной Европе, которые готовы увеличить собственную добычу угля, поскольку высокие цены на нефть ложатся тяжелым бременем на их бюджеты. Ситуация здесь осложняется требованиями ЕС о закрытии атомных электростанций, построенных в социалистический период. Для этих стран сохранение угольной отрасли и увеличение добычи угля может стать выходом из создавшегося положения как в социальном плане (с точки зрения сохранения занятости), так и в энергетической сфере – поможет избежать дефицита энергетических мощностей и сократить расходы на импорт топливно-энергетических ресурсов. По-иному обстоит дело в Азии(табл.3), где имеет место едва ли не повсеместное увеличение добычи и потребления угля. Благодаря своей относительной дешевизне он стал важным видом топлива в азиатских странах, где экологическим проблемам не придают такого значения как в Европе.
Характеристики
Тип файла документ
Документы такого типа открываются такими программами, как Microsoft Office Word на компьютерах Windows, Apple Pages на компьютерах Mac, Open Office - бесплатная альтернатива на различных платформах, в том числе Linux. Наиболее простым и современным решением будут Google документы, так как открываются онлайн без скачивания прямо в браузере на любой платформе. Существуют российские качественные аналоги, например от Яндекса.
Будьте внимательны на мобильных устройствах, так как там используются упрощённый функционал даже в официальном приложении от Microsoft, поэтому для просмотра скачивайте PDF-версию. А если нужно редактировать файл, то используйте оригинальный файл.
Файлы такого типа обычно разбиты на страницы, а текст может быть форматированным (жирный, курсив, выбор шрифта, таблицы и т.п.), а также в него можно добавлять изображения. Формат идеально подходит для рефератов, докладов и РПЗ курсовых проектов, которые необходимо распечатать. Кстати перед печатью также сохраняйте файл в PDF, так как принтер может начудить со шрифтами.
















