Отчет ДЗ1 (843461)
Текст из файла
| Министерство науки и высшего образования Российской Федерации Федеральное государственное бюджетное образовательное учреждение высшего образования «Московский государственный технический университет имени Н.Э. Баумана (национальный исследовательский университет)» (МГТУ им. Н.Э. Баумана) |
ФАКУЛЬТЕТ Информатика и системы управления
КАФЕДРА Конструирование и производство ЭВС (ИУ4)
Отчет
| по домашней работе № | |
Название:
Домашнее задание №1
Дисциплина: Математическое моделирование технических объектов
| Студент | ИУ4-42Б | |||
| (Группа) | (Подпись, дата) | (И.О. Фамилия) | ||
| Преподаватель | ||||
| (Подпись, дата) | (И.О. Фамилия) |
Москва, 2021
Вариант 20-1
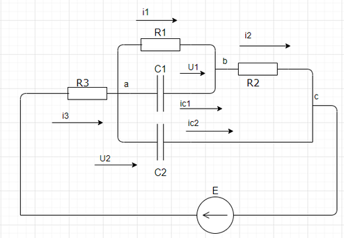
Замкнём ключ и перерисуем схему, чтобы явно показать узлы.
Составим уравнения по первому закону Кирхгофа для узлов «с» и «b». Решим их относительно напряжений на конденсаторах.
Выразим из системы уравнений
и
. Для упрощения формулы заменим коэффициенты на a, b, c.
Составим алгоритм для генерации точек графика. Реализуем его на языке С.
Структурная схема алгоритма
Реализация на языке С и пример вывода.
Построение графиков
Построим график для
. Алгоритм совершает около 200 итерации цикла,
этого достаточно чтобы построить нужные нам графики. Формулы для вычисления напряжения на конденсаторах будут выглядеть:
Данные, по которым построен график, представлены в таблице 1.
График 1
Чтобы лучше понимать, как ведут себя конденсаторы при малых напряжениях, начертим график только для первых 30 итераций цикла. Данные возьмём из Таблицы 1.
График 2
| Номер точки | UC1, В | UC2, В | Номер точки | UC1, В | UC2, В | Номер точки | UC1, В | UC2, В | Номер точки | UC1, В | UC2, В |
| 0 | 0,00000 | 0,00000 | 51 | 0,10466 | 0,69250 | 102 | 0,03260 | 0,90435 | 153 | 0,01014 | 0,97025 |
| 1 | 0,04000 | 0,02400 | 52 | 0,10231 | 0,69946 | 103 | 0,03186 | 0,90651 | 154 | 0,00991 | 0,97092 |
| 2 | 0,07344 | 0,04726 | 53 | 0,10001 | 0,70626 | 104 | 0,03114 | 0,90863 | 155 | 0,00969 | 0,97158 |
| 3 | 0,10127 | 0,06984 | 54 | 0,09776 | 0,71291 | 105 | 0,03044 | 0,91070 | 156 | 0,00947 | 0,97222 |
| 4 | 0,12430 | 0,09176 | 55 | 0,09555 | 0,71941 | 106 | 0,02975 | 0,91272 | 157 | 0,00925 | 0,97285 |
| 5 | 0,14323 | 0,11306 | 56 | 0,09340 | 0,72576 | 107 | 0,02907 | 0,91469 | 158 | 0,00904 | 0,97346 |
| 6 | 0,15865 | 0,13377 | 57 | 0,09129 | 0,73197 | 108 | 0,02842 | 0,91663 | 159 | 0,00884 | 0,97407 |
| 7 | 0,17109 | 0,15392 | 58 | 0,08923 | 0,73804 | 109 | 0,02777 | 0,91851 | 160 | 0,00864 | 0,97465 |
| 8 | 0,18098 | 0,17355 | 59 | 0,08722 | 0,74397 | 110 | 0,02714 | 0,92036 | 161 | 0,00844 | 0,97523 |
| 9 | 0,18870 | 0,19266 | 60 | 0,08525 | 0,74977 | 111 | 0,02653 | 0,92216 | 162 | 0,00825 | 0,97579 |
| 10 | 0,19458 | 0,21128 | 61 | 0,08332 | 0,75543 | 112 | 0,02593 | 0,92392 | 163 | 0,00807 | 0,97633 |
| 11 | 0,19889 | 0,22943 | 62 | 0,08144 | 0,76097 | 113 | 0,02534 | 0,92564 | 164 | 0,00788 | 0,97687 |
| 12 | 0,20186 | 0,24713 | 63 | 0,07960 | 0,76638 | 114 | 0,02477 | 0,92733 | 165 | 0,00771 | 0,97739 |
| 13 | 0,20372 | 0,26439 | 64 | 0,07780 | 0,77167 | 115 | 0,02421 | 0,92897 | 166 | 0,00753 | 0,97791 |
| 14 | 0,20462 | 0,28123 | 65 | 0,07604 | 0,77684 | 116 | 0,02366 | 0,93058 | 167 | 0,00736 | 0,97841 |
| 15 | 0,20473 | 0,29766 | 66 | 0,07432 | 0,78189 | 117 | 0,02312 | 0,93215 | 168 | 0,00719 | 0,97889 |
| 16 | 0,20416 | 0,31370 | 67 | 0,07264 | 0,78682 | 118 | 0,02260 | 0,93369 | 169 | 0,00703 | 0,97937 |
| 17 | 0,20303 | 0,32935 | 68 | 0,07100 | 0,79165 | 119 | 0,02209 | 0,93519 | 170 | 0,00687 | 0,97984 |
| 18 | 0,20143 | 0,34464 | 69 | 0,06939 | 0,79637 | 120 | 0,02159 | 0,93666 | 171 | 0,00672 | 0,98030 |
| 19 | 0,19944 | 0,35956 | 70 | 0,06782 | 0,80098 | 121 | 0,02110 | 0,93809 | 172 | 0,00656 | 0,98074 |
| 20 | 0,19714 | 0,37413 | 71 | 0,06629 | 0,80548 | 122 | 0,02062 | 0,93949 | 173 | 0,00642 | 0,98118 |
| 21 | 0,19458 | 0,38836 | 72 | 0,06479 | 0,80988 | 123 | 0,02016 | 0,94086 | 174 | 0,00627 | 0,98160 |
| 22 | 0,19180 | 0,40227 | 73 | 0,06332 | 0,81419 | 124 | 0,01970 | 0,94220 | 175 | 0,00613 | 0,98202 |
| 23 | 0,18886 | 0,41584 | 74 | 0,06189 | 0,81839 | 125 | 0,01925 | 0,94351 | 176 | 0,00599 | 0,98243 |
| 24 | 0,18578 | 0,42911 | 75 | 0,06049 | 0,82251 | 126 | 0,01882 | 0,94479 | 177 | 0,00585 | 0,98283 |
| 25 | 0,18261 | 0,44207 | 76 | 0,05912 | 0,82652 | 127 | 0,01839 | 0,94604 | 178 | 0,00572 | 0,98321 |
| 26 | 0,17936 | 0,45473 | 77 | 0,05778 | 0,83045 | 128 | 0,01798 | 0,94726 | 179 | 0,00559 | 0,98359 |
| 27 | 0,17606 | 0,46710 | 78 | 0,05648 | 0,83429 | 129 | 0,01757 | 0,94845 | 180 | 0,00547 | 0,98397 |
| 28 | 0,17273 | 0,47918 | 79 | 0,05520 | 0,83804 | 130 | 0,01717 | 0,94962 | 181 | 0,00534 | 0,98433 |
| 29 | 0,16938 | 0,49099 | 80 | 0,05395 | 0,84171 | 131 | 0,01678 | 0,95076 | 182 | 0,00522 | 0,98468 |
| 30 | 0,16603 | 0,50253 | 81 | 0,05273 | 0,84529 | 132 | 0,01640 | 0,95187 | 183 | 0,00510 | 0,98503 |
| 31 | 0,16268 | 0,51380 | 82 | 0,05153 | 0,84879 | 133 | 0,01603 | 0,95296 | 184 | 0,00499 | 0,98537 |
| 32 | 0,15936 | 0,52482 | 83 | 0,05037 | 0,85221 | 134 | 0,01567 | 0,95403 | 185 | 0,00487 | 0,98570 |
| 33 | 0,15605 | 0,53559 | 84 | 0,04923 | 0,85556 | 135 | 0,01531 | 0,95507 | 186 | 0,00476 | 0,98602 |
| 34 | 0,15278 | 0,54611 | 85 | 0,04811 | 0,85883 | 136 | 0,01497 | 0,95609 | 187 | 0,00466 | 0,98634 |
| 35 | 0,14955 | 0,55639 | 86 | 0,04702 | 0,86202 | 137 | 0,01463 | 0,95708 | 188 | 0,00455 | 0,98665 |
| 36 | 0,14636 | 0,56644 | 87 | 0,04596 | 0,86515 | 138 | 0,01430 | 0,95805 | 189 | 0,00445 | 0,98695 |
| 37 | 0,14321 | 0,57626 | 88 | 0,04492 | 0,86820 | 139 | 0,01397 | 0,95900 | 190 | 0,00435 | 0,98725 |
| 38 | 0,14011 | 0,58586 | 89 | 0,04390 | 0,87118 | 140 | 0,01366 | 0,95993 | |||
| 39 | 0,13706 | 0,59524 | 90 | 0,04291 | 0,87410 | 141 | 0,01335 | 0,96084 | |||
| 40 | 0,13406 | 0,60440 | 91 | 0,04194 | 0,87695 | 142 | 0,01305 | 0,96172 | |||
| 41 | 0,13112 | 0,61336 | 92 | 0,04099 | 0,87974 | 143 | 0,01275 | 0,96259 | |||
| 42 | 0,12823 | 0,62212 | 93 | 0,04006 | 0,88246 | 144 | 0,01246 | 0,96344 | |||
| 43 | 0,12539 | 0,63067 | 94 | 0,03915 | 0,88512 | 145 | 0,01218 | 0,96426 | |||
| 44 | 0,12261 | 0,63903 | 95 | 0,03827 | 0,88772 | 146 | 0,01190 | 0,96507 | |||
| 45 | 0,11988 | 0,64721 | 96 | 0,03740 | 0,89026 | 147 | 0,01163 | 0,96586 | |||
| 46 | 0,11721 | 0,65519 | 97 | 0,03656 | 0,89275 | 148 | 0,01137 | 0,96664 | |||
| 47 | 0,11459 | 0,66300 | 98 | 0,03573 | 0,89517 | 149 | 0,01111 | 0,96739 | |||
| 48 | 0,11203 | 0,67063 | 99 | 0,03492 | 0,89755 | 150 | 0,01086 | 0,96813 | |||
| 49 | 0,10952 | 0,67809 | 100 | 0,03413 | 0,89987 | 151 | 0,01062 | 0,96885 | |||
| 50 | 0,10706 | 0,68538 | 101 | 0,03336 | 0,90213 | 152 | 0,01038 | 0,96956 |
Таблица 1
Характеристики
Тип файла документ
Документы такого типа открываются такими программами, как Microsoft Office Word на компьютерах Windows, Apple Pages на компьютерах Mac, Open Office - бесплатная альтернатива на различных платформах, в том числе Linux. Наиболее простым и современным решением будут Google документы, так как открываются онлайн без скачивания прямо в браузере на любой платформе. Существуют российские качественные аналоги, например от Яндекса.
Будьте внимательны на мобильных устройствах, так как там используются упрощённый функционал даже в официальном приложении от Microsoft, поэтому для просмотра скачивайте PDF-версию. А если нужно редактировать файл, то используйте оригинальный файл.
Файлы такого типа обычно разбиты на страницы, а текст может быть форматированным (жирный, курсив, выбор шрифта, таблицы и т.п.), а также в него можно добавлять изображения. Формат идеально подходит для рефератов, докладов и РПЗ курсовых проектов, которые необходимо распечатать. Кстати перед печатью также сохраняйте файл в PDF, так как принтер может начудить со шрифтами.
1














