Защита (833400)
Текст из файла
Московский государственный технический университет
имени Н. Э. Баумана
Кафедра электротехники и промышленной электроники
Защита домашнего задания №1
по курсу «Электротехника и электроника»
на тему «Расчет сложных электрических цепей постоянного тока»
Вариант №2
Выполнил: Антошечкин Павел
Группа: РК9-44Б
Дата сдачи работы на проверку:20.03.2021
E-mail: antosh.pavel15@gmail.com
Проверил: Восторгина Е.С.
Условие задания:
Решение:
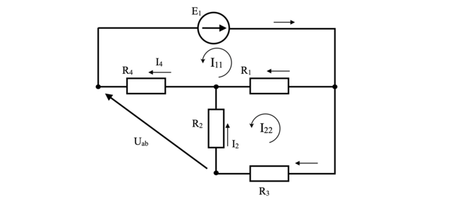
Определим токи в ветвях с сопротивлением R4 и R2 методом контурных токов:
Запишем систему уравнений в общем виде:
I11R11 + I22R12 = E11
I11R21 + I22R22 = E22
*Нас не интересуют значения остальных токов, поэтому их можно не обозначать.
Вычислим коэффициенты уравнений:
R11 = R1 + R4 = 36 + 24 = 60 Ом
R22 = R1 + R2 + R3 = 36 + 12 + 6 = 54 Ом
R12 = R21 = -R1 = - 36 Ом
E11 = -E1 = -54 В
E22 = 0
Подставим найденные коэффициенты в систему уравнений и решим методом Гаусса:
I11 = -1.5 A
I22 = -1 A
=> I4 = -I11 = 1.5 A
=> I2 = -I22 = 1 A
Если представить всю цепь как эквивалентный генератор, то Uab = I4R4 + I2R2
Uab = 1.5*24 + 1*12 = 48 B
Ответ: 48 В
Характеристики
Тип файла документ
Документы такого типа открываются такими программами, как Microsoft Office Word на компьютерах Windows, Apple Pages на компьютерах Mac, Open Office - бесплатная альтернатива на различных платформах, в том числе Linux. Наиболее простым и современным решением будут Google документы, так как открываются онлайн без скачивания прямо в браузере на любой платформе. Существуют российские качественные аналоги, например от Яндекса.
Будьте внимательны на мобильных устройствах, так как там используются упрощённый функционал даже в официальном приложении от Microsoft, поэтому для просмотра скачивайте PDF-версию. А если нужно редактировать файл, то используйте оригинальный файл.
Файлы такого типа обычно разбиты на страницы, а текст может быть форматированным (жирный, курсив, выбор шрифта, таблицы и т.п.), а также в него можно добавлять изображения. Формат идеально подходит для рефератов, докладов и РПЗ курсовых проектов, которые необходимо распечатать. Кстати перед печатью также сохраняйте файл в PDF, так как принтер может начудить со шрифтами.
















