2017_2_semestr_Otchet_po_labe_1_4_Moleku lyarny_praktikum (827035)
Текст из файла
Лабораторная работа 1.4.
Знакомство с методами получения и измерения вакуума
Цель: изучение принципа работы тепловых вакуумметров на примере термопарной лампы ПМТ-2, практическое знакомство с ионизационной лампой ПМИ-2, практическое знакомство с работой диффузионного насоса. Расчет скорости откачки и потока натекания. Расчет и практическое применение методической погрешности.
Оборудование: вакуумная установка №4в составе форнасоса, диффузионного насоса, ПМТ-2, ПМИ-2, датчика Micro-Ion Plus, вакуумметр ВИТ-2, секундомер.
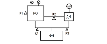
Установка:
РО – рабочий объем
ДН – диффузионный насос
ФН – форвакуумный насос
Краны:
К1 – связывает РО с атмосферой.
К2 – соединяет сход ДН с РО.
К3 – соединяет выход ДН со входом ФН.
К4 – соединяет вход ФН с РО.
Рабочий объем
Длина – 36,5 см
Диаметр – 30 см
Объем – 25 800,33 см3
Кривая откачки
Ток нагревателя (неоткалиброванная термопара) 130 мА
Давление, измеренное ионизационным вакуумметром 2,8 10-8 Торр
Ток нагревателя (откалиброванная термопара) 100 мА
Характеристики
Тип файла документ
Документы такого типа открываются такими программами, как Microsoft Office Word на компьютерах Windows, Apple Pages на компьютерах Mac, Open Office - бесплатная альтернатива на различных платформах, в том числе Linux. Наиболее простым и современным решением будут Google документы, так как открываются онлайн без скачивания прямо в браузере на любой платформе. Существуют российские качественные аналоги, например от Яндекса.
Будьте внимательны на мобильных устройствах, так как там используются упрощённый функционал даже в официальном приложении от Microsoft, поэтому для просмотра скачивайте PDF-версию. А если нужно редактировать файл, то используйте оригинальный файл.
Файлы такого типа обычно разбиты на страницы, а текст может быть форматированным (жирный, курсив, выбор шрифта, таблицы и т.п.), а также в него можно добавлять изображения. Формат идеально подходит для рефератов, докладов и РПЗ курсовых проектов, которые необходимо распечатать. Кстати перед печатью также сохраняйте файл в PDF, так как принтер может начудить со шрифтами.















