kushnir_a_p_metodicheskie_ukazania_po_pn evmoprivodu_chast_1 (822139), страница 3
Текст из файла (страница 3)
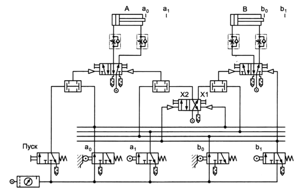
Рассмотренный способ хотя и решает поставленную задачу, но требует внимательности и владения навыками составления логических уравнений. Схемное же решение (рис. 1.15), к которому в итоге приходят путем применения данного способа, является, как правило, довольно громоздким. В особенности это относится к задачам с несколькими совпадающими шагами, решая которые, приходится вводить в схему уже не один, а несколько триггеров.
Рис. 1.15. Принципиальная пневматическая схема сверлильного полуавтомата
Составление и чтение схемы можно значительно упростить путем использования шин при ее изображении. Шинами называют горизонтальные линии, соединенные на схеме с выходами определенных устройств. В нашем случае каждый из четырех путевых выключателей «питает» «свою» шину, а логические взаимосвязи реализуются между сигналами в соответствующих шинах.
Метод отключения сигнала
Этот метод, используемый при проектировании систем, содержащих совпадающие шаги, заключается в применении устройств, позволяющих формировать импульсный сигнал в момент достижения штоками пневмоцилиндров конечных положений.
Вернемся к системе уравнений, описывающих работу сверлильного полуавтомата, и упростим ее путем исключения избыточных сигналов:
А + = Пуск • а0; В + = а1,; В - = b1; А - = b0.
В полученной системе совпадающие уравнения отсутствуют. Однако следует обратить внимание на следующее: 2-ой шаг (B+) осуществляется по команде от путевого выключателя а1, который остается активным и на очередном, 3-ем, шаге (B-), выполняемом по команде от путевого выключателя b1 . Это означает, что на распределитель, управляющий цилиндром В, одновременно будут поданы два противоположных сигнала управления — от путевых выключателей а1, и b1 В таком случае, как известно, пневмораспределитель остается в позиции, определяемой первым из поступивших управляющих сигналов, следовательно, 3-й шаг (действие B -) выполняться не будет.
Аналогичная ситуация имеет место и при выполнении 1-го шага: в исходном состоянии путевой выключатель b0 активен и не позволяет выполнить действие А +.
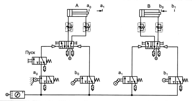
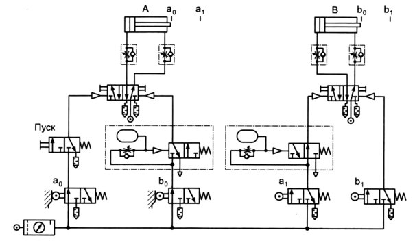
Схема станет работоспособной, если «проблемные» путевые выключатели в момент включения будут формировать не постоянный сигнал, а импульсный. Существуют различные методы получения импульсного сигнала: путем использования пневмоклапанов выдержки времени (рис. 1.16), посредством путевых выключателей с «ломающимся» рычагом (рис. 1.17) и др.
Рис. 1.16. Принципиальная пневматическая схема сверлильного полуавтомата с применением пневмоклапанов выдержки времени (формирователей импульса)
В случае использования путевых выключателей с «ломающимся» рычагом устанавливать их нужно со смещением в 2 — 4 мм от точки, соответствующей конечному положению штока. Такая позиция обусловливает формирование путевым выключателем импульса при подходе штока к конечному положению и игнорирование прохождения штока через выключатель при обратном ходе.
Рис. 1.17. Принципиальная пневматическая схема сверлильного полуавтомата с применением путевых выключателей с «ломающимся» рычагом
На пневматических схемах места установки путевых выключателей с «ломающимся» рычагом обозначают вертикальным штрихом, перпендикулярно которому ставят стрелку, указывающую направление, в котором срабатывает выключатель при движении штока пневмоцилиндра.
Метод отключения сигнала формально сводится к следующей последовательности действий:
• составляют систему логических уравнений, описывающих работу установки;
• выделяют уравнения с совпадающими правыми частями;
• упрощают систему логических уравнений путем сокращения избыточных сигналов;
• заменяют путевые выключатели, сигналы от которых входят в выделенные уравнения, на устройства, формирующие импульсный сигнал в момент своего срабатывания.
















