ПЗ (814372), страница 3
Текст из файла (страница 3)
Рисунок 2.2 - Нагрузочная диаграмма режима работы двигателя с неизменной нагрузкой
Для использования совместно с частотным преобразователем двигатель должен соответствовать следующим требованиям:
-
работать при различном напряжении питания;
-
работать при различной частоте питающего напряжения;
-
иметь изолированные подшипники.
В современных искусственных водоемах фонтана чаще всего устанавливаются центробежные насосы. В отличие от других типов насосного оборудования, они характеризуются меньшим количеством трущихся друг об друга механизмов. При помощи центробежного насоса можно получить струю, достигающую в высоту до 50 м.
Выберем насос КМ 80-65-160.
Технические характеристики этого насоса приведены в таблице 2.1.
Таблица 2.1 - Технические характеристики насоса КМ 80-65-160
| Серия | КМ |
| Номинальная подача, м³/ч | 50 |
| Напор, м | 32 |
| Частота вращения, об/мин | 2895 |
| Давление на входе в насос, кгс/см², не более | 6 |
| КПД, % | 71 |
| Напряжение питания, В | 380 |
| Частота тока, Гц | 50 |
| Мощность двигателя, кВт | 7.5 |
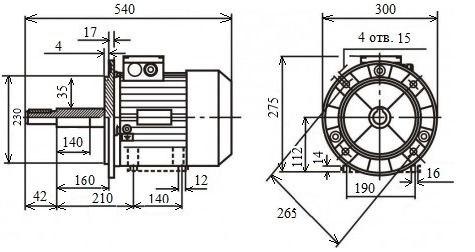
В насосе КМ 80-65-160 установлен двигатель АИР112М2Ж. Чертеж двигателя АИР112М2Ж представлен на рисунке 2.3.
Рисунок 2.3 - Чертеж двигателя АИР112М2Ж
Технические характеристики двигателя приведены в таблице 2.2.
Таблица 2.2 - Технические характеристики двигателя АИР112М2Ж
| Тип | АИР112М2Ж |
| Номинальная мощность, кВт | 7.5 |
| Частота вращения, об/мин | 2895 |
| КПД, % | 87 |
| cos φ | 0.88 |
| Номинальный ток статора, А | 14.9 |
| Кратность максимального момента | 2.3 |
| Кратность пускового тока | 7.5 |
| Кратность пускового момента | 2.2 |
| Масса, кг | 54 |
Основные конструктивные элементы двигателя.
-
Станина. Является опорой для всех элементов электродвигателя. Также на нем присутствуют ребра для охлаждения двигателя и крепежные отверстия.
-
Статор. На его обмотки подается напряжение сети, в результате чего создается вращающееся электромагнитное поля. Состоит из ферромагнитного сердечника с уложенными в нем обмотками, концы которых выводятся на клеммную коробку. Сердечник изготавливается из отдельных изолированных листов электротехнической стали, чтобы уменьшить потери на перемагничивание и «вихревые токи».
-
Ротор. Является вращающейся частью электродвигателя, в которой наводится индукционный ток при вращении в магнитном поле статора, в результате чего возникает электромагнитный момент. Находится внутри статора и состоит из алюминиевых (реже медных, латунных) стержней, замкнутых накоротко с торцов двумя кольцами.
-
Вал. Служит для передачи механического момента рабочему органу. Имеет жесткую механическую связь с ротором.
-
Вентилятор. Предназначен для охаждения двигателя. Приводится в движение за счет вала.
-
Подшипники. В них закреплен вал. Предназначены для уменьшения потерь на трение при вращении вала. Представляют собой небольшие металлические шарики, вращающиеся в полости колец.
Вычислим номинальный ток двигателя по формуле:
где
– номинальная мощность двигателя, Вт;
– номильнальное напряжение питания двигателя, В;
– КПД двигателя;
– коэффициент мощности двигателя.
Подставим в формулу 2.1 данные из таблицы 2.2:
Рассчитаем номинальный момент на валу двигателя по формуле:
где
– угловая частота двигателя.
где
- частота вращения двигателя, об/мин.
Подставим рассчитанное значение
в формулу (2.2):
Рассчитаем максимальный момент двигателя по формуле:
где
- кратность максимального момента.
Рассчитаем пусковой ток двигателя по формуле:
где
– кратность пускового тока двигателя.
Рассчитаем пусковой момент двигателя по формуле:
где
– кратность пускового момента двигателя.
2.3.2 Подбор частотного преобразователя
Определяющими факторами выбора частотного преобразователя будут являться:
-
функциональные возможности, требуемые системой управления;
-
мощность, достаточная для работы двигателя;
-
защита от перегрузок двигателя;
-
диапазон рабочих скоростей двигателя;
-
диапазон рабочих моментов ;
-
характеристики нагрузки и циклограммы работы.
Выбор частотного преобразователя будем производить по номинальной мощности и по номинальному току двигателя.
Паспортная мощность ПЧ должна быть больше или равна паспортной мощности двигателя. Из таблицы 2.2 известно, что номинальная мощность двигателя АИР112М2Ж равна
.
Номинальный длительный ток ПЧ должен быть больше или равен номинальному току двигателя.
Произведем выбор частотного преобразователя в соответствии со значениями, рассчитанными по формулам (2.1)-(2.6). По данным параметрам подходит частотный преобразователь Schneider Electric ALTIVAR 312.
Внешний вид преобразователя представлен на рисунке 2.4.
Рисунок 2.4 - Внешний вид частотного преобразователя Schneider Electric ALTIVAR 312
Основные преимущества выбранного частотного преобразователя:
-
выходная частота 0.5...500 Гц;
-
наличие скалярного U/f-регулирования и векторного управления потоком в разомкнутой системе, а также режима энергосбережения;
-
защита от перегрузки и короткого замыкания;
-
170 - 200 % номинального момента двигателя в переходных процессах;
-
конфигурирование неисправностей и типов остановки;
-
использование наиболее часто используемых интерфейсов Modbus и CANopen;
-
наличие встроенного ЭМС фильтра;
-
высокая надежность.
Из многообразия преобразователей частоты серии ALTIVAR 312 была выбрана модель ATV312 HU75N4, так как эта модель обладает необходимой мощностью и током в установленном режиме для реализации модернизируемой системы.
Основными функциями выбранного преобразователя частоты являются:
-
Выбор формы кривых разгона и торможения
Можно выбрать:
а) линейную функцию:
График разгона и торможения является прямой линией. Применяется, если технологический процесс требует постоянного ускорения и замедления;
б) S-образную:
График разгона и торможения имеет форму, представленную на рисунке 2.5.
Рисунок 2.5 - S-образная форма кривых разгона и торможения
Характеризуется для плавным ускорения или замедлением рабочего органа. Применяется для конвейерных станков, транспортирующих хрупкий груз;
в) U-образную:
График разгона и торможения имеет форму, представленную на рисунке 2.6.
Рисунок 2.6 - U-образная форма кривых разгона и торможения
Характеризуется резким ускорением или замедлением в начале разгона и плавным в конце;
г) индивидуальную кривую:
Пользователь может сам настроить кривую разгона и торможения, в зависимости от технологических требований привода.
-
Локальное задание скорости с помощью ручки навигатора
Позволяет изменять задание частоты с помощью ручки навигатора.
-
16 предварительно заданных скоростей
Позволяет заносить в программу управления 16 установленных значений скорости.
-
Выбор U/f регулирования двигателя. В данном ПЧ существует 4 способа U/f регулирования двигателя:
а) с постоянным моментом нагрузки (кривая 1 рисунок 2.7);
б) с переменным моментом нагрузки (кривая 2 рисунок 2.7);
в) векторное управление (кривая 3 рисунок 2.7);
г) энергосбережение для применений с переменным моментом нагрузки на валу, не требующих хороших динамических характеристик. Поведение, близкое к кривой 2 при работе на холостом ходу и к кривой 3 при нагрузке.
Зависимости напряжения от частоты при разных способах регулирования изображены на рисунке 2.7.
1 - с постоянным моментом нагрузки; 2 - с переменным моментом нагрузки; 3 – при векторном управлении; 4- при энергосбережении
Рисунок 2.7 - Зависимости напряжения от частоты при разных способах регулирования
-
Двух- и трехпроводное управление
Двухпроводное управление: открытое или закрытое состояние входов управляет пуском и остановкой привода. Пример двухпроводного подключения изображен на рисунке 2.8.
Рисунок 2.8 - Двухпроводное подключение
При замыкании контакта LI1 двигатель движется вперед, а при замыкании контакта LIx двигатель движется назад.
Трехпроводное (импульсное) управление: одного импульса вперед или назад достаточно для управления пуском. Одного импульса Стоп достаточно для управления остановкой. Пример трехпроводного подключения изображен на рисунке 2.9.
Рисунок 2.9 - Трехпроводное подключение
Подача импульса на LI1 – стоп; на LI2 – вперед; на LIx – назад.
-
Работа в режиме «быстрее-медленнее»
Данный режим работы характеризуется управлением скоростью двигателя с помощью трех дискретных выходов. Рассмотрим работу в этом режиме с помощью временной диаграммы, изображенной на рисунке 2.10.
а) схема подключения; б) временные диаграммы
Рисунок 2.10 - Режим «быстрее-медленнее»
При замыкании контакта a двигатель движется вперед и удерживает скорость. Во время замыкания контакта b двигатель ускоряется и удерживает скорость при размыкании. При разомкнутых контактах двигатель замедляется. Затем, если замкнуть контакт с, двигатель будет ускоряться в обратном направлении, а контакт d ускоряет это движение.
-
ПИ-регулятор и задания для него
В ПЧ можно сформировать ПИ-регулятор с требуемой передаточной характеристикой путем изменения коэффициентов.
-
Конфигурирование типов остановки
На ПЧ можно выбрать тип остановки при исчезновении команды пуска или появлении команды остановки.
Типы остановок:
а) с заданным темпом;
Торможение с настраиваемым временем торможения.
б) быстрая остановка;
















