ПЗ (814372), страница 2
Текст из файла (страница 2)
о) перистальтические - принцип действия основан на передавливании эластичной трубки каким-либо механическим органом;
п) мембранные - рабочий орган - гибкая пластина, закреплённая по краям; пластина изгибается под действием рычажного механизма или в результате изменения давления жидкости, выполняя функцию, эквивалентную функции поршня в поршневом насосе.
В модернизируемом объекте используются центробежные насосы.
Мощность насосов – 7.5 кВт. Для цетральной струи используется 2 насоса, для круговой трубы с наклонными форсунками используется 4 насоса. Диаметр выходного отверстия насосов 80 мм и высота поднятия жидкости 36 м.
-
Постановка задачи модернизации системы управления
1.4.1 Обзор существующей релейно-контакторной системы управления
На данный момент фонтан управляется посредством релейно контакторных схем.
Основными функциями системы является:
-
пуск и остановка насосов;
-
выполнение команд оператора;
-
управление элементами подстветки.
В городских фонтанах для пуска насосов используются электромагнитные реле GJH150-W-3P.
Внешний вид реле представлен на рисунке 1.4.
Рисунок 1.4 - Внешний вид реле
На рисунке 1.5 приведена принципиальная электрическая схема управления электроприводом с релейным пуском насоса.
Рисунок 1.5 - Принципиальная электрическая схема с релейным пуском насоса
По команде управляющего контроллера приходит сигнал напряжением 5 В на катушку КМ, замыкается трехполюсный контакт КМ и насос запускается. Для остановки насоса отключают управляющий сигнал, катушка КМ перестает получать питание, реле размыкается и насос останавливается.
Недостатки существующей системы:
-
наличие ударных динамических моментов при пуске и остановке;
-
отсутствие регулирования скорости;
-
повышенный износ насосов.
Данная система не надежна, так как частые пуски насосов с постоянными ударными динамическими нагрузками сопровождаются выходом насосов из строя.
1.4.2 Описание целей модернизации
На верхних прудах города Хабаровска находится 4 фонтана, каждый из которых включает в себя 6 насосов, т.е. всего на территории верхних прудов находится 24 насоса. Во время светомузыкальной программы эти насосы часто включаются. При существующей системе пуска надежность системы невелика.
Таким образом, основными целями создания данной системы будут являться:
-
замена релейно-контакторной схемы управления современной, построенной на основе частотных преобразователей и программируемых логических контроллеров;
-
исключение быстроизнашивающейся релейно-контакторной аппаратуры;
-
снижение динамических нагрузок на механизмы во время пуска и торможения;
-
повышение плавности переходных процессов;
-
увеличение срока службы насосов;
-
расширение диапазона регулирования скорости электродвигателей насосов.
Вносимые в систему изменения позволят сократить количество замен как механической, так и электрической части оборудования, а, следовательно, расходы денежных средств и человеко-часы на обслуживание фонтанов.
1.4.3 Обзор системы управления, построенной на основе частотного регулирования
Частотное регулирование заключается в управлении двигателем с помощью преобразователя частоты, который включает в себя управление пуском, торможением, реверсом и скоростью вращения электродвигателя.
Преимуществами являются плавный пуск электродвигателя и возможность регулирования тока в требуемых пределах, что позволяет уменьшить нагрев двигателя при пуске, увеличить производительность и время безоткозной работы элементов всей системы в целом. Преобразователь частоты создаёт возможность регулировать частоту асинхронного двигателя с короткозамкнутым ротором в соотвестсвии с характером нагрузки. Это в свою очередь создаёт возможность избежать возникновения сложных переходных процессов и ухудшения качества питающей сети во время пуска. Таким образом одним из преимуществ систем управления, построенных на основе частотного преобразователя является экономия электроэнергии.
Основные возможности частотных преобразователей:
-
регулирование частоты трехфазного напряжение питания электродвигателя в пределах от 0 до 400 Гц;
-
плавный разгон и торможение двигателя, при необходимости по линейному закону от времени;
-
реверс двигателя, при необходимимости с плавным торможение и разгоном до противоположной заданной частоты вращения;
-
увеличение пусковых и динамических моментов до 150%;
-
защита двигателей от перегрузки по току, перегрева, обрыва линии питания и нессиметричных фаз;
-
отстлеживание и отображение на цифровом индикаторе основных параметров системы – частоте питающего двигатель напряжения, токе, напряжении, скорости вращения двигателя и др.;
-
формирование требуемых вольт-частотных характеристик в зависимости от вида нагрузки;
-
в некоторых видах преобразователей частоты присутствует векторное управление, которое удерживает полный момент двигателя в области низких частот, поддерживает скорость при переменной нагрузке без датчиков обратной связи и точно контроллирует момент на валу двигателя.
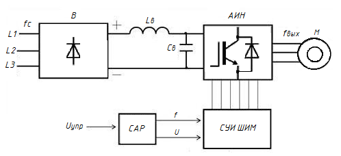
Структура частотного преобразователя (ПЧ)
ПЧ состоит из следующих основных частей: выпрямителя, инвертора и системы управления.
В выпрямителе переменное напряжение сети преобразуется в напряжение постоянного тока. После него пульсирующее однополярное напряжение сглаживается с помощью фильтра.
Трехфазный инвертор осуществяет преобразование выпрямленного напряжения в трехфазное переменное напряжение заданной частоты и амплитуды, которое прикладывается к обмоткам статора электродвигателя. Инвертор состоит из шести транзисторных ключей, чаще всего используют силовые IGBT-транзисторы. По сравнению с тиристорами они имеют более высокую частоту переключения, что позволяет вырабатывать выходной сигнал синусоидальной формы с минимальными искажениями.
Структурная схема ПЧ представлена на рисунке 1.6.
Рисунок 1.6 - Структурная схема преобразователя частоты
Обозначения в схеме на рисунке 1.6:
-
В – выпрямитель;
-
АИН – автономный инвертор напряжения;
-
СУИ ШИМ – система управления импульсами широтно-импульсного преобразователя;
-
САР – система автоматического регулирования.
Управляющий сигнал напряжения
поступает на САР и является задатчиком скорости. После преобразования из САР выходит напряжение требуемой частоты на СУИ ШИМ, где формируются управляющие импульсы на транзисторные ключи, соединенные с выводами СУИ ШИМ. В АИН формируется напряжение заданной частоты в зависимости от частоты поступающих сигналов на транзисторные ключи.
Широтно-импульсное управление характеризуется периодом модуляции, внутри которого обмотка статора электродвигателя подключается поочередно к положительному и отрицательному полюсам выпрямителя. Чем больше частота модулирования сигналов, тем больше выходное напряжение приближено к синусоидальному закону, благодаря фильтрующим свойствам самих обмоток.
На рисунке 1.7 представлена двухполярная последовательность прямоугольных импульсов.
Рисунок 1.7 - Двухполярная последовательность прямоугольных импульсов
Такая система управления обладает высоким КПД.
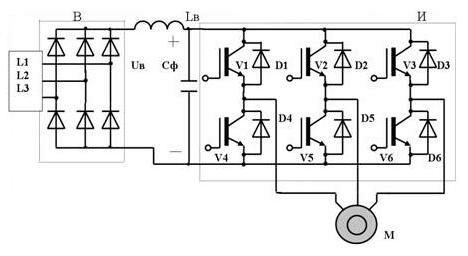
На рисунке 1.8 представлена 3-х фазная мостовая схема автономного инвертора на IGBT-транзисторах.
Рисунок 1.8 - Трехфазная мостовая схема автономного инвертора на IGBT-транзисторах
Она состоит из шести диодов, соединенных по мостовой схеме, образующих какскад выпрямителя; входного фильтра, включающего
и
и шести IGBT-транзисторов V1-V6, включенными встречно-параллельно диодами обратного тока D1-D6, образующими каскад инвентора.
Существует два способа регулирования выходного напряжения инвертора:
-
амплитудным за счет изменения входного напряжения
; -
широтно-импульсным за счет изменения программы переключения вентилей V1-V6 при Uв = const.
2 РАЗРАБОТКА СИСТЕМЫ ЧАСТОТНОГО РЕГУЛИРОВАНИЯ НАСОСОВ
2.1 Структурная схема системы управления
В городских фонтанах на верхних прудах было установлено оборудование для лазерного шоу и управление насосами происходило с помощью управляющих сигналов с лазерного оборудования на реле, которое подавало питание на насос.
В модернизируемой системе управление насосами будет осуществляться с помощью следующих элементов:
-
центробежного насоса с асинхронным электродвигателем с короткозамкнутым ротором. Насос включается при подаче на него трехфазного напряжения и предназначен для создания напора воды;
-
частотного преобразователя. ПЧ включается в зависимости от управляющего сигнала и преобразовывает трехфазное напряжение сети в трехфазное питающее напряжение насоса требуемой частоты;
-
датчиков уровня воды. Они предназначены для определения уровня воды в пруде;
-
программируемого реле. Предназначено для управления ПЧ и обработки сигналов от датчиков уровня воды;
-
графического терминала. Служит в качестве панели оператора для удобного раздельного и совместного управления фонтанами.
Энергетический обмен происходит по двум каналам.
-
Силовой канал. По этому каналу протекают высокие рабочие токи, необходимые для создания электромагнитного момента двигателя насоса. Представляет собой трехфазную питающую сеть напряжением 380 В и частотой 50 Гц, которая с помощью частотного преобразователя трансформируется и направляется в двигателю.
-
Информационный канал. По этому каналу протекают незначительные токи с номинальным напряжением 5 В. Основная цель информационного канала – создавать управляющие воздействия на управляемые элементы системы.
Структурная схема системы приведена на чертеже БР 13.03.02 025 Э12.
-
Построение алгоритма функционирования системы управления
Синтезируем алгоритм работы системы автоматики.
-
Проверяются сигналы от датчиков уровня воды.
-
Если уровень воды ниже положения нижнего датчика или превышает уровень положения верхнего датчика, то питание на насосы не подается. При отсутствии аварийных сигналов система готова к запуску.
-
Далее алгоритм работы зависит от команды оператора с графического терминала
Структурная схема панели оператора представлена на рисунке 2.1.
Рисунок 2.1 – Структурная схема панели оператора
При нажатии кнопки «пуск» из выходных каналов программируемого реле подаются управляющие сигналы на все преобразователи частоты системы и на дисплее программируемого реле загорается соответствующий индикатор пуска насосов.
При нажатии кнопок «фонтан 1» - «фонтан 4» запускаются соответственно 1-4 фонтаны.
При нажатии кнопок «центр 1» - «центр 4» запускаются насосы только центральных форсунок выбранных фонтанов.
При нажатии кнопок «круг 1» - «круг4» запускаются насосы только круговых труб с наклонными форсунками выбранных фонтанов.
-
При отстутсвии сигнала с программируемого реле двигатели останавливаются.
2.3 Выбор оборудования модернизируемой системы
Выберем оборудование для выполнения алгоритма работы, описанного в подразделе 2.2.
2.3.1 Подбор насоса
Электропривод насоса имеет продолжительный режим работы с неизменной нагрузкой. Нагрузочная диаграмма такого режима представлена на рисунке 2.2.
;















