metodichka_chast_1 (811779), страница 3
Текст из файла (страница 3)
.
Пусковую диаграмму можно построить задавшись током
или моментом
. Пусковая диаграмма, приведенная на рис.8 позволяет рассчитать сопротивления ступеней пускового реостата. Величина отрезка аб зависит от величины
, следовательно, известен масштаб делений на участке аб. Для расчета ступеней реостата измеряют величину отрезка –ad, aг, ав, аб.
;
3.4 Электрическое торможение двигателей постоянного тока
Электрическое торможение широко применяется благодаря возможности ценным качествам: плавности торможения, простоте, отсутствию быстроизнашиваемых деталей, возможности работы с возвратом энергии в сеть, легкости автоматизации.
Применяют три основных режима электрического торможения:
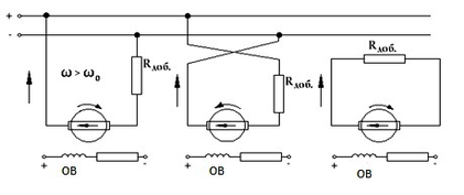
а) генераторное торможение - торможение с возвратом энергии в сеть; б) противовключением; в) динамическое торможение, рис. 9.
Рис. 9 Режимы торможения двигателей постоянного тока: а) генераторный; б) противовключением; в) динамическое торможение
а) б) в)
Рис. 10 Механические характеристики электродвигателя независимого возбуждения в тормозных режимах: а) генераторном; б) противовключением; в) динамическом.
Торможение с возвратом энергии возможно в крановых и других приводах при спуске грузов, когда
превышает скорость идеального
, при этом E > U и ток якоря меняет свое направление на обратное
. Электрическая схема не претерпевает изменений, поэтому с учетом изменения направления тока якоря уравнение движения двигателя примет вид:
. Механические характеристики при этом являются продолжением характеристик двигательного режима и располагаются во II квадрантах, рис. 10а.
Торможение противовключением создается при реверсе электродвигателя, а также в подъемных механизмах в моменты, когда под действием груза двигатель вращается в обратную сторону, чем он включается. Уравнение механической характеристики при этом:
.
Здесь напряжение сети к ЭДС совпадают по направлению, поэтому ток якоря определяется из уравнения
или
умножив левую и правую часть на I, получим:
,
где
- мощность, расходуемая на нагрев,
- мощность, подводимая из сети,
- мощность, подводимая со стороны вала рабочей машины и преобразуемая в электрическую.
При
:
.
Из характеристики, рис. 10б видно, что при
тормозной момент имеет большое значение, что обеспечивает очень эффективное торможение.
Динамическое торможение осуществляют отключением якорной цепи от сети и замыканием на сопротивление. При таком включении двигатель работает как генератор, нагруженный на R, и развивает тормозной момент, направленный против движения. Механическая характеристика определяется уравнением, которое выводится из основного уравнения движения при
Тормозной момент растет с уменьшением R.
При спуске груза, когда тормозной момент уравновешивает активный статический момент при уменьшении R уменьшается
и, наоборот, при увеличении R растет
. Характеристики динамического режима торможения располагаются в I квадранте, рис 10,в.
3.5 Расчет сопротивлений тормозного реостата.
Пример: Рассчитать сопротивления тормозных реостатов для двигателя с параметрами:
= 42 кВт,
= 220В,
= 1500 об/мин,
= 217 А.
Определим R динамического торможения, если
= 1540 об/мин,
= 1.57 А,
= 1,32.
Определим R торможения противовключением:
.
3.7 Расчетные задания
Контрольные задания выполняются студентами в течение двух семестров в период самостоятельного изучения разделов дисциплины. При изучении разделов «Основы ЭЛЕКТРОПРИВОДА» и «Электроснабжение» выполняется соответственно два и четыре задания. Данные, необходимые для выполнения заданий, приводятся в таблицах. Все расчёты должны быть выполнены в системе единиц СИ.
Графическая часть работ должна быть выполнена в соответствии с требованиями ЕСКД, условные изображения на электрических схемах в соответствии с требованиями ГОСТ 2.755-74.
Номера заданий выбираются по двум последним цифрам учебного шифра студента по таблицам №7,№8,№9 приложения.
Расчетное задание №1.
Используя приведённые в таблице №7 данные о скорости вращения рабочей машины и моменте статического сопротивления, оказываемого её движению, необходимо выбрать двигатель постоянного тока из таблицы №8 и рассчитать для двигателя по паспортным характеристикам данные, необходимые для построения естественной механической характеристики построения пусковой диаграммы и характеристик тормозных режимов(генераторного, динамического и торможения противовключением).
Если при выборе двигателя его скорость не будет совпадать с заданной скоростью рабочей машины, необходимо между ними ввести редуктор.
1. Рассчитать среднее значение момента статического сопротивления Мс.ср.
Мс.ср = М1×ti+ M2×t2 + .... + Mn×tn/t1 + t2 + ... +tn
2. По среднему моменту Мс.ср. и скорости вращения рабочего механизма wрм с учётом КПД редуктора h рассчитать потребную мощность двигателя Рдв.
Рдв= Мс.ср×wрм/h×103,
где h - КПД редуктора (принимать равным 0,96).
3. По полученной мощности из справочных данных табл.8 выбрать двигатель с номинальной мощностью Рн, кВт, причём Рн>Рдв. У выбранного двигателя номинальная скорость вращениями wн должна максимально (для уменьшения передаточного числа редуктора) приближаться к скорости рабочего механизма.
Таким образом (метод среднего момента или эквивалентного момента) выбирается двигатель для продолжительного режима работы.
4. Дать краткое описание выбора мощности двигателя при кратковременном, повторно-кратковременном режимах.
5. Рассчитать по паспортным данным выбранного двигателя естественную механическую характеристику.
6. Построить пусковую диаграмму двигателя (число ступней при пуске принимать равным 3-4).
7. Рассчитать сопротивление секций пускового реостата. Привести схему пуска и описание.
8. Привести Мс.ср к валу двигателя и определить установившуюся скорость двигателя на естественной характеристике.
М'с = Мс.ср/h×i,
где i - передаточное отношение редуктора.
i = wн/wрм
9. По уравнению механической характеристики рассчитать и построить характеристику режима генераторного торможения с отдачей энергии в сеть.
10. Рассчитать и построить характеристику режима динамического торможения . Добавочное сопротивление в цепи якоря
принимать равным 3
. Полное сопротивление якоря цепи :
R =
11.Рассчитать и построить характеристику режима противовключения. Добавочное сопротивление в режиме противовключения принять:
Начертить характеристику режима генераторного торможения, характеристику режима противовключения. Все характеристики изобразить в одних осях
.
Графическая часть изображается карандашом на миллиметровой бумаге (кроме электрических схем). Цифровое обозначение откладываемых величин на осях абсцисс и ординат выносить через 30 мм. Работу выполнить в школьной тетради с разлиновкой в клетку. На титульном листе указывается фамилия, имя, отчество, учебный шифр.
4. Электромеханические свойства асинхронных электродвигателей
4.1 Асинхронный электродвигатель с короткозамкнутым ротором
На горных предприятиях наиболее широко применяются асинхронные электродвигатели с короткозамкнутым ротором. Для привода мощных механизмов и передвижных машин применяют двигатели с фазным ротором.
Достоинства асинхронных электродвигателей (АД) – простота устройства, надежность, экономичность. Недостатки – сложность регулирования ω, квадратичная зависимость Мк от U (Мк – U2), плохие пусковые характеристики, небольшой пусковой момент при большем пусковом токе Iпуск.
Работа АД основана на принципе взаимодействия вращающего магнитного поля статора с обмотками ротора. Скорость вращения магнитного поля статора равна синхронной и определяется уравнением:
, рад/с или
, об/мин,
где ƒ – частота питающей сети, ρ – число пар полюсов, – угловая скорость, n – частота вращения.
Вращающееся магнитное поле, пересекая обмотки статора и ротора, индуктируют в них ЭДС – ЭДС ротора создает в проводах ротора ток, который взаимодействует с полем статора, вызывает электромагнитный момент, действующий по направлению вращения поля. Скорость вращения ротора несколько меньше скорости вращения поля статора. Отношение разности этих скоростей к скорости
называется скольжением S.
или
.
S зависит от потерь в обмотках ротора. Чем больше нагрузка, тем больше S, так как растет ток обмоток ротора.
Вращающий момент, развиваемый электродвигателем, зависит от активной составляющей тока ротора Iр.а. и определяется из равенства:
При критической величине скольжения Sкр ток Iр.а. достигает максимума и при дальнейшем росте скольжения ток Iр.а. уменьшается, следовательно, уменьшается и вращающий момент Мg несмотря на рост тока Iр.а.
Зависимость Мg = ƒ(S) определяется уравнением
берется из паспортных данных электродвигателя,
определяется из уравнения
. Здесь
- перегрузочная способность, получена из предыдущих уравнений при значении
.
Пример 1:
Построим естественную механическую характеристику для асинхронного двигателя с параметрами Pн = 30 кВт, Uн = 380В, nн =1460 об/мин, λ = 2,2.
;
;
;
Зададимся различными значениям S в уравнении
















