Плоское движение (805264)
Текст из файла
Кинематика плоского движения. Вариант № 1
1. Определение плоского движения тела. Уравнения плоского движения тела.
-
Векторная формула для скоростей точек плоской фигуры при плоском движении.
3. Диск катится без скольжения по неподвижной плоскости. Определить положения мгновенного центра скоростей и мгновенного центра ускорений, если
4. В кривошипно-ползунном механизме кривошип 1 вращается с постоянной угловой скоростью
ω1 =1 рад/с. В заданном положении механизма
определить ускорение ползуна 3 и положение МЦУ шатуна 2, если ОА = 0,3 м, АВ = 0,6 м.
Кинематика плоского движения. Вариант № 2
-
Мгновенный центр скоростей. Теорема о существовании МЦС.
-
Сложение движений плоской фигуры в её плоскости из переносного поступательного вместе с полюсом и относительного вращения вокруг полюса.
-
В данном положении механизма определить положения мгновенных центров скоростей и ускорений для звена
, если
,
,
.
A
4. Колесо радиуса r = 0,2м катится без скольжения по прямолинейной направляющей. Его центр C движется по закону s = 0,2(t2 -3t) (s - в м, t - в с ).
Для t1 =1с найти угловую скорость и ускорение
колеса, а также скорость и ускорение его точки А.
Кинематика плоского движения. Вариант № 3
-
Частные случаи определения МЦС.
-
Теорема о проекциях скоростей двух точек тела на прямую, их соединяющую.
4. В указанном на рисунке положении
механизма, состоящего из трех шарнирно
соединенных стержней, заданы скорость и
ускорение точки A: vA =2 м/с, аA =10 м/с2.
Определить ускорение точки B и угловое
ускорение стержня АВ, если AB = BO2 = 0,5 м.
1
3
2
Кинематика плоского движения. Вариант № 4
-
Векторная формула для ускорений точек тела в плоском движении.
-
Способы нахождения МЦС.
В данном положении механизма определить угловое ускорение звена
.
4. Колесо радиуса r = 0,2м катится без скольжения по прямолинейной направляющей. Закон движения его центра C sC = 0,2t2 (s - в м, t - в с).
Определить ускорение точки K колеса при t1 =1с.
Кинематика плоского движения. Вариант № 5
-
Мгновенный центр ускорений. Теорема о существовании мгновенного центра ускорений.
-
Векторная формула для ускорений двух точек плоской фигуры при плоском движении. Построение многоугольника ускорений.
-
Диск катится без скольжения по неподвижной
ускорение точки А.
4. В указанном на рисунке положении механизма, состоящего из трех шарнирно соединенных стержней, заданы скорость и ускорение точки A:
vA= 1 м/с, аA = 4 м/с2.
Определить ускорение точки B и угловое ускорение стержня АВ, если АВ = BО2 = 0,5 м.
3
2
1
Кинематика плоского движения. Вариант № 6
-
Частные случаи определения МЦУ.
-
Векторная формула для ускорений двух точек плоской фигуры при плоском движении
4. Колесо радиуса r = 0,4 м катится без скольжения. Определить ускорение точки B колеса, если центр A колеса движется с постоянной скоростью vA =2 м/с.
Кинематика плоского движения. Вариант № 7
-
Определение угловой скорости в плоском движении тела.
-
Движение плоской фигуры в её плоскости. Независимость угловых скорости и ускорения тела от выбора полюса.
3. Диск катится без скольжения по
неподвижной плоскости, в точке A к диску шарнирно прикреплен стержень AB.
В данном положении механизма определить ускорение ползуна B, если
,
,
.
4. В кривошипно-ползунном механизме кривошип 1 вращается с постоянной угловой скоростью ω1 = 1 рад/с. В заданном положении механизма определить ускорение ползуна 3 и угловое ускорение шатуна 2, если
ОА=0,2м, АВ=0,4 м.
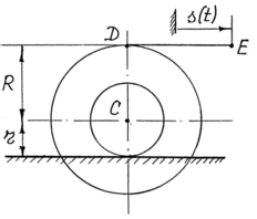
4. Конец нерастяжимой нити, намотанной на обод ступенчатого катка, движется по закону
sE = 0,3t2 ( s- в м,t -в с).
В момент времени t1 =1 с определить
скорость и ускорение центра C, а также
угловые скорость и ускорение катка, если
каток не проскальзывает и R=2r=0,4м.
Кинематика плоского движения. Вариант № 8
-
Способы определения углового ускорения в плоском движении.
-
Векторная формула для скоростей точек тела в плоском движении.
-
Ползуны движутся в направляющих. Для данного положения механизма определить ускорение ползуна B, если
,
,
.
Кинематика плоского движения. Вариант № 9
-
Векторная формула для ускорений точек тела в плоском движении.
-
Мгновенный центр скоростей. Частные случаи определения МЦС.
4. Конец нерастяжимой нити, намотанной на обод ступенчатого катка, движется по закону
sE =s(t) = 0,3t2 ( s - в м, t -в с).
В момент времени t1 =1 с определить
скорость и ускорение центра C, а также
угловую скорость и ускорение катка, если
каток не проскальзывает и R=2r=0,4м.
Кинематика плоского движения. Вариант № 10
-
Мгновенный центр ускорений. Теорема о существовании МЦУ.
-
Векторная формула для скоростей точек плоской фигуры. Построение
треугольника скоростей.
-
Диск катится без скольжения по неподвижной плоскости; в точке A к диску шарнирно прикреплен стержень. Для данного положения механизма определить скорость точки
, если
,
,
.
4. В кривошипно-ползунном механизме кривошип 1 вращается с постоянной угловой скоростью ω1 = 2 рад/с.
В заданном положении механизма определить
ускорение ползуна 3 и угловое ускорение шатуна 2, если ОА=0,2м, АВ=0,4м.
Кинематика плоского движения. Вариант № 11
-
Способы определения угловой скорости плоской фигуры.
-
МЦС. Теорема о существовании МЦС.
В данном положении механизма определить скорость точки
.
4. Колесо радиуса r = 0,2 м катится без скольжения по прямолинейной направляющей.
Определить ускорение точки B в тот момент времени, когда скорость точки A равна нулю, а ускорение
aA = 2 м/с2.
Кинематика плоского движения. Вариант № 12
-
Уравнения плоского движения тела. Угловые скорость и ускорение тела в плоском движении.
-
МЦУ. Теорема о существовании МЦУ.
-
Диск радиусом
, катится без скольжения по неподвижной плоскости. Центр диска С движется по закону
. В момент времени
t = 1 с определить угловые скорость и ускорение диска, скорость точки А.
4. В кривошипно-ползунном механизме кривошип 1 вращается с постоянной угловой скоростью ω1 = 1 рад/с. В заданном положении механизма определить
ускорение ползуна 3 и угловое ускорение шатуна 2, если OA = 0,4 м, AB=0,8 м.
Кинематика плоского движения.
4. Колесо радиуса r = 0,2 м катится без скольжения по горизонтальному рельсу. Найти скорость и ускорение точки B колеса, если заданы скорость и ускорение его
центра A: vA = 0,4 м/с, aA = 0,2 м/с2.
4. Диск радиуса r катится без скольжения по цилиндрической поверхности радиуса R = 3r = 0,3м так, что скорость его центра A постоянна по величине vA = 0,2 м/с. Найти скорость и ускорение точки B диска.
Вариант № 131. Векторная формула для определения ускорений точек тела в плоском движе-
нии.
-
Ползуны
и
движутся в направляющих. Для данного положения механизма определить величину и направление скорости точки C, если
,
, AC = CB.
Кинематика плоского движения. Вариант № 14
-
Способы определения скоростей точек тела в плоском движении.
-
Частные случаи определения МЦУ.
-
Ползуны A и B движутся в направляющих. Для данного положения механизма определить положения мгновенных центров скоростей и ускорений, если
,
.
Кинематика плоского движения. Вариант № 15
-
Теорема об определении ускорений точек тела в плоском движении.
-
Уравнения плоского движения тела.
-
Ползуны движутся в направляющих. Для данного положения механизма определить ускорение точки B, если
,
.
4. Колесо радиуса r = 0,5 м катится без скольжения по горизонтальному рельсу, при этом угол поворота колеса изменяется по закону φ(t) = 0,5t2 (φ – в рад, t – в с).
В момент времени t1 = 1 c найти скорость и ускорение центра C колеса.
Характеристики
Тип файла документ
Документы такого типа открываются такими программами, как Microsoft Office Word на компьютерах Windows, Apple Pages на компьютерах Mac, Open Office - бесплатная альтернатива на различных платформах, в том числе Linux. Наиболее простым и современным решением будут Google документы, так как открываются онлайн без скачивания прямо в браузере на любой платформе. Существуют российские качественные аналоги, например от Яндекса.
Будьте внимательны на мобильных устройствах, так как там используются упрощённый функционал даже в официальном приложении от Microsoft, поэтому для просмотра скачивайте PDF-версию. А если нужно редактировать файл, то используйте оригинальный файл.
Файлы такого типа обычно разбиты на страницы, а текст может быть форматированным (жирный, курсив, выбор шрифта, таблицы и т.п.), а также в него можно добавлять изображения. Формат идеально подходит для рефератов, докладов и РПЗ курсовых проектов, которые необходимо распечатать. Кстати перед печатью также сохраняйте файл в PDF, так как принтер может начудить со шрифтами.
МЦУ. Теорема о существовании МЦУ.
Уравнения плоского движения тела.















