lab1 (803321)
Текст из файла
| Министерство науки и высшего образования Российской Федерации Федеральное государственное бюджетное образовательное учреждение высшего образования «Московский государственный технический университет имени Н. Э. Баумана (национальный исследовательский университет)» (МГТУ им. Н. Э. Баумана) |
ФАКУЛЬТЕТ «Информатика и системы управления» _____
КАФЕДРА Компьютерные системы и сети__________
Лабораторная работа № __1__
«Синхронные одноступенчатые триггеры со статическим и динамическим управлением записью»
| Студент _______________________________ Группа ________________________________ Преподаватель _________________________ |
Москва.
2020 г.
Цель работы – изучить схемы асинхронного RS-триггера, который является запоминающей ячейкой всех типов триггеров, синхронных RS- и D-триггеров со статическим управлением записью и DV-триггера с динамическим управлением записью.
1. Исследовать работу асинхронного RS-триггера с инверсными входами в статическом режиме.
| Время | Время | |
|
|
|
|
| 0 | 0 | x |
| 0 | 1 | 1 |
| 1 | 0 | 0 |
| 1 | 1 |
|
2. Исследовать работу синхронного RS-триггера в статическом режиме.
| Время | Время | |||
|
|
|
|
| |
| 0 | 0 | 0 |
| |
| 0 | 0 | 1 |
| |
| 0 | 1 | 0 |
| |
| 0 | 1 | 1 |
| |
| 1 | 0 | 0 |
| |
| 1 | 0 | 1 | 0 | |
| 1 | 1 | 0 | 1 | |
| 1 | 1 | 1 | x | |
Без синхросигнала (С = 0) триггер находится в состоянии хранения, при наличии (С = 1) – работает, как асинхронный RS-триггер.
3. Исследовать работу синхронного D-триггера в статическом режиме.
| Время | Время | |
|
|
|
|
| 0 | 0 |
|
| 0 | 1 |
|
| 1 | 0 | 0 |
| 1 | 1 | 1 |
Сигнал D становится принимаем триггером в случае активности синхросигнала.
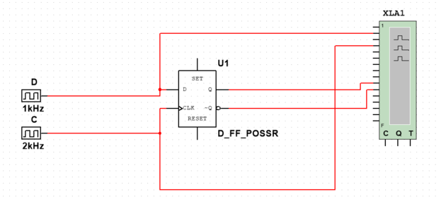
4. Исследовать схему синхронного D-триггера с динамическим управлением записью в статическом режиме.
В триггер записывается значение сигнала D, действующее в момент перепада (0 – 1) синхросигнала С.
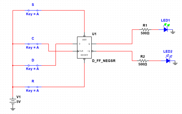
Асинхронные входы
используются для начальной установки состояния 1 и 0.
| Время | Время | |
|
|
|
|
| 0 | 0 | x |
| 0 | 1 | 1 |
| 1 | 0 | 0 |
При
триггер принимает сигнал D только по перепаду (0 – 1) сигнала С.
|
|
|
|
|
| 0 | 0 | 0 |
|
| 0 | 0 | 1 |
|
| 0 | 1 | 0 | 0 |
| 0 | 1 | 1 | 1 |
| 1 | 0 | 0 |
|
| 1 | 0 | 1 |
|
| 1 | 1 | 0 |
|
| 1 | 1 | 1 |
|
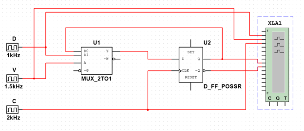
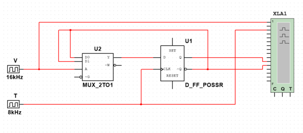
5. Исследовать схему синхронного DV-триггера с динамическим управлением записью в динамическом режиме.
При V = 0 триггер находится в режиме хранения, при V = 1 диаграмма DV-триггера соответствует D-триггеру.
6. Исследовать работу DV-триггера, включенного по схеме TV-триггера.
T – (счёт по модулю 2) счётный вход; V – вход для разрешения приёма информации.
Характеристики
Тип файла документ
Документы такого типа открываются такими программами, как Microsoft Office Word на компьютерах Windows, Apple Pages на компьютерах Mac, Open Office - бесплатная альтернатива на различных платформах, в том числе Linux. Наиболее простым и современным решением будут Google документы, так как открываются онлайн без скачивания прямо в браузере на любой платформе. Существуют российские качественные аналоги, например от Яндекса.
Будьте внимательны на мобильных устройствах, так как там используются упрощённый функционал даже в официальном приложении от Microsoft, поэтому для просмотра скачивайте PDF-версию. А если нужно редактировать файл, то используйте оригинальный файл.
Файлы такого типа обычно разбиты на страницы, а текст может быть форматированным (жирный, курсив, выбор шрифта, таблицы и т.п.), а также в него можно добавлять изображения. Формат идеально подходит для рефератов, докладов и РПЗ курсовых проектов, которые необходимо распечатать. Кстати перед печатью также сохраняйте файл в PDF, так как принтер может начудить со шрифтами.
















