РПЗ (777910), страница 4
Текст из файла (страница 4)
мм
Шлифование
мм
2.8 Разработка маршрутного технологического процесса
Ниже приведено маршрутное описание технологического процесса изготовления детали «стакан», разработанного на основании п. 2.6 и базового технологического процесса.
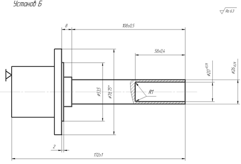
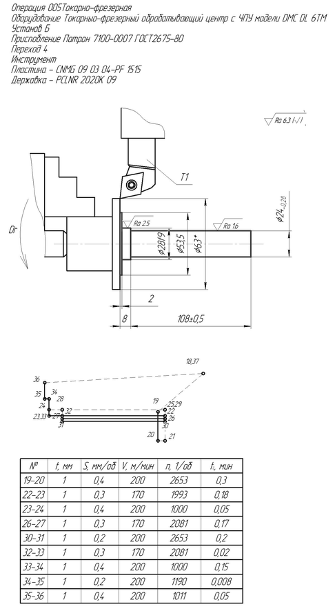
Операция 005 Токарно-фрезерная с ЧПУ
Оборудование Токарно-фрезерный обрабатывающий центр с ЧПУ модели DMC DL 6TM
Операция 010 Токарно-фрезерная с ЧПУ
Оборудование Токарно-фрезерный обрабатывающий центр с ЧПУ модели DMC DL 6TM
Операция 015 Токарно-фрезерная с ЧПУ
Оборудование Токарно-фрезерный обрабатывающий центр с ЧПУ модели DMC DL 6TM
Операция 020 Токарно-фрезерная с ЧПУ
Оборудование Токарно-фрезерный обрабатывающий центр с ЧПУ модели DMC DL 6TM
Операция 025 Термическая
Оборудование Термическая печь ПКМ 4.8.4/M
Операция 030 Круглошлифовальная
Оборудование Круглошлифовальный станок модели R-grind 1565
Операция 035 Токарно-фрезерная с ЧПУ
Оборудование Токарно-фрезерный обрабатывающий центр с ЧПУ модели DMC DL 6TM
Операция 040 Токарно-фрезерная с ЧПУ
Оборудование Токарно-фрезерный обрабатывающий центр с ЧПУ модели DMC DL 6TM
Операция 045 Моечная
Оборудование Моечная машина
Операция 050 Контрольная
2.9 Разработка технологических наладок для операций.
В качестве проектных операции выберем Токарно-фрезерные операции 005,015,020, так как на данных операциях выполняется черновая и получистовая обработка основных поверхностей детали, а также формируются базы для дальнейшей обработки.
На основании разработанного маршрута обработки основных поверхностей и маршрутного описания обработки детали можно сделать вывод, что для обработки всех поверхностей на операции 005 потребуется 6 переходов, которые будут выполняться за 2 установа, на операции 015 необходимо 3 перехода при неизменном закреплении, операция 020 выполняется за один переход.
Закрепление заготовки при обработке на операции 005 на каждом из установов будет выполняться по схемам 1 и 2. Для фрезерования на операции 015 применяется схема 3, фрезерование прямоугольных отверстий на операции 020 выполняется при закреплении согласно схеме 4. Все схемы приведены на Рисунке 3.
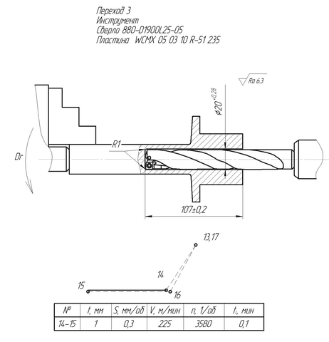
Операционные эскизы всех переходов операций 005, 015, 020 с указанием оборудования, приспособления, инструмента, его траектории и режимов резания приведены ниже.
Режимы резания сведены в таблицы в соответствии с опорными точками траектории инструмента. Назначение режимов выполнено в соответствии с рекомендациями, приведёнными в каталоге Sandvik Coromant.
3.Исследование влияния технологических факторов на упругие перемещения технологической системы
-
Постановка задачи исследования и анализ принимаемых решений
Механическая обработка заготовок на металлорежущих станках выполняется с использованием приспособлений и инструментов. Все узлы и устройства, участвующие в процессе обработки, и обрабатываемая заготовка образуют технологическую систему: станок – приспособление – инструмент - деталь. После прекращения резания все части возвращаются в исходное положение, подобно тому, как выпрямляется рессора автомобиля после его разгрузки. Поэтому технологическую систему считают упругой.
В процессе фрезерования возникает сила резания, действующая на инструмент и вызывающая отжатия инструмента, заготовки, приспособления и частей станка. При правильном выборе режима резания, исправном состоянии станка и приспособления для закрепления заготовки и вспомогательного инструмента, несущего фрезу , отжатия могут быть компенсированы за счет изменения траектории движения режущего инструмента, либо предварительной настройкой технологической системы.
При фрезеровании прямоугольных пазов стакана могут возникать значительные упругие перемещения заготовки под действием внешних силовых факторов. Поэтому была поставлена задача оценить влияние технологических факторов на точность обработки пазов и установить рациональные значения этих параметров.
3.2. Обзор технологических методов обеспечения требований и выполнения задачи исследования
В упругой системе существуют определенные зависимости между действующими силами и деформациями, которые эти силы вызывают. Зная эти зависимости, можно еще до начала обработки заготовки примерно рассчитать предполагаемые деформации и связанные с ними погрешности обработки. При сравнении этих погрешностей с допускаемыми значениями можно сказать, удачно ли выбран, например, режим резания, способ закрепления заготовки, инструмент.
Однако возможно, что и сам станок не в состоянии обеспечить нужную точность. Было бы очень удобно, если бы имелась несложная формула, позволяющая по известной силе резания простым расчетом получить ожидаемую погрешность размера. Но такой формулы нет, и приходится определять эту погрешность по частям в зависимости от условий работы системы. Объясняется это сложностью деформаций технологической системы. При фрезеровании возникают силы, скручивающие и изгибающие оправку с инструментом, деформирующие консоль и другие части станка, приспособление, заготовку.
Упругие деформации элементов технологической системы зависят от их способности противостоять действующей силе, т. е. от их жесткости. Жесткость определяют как отношение действующей силы к деформации, вызываемой этой силой. При обработке резанием представляют интерес прежде всего деформации, вызывающие погрешности получаемых размеров.
-
Исследование схем закрепления заготовки на станке
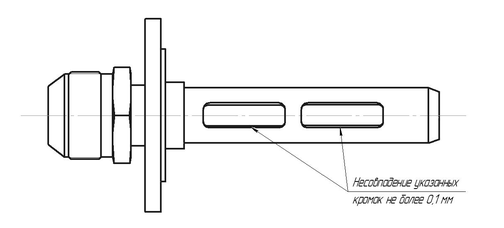
На чертеже детали «стакан» заданы требования несовпадения кромок двух соседних пазов (рисунок 8).
Рисунок 8 – Требование несовпадения кромок
В процессе фрезерования боковые кромки будут упруго деформироваться, инструмент будет отжиматься от заготовки, что будет приводить к образованию погрешности Δ. Схема образования погрешности приведена на рисунке 9.
Рисунок 9 – Схема образования погрешности
3.3.1 Факторы, влияющие на обеспечение данного требования
- Схема закрепления заготовки на станке
- Режимы обработки
- Размер инструмента
Для фрезерования прямоугольных пазов детали стакан на токарно-фрезерном станке могут быть применены следующие варианты схем установки:
-
Консольное закрепление в трехкулачковом патроне
-
Закрепление в трехкулачковом патроне с призматической опорой
-
Закрепление в цанговом патроне с поджатием задним центром
Рисунок 10– Варианты схем установки заготовки
П
ри фрезеровании детали упругие деформации заготовки будут возникать под действием двух внешних силовых факторов: осевая сила и крутящий момент фрезы при резании (Рисунок 11)
Рисунок 11 – Схема действия сил при фрезеровании
Режимы резания для данного перехода приведены в таблице 6.
Таблица 6 – Режимы резания при фрезеровании пазов
Для данных режимов резания осевая сила рассчитывается так:
, данные взяты из справочника[3]
Тогда получаем:
Отсюда момент:
Для оценки перемещений при различных вариантах закрепления заготовки на станке воспользуемся расчётным пакетом программы Solid Works, основанном на методе конечных элементов.
Результаты виртуального эксперимента приведены ниже на рисунке 12 и содержат модель каждой схемы закрепления с диаграммой перемещений.
Рисунок 12 – Схемы закрепления и диаграммы перемещений
По результатам эксперимента Схема 1 и Схема 2 имеют максимальные перемещения 0,553 мм и 0,137 мм соответственно, что больше допустимых требованием на несовпадение кромок, поэтому данные схемы не могут быть применены для обработки.
Схема 3 имеет максимальные перемещения 0,035 мм, что в пределах допустимого поля.
Проанализируем схему 3 при различных режимах обработки. Для этого рассчитаем значения внешних силовых факторов, варьируя поочередно значения подачи на зуб Sz, частоты оборотов шпинделя n, а также диаметр используемой фрезы D. Расчёт выполним в программируемой среде MathCad.
-
Подача на зуб
Примем варианты Sz= 0.02, 0.04, 0.06 мм/зуб
Рисунок 13 – Зависимость максимального перемещения от подачи
-
Частота вращения шпинделя
Примем варианты n=1000, 2500, 5000 об/мин
Рисунок 14 – Зависимость максимального перемещения от частоты n
-
Диаметр фрезы
П
римем D=4, 6, 8 мм















