AntEnt's (776492), страница 2
Текст из файла (страница 2)
-I11 R6+I22 (R1+ R5 +R6) - I33R5 = E1
-I11 R3 -I22 R5 - I33 (R2+ R3 +R5) +J22 R2 = E2
или перенесем J22R2=J2R2=EЭ в правую часть:
I11 (R3+ R4 +R6) - I22R6+ I33 R3=0
-I11 R6+I22 (R1+ R5 +R6) - I33R5 = E1
-I11 R3 -I22 R5 - I33 (R2+ R3 +R5) = E2 –Eэ
В таком виде система соответствует схеме 3.
Запишем систему в матричной форме:
R3+ R4 +R6 -R6 -R3 I11 0
-R6 R1+ R4 +R6 -R2 I22 = E1
-R3 -R5 R2+ R3 +R5 I33 E2 - Eэ
370 -120 -90 I11 0
-90 570 -80 I22 = 24
-120 -220 420 I33 50
Решая систему относительно неизвестных, находим контурные токи:
I11 =0,109 A ; I22 =0,147 A; I33 =0,227 A.
И по принципу наложения выражаем через них токи в ветвях. Если контурный ток
течет согласно с принятым направлением тока, то он берется со знаком плюс и наоборот:
I1=I22 =0,147 A
I2=I33 =0,227 A
I3= I11 - I33 =-0,118 A
I4= I11 =0,110 A
I5= I22 – I33 =- 0,080 A
I6= I11 – I22 = -0,038 A
IR2= I33 + J2 = 0,427 A
4. Расчет неизвестных токов в ветвях МУП
Число уравнений системы равно числу уравнений по I закону Кирхгофа. Неизвестными системы являются неизвестные потенциалы узлов. Потенциал одного из узлов примем равным 0. В схеме, где есть ветвь, содержащая только Е, нужно выбирать за нуль потенциал одного из узлов этой ветви.
Для схемы 2: φc=0 , φm= φc -E2 =66 B.
Неизвестными будут: φa , φb , φd
Для схемы 3:
Системы эквивалентны, так как
Система в матричной форме:
Решая систему относительно неизвестных, находим потенциалы узлов:
φa= -14,146 B; φb=-31,803 B; φd=-17,532 B.
Выражаем токи в ветвях по закону Ома:
I1=0,147 A
I3=-0,118 A
I4=0,110 A
I5=-0,080 A
I6=-0,038 A
По схеме 2:
I2=0,227 A
По схеме 3:
I2=0,227 A
5. Сравнительная таблица результатов расчета токов
| I1 A | I2 A | IR2 A | I3 A | I4 A | I5 A | I6 A | |
| МКТ | 0.147 | 0.227 | 0.427 | 0,118 | 0,110 | 0,080 | 0,038 |
| МУП | 0.147 | 0.227 | 0.427 | 0,118 | 0,110 | 0,080 | 0,038 |
6. Баланс мощностей (в схеме 2)
Ubm= IR2R2=34,16 B 25,28=25,34 Bт.
7. Расчет I1 для схемы 2 МЭГ
Схема 4
Примем R1 = ∞, т.е. рассмотрим схему 2 в режиме хх. Получим схему 4, соответствующую эквивалентному генератору, в которой выбираем направления ногвьх токов Iaxx , Ibxx , Icxx , Idxx. У нее три узла a, m, d. Значит, МУП соответствует система 2 уравнений. МКТ также соответствует система 2 уравнений (см. рис. 7.2), т.к. в схеме 2 контура с неизвестными контурными токами I11хх и I22хх . (Схеме 3 будет соответствовать система: МКТ - 2 уравнения, МУП - 1 уравнение.) Ветвь с J2 создает известный контурный ток J22=J2.
а) Система МУП: примем φс = 0.
φmxx = E2.
φaxx= -10,638 B
В схеме 4 точки "d" и "b" не являются узлами, поскольку узел включает не менее трех ветвей с токами.
Iaxx=-0,089 A
Ibxx=-0,331 A
Icxx=-,131 A
Idxx=-0,043 A
б) Система МКТ:
Перенесем в правую часть уравнения в цифрах J2R2 и составим матричные уравнения:
I11xx=-0,043 A; I22xx=0,131 A
Выражаем токи в ветвях через контурные:
Iaxx=- I22xx + I11xx = 0,089 A
Ibxx= -I22xx – J2=-0,331 A
Icxx= -I22xx =-0,131 A
Idxx= I11xx,=-0,043 A
в) Сравним токи в ветвях, полученные МУП и МКТ.
| Iaxx, А | Iaxx, А | Iaxx, А | Iaxx, А | |
| МКТ | 0,089 | -0,331 | 0,131 | -0,043 |
| МУП | 0,089 | -0,331 | 0,131 | -0,043 |
г)Находим Udb xx(т.к. ток I1=Idb в схемах 2 и3 ). Рассчитываем его по 2 различным путям, делая переход от второй точки “c” к первой “b”. Для схемы 4 рис. 7.1.:
Udb xx=φdxx-φbxx+E1=IdxxR6-IbxxR5+E1=-IdxxR4+E2+IbxxR2+E1.
56,64 B=56,64 B
д)Определяем входное сопротивление схемы Rвх dbxx .Удаляем Источники энергии, оставляя вместо источников их внутренние сопротивления RE=0, RJ=∞. В схеме 4 нельзя выделить параллельные и последовательные участки, поэтому делаем преобразование треугольника acd.
Rco=51,892 Ом
Rdo=38,919 Ом
Rao=29,189 Ом
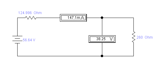
Rвхdb=124,998 Ом
е) Определяем ток I1 согласно схеме замещения
I1=0,147 A,
что совпадает со значением тока I1 в таблице.
8. Потенциальная диаграмма
Для схемы 2: Рассмотрим контур a,b,m,c,a и рассчитаем φ:
1)φc=0
2)φa= φc-I3 R3=-14,16 B
3) φb= φa-I5 R5=-31,80 B
4) φm= φb+IR2R2=-66 B
5) φc= φm+E2=0
Результаты компьютерного моделирования
(программа Electronics Workbench 5.12)
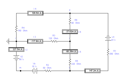
Компьютерное моделирование схемы 2.
Определение токов в ветвях и узловых потенциалов.
Компьютерное моделирование схемы 3. Определение токов в ветвях.
Компьютерное моделирование схемы4, полученной из схемы 2.
Определение Rвхdbхх с помощью мультиметра
Определение I1 с использованием схемы эквивалентного генератора















