122593 (756726)
Текст из файла
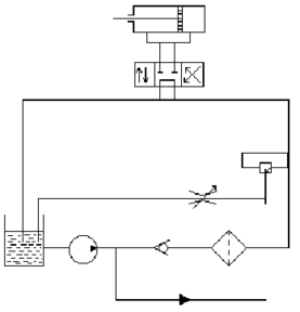
Гидросистема прицепного скрепера
Схема гидропривода разгрузки ковша прицепного скрепера.
Скрепер предназначается для послойной разработки грунтов.
Гидравлическая система служит для разгрузки скрепера путём поворота (опрокидование) ковша. Силовой цилиндр работает от насоса, находящегося на тягаче, перемещаемая скрепер. При расчёте схемы принять что давление в гидросхеме тягача должно
на 3% превышать давление в схеме скрепера, а расход равен 0,75% от расхода в системе.
Схема гидропривода включает масленый насос (1), забирающий масло из бака и подающий его через обратный клапан (2), фильтр (3) и редукционный клапан (4) к трёхпозиционному золотниковому распределительному устройству типа Г74-1 (6). В положении, указанном на схеме, осуществляется рабочий ход гидроцилиндра, т.е. происходит опрокидывание ковша
Редукционный клапан поддерживает постоянным давление “после себя”.
Основы расчёта.
1. Выбор силового цилиндра.
Для выбора типа силового цилиндра необходимо задаться величиной стандартного давления цилиндра из ряда
Р=1; 6; 3; 4; 7; 8; 10; 12; 15; 16; 20. MPa
и определить ориентировочный диаметр поршня из формулы (mm):
где F3 – заданная нагрузка на шток силового цилиндра, N ;
Р -стандартное давление, Ра .
Зная ход поршня – S, его диаметр dо и величину стандартного давления – р по техническим характеристикам (каталог “Гидравлическое оборудование” с.358) подбирается соответствующий тип гидроцилиндра .
Диаметр штока находится из рисунка цилиндра .
Определяется максимальное усилие ,развиваемое цилиндром ,
Fmax = p(Аn-Аш) ,
где Аn и Аш – площади поршня и штока, начисленные по размерам диаметров, взятым из каталога .
Усилие Fmax должно, примерно, соответствовать заданному – F3 .
Если Fmax существенно отличается от F3, необходимо принять другое значение давления и повторить расчёт.
2. Если условие F3 = Fmax соблюдается, то определяется расход масла в гидравлической системе, для чего находится скорость поршня
U=S/t
Где S – ход поршня ( по каталогу ) ;
t - время рабочего хода .
Расход по штоковой полости
Qш = Аn*U
где Ашn = Аn – Aш –площадь штоковой полости .
По поршневой
Qn = An* U .
3. В схеме используется реверсивный золотник с ручным управлением типа Г74-1. Золотник выбирается по каталогу исходя из условия пропуска максимального расхода в системе (Q).
Определив наибольший рекомендуемый расход (по технической характеристике золотника) – Qmax и перепад давления при рекомендуемом расходе - Рр, из формулы Вейсбаха определяется коэффициент золотника
где ρ – плотность масла;
Авых – площадь сливного отверстия золотника (диаметр сливного отверстия берётся из каталога).
4. Считая, что расход через дроссель редукционного клапана составляет 0,25 Qшn, по каталогу подбирается обратный клапан, обеспечивающий пропуск 1,25Qшn, и определяется его коэффициент сопротивления l о.к.(так же, как для золотникового распределителя).
5. Расчитывается фильтр (см. методические указания).
6. По расходам на участках сети подбираются диаметры трубопроводов.
7. Определяется давление в точке Д
F3н – номинальная нагрузка,
Рем – падение давления в сливной магистрали,
где ем-площадь сечения сливного трубопровода .
8. Находится давление в точке В системы
Рв=Ра-Рав
9. Находится давление в точке С
Рс=Ра-Рсд
10. По каталогу “Гидравлическое оборудование” подбирается насос, обеспечивающий давление не менее чем Ра “Подача насоса определяется условием Q3 = 0,25 * Q1 (cм. Пункт 11).Предпочтение следует отдавать насосам более простых конструкций.
11. Расчитывается редукционный клапан (см. методические указания) на расход
Q1 = Qм – Qт
и давления Р2 = Рс и Р1 = Р3
Q3 – паспортная подача насоса.
Расход Q3 находится из соотношения
Q3 = Q1 * Qм
12. Объём масляного бака системы ltr определяется по эмпирической формуле
Где t1- температура окружающей среды, 0С;
t2- допустимая температура нагрева масла, 0С;
R- количество тепла , выделяющегося в системе при работе (кI)
R=Pa*Qn*t(1-) * 10-3
В этой формуле
а(Ра) , Qn(m3/S)
t – время работы механизма в течение часа, выраженное в секундах;
- КПД насоса .
3. Рекомендация по выбору рабочей жидкости.
минеральные масла с вязкостью при 50 0С 20-40 сст. Рекомендуется для систем с давлением до 70 кг./см2 , а для давлений до 200 кг/см2 рекомендуемого масла с вязкостью от 60 до 110 сст.
Температура застывания масла должна быть на 15-20 0С ниже минемальной рабочей температуры гидросистемы.
Применение смеси масел в системах с высоким рабочим давлением не рекомендуется .
4. Применение в гидросистемах выщелоченных индустриальных масел не рекомендуется.Не рекомендуются также дистилатные масла серно-кислотной очистки которая под влиянием давления и температуры окисляются с выделением смолистых веществ .
5. Масла АМг-10 , ГМц-2 , которые могут эксплуатироваться без замены до 2-х лет и более.
Рекомендуется заменять масло после того , как его вязкость изменилась более чем на 20%.
6. Для гидроприводов строительных машин и оборудования эксплуатационный температурный режим составляет от 50 0С до 70 0С и так учитывая указанные выше рекомендации наиболее соответствуют всем требованиям масло АМг-10.
Его характеристика
Вязкость при 50 0С = 10 сст.
-50 0 С = 1250 сст.
Температура застывания -70 0 С
= 850 кг/ м3.
Содержание воды - 0 % , кислот , механических примесей и зольность отсутствуют.
Характеристики
Тип файла документ
Документы такого типа открываются такими программами, как Microsoft Office Word на компьютерах Windows, Apple Pages на компьютерах Mac, Open Office - бесплатная альтернатива на различных платформах, в том числе Linux. Наиболее простым и современным решением будут Google документы, так как открываются онлайн без скачивания прямо в браузере на любой платформе. Существуют российские качественные аналоги, например от Яндекса.
Будьте внимательны на мобильных устройствах, так как там используются упрощённый функционал даже в официальном приложении от Microsoft, поэтому для просмотра скачивайте PDF-версию. А если нужно редактировать файл, то используйте оригинальный файл.
Файлы такого типа обычно разбиты на страницы, а текст может быть форматированным (жирный, курсив, выбор шрифта, таблицы и т.п.), а также в него можно добавлять изображения. Формат идеально подходит для рефератов, докладов и РПЗ курсовых проектов, которые необходимо распечатать. Кстати перед печатью также сохраняйте файл в PDF, так как принтер может начудить со шрифтами.
















