169549 (742445)
Текст из файла
Методы очистки пылегазовых выбросов
Введение
Длительное время локальные загрязнения атмосферы сравнительно быстро разбавлялись массами чистого воздуха. Пыль, дым, газы рассеивались воздушными потоками и выпадали на землю с дождем и снегом, нейтрализовались, вступая в реакции с природными соединениями. Сейчас объемы и скорость выбросов превосходят возможности природы к их разбавлению и нейтрализации. Поэтому необходимы специальные меры для устранения опасного загрязнения атмосферы. Основные усилия сейчас направлены на предупреждение выбросов загрязняющих веществ в атмосферу. На действующих и новых предприятиях устанавливают пылеулавливающее и газоочистное оборудование. В настоящее время продолжается поиск более совершенных способов их очистки. Классификация методов и аппаратов для обезвреживания газовых выбросов от различных примесей является приближенной. Она не охватывает всех существующих методов и тем более аппаратов для газоочистки.
Рассмотрим, существующие методы очистки.
1. Методы очистки от пыли
Для обезвреживания аэрозолей (пылей и туманов) используют сухие, мокрые и электрические методы. Кроме того, аппараты отличаются друг от друга как по конструкции, так и по принципу осаждения взвешенных частиц. В основе работы сухих аппаратов лежат гравитационные, инерционные и центробежные механизмы осаждения или фильтрационные механизмы. В мокрых пылеуловителях осуществляется контакт запыленных газов с жидкостью. При этом осаждение происходит на капли, на поверхность газовых пузырей или на пленку жидкости. В электрофильтрах отделение заряженных частиц аэрозоля происходит на осадительных электродах.
Выбор метода и аппарата для улавливания аэрозолей в первую очередь зависит от их дисперсного состава табл. 1
Таблица 1. Зависимость аппарата для улавливания от размера частиц
| Размер частиц, мкм | Аппараты | Размер частиц, мкм | Аппараты |
| 40 – 1000 | Пылеосадительные камеры | 20 – 100 | Скрубберы |
| 20 – 1000 | Циклоны диаметром 1–2 м | 0,9 – 100 | Тканевые фильтры |
| 5 – 1000 | Циклоны диаметром 1 м | 0,05 – 100 | Волокнистые фильтры |
| 0,01 – 10 | Электрофильтры |
К сухим механическим пылеуловителям относятся аппараты, в которых использованы различные механизмы осаждения: гравитационный, инерционный и центробежный.
Инерционные пылеуловители. При резком изменении направления движения газового потока частицы пыли под воздействием инерционной силы будут стремиться двигаться в прежнем направлении и после поворота потока газов выпадают в бункер. Эффективность этих аппаратов небольшая. (рис. 1)
Жалюзийные аппараты. Эти аппараты имеют жалюзийную решетку, состоящую из рядов пластин или колец. Очищаемый газ, проходя через решетку, делает резкие повороты. Пылевые частицы вследствие инерции стремятся сохранить первоначальное направление, что приводит к отделению крупных частиц из газового потока, тому же способствуют их удары о наклонные плоскости решетки, от которых они отражаются и отскакивают в сторону от щелей между лопастями жалюзи В результате газы делятся на два потока. Пыль в основном содержится в потоке, который отсасывают и направляют в циклон, где его очищают от пыли и вновь сливают с основной частью потока, прошедшего через решетку. Скорость газа перед жалюзийной решеткой должна быть достаточно высокой, чтобы достигнуть эффекта инерционного отделения пыли. (рис. 2)
Обычно жалюзийные пылеуловители применяют для улавливания пыли с размером частиц >20 мкм.
Эффективность улавливания частиц зависит от эффективности решетки и эффективности циклона, а также от доли отсасываемого в нем газа.
Циклоны. Циклонные аппараты наиболее распространены в промышленности.
Рис. 1 Инерционные пылеуловители: а – с перегородкой; б – с плавным поворотом газового потока; в - с расширяющимся конусом.
Рис. 2 Жалюзийный пылеуловитель (1 – корпус; 2 – решетка)
По способу подвода газов в аппарат их подразделяют на циклоны со спиральными, тангенциальным и винтообразным, а также осевым подводом. (рис. 3) Циклоны с осевым подводом газов работают как с возвратом газов в верхнюю часть аппарата, так и без него.
Газ вращается внутри циклона, двигаясь сверху вниз, а затем движется вверх. Частицы пыли отбрасываются центробежной силой к стенке. Обычно в циклонах центробежное ускорение в несколько сот, а то и тысячу раз больше ускорения силы тяжести, поэтому даже весьма маленькие частицы пыли не в состоянии следовать за газом, а под влиянием центробежной силы движутся к стенке. (рис. 4)
В промышленности циклоны подразделяются на высокоэффективные и высокопроизводительные.
При больших расходах очищаемых газов применяют групповую компоновку аппаратов. Это позволяет не увеличивать диаметр циклона, что положительно сказывается на эффективности очистки. Запыленный газ входит через общий коллектор, а затем распределяется между циклонами.
Батарейные циклоны – объединение большого числа малых циклонов в группу. Снижение диаметра циклонного элемента преследует цель увеличения эффективности очистки.
Вихревые пылеуловители. Отличием вихревых пылеуловителей от циклонов является наличие вспомогательного закручивающего газового потока.
В аппарате соплового типа запыленный газовый поток закручивается лопаточным завихрителем и движется вверх, подвергаясь при этом воздействию трех струй вторичного газа, вытекающих из тангенциально расположенных сопел. Под действием центробежных сил частицы отбрасываются к периферии, а оттуда в возбуждаемый струями спиральный поток вторичного газа, направляющий их вниз, в кольцевое межтрубное пространство. Вторичный газ в ходе спирального обтекания потока очищаемого газа постепенно полностью проникает в него. Кольцевое пространство вокруг входного патрубка оснащено подпорной шайбой, обеспечивающей безвозвратный спуск пыли в бункер. Вихревой пылеуловитель лопаточного типа отличается тем, что вторичный газ отбирается с периферии очищенного газа и подается кольцевым направляющим аппаратом с наклонными лопатками. (рис. 5)
Рис. 3 Основные виды циклонов (по подводу газов): а – спиральный; б – тангенциальный; в-винтообразный; г, д – осевые
Рис. 4. Циклон: 1 – входной патрубок; 2 – выхлопная труба; 3 – цилиндрическая камера; 4 – коническая камера; 5 – пылеосадительная камера
В качестве вторичного газа в вихревых пылеуловителях может быть использован свежий атмосферный воздух, часть очищенного газа или запыленные газы. Наиболее выгодным в экономическом отношении является использование в качестве вторичного газа запыленных газов.
Как и у циклонов, эффективность вихревых аппаратов с увеличением диаметра падает. Могут быть батарейные установки, состоящие из отдельных мультиэлементов диаметром 40 мм.
Динамические пылеуловители. Очистка газов от пыли осуществляется за счет центробежных сил и сил Кориолиса, возникающих при вращении рабочего колеса тягодутьевого устройства.
Наибольшее распространение получил дымосос-пылеуловитель. Он предназначен для улавливания частиц пыли размером >15 мкм. За счет разности давлений, создаваемых рабочим колесом, запыленный поток поступает в «улитку» и приобретает криволинейное движение. Частицы пыли отбрасываются к периферии под действием центробежных сил и вместе с 8–10% газа отводятся в циклон, соединенный с улиткой. Очищенный газовый поток из циклона возвращается в центральную часть улитки. Очищенные газы через направляющий аппарат поступают в рабочее колесо дымососа-пылеуловителя, а затем через кожух выбросов в дымовую трубу.
Фильтры. В основе работы всех фильтров лежит процесс фильтрации газа через перегородку, в ходе которого твердые частицы задерживаются, а газ полностью проходит сквозь нее.
В зависимости от назначения и величины входной и выходной концентрации фильтры условно разделяют на три класса: фильтры тонкой очистки, воздушные фильтры и промышленные фильтры.
Рукавные фильтры представляют собой металлический шкаф, разделенный вертикальными перегородками на секции, в каждой из которых размещена группа фильтрующих рукавов. Верхние концы рукавов заглушены и подвешены к раме, соединенной с встряхивающим механизмом. Внизу имеется бункер для пыли со шнеком для ее выгрузки. Встряхивание рукавов в каждой из секций производится поочередно. (рис 6)
Волокнистые фильтры. Фильтрующий элемент этих фильтров состоит из одного или нескольких слоев, в которых однородно распределены волокна. Это фильтры объемного действия, так как они рассчитаны на улавливание и накапливание частиц преимущественно по всей глубине слоя. Сплошной слой пыли образуется только на поверхности наиболее плотных материалов. Такие фильтры используют при концентрации дисперсной твердой фазы 0,5–5 мг/м3 и только некоторые грубоволокнистые фильтры применяют при концентрации 5–50 мг/м3. При таких концентрациях основная доля частиц имеет размеры менее 5–10 мкм.
Различают следующие виды промышленных волокнистых фильтров:
– сухие – тонковолокнистые, электростатические, глубокие, фильтры предварительной очистки (предфильтры);
– мокрые – сеточные, самоочищающиеся, с периодическим или непрерывным орошением.
Процесс фильтрации в волокнистых фильтрах состоит из двух стадий. На первой стадии уловленные частицы практически не изменяют структуры фильтра во времени, на второй стадии процесса в фильтре происходят непрерывные структурные изменения вследствие накопления уловленных частиц в значительных количествах.
Зернистые фильтры. Применяются для очистки газов реже, чем волокнистые фильтры. Различают насадочные и жесткие зернистые фильтры.
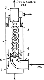
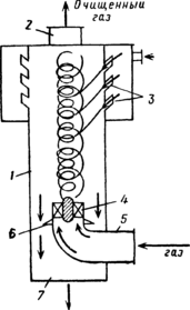
Полые газопромыватели. Наиболее распространены полые форсуночные скрубберы. Они представляют колонну круглого или прямоугольного сечения, в которой осуществляется контакт между газом и каплями жидкости. По направлению движения газа и жидкости полые скрубберы делят на противоточные, прямоточные и с поперечным подводом жидкости. (рис. 7)
Насадочные газопромыватели представляют собой колонны с насадкой навалом или регулярной. Их используют для улавливания хорошо смачиваемой пыли, но при невысокой концентрации.
Рис. 5 Вихревые пылеуловители: а – соплового типа: б – лопаточного типа; 1 – камера; 2 – выходной патрубок; 3 – сопла; 4 – лопаточный завихритель типа «розетка»; 5 – входной патрубок; 6 – подпорная шайба; 7 – пылевой бункер; 8 – кольцевой лопаточный завихритель
Рис. 6 Рукавный фильтр: 1 – корпус; 2 – встряхивающее устройство; 3 – рукав; 4 – распределительная решетка
Газопромыватели с подвижной насадкой имеют большое распространение в пылеулавливании. В качестве насадки используют шары из полимерных материалов, стекла или пористой резины. Насадкой могут быть кольца, седла и т.д. Плотность шаров насадки не должна превышать плотности жидкости. (рис. 8)
Характеристики
Тип файла документ
Документы такого типа открываются такими программами, как Microsoft Office Word на компьютерах Windows, Apple Pages на компьютерах Mac, Open Office - бесплатная альтернатива на различных платформах, в том числе Linux. Наиболее простым и современным решением будут Google документы, так как открываются онлайн без скачивания прямо в браузере на любой платформе. Существуют российские качественные аналоги, например от Яндекса.
Будьте внимательны на мобильных устройствах, так как там используются упрощённый функционал даже в официальном приложении от Microsoft, поэтому для просмотра скачивайте PDF-версию. А если нужно редактировать файл, то используйте оригинальный файл.
Файлы такого типа обычно разбиты на страницы, а текст может быть форматированным (жирный, курсив, выбор шрифта, таблицы и т.п.), а также в него можно добавлять изображения. Формат идеально подходит для рефератов, докладов и РПЗ курсовых проектов, которые необходимо распечатать. Кстати перед печатью также сохраняйте файл в PDF, так как принтер может начудить со шрифтами.
















