169167 (742276), страница 3
Текст из файла (страница 3)
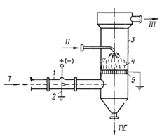
Рисунок 1.7 – Реактор полного смешения- скруббер Вентури:
1- сопло; 2- горловина; 3- камера смешения; 4- разделительная камера.
Главный дефект скруббера Вентури — большой расход энергии по преодолению высокого гидравлического сопротивления, которое в зависимости от скорости газа в горловине может составлять 0,002-0,013 МПа. Помимо того, аппарат не отличается надежностью в эксплуатации, управление им сложное.
Основной недостаток всех методов мокрой очистки газов от аэрозолей — это образование больших объемов жидких отходов (шлама). Таким образом, если не предусмотрены замкнутая система водооборота и утилизация всех компонентов шлама, то мокрые способы газоочистки по существу только переносят загрязнители из газовых выбросов в сточные воды, т. е. из атмосферы в водоемы.
Электростатическая очистка газов служит универсальным средством, пригодным для любых аэрозолей, включая туманы кислот, и при любых размерах частиц. Метод основан на ионизации и зарядке частиц аэрозоля при прохождении газа через электрическое поле высокого напряжения, создаваемое коронирующими электродами. Осаждение частиц происходит на заземленных осадительных электродах. Промышленные электрофильтры состоят из ряда заземленных пластин или труб, через которые пропускается очищаемый газ. Между осадительными электродами подвешены проволочные коронирующие электроды, к которым подводится напряжение 25–100 кВ. Теоретическое выражение для степени улавливания аэрозолей в трубчатых электрофильтрах имеет вид
(1.2)
(1.3)
где и – скорость дрейфа частиц к электроду; l — длина электрода; r — радиус осадительного электрода; г — скорость очищаемого газа.
Рисунок 1.8 – Кривые зависимости степени улавливания пыли в электрофильтре от размеров частиц: 1-pEE0=160; 2 - pEE0=80; 3 - pEE0=40.
На рис. 1.8 приведены идеальные кривые зависимости степени улавливания аэрозолей в электрофильтре от размеров частиц. Кривые на этом рисунке отвечают разным значениям произведения рЕЕО , где р — коэффициент, для непроводящих частиц р = 1,52, для проводящих частиц р=3; Е — напряженность электрического поля; eО – критическое значение напряженности поля. Фактическая зависимость степени улавливания аэрозолей от диаметра частиц d для промышленных электрофильтров определяется экспериментально. Очистка осложнена прилипанием частиц к электроду, аномальным (пониженным) сопротивлением слоя пыли на электродах и др.
При очистке от пыли сухих газов электрофильтры могут работать в широком диапазоне температур (от 20 до 500 °С) и давлений. Их гидравлическое сопротивление невелико – 100-150 Па. Степень очистки от аэрозолей – выше 90, достигая 99,9% на многопольных электрофильтрах при d > 1 мкм. Недостаток этого метода – большие затраты средств на сооружение и содержание очистных установок и значительный расход энергии на создание электрического поля. Расход электроэнергии на электростатическую очистку – 0,1-0,5 кВт на 1000 м3 очищаемого газа.
Звуковая и ультразвуковая коагуляция, а также предварительная электризация пока мало применяются в промышленности и находятся в основном в стадии разработки. Они основаны на укрупнении аэрозольных частиц, облегчающем их улавливание традиционными методами. Аппаратура звуковой коагуляции состоит из генератора звука, коагуляционной камеры и осадителя. Звуковые и ультразвуковые методы применимы для агрегирования мелкодисперсных аэрозольных частиц (тумана серной кислоты, сажи) перед их улавливанием другими методами. Начальная концентрация частиц аэрозоля для звуковой коагуляции должна быть не менее 2 г/м3 (для частиц d = l10 мкм).
Коагуляцию аэрозолей методом предварительной электризации производят, например, пропусканием газа через электризационную камеру с коронирующими электродами, где происходит зарядка и коагуляция частиц, а затем через мокрый газоочиститель, в котором газожидкостный слой служит осадительным электродом (рис. 1.9). Осадительным электродом может служить пенный слой в пенных аппаратах, слой газожидкостной эмульсии в насадочных скрубберах и других мокрых газопромывателях, в которых решетки или другие соответствующие детали должны быть заземлены.
Рисунок – 1.9 –Схема мокрого пылеулавливания с предварительной электризацией: 1 – камера электризации; 2 – коронирующий электрод; 3- пенный аппарат; 4 – газожидкостный (пенный) слой; 5- заземленная решетка; / - очищаемый газ; // - вода; /// - очищенный газ; /V- слив шлама.
2. ТЕХНОЛОГИЧЕСКАЯ ЧАСТЬ
2.1 Технологический процесс производства
Выпускаемая продукция Камышенской фабрики: товарная пряжа и суровая ткань.
Хлопок поступает на хлопковый склад с хлопкоочистительных заводов по железнодорожным путям в туго спрессованных кипах массой 180-200 кг. Со склада поступает на сортировочно-трепальный участок, где спрессованные пласты хлопка, подвергаясь растаскиванию и ударному воздействию игл, планок бил, делятся на отдельные клочки, одновременно очищаясь от крупных сорных примесей и пороков. Все разрыхлительно - трепальные машины объединены в один агрегат с пневматической передачей волокна из машины в машину. Автоматические устройства обеспечивают равномерность потока волокна.
Сущность процессов разрыхления и смешивания
Хлопковое волокно, поступающее на фабрику спрессованным в кипы, содержит сорные примеси, пороки, которые необходимо из него выделить, чтобы получить чистую пряжу. Поэтому на первых же стадиях обработки хлопкового волокна его подвергают интенсивному разрыхлению. Сущность процесса разрыхления заключается в уменьшении плотности хлопка и разделении его на мелкие клочки. Цель процесса разрыхления - создание лучших условий для очистки волокнистой массы от сорных примесей и пороков и хорошего перемешивания всех компонентов смеси.
На современных разрыхлительно-трепальных агрегатах процессы разрыхления и очистки объединены и являются начальной стадией обработки хлопка. Разделение хлопка на клочки вначале достигается расщипыванием грубыми иглами на машинах с игольчатыми решетками, а затем ударным воздействием рабочих органов машины с одновременной очисткой. Расщипывание хлопка осуществляется за счет захвата его двумя игольчатыми решетками, движущимися в разные стороны или в одну с разной скоростью, в результате чего клочки растаскиваются, и размер их уменьшается. Одновременно с уменьшением размеров клочков ослабляется связь между волокном и сорными примесями, часть которых выпадает.
Выделяющиеся при разрыхлении сорные примеси проваливаются через щели специальных колосниковых решеток, а пыль отсасывается через сетчатые барабаны с помощью вентиляторов.
Разрыхлительные агрегаты.
В последние годы требования к очистке и разрыхлению повысились, т.к. пневмопрядильные машины могут хорошо работать только при достаточной очистке волокна. Рассмотрим схему поточной линии кипа - лента.
Рисунок 2.1 – Схема поточной линии кипа – лента
Агрегат состоит из 8 кипных рыхлителей РКА-2Х (1), на которые с помощью автопогрузчика устанавливаются распакованные кипы хлопка. Рыхлители производят первичное разрыхление и очистку волокна. Перемешивание хлопкового волокна из 2-х рыхлителей происходит в дозирующем бункере ДБ-1 (2), здесь же осуществляются дальнейшее разрыхление и очистка. Далее тягой воздуха волокно попадает в питатель -смеситель П-5 (3), где перемешивается волокно, поступающее со всех РКА-2Х, и создается резерв для питания последующих машин: наклонного очистителя ОН-6-3 (4), осевого чистителя ЧО (5), второго наклонного очистителя ОН-6-4 (6) с конденсером, рыхлителя горизонтального Р (7). Эти машины предназначены для разрыхления и очистки волокна от сора. Распределитель РВП-2 (распределитель волокна пневматический) направляет хлопок в бункеры двух трепальных машин ТБ-3 (8), а затем он попадает в бункеры резервных питателей чесальных машин ПРЧ-1. С одной трепальной машины ТБ-3 хлопок поступает на 2 питателя ПРЧ-1 (9). Каждый из питателей через распределитель РПЧ-5 (распределитель пневматический чесальных машин) питает хлопковым волокном 4-5 чесальных машин ЧМД-4 (10). Далее 6 лент складываются и вытягиваются на ленточной машине ЛА-54-500 (11) с авторегулятором ровноты ленты. Лента в тазах диаметром 500 мм подается на второй переход ленточных машин Л2-50-220 (12). Здесь лента укладывается в тазы диаметром 220 мм и вместимостью 7 кг, предназначенные для питания пневмомеханических прядильных машин БД-200 (13).
Очищающая способность такого разрыхлительно-трепального агрегата достигает 70-75%. Под очищающей способностью понимается количество угаров, пороков и сорных примесей (в процентах от начального содержания этих пороков в волокне), удаляемое из хлопкового волокна в результате разрыхления и очистки.
Вырабатываемая чесальная лента укладывается в тазы диаметром 400 мм и вместимостью до 15 кг. От кипы до чесальных машин поток не прерывается, процесс осуществляется в один переход.
При обработке хлопкового волокна на машинах разрыхлительно-трепального агрегата выделяются угары, которые состоят из сорных примесей, короткого волокна и пуха.
На поточных линиях удаление угаров и опыленного воздуха производится пневмотранспортом. На всех машинах разрыхлительно-трепального агрегата имеются вентиляторы, которые направляют запыленный воздух в пылеочищающее устройство: фильтр ФТ-1М. Этот фильтр состоит из медленно вращающегося сетчатого барабана, заключенного в спиралеобразный металлический кожух. Пыльный воздух вместе с волокном поступает по трубе к барабану и образует на нем ватку толщину которой регулируют, изменяя скорость вращения барабана. Очищенный воздух проходит внутрь сетчатого барабана и через его торцы выходит из фильтра. Данный фильтр используют на первой ступени очистки.
До 25% сорных примесей и пороков остается в хлопковом волокне, поступающем на чесальные машины. Причем эти сорные примеси и пороки находятся как на поверхности, так и внутри хлопкового волокна. Для удаления их необходимо разъединить волокна. Поэтому назначение процесса чесания, осуществляемого чесальной машиной, заключается в следующем:
- разделение клочков на отдельные волокна;
- удаление сорных примесей и пороков волокна, частичное удаление короткого волокна;
- значительное утонение слоя волокна (примерно в 100 раз);
- формирование ленты и укладка ее в таз.
В процессе чесания выделяются от 4 до 8% угаров. В угарах помимо короткого волокна, пороков и сорных примесей содержатся и длинные волокна, которые можно использовать в прядении.
На ленточных машинах осуществляются следующие процессы:
- вытягивание в вытяжных приборах для утонения ленты, распрямления и параллелизации волокон;
- автоматическое регулирование толщины продукта.
На ленточных машинах выделяются угары в виде пуха и подмети; количество угаров не превышает 0,3-0,5%.
Следующий этап - прядение, приготовление пряжи из ленты на прядильных пневмомеханических машинах. На прядильных машинах продукт утоняется до занятой линейной плотности, происходит скручивание волокон для придания продукту необходимой прочности и его наматывания на гильзы и патроны.
Подготовка пряжи к ткачеству.
По назначению вся потребляемая пряжа может быть разделена на основную и уточную пряжу.
Пряжа, поступающая из прядильного производства, проходит ряд подготовительных процессов.
Основную пряжу в початках перематывают в мотальном отделе на мотальных машинах на мотальные паковки, удобные для последующего процесса - снования. В процессе перематывания из пряжи удаляют прядильные пороки шишки, утолщения.
Далее пряжа направляется на снование. В процессе снования на сновальных машинах на паковку - сновальный вал навивается определенное число нитей установленной длины.
Затем основную пряжу подвергают шлихтованию. В процессе шлихтования пряжу пропитывают специальным клеящим составом, называемым шлихтой, в результате чего нити основы становятся более прочными, гладкими и стойкими к истирающим воздействиям. Одновременно, при шлихтовании нити с нескольких сновательных валов объединяют и навивают на ткацкий навой.
На пневмомеханических прядильных машинах осуществляются следующие операции:
- питание лентой;
- разделение непрерывного потока на отдельные волокна дискретизация;
- сгущение и выравнивание волокнистого потока;
- кручение со свободным концом;
- наматывание пряжи.
На прядильных машинах выделяются угары, которые все возвращаются на переработку, кроме подмети грязной в количестве 0,05-0,08%.
На ткацком станке вырыбатывается ткань определенного переплетения, плотности и ширины.
В ткацком цехе основной вид отхода - подметь грязная.
В ткацком цехе на станках вырабатывается ткань путем перекрещивания основных и уточных нитей. Это суровая ткань, которая поступает в приемно-контрольный участок, где ткань перемеривается и разбраковывается.
Затем ткань пакуют в кипы и отправляют потребителю.
2.2 Экологические аспекты очистки сточных вод
2.2.1 Характеристика сточных вод хлопчатобумажного комбината
В состав хлопчатобумажного комбината входят прядильные, ткацкие и отделочные производства.
На хлопчатобумажном комбинате вода расходуется на технологические нужды в отделочных фабриках, в шлихтовальных отделах ткацких фабрик, а также в цехах крашения и мерсеризации; на расходку аппаратов при ведении процесса под давлением и при температурах, превышающих 1000 С; на нужды вентиляции, доувлажнения воздуха в цехах, испарение в кондиционерах и вентиляционных камерах, промывку поддонов кондиционеров; на нужды котельной, подпитку систем кондиционирования воздуха и охлаждение оборудования, на собственные нужды станций водоподготовки и др.
2.2.2 Расчёт ПДС загрязнений производственных сточных вод
















