PDA-0614 (741297), страница 2
Текст из файла (страница 2)
где – вязкость газа, Па*с; DЦ – диаметр выходного патрубка циклонов, м; NОБ – эффективное число оборотов газа в циклоне; wг – средняя входная скорость газа, м/с; ч, г – плотность частиц и газа, кг/м3.
Гидравлическое сопротивление высокопроизводительных циклонов составляет около 1080 Па. Циклоны широко применяют при грубой и средней очистке газа от аэрозолей. Другим типом центробежного пылеуловителя служит ротоклон, состоящий из ротора и вентилятора, помещенного в осадительный кожух. Лопасти вентилятора, вращаясь, направляют пыль в канал, который ведет в приемник пыли.
Фильтрация основана на прохождении очищаемого газа через различные фильтрующие ткани (хлопок, шерсть, химические волокна, стекловолокно и др.) или через другие фильтрующие материалы (керамика, металлокерамика, пористые перегородки из пластмассы и др.). Наиболее часто для фильтрации применяют специально изготовленные волокнистые материалы — стекловолокно, шерсть или хлопок с асбестом, асбоцеллюлозу. В зависимости от фильтрующего материала различают тканевые фильтры (в том числе рукавные), волокнистые, из зернистых материалов (керамика, металлокерамика, пористые пластмассы). Тканевые фильтры, чаще всего рукавные, применяются при температуре очищаемого газа не выше 60-65°С. В зависимости от гранулометрического состава пылей и начальной запыленности степень очистки составляет 85-99%. Гидравлическое сопротивление фильтра Р около 1000 Па; расход энергии ~ 1 кВт*ч на 1000 м3 очищаемого газа. Для непрерывной очистки ткани продувают воздушными струями, которые создаются различными устройствами – соплами, расположенными против каждого рукава, движущимися наружными продувочными кольцами и др. Сейчас применяют автоматическое управление рукавными фильтрами с продувкой их импульсами сжатого воздуха.
Волокнистые фильтры, имеющие поры, равномерно распределенные между тонкими волокнами, работают с высокой эффективностью; степень очистки = 99,599,9 % при скорости фильтруемого газа 0,15-1,0 м/с и Р=5001000 Па.
На фильтрах из стекловолокнистых материалов возможна очистка агрессивных газов при температуре до 275°С. Для тонкой очистки газов при повышенных температурах применяют фильтры из керамики, тонковолокнистой ваты из нержавеющей стали, обладающие высокой прочностью и устойчивостью к переменным нагрузкам; однако их гидравлическое сопротивление велико – 1000 Па.
Фильтрация – весьма распространенный прием тонкой очистки газов. Ее преимущества – сравнительная низкая стоимость оборудования (за исключением металлокерамических фильтров) и высокая эффективность тонкой очистки. Недостатки фильтрации высокое гидравлическое сопротивление и быстрое забивание фильтрующего материала пылью.
Мокрая очистка газов от аэрозолей основана на промывке газа жидкостью (обычной водой) при возможно более развитой поверхности контакта жидкости с частицами аэрозоля и возможно более интенсивном перемешивании очищаемого газа с жидкостью. Этот универсальный метод очистки газов от частиц пыли, дыма и тумана любых размеров является наиболее распространенным приемом заключительной стадии механической очистки, в особенности для газов, подлежащих охлаждению. В аппаратах мокрой очистки применяют различные приемы развития поверхности соприкосновения жидкости и газа.
Башни с насадкой (насадочные скрубберы) отличаются простотой конструкции и эксплуатации, устойчивостью в работе, малым гидравлическим сопротивлением (Р=300800 Па) и сравнительно малым расходом энергии. В насадочном скруббере возможна очистка газов с начальной запыленностью до 5-6 г/м3. Эффективность одной ступени очистки для пылей с d > 5 мкм не превышает 70-80%. Насадка быстро забивается пылью, особенно при высокой начальной запыленности.
Орошаемые циклоны (центробежные скрубберы) применяют для очистки больших объемов газа. Они имеют сравнительно небольшое гидравлическое сопротивление – 400-850 Па. Для частиц размером 2-5 мкм степень очистки составляет ~50%. Центробежные скрубберы высокопроизводительны благодаря большой скорости газа; во входном патрубке г=1820 м/с, а в сечении скруббера г = 45 м/с.
Пенные аппараты применяют для очистки газа от аэрозолей полидисперсного состава. Интенсивный пенный режим создается на полках аппарата при линейной скорости газа в его полном сечении 1-4 м/с. Пенные газоочистители обладают высокой производительностью по газу и сравнительно небольшим гидравлическим сопротивлением (Р одной полки около 600 Па). Для частиц с диаметром d >5 мкм эффективность их улавливания на одной полке аппарата 90-99%; при d < 5 мкм = 7590%. Для повышения устанавливают двух- и трехполочные аппараты.
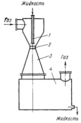
Скрубберы Вентури (см. рис 1) — высокоинтенсивные газоочистительные аппараты, но работающие с большим расходом энергии. Скорость газа в сужении трубы (горловине скруббера) составляет 100—200 м/с, а в некоторых установках — до 1200 м/с. При такой скорости очищаемый газ разбивает на мельчайшие капли завесу жидкости, впрыскиваемой по периметру трубы. Это приводит к интенсивному столкновению частиц аэрозоля с каплями и улавливанию частиц под действием сил инерции. Скруббер Вентури — универсальный малогабаритный аппарат, обеспечивающий улавливание тумана на 99—100%, частиц пыли с d = 0,010,35 мкм — на 50–85% и частиц пыли с d = 0,5-2 мкм — на 97%. Для аэрозолей с d = 0,3-10 мкм эффективность улавливания определяется в основном силами инерции и может быть оценена по формуле
где К – константа; L – объем жидкости, подаваемой в газ, дм3/м3;
Рис 1. Реактор полного смешения – скруббер Вентури:
1 – сопло;
2 – горловина;
3 – камера смешения;
4 – разделительная камера
– инерционный параметр, отнесенный к скорости газа в горловине; при 90% является однозначной функцией перепада давления в скруббере.Главный дефект скруббера Вентури — большой расход энергии по преодолению высокого гидравлического сопротивления, которое в зависимости от скорости газа в горловине может составлять 0,002-0,013 МПа. Помимо того, аппарат не отличается надежностью в эксплуатации, управление им сложное.
Основной недостаток всех методов мокрой очистки газов от аэрозолей — это образование больших объемов жидких отходов (шлама). Таким образом, если не предусмотрены замкнутая система водооборота и утилизация всех компонентов шлама, то мокрые способы газоочистки по существу только переносят загрязнители из газовых выбросов в сточные воды, т. е. из атмосферы в водоемы.
Электростатическая очистка газов служит универсальным средством, пригодным для любых аэрозолей, включая туманы кислот, и при любых размерах частиц. Метод основан на ионизации и зарядке частиц аэрозоля при прохождении газа через электрическое поле высокого напряжения, создаваемое коронирующими электродами. Осаждение частиц происходит на заземленных осадительных электродах. Промышленные электрофильтры состоят из ряда заземленных пластин или труб, через которые пропускается очищаемый газ. Между осадительными электродами подвешены проволочные коронирующие электроды, к которым подводится напряжение 25–100 кВ. Теоретическое выражение для степени улавливания аэрозолей в трубчатых электрофильтрах имеет вид
где и – скорость дрейфа частиц к электроду; l — длина электрода; r — радиус осадительного электрода; г — скорость очищаемого газа.
Н
а рис. 2 приведены идеальные кривые зависимости степени улавливания аэрозолей в электрофильтре от размеров частиц. Кривые на этом рисунке отвечают разным значениям произведения рЕЕО , где р — коэффициент, для непроводящих частиц р = 1,52, для проводящих частиц р=3; Е — напряженность электрического поля; eО – критическое значение напряженности поля. Фактическая зависимость степени улавливания аэрозолей от диаметра частиц d для промышленных электрофильтров определяется экспериментально. Очистка осложнена прилипанием частиц к электроду, аномальным (пониженным) сопротивлением слоя пыли на электродах и др.
Рис 2. Кривые зависимости степени улавливания пыли в электрофильтре от размеров частиц:
1 – pEEo = 160;
2 – pEEo = 80;
3 – pEEo = 40;
При очистке от пыли сухих газов электрофильтры могут работать в широком диапазоне температур (от 20 до 500 °С) и давлений. Их гидравлическое сопротивление невелико – 100-150 Па. Степень очистки от аэрозолей – выше 90, достигая 99,9% на многопольных электрофильтрах при d > 1 мкм. Недостаток этого метода – большие затраты средств на сооружение и содержание очистных установок и значительный расход энергии на создание электрического поля. Расход электроэнергии на электростатическую очистку – 0,1-0,5 кВт на 1000 м3 очищаемого газа.
Звуковая и ультразвуковая коагуляция, а также предварительная электризация пока мало применяются в промышленности и находятся в основном в стадии разработки. Они основаны на укрупнении аэрозольных частиц, облегчающем их улавливание традиционными методами. Аппаратура звуковой коагуляции состоит из генератора звука, коагуляционной камеры и осадителя. Звуковые и ультразвуковые методы применимы для агрегирования мелкодисперсных аэрозольных частиц (тумана серной кислоты, сажи) перед их улавливанием другими методами. Начальная концентрация частиц аэрозоля для звуковой коагуляции должна быть не менее 2 г/м3 (для частиц d = l10 мкм).
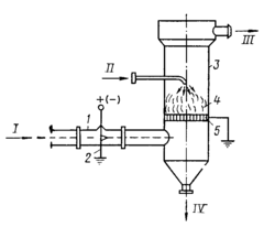
Рис 3. Схема мокрого пылеулавливания
с предварительной электризацией:
1 – камера электризации;
2 – коронирующий электрод;
3 – пенный аппарат;
4 – газожидкостный (пенный) слой;
5 – заземленная решетка;
I – очищаемый газ;
II – вода;
III – очищенный газ;
IV – слив шлама
оагуляцию аэрозолей методом предварительной электризации производят, например, пропусканием газа через электризационную камеру с коронирующими электродами, где происходит зарядка и коагуляция частиц, а затем через мокрый газоочиститель, в котором газожидкостный слой служит осадительным электродом (рис. 3). Осадительным электродом может служить пенный слой в пенных аппаратах, слой газожидкостной эмульсии в насадочных скрубберах и других мокрых газопромывателях, в которых решетки или другие соответствующие детали должны быть заземлены.Очистка газов от парообразных и газообразных примесей. Газы в промышленности обычно загрязнены вредными примесями, поэтому очистка широко применяется на заводах и предприятиях для технологических и санитарных (экологических) целей. Промышленные способы очистки газовых выбросов от газо- и парообразных токсичных примесей можно разделить на три основные группы:
-
абсорбция жидкостями;
-
адсорбция твердыми поглотителями ;
-
каталитическая очистка.
В меньших масштабах применяются термические методы сжигания (или дожигания) горючих загрязнений, способ химического взаимодействия примесей с сухими поглотителями и окисление примесей озоном.
Абсорбция жидкостями применяется в промышленности для извлечения из газов диоксида серы, сероводорода и других сернистых соединений, оксидов азота, паров кислот (НСl, HF, H2SO4), диоксида и оксида углерода, разнообразных органических соединений (фенол, формальдегид, летучие растворители и др.).
Абсорбционные методы служат для технологической и санитарной очистки газов. Они основаны на избирательной растворимости газо- и парообразных примесей в жидкости (физическая абсорбция) или на избирательном извлечении примесей химическими реакциями с активным компонентом поглотителя (хемосорбция). Абсорбционная очистка –непрерывный и, как правило, циклический процесс, так как поглощение примесей обычно сопровождается регенерацией поглотительного раствора и его возвращением в начале цикла очистки. При физической абсорбции (и в некоторых хемосорбционных процессах) регенерацию абсорбента проводят нагреванием и снижением давления, в результате чего происходит десорбция поглощенной газовой примеси и ее концентрированно (рис. 4).
















