151096 (732910)
Текст из файла
Содержание
Введение
-
История открытия фотоэффекта
-
Законы Столетова
-
Уравнение Эйнштейна
-
Внутренний фотоэффект
-
Применение явления фотоэффекта
Список литературы
Введение
Многочисленные оптические явления непротиворечиво объясняли, исходя из представлений о волновой природе света. Однако в конце XIX – начале XX в. были открыты и изучены такие явления, как фотоэффект, рентгеновское излучение, эффект Комптона, излучение атомов и молекул, тепловое излучение и другие, объяснение которых с волновой точки зрения оказалось невозможным. Объяснение новых экспериментальных фактов было получено на основе корпускулярных представлений о природе света. Возникла парадоксальная ситуация, связанная с применением совершенно противоположных физических моделей волны и частицы для объяснения оптических явлений. В одних явлениях свет проявлял волновые свойства, в других – корпускулярные.
Среди разнообразных явлений, в которых проявляется воздействие света на вещество, важное место занимает фотоэлектрический эффект, то есть испускание электронов веществом под действием света. Анализ этого явления привел к представлению о световых квантах и сыграл чрезвычайно важную роль в развитии современных теоретических представлений. Вместе с тем фотоэлектрический эффект используется в фотоэлементах получивших исключительно широкое применение в разнообразнейших областях науки и техники и обещающих еще более богатые перспективы. [1]
1. История открытия фотоэффекта
Открытие фотоэффекта следует отнести к 1887 г., когда Герц обнаружил, что освещение ультрафиолетовым светом электродов искрового промежутка, находящегося под напряжением, облегчает проскакивание искры между ними.
Явление, обнаруженное Герцом, можно наблюдать на следующем легко осуществимом опыте (рис. 1).
Величина искрового промежутка F подбирается таким образом, что в схеме, состоящей из трансформатора Т и конденсатора С, искра проскакивает с трудом (один – два раза в минуту). Если осветить электроды F, сделанные из чистого цинка, светом ртутной лампы Hg, то разряд конденсатора значительно облегчается: искра начинает проскакивать Рис. 1. Схема опыта Герца.
Фотоэффект был объяснён в 1905 году Альбертом Эйнштейном (за что в 1921 году он получил Нобелевскую премию) на основе гипотезы Макса Планка о квантовой природе света. В работе Эйнштейна содержалась важная новая гипотеза – если Планк предположил, что свет излучается только квантованными порциями, то Эйнштейн уже считал, что свет и существует только в виде квантовых порций. Из представления о свете как о частицах (фотонах) немедленно следует формула Эйнштейна для фотоэффекта:
,
где
– кинетическая энергия вылетающего электрона,
– работа выхода для данного вещества,
– частота падающего света,
– постоянная Планка, которая оказалась ровно той же, что и в формуле Планка для излучения абсолютно чёрного тела.
Из этой формулы следует существование красной границы фотоэффекта. Таким образом, исследования фотоэффекта были одними из самых первых квантово – механических исследований.
2. Законы Столетова
Впервые (1888–1890), подробно анализируя явление фотоэффекта, русский физик А.Г. Столетов получил принципиально важные результаты. В отличие от предыдущих исследователей он брал малую разность потенциалов между электродами. Схема опыта Столетова представлена на рис. 2.
Два электрода (один в виде сетки, другой – плоский), находящиеся в вакууме, присоединены к батарее. Включенный в цепь амперметр служит для измерения возникающей силы тока. Облучая катод светом различных длин волн, Столетов пришел к выводу, что наиболее эффективное действие оказывают ультрафиолетовые лучи. Кроме того, было установлено, что сила тока, возникающего под действием света, прямо пропорциональна его интенсивности.
В 1898 г. Ленард и Томсон методом отклонения зарядов в электрическом и магнитном полях определили удельный заряд заряженных частиц, вырываемых Рис. 2. Схема опыта Столетова.
светом из катода, и получили выражение
СГСЕ ед. з/г, совпадающее с известным удельным зарядом электрона. Отсюда следовало, что под действием света происходит вырывание электронов из вещества катода.
Путем обобщения полученных результатов были установлены следующие закономерности фотоэффекта:
-
При неизменном спектральном составе света сила фототока насыщения прямо пропорциональна падающему на катод световому потоку.
-
Начальная кинетическая энергия вырванных светом электронов линейно растет с ростом частоты света и не зависит от его интенсивности.
-
Фотоэффект не возникает, если частота света меньше некоторой характерной для каждого металла величины
, называемой красной границей.
Первую закономерность фотоэффекта, а также возникновение самого фотоэффекта легко объяснить, исходя из законов классической физики. Действительно, световое поле, воздействуя на электроны внутри металла, возбуждает их колебания. Амплитуда вынужденных колебаний может достичь такого значения, при котором электроны покидают металл; тогда и наблюдается фотоэффект.
Ввиду того, что согласно классической теории интенсивность света прямо пропорциональна квадрату электрического вектора, число вырванных электронов растет с увеличением интенсивности света.
Вторая и третья закономерности фотоэффекта законами классической физики не объясняются.
Изучая зависимость фототока (рис. 3), возникающего при облучении металла потоком монохроматического света, от разности потенциалов между электродами (такая зависимость обычно называется вольт – амперной характеристикой фототока), установили, что: 1) фототок возникает не только при
, но и при
; 2) фототок отличен от нуля до строго определенного для данного металла отрицательного значения разности потенциалов
, так называемого задерживающего потенциала; 3) величина запирающего (задерживающего) потенциала не зависит от интенсивности падающего света; 4) фототок растет с уменьшением абсолютного значения задерживающего потенциала; 5) величина фототока растет с ростом
и с какого-то определенного значения
фототок (так называемый ток насыщения) становится постоянным; 6) величина тока насыщения растет с увеличением интенсивности падающего света; 7) величина задерживающего Рис. 3. Характеристика
потенциала зависит от частоты падающего света; фототока.
8) скорость вырванных под действием света электронов не зависит от интенсивности света, а зависит только от его частоты. [2]
3. Уравнение Эйнштейна
Явление фотоэффекта и все его закономерности хорошо объясняются с помощью квантовой теории света, что подтверждает квантовую природу света.
Как уже было отмечено, Эйнштейн (1905 г.), развивая квантовую теорию Планка, выдвинул идею, согласно которой не только излучение и поглощение, но и распространение света происходит порциями (квантами), энергия и импульс которых:
,
,
где
– единичный вектор, направленный по волновому вектору. Применяя к явлению фотоэффекта в металлах закон сохранения энергии, Эйнштейн предложил следующую формулу:
, (1)
где
- работа выхода электрона из металла,
– скорость фотоэлектрона. Согласно Эйнштейну, каждый квант поглощается только одним электроном, причем часть энергии падающего фотона тратится на совершение работы выхода электрона металла, оставшаяся же часть сообщает электрону кинетическую энергию
.
Как следует из (1), фотоэффект в металлах может возникнуть только при
, в противном случае энергия фотона будет недостаточной для вырывания электрона из металла. Наименьшая частота света
, под действием которого происходит фотоэффект, определяется, очевидно, из условия
,
откуда
. (2)
Частота света, определяемая условием (2), называется «красной границей» фотоэффекта. Слово «красная» не имеет никакого отношения к цвету света, при котором происходит фотоэффект. В зависимости от рода металлов «красная граница» фотоэффекта может соответствовать красному, желтому, фиолетовому, ультрафиолетовому свету и т. д.
С помощью формулы Эйнштейна можно объяснить и другие закономерности фотоэффекта.
Положим, что
, т. е. между анодом и катодом существует тормозящий потенциал. Если кинетическая энергия электронов достаточна, то они, преодолев тормозящее поле, создают фототок. В фототоке участвуют те электроны, для которых удовлетворяется условие
. Величина задерживающего потенциала определяется из условия
, (3)
где
– максимальная скорость вырванных электронов. Рис. 4.
Подставив (3) в (1), получим
,
откуда
.
Таким образом, величина задерживающего потенциала не зависит от интенсивности, а зависит только от частоты падающего света.
Работу выхода электронов из металла и постоянную Планка можно определить, построив график зависимости
от частоты падающего света (рис. 4). Как видно,
и отрезок, отсекаемый от оси потенциала, дает
.
Ввиду того, что интенсивность света прямо пропорциональна количеству фотонов, увеличение интенсивности падающего света приводит к увеличению числа вырванных электронов, т. е. к увеличению фототока.
Формула Эйнштейна для фотоэффекта в неметаллах имеет вид
.
Наличие
– работы отрыва связанного электрона от атома внутри неметаллов – объясняется тем, что в отличие от металлов, где имеются свободные электроны, в неметаллах электроны находятся в связанном с атомами состоянии. Очевидно, при падении света на неметаллы часть световой энергии тратится на фотоэффект в атоме – на отрыв электрона от атома, а оставшаяся часть тратится на работу выхода электрона и сообщение электрону кинетической энергии. [2]
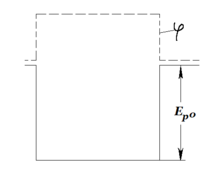
Электроны проводимости не покидают самопроизвольно металл в заметном количестве. Это объясняется тем, что металл представляет для них потенциальную яму. Покинуть металл удается только тем электронам, энергия которых оказывается достаточной для преодоления потенциального барьера, имеющегося на поверхности. Силы, обуславливающие этот барьер, имеют следующее происхождение. Случайное удаление электрона от наружного слоя положительных ионов решетки приводит к возникновению в том месте, которое покинул электрон, избыточного положительного заряда. Кулоновское взаимодействие с этим зарядом заставляет электрон, скорость которого не очень велика, вернуться обратно. Таким образом, отдельные электроны все время покидают поверхность металла, удаляются от нее на несколько межатомных расстояний и затем поворачивают обратно. В результате металл оказывается окруженным тонким облаком электронов. Это облако образует совместно с наружным слоем ионов двойной электрический слой (рис. 5; кружки – ионы, черные точки – электроны). Силы, действующие на электрон в таком слое, направлены внутрь металла. Работа, совершаемая против этих сил при переводе электрона из металла наружу, идет на увеличение потенциальной энергии электрона
(рис. 5).
Характеристики
Тип файла документ
Документы такого типа открываются такими программами, как Microsoft Office Word на компьютерах Windows, Apple Pages на компьютерах Mac, Open Office - бесплатная альтернатива на различных платформах, в том числе Linux. Наиболее простым и современным решением будут Google документы, так как открываются онлайн без скачивания прямо в браузере на любой платформе. Существуют российские качественные аналоги, например от Яндекса.
Будьте внимательны на мобильных устройствах, так как там используются упрощённый функционал даже в официальном приложении от Microsoft, поэтому для просмотра скачивайте PDF-версию. А если нужно редактировать файл, то используйте оригинальный файл.
Файлы такого типа обычно разбиты на страницы, а текст может быть форматированным (жирный, курсив, выбор шрифта, таблицы и т.п.), а также в него можно добавлять изображения. Формат идеально подходит для рефератов, докладов и РПЗ курсовых проектов, которые необходимо распечатать. Кстати перед печатью также сохраняйте файл в PDF, так как принтер может начудить со шрифтами.














