151096 (732910), страница 2
Текст из файла (страница 2)
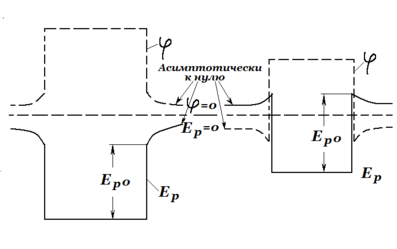
Таким образом, потенциальная энергия валентных электронов внутри металла меньше, чем вне металла, на величину, равную глубине потенциальной ямы
(рис. 6). Изменение энергии происходит на длине порядка нескольких межатомных расстояний, поэтому стенки ямы можно считать вертикальными.
Потенциальная энергия электрона
Рис. 6.
и потенциал
той точки, в которой находится электрон, имеют противоположные знаки. Отсюда следует, что потенциал внутри металла больше, чем потенциал в непосредственной близости к его поверхности, на величину
.
Сообщение металлу избыточного положительного заряда увеличивает потенциал как на поверхности, так и внутри металла. Потенциальная энергия электрона соответственно уменьшается (рис. 7, а).
а) б)
Рис. 7.
За начало отсчета приняты значения потенциала и потенциальной энергии на бесконечности. Сообщение отрицательного заряда понижает потенциал внутри и вне металла. Соответственно потенциальная энергия электрона возрастает (рис. 7, б).
Полная энергия электрона в металле слагается из потенциальной и кинетической энергий. При абсолютном нуле значения кинетической энергии электронов проводимости заключены в пределах от нуля до совпадающей с уровнем ферми энергии
. На рис. 8 энергетические уровни зоны проводимости вписаны в потенциальную яму (пунктиром изображены незанятые при 0К уровни). Для удаления за пределы металла разным электронам нужно сообщить не одинаковую энергию. Так, электрону, находящемуся на самом нижнем уровне зоны проводимости, необходимо сообщить энергию
; для электрона, находящегося на уровне Ферми, достаточна энергия
.
Наименьшая энергия, которую необходимо сообщить электрону для того, чтобы удалить его из твердого или жидкого тела в вакуум, называется работой выхода. Работа выхода электрона из металла определяется выражением
. (4)
Мы получили это выражение в предположении, что температура металла равна 0К. При других температурах работу выхода также определяют как разность глубины потенциальной ямы и уровня Ферми, т. е. распространяют определение (4) на любые температуры. Это же определение применяется и для полупроводников.
Уровень Ферми зависит от температуры. Кроме того, из – за обусловленного тепловым расширением изменения средних расстояний между атомами слегка изменяется глубина потенциальной ямы
. Это приводит к тому, что работа выхода немного зависит от температуры.
Работа выхода очень чувствительна к состоянию поверхности металла, в частности к ее чистоте. Подобрав надлежащим образом Рис. 8.
покрытие поверхности, можно сильно снизить работу выхода. Так, например, нанесение на поверхность вольфрама слоя окисла щелочноземельного металла (Ca, Sr, Ba) снижает работу выхода с 4,5 эВ (для чистого W) до 1,5 – 2 эВ. [4]
4. Внутренний фотоэффект
Выше мы говорили об освобождении электронов из освещаемой поверхности вещества и переходе их в другую среду, в частности в вакуум. Такое испускание электронов называют фотоэлектронной эмиссией, а само явление внешним фотоэффектом. Наряду с ним известен также и широко используется в практических целях так называемый внутренний фотоэффект, при котором, в отличие от внешнего, оптически возбужденные электроны остаются внутри освещенного тела, не нарушая нейтральности последнего. При этом в веществе изменяется концентрация носителей заряда или их подвижность, что приводит к изменению электрических свойств вещества под действием падающего на него света. Внутренний фотоэффект присущ только полупроводникам и диэлектрикам. Его можно обнаружить, в частности, по изменению проводимости однородных полупроводников при их освещении. На основе этого явления – фотопроводимости создана и постоянно совершенствуется большая группа приемников света – фоторезисторов. Для них используется в основном селенид и сульфид кадмия.
В неоднородных полупроводниках наряду с изменением проводимости наблюдается также образование разности потенциалов (фото – э.д.с.). Это явление (фотогальванический эффект) обусловлено тем, что в силу однородностей проводимости полупроводников происходит пространственное разделение внутри объема проводника оптически возбужденных электронов, несущих отрицательный заряд и микрозон (дырок), возникающих в непосредственной близости от атомов, от которых оторвались электроны, и подобно частицам несущих положительный элементарный заряд. Электроны и дырки концентрируются на разных концах полупроводника, вследствие чего и возникает электродвижущая сила, благодаря которой и вырабатывается без приложения внешней э.д.с. электрический ток в нагрузке, подключенной параллельно освещенному полупроводнику. Таким образом достигается прямое преобразование световой энергии в электрическую. Именно по этой причине фотогальванические приемники света и используются не только для регистрации световых сигналов, Нои в электрических цепях как источники электрической энергии.
Основные промышленно выпускаемые типы таких приемников работают на основе селена и сернистого серебра. Весьма распространен также кремний, германий и ряд соединений – GaAs, InSb, CdTe и другие. Фотогальванические элементы, используемые для преобразования солнечной энергии в электрическую, приобрели особенно широкое применение в космических исследованиях как источники бортового питания. Они обладают относительно высоким коэффициентом полезного действия (до 20 %), весьма удобны в условиях автономного полета космического корабля. В современных солнечных элементах в зависимости от полупроводникового материала фото – э.д.с. достигает 1 – 2 В, съем тока с
– нескольких десятков миллиампер, а на 1 кг массы выходная мощность достигает сотен ватт. [1]
5. Применение явления фотоэффекта
В настоящее время на основе внешнего и внутреннего фотоэффекта строится бесчисленное множество приемников излучения, преобразующих световой сигнал в электрический и объединенных общим названием – фотоэлементы. Они находят весьма широкое применение в технике и в научных исследованиях. Самые разные объективные оптические измерения немыслимы в наше время без применения того или иного типа фотоэлементов. Современная фотометрия, спектрометрия и спектрофотометрия в широчайшей области спектра, спектральный анализ вещества, объективное измерение весьма слабых световых потоков, наблюдаемых, например, при изучении спектров комбинационного рассеяния света, в астрофизике, биологии и т. д. трудно представить себе без применение фотоэлементов; регистрация инфракрасных спектров часто осуществляется специальными фотоэлементами для длинноволновой области спектра. Необычайно широко используются фотоэлементы в технике: контроль и управление производственными процессами, разнообразные системы связи от передачи изображения и телевидения до оптической связи на лазерах и космической техники представляют собой далеко не полный перечень разнообразнейших технических вопросов в современной промышленности и связи.
История создания фотоэлементов насчитывает уже более 130 лет. Первый фотоэлемент, основанный на внутреннем фотоэффекте и использующий явление фотопроводимости, был построен в 1875 г., первый же вакуумный фотоэлемент, основанный на внешнем фотоэффекте, был построен в 1889 г. Промышленное производство вакуумных фотоэлементов в России было организовано П.В. Тимофеевым в 1930 г. Интересно отметить, что фотоэлементы, использующие внешний фотоэффект, раньше приобрели широкое развитие, хотя внутренний фотоэффект был открыт по крайней мере на 50 лет раньше. Только в сороковых годах нашего столетия благодаря бурному развитию физики полупроводников и детальному изучению внутреннего фотоэффекта началось создание новых фотоэлементов на основе полупроводниковых материалов.
Огромное разнообразие задач, решаемых с помощью фотоэлементов, вызвало к жизни чрезвычайно большое разнообразие типов фотоэлементов с различными техническими характеристиками. Выбор оптимального типа фотоэлементов для решения каждой конкретной задачи основывается на знании эти характеристик. Для фотоэлементов с внешним фотоэффектом (вакуумных фотоэлементов) необходимо знание следующих характеристик: рабочая область спектра; относительная характеристика спектральной чувствительности (она строится как зависимость от длины волны падающего света безразмерной величины отношения спектральной чувствительности при монохроматическом освещении к чувствительности в максимуме этой характеристики); интегральная чувствительность (она определяется при освещении фотоэлемента стандартным источником света); величина квантового выхода (процентное отношение числа эмитированных фотоэлектронов к числу падающих на фотокатод фотонов); инерционность (для вакуумных фотоэлементов она определяется обычно через время пролета электронов от фотокатода к аноду). Важным параметром служит также темновой ток фотоэлемента, который складывается из термоэмиссии фотокатода при комнатной температуре и тока утечки.
В зависимости от материала фотокатода и материала колбы фотоэлемента их можно применять в диапазоне 0,2 – 1,1 мкм. Их интегральная чувствительность лежит в пределах 20 – 100 мкА на 1 лм светового потока, а термоэмиссия – в пределах
. Очень важным достоинством вакуумных фотоэлементов является их высокое постоянство и линейность связи светового потока с фототоком. Поэтому они длительное время преимущественно использовались в объективной фотометрии, спектрометрии, спектрофотометрии и спектральном анализе в видимой ультрафиолетовой областях спектра. Главным недостатком вакуумных фотоэлементов при световых измерениях следует считать малость электрических сигналов, вырабатываемых этими приемниками света. Последний недостаток полностью устраняется в фотоэлектронных умножителях (ФЭУ), представляющих как бы развитие фотоэлементов. ФЭУ были впервые построены в 1934 г.
Рис. 9. Схема устройства фотоумножителя
Принцип действия ФЭУ можно проследить на рис 9. Фотоэлектроны, эмитируемые с фотокатода ФК под действием электрического поля, ускоряются и попадают на первый промежуточный электрод
. Падая на него, фотоэлектроны вызывают эмиссию вторичных электронов, причем в определенных условиях эта вторичная эмиссия может в несколько раз превышать первоначальный поток фотоэлектронов. Конфигурация электродов такова, что большинство фотоэлектронов попадает на электрод
, а большинство вторичных электронов попадает на следующий электрод
, где процесс умножения повторяется, и т. д. Вторичные электроны с последнего из электродов (динодов), а их бывает до 10 – 15, собираются на анод. Общий коэффициент усиления таких систем достигает
, а интегральная чувствительность ФЭУ достигает тысяч ампер на люмен. Это, конечно, не означает возможности получения больших токов, а свидетельствует лишь о возможности измерения малых световых потоков.
Очевидно, те же технические характеристики, что и у вакуумных фотоэлементов, а также коэффициент усиления и его зависимость от питающего напряжения полностью характеризуют ФЭУ. В настоящее время последние повсеместно вытесняют вакуумные фотоэлементы. К недостаткам ФЭУ следует отнести необходимость применения источника высоковольтного и стабилизированного питания, несколько худшую стабильность чувствительности и большие шумы. Однако путем применения охлаждения фотокатодов и измерения не выходного тока, а числа импульсов, из которых каждый соответствует одному фотоэлектрону, эти недостатки могут быть в значительной степени подавлены.
Большим преимуществом всех приемников света, использующих внешний фотоэффект, является то обстоятельство, что их фототок не изменяется при изменении нагрузки. Это означает, что при малых значениях фототока можно применить практически сколь угодно большое сопротивление нагрузки и тем самым достичь значения падения напряжения на нем, достаточно удобного для регистрации и усиления. С другой стороны, заменяя сопротивление на емкость, можно, измеряя напряжение на этой емкости, получать величину, пропорциональную усредненной величине светового потока за заданный интервал времени. Последнее чрезвычайно важно в тех случаях, когда необходимо измерить световой поток от нестабильного света – ситуация, типичная для спектроаналитических измерений.
Спектрометрия в инфракрасной области спектра не может производиться с помощью вакуумных фотоэлементов и ФЭУ по той причине, что современные фотокатоды имеют красную границу не выше 1100 нм. Однако уже сейчас известны материалы, позволяющие продвинуться до 3 – 4 мкм. Поэтому в инфракрасной области применяются фотоэлементы, работающие на основе внутреннего фотоэффекта. Сюда следует отнести неохлаждаемые фоторезисторы на основе InSb, PbSe и PbS, которые могут быть использованы до 6 мкм, и глубоко охлаждаемые фоторезисторы на основе германия, легированного золотом, цинком, медью и другими металлами, пригодные до 40 мкм.















