151029 (732886)
Текст из файла
Реферат на тему:
"Техническое обслуживание и текущий ремонт электродвигателей"
СОДЕРЖАНИЕ
Техническое обслуживание (ТО) электродвигателей 3
Текущий ремонт (ТР) электродвигателей 3
Трехкратная пропитка обмоток лаком, модифицированным ингибиторами 7
Капсулирование лобовых частей электродвигателей 8
Список использованных источников 13
Техническое обслуживание (ТО) электродвигателей
Техническое обслуживание проводят на месте установки без демонтажа и разборки. В объем ТО входят: очистка электродвигателя от пыли и грязи; проверка исправности заземления, крепления электродвигателя и его элементов, степени нагрева и уровня вибрации и шума, надежности контактных соединений; измерение сопротивления изоляции и устранение обнаруженных неисправностей. У двигателей с фазным ротором проверяют состояние контактных колец и щеточного механизма.
Сроки ТО электродвигателей зависят от характеристики помещений и рабочих машин, с которыми они работают. ТО электродвигателей серий 4А, Д, АО2СХ проводят 1 раз в три месяца, кроме электродвигателей, установленных на зернодробилках, молотилках, прессах, измельчителях кормов (пыльные влажные помещения), для которых ТО осуществляют 1 раз в полтора месяца. Такую же периодичность обслуживания имеют электродвигатели, работающие на открытом воздухе или под навесом. Для двигателей молочных вакуум-насосов и пастеризаторов (особо сырые помещения) ТО выполняют 1 раз в два месяца.
Периодичность ТО для электродвигателей серии АО2, установленных в сухих и влажных, а также сырых помещениях, для электродвигателей, используемых в пыльных и особо сырых помещениях, определена в соответствии с ППРЭ – системе планово-предупредительных ремонтов электрооборудования.
Текущий ремонт (ТР) электродвигателей
Проводят либо на месте их установки, либо на пункте технического обслуживания, в мастерской и т.д. Текущие ремонты на месте установки электрооборудования выполняют специализированные выездные бригады.
В соответствии с ППРЭ в объем текущего ремонта электродвигателя входят: очистка от пыли и грязи, отсоединение от питающих проводов и заземления, демонтаж на месте установки и разборка, очистка обмотки, измерение сопротивления изоляции обмотки и при необходимости сушка обмотки, промывка подшипников, проверка и их замена при необходимости, ремонт или замена поврежденных выводных проводов обмотки и клеммной панели, коробки выводов, сборка, смазка подшипников, испытание на холостом ходу, покраска и, при необходимости, установка электродвигателя на рабочее место, центровка с рабочей машиной и испытание под нагрузкой.
У электродвигателей с фазным ротором проверяют состояние контактных колец, при необходимости выполняют их проточку и шлифовку, регулируют щеточный механизм и, если нужно, заменяют щетки.
При сушке обмоток электродвигателя удаляется влага из пор и трещин обмотки, но сами трещины и поры в лаковой пленке сохраняются. Значит, сохраняется вероятность довольно быстрого увлажнения обмотки электродвигателя при его "дыхании" в процессе эксплуатации, а следовательно, и вероятность пробоя. Устранение пор и трещин лаковой пленки проводников обмотки позволяет избежать ее увлажнения на длительный срок. Трещины и поры могут быть устранены только пропиткой обмотки в лаке.
Пропитка обмотки повышает ее надежность, но усложняет технологию ремонта, требует наличия пропиточных ванн, емкостей для хранения лака и т.д. Кроме того, увеличивается время нахождения электродвигателя в ремонте, оно может оказаться больше времени простоя между рабочими циклами. В этом случае потребуется замена ремонтируемого электродвигателя на резервный. Поэтому необходимо в каждом конкретном случае перед текущим ремонтом проводить тщательную диагностику состояния электродвигателя и на основе полученных данных решать вопрос об объеме и месте проведения ремонта.
Периодичность текущих ремонтов электродвигателей серий 4А, Д, АО2СХ в соответствии с ППРЭ составляет 24 месяца, за исключением электродвигателей, установленных на молочных вакуум-насосах и пастеризаторах в особо сырых помещениях, в которых влажность превышает 98%, в этом случае периодичность текущих ремонтов составляет 18 месяцев.
Периодичность ТР электродвигателей серии А02 составляет 24 месяца для сухих, влажных (влажность до 75%) и сырых помещений и 18 месяцев для пыльных и особо сырых помещений (влажность до 98%), исключая электродвигатели зернодробилок, молотилок, прессов, измельчителей кормов, для которых периодичность-12 месяцев. Такую же периодичность ТР имеют электродвигатели серии АО2, работающие на открытом воздухе или под навесом.
Система ППРЭ определяет периодичность обслуживания и ремонта применительно к помещению и рабочей машине, для которых электродвигатель используют. Влияние режима работы электродвигателя на изменение характеристики изоляции обмотки при определении периодичности ТО и ТР не учитывается. Кроме того, ППРЭ не учитывает срок эксплуатации электродвигателя. В соответствии с ППРЭ одинаковую периодичность имеют новый электродвигатель, впервые подвергавшийся ТО или ТР, и электродвигатель, уже неоднократно прошедший ТО и ТР. Не оговаривается периодичность ТО и ТР электродвигателей, установленных на рабочие машины после капитального ремонта или модернизации.
В этих условиях возрастает значение диагностики электрооборудования и роль руководителей электротехнической службы хозяйства при составлении месячных и годовых графиков ТО и ТР электрооборудования.
Качественно выполненная диагностика электрооборудования хозяйства позволит скорректировать сроки проведения технического обслуживания и текущего ремонта электрооборудования. При помощи диагностики можно выявить и вывести из работы для ремонта (модернизации) или для списания электрооборудование, выработавшее свой ресурс и имеющее предельно допустимые параметры надежности. В результате ликвидируется опасность внезапного отказа электрооборудования и аварийной остановки технологического процесса.
Модернизация своевременно выведенного в ремонт электрооборудования позволит повысить его надежность и, как следствие, обеспечить непрерывность технологического процесса сельскохозяйственного производства. В результате диагностики может быть принято решение об удлинении сроков между проведением ТО и ТР для электрооборудования, имеющего высокие параметры надежности, что позволит экономить затраты на проведение технического обслуживания электрооборудования.
Рассмотрим меры повышения эксплуатационной надежности электродвигателей.
Основные причины выхода из строя электродвигателей, используемых в сельскохозяйственном производстве: несоответствие тяжелым условиям среды; несоответствие или отсутствие защиты от неполнофазных режимов работы и аварийных перегрузок; недостаточный уровень эксплуатации.
Для устранения первой причины принимают следующие меры: выпускают электродвигатели повышенной надежности; модернизируют электродвигатели старых серий при ремонте; выносят электродвигатели за пределы влажной агрессивной среды.
Повышая надежность электродвигателей, заводы выпускают узкоспециализированные исполнения для условий сельскохозяйственного производства. Электродвигатели второй серии сельскохозяйственного исполнения АО2СХ хорошо себя оправдали в эксплуатации.
При работе в животноводческих помещениях срок службы электродвигателей сельскохозяйственного исполнения достигает 6...8 лет, а второй серии общепромышленного исполнения - всего 1...2 года.
В четвертой серии электродвигателей общепромышленного исполнения использованы те же изоляционные и активные материалы, что и в двигателях АО2СХ. Поэтому электродвигатели серий 4А и А02СХ работают с одинаковой надежностью. Отличие выпускаемых электродвигателей специализированного исполнения 4АСХ заключается только в анодировании или никелировании крепежных частей двигателя и более качественной окраске.
Модернизированные электродвигатели четвертой серии 4АМ обладают повышенной надежностью. Отечественная электропромышленность совместно со странами социалистического содружества приступила к выпуску новой серии двигателей АИ (интернациональной), характеристики и надежность которых еще более повышены.
Таким образом, современные электродвигатели общепромышленного исполнения относятся к универсальным, так как их можно использовать в особо сырых, с химически активной средой животноводческих помещениях, в которых содержание влажности составляет 80...100%, аммиака - 2...140 мг/м3, сероводорода - 10...90 и углекислого газа - 0,03...0,88 мг/м3, запыленность - до 240 г/м3.
В сельскохозяйственном производстве используют разнообразные серии электродвигателей, в том числе и старые - А, АО и А2, АО2.
При капитальных и текущих ремонтах старые серии электродвигателей желательно модернизировать. Обычно электромашиностроительные заводы при изготовлении электродвигателей применяют двукратную пропитку обмоток. Электроремонтные заводы иногда отступают от технологии ремонта и применяют только однократную пропитку обмотки, что заметно снижает надежность двигателей. В качестве простейшей модернизации электродвигателей при их ремонте можно считать применение не двух, - а трехкратной пропитки.
Трехкратная пропитка обмоток лаком, модифицированным ингибиторами
Это предложение В.И. Чарыкова - первый вид простейшей модернизации, повышающей надежность электродвигателей при текущем ремонте. Ингибитор, диффундируя в лаковую пленку и заполняя ее поры, препятствует проникновению влаги. Для исследований применяли хроматные и БДН ингибиторы, разработанные ЧИМЭСХ под руководством О.И. Голяницкого. Лучшие результаты были получены при использовании БДН ингибитора - это смесь диэтиланилина, бензотриазола и паранитрофенола, растворенная в ацетоне. При пропитке обмотки использовали эмаль ГФ-92ХС, модифицированную путем добавления 6% (от массы эмали) ингибитора.
Лобовые части обмотки статора обрабатывают краскораспылителем или окунают в специальные растворы (электродвигатели малой мощности).
Экспериментальные данные показали, что после двух месяцев эксплуатации сопротивление изоляции обмоток электродвигателей, пропитанных модифицированной эмалью, оказалось в 4 раза выше, чем сопротивление изоляции электродвигателей, пропитанных немодифицированной эмалью ГФ-92ХС.
Капсулирование лобовых частей электродвигателей
Это второй вид модернизации старых серий. Предложенный ВНИИ механизации и электрификации сельского хозяйства Нечерноземной зоны РФ способ капсулирования обмоток при помощи эпоксидных смол ввиду сложности технологии капсулирования можно применять только на ремонтных заводах при капитальных ремонтах двигателей.
Кроме того, следует учесть, что двигатель с капсулированной эпоксидным компаундом обмоткой становится неремонтопригодным.
Предложенный А.Е. Немировским способ капсулирования лобовых частей обмоток при помощи эластомеров на основе синтетического каучука применяют при текущих ремонтах электродвигателей даже в мастерских совхозов и колхозов.
При эксплуатации капсулированных электродвигателей в течение стойлового периода сопротивление изоляции обмоток было не ниже 500 МОм. Исследования показали, что срок службы капсулированных электродвигателей достигает 8 лет в тяжелых условиях животноводческих помещений. Опыт эксплуатации электродвигателей показывает необходимость усиления изоляции выводных концов при помощи липкой полихлорвиниловой ленты, лака или капсулирования.
В.В. Усовым предложено применение лобовых охладителей обмоток мощных электродвигателей старых серий
Суть способа заключается в нанесении на лобовые части обмотки слоя изоляционного лака. Затем на обмотку укладывают алюминиевые сегменты, плотно охватывающие обмотку и плотно прилегающие к пакету статора. В результате герметизируется (капсулируется) не только обмотка, но и резко возрастает ее теплоотдача. Опыты показали, что срок службы электродвигателей также может достигать 8 лет, при этом мощность двигателя может быть увеличена на одну ступень. Недостаток способа заключается в его сложности.
Для повышения эксплуатационной надежности электродвигателей практиковали выносить их в специальные помещения, расположенные рядом с фермами, что требует больших дополнительных расходов кабельной продукции. Поэтому данный способ повышения эксплуатационной надежности целесообразно осуществлять при строительстве новых объектов, заранее учитывая при проектировании технологию производства, расход электротехнических материалов, надежность электрооборудования и экономические показатели.
При монтаже электродвигателей в помещении необходимо учитывать обеспечение надежности их работы. Так, существующие системы крышной вентиляции животноводческих комплексов по откорму крупного рогатого скота в основном выполнены таким образом, что на электродвигатель постоянно стекает влага, поступающая в помещение из окружающей среды через вентиляционную трубу, отчего наблюдается значительный выход электродвигателей из строя. Смещение электродвигателя относительно вентиляционной трубы (вентилятора) резко сократило аварийность данных электродвигателей.
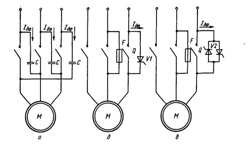
К числу эффективных профилактических мероприятий, предотвращающих возможное увлажнение изоляции, относится создание микроклимата внутри оболочки электродвигателя путем подогрева обмоток электродвигателя в период его нерабочего состояния. При токовом методе подогрева и сушке электродвигателей непосредственно на рабочем месте обмотки подключают через: конденсаторы (рис.1, а), однотиристорное устройство (рис.1, б), двухтиристорное устройство (рис.1, с).
Характеристики
Тип файла документ
Документы такого типа открываются такими программами, как Microsoft Office Word на компьютерах Windows, Apple Pages на компьютерах Mac, Open Office - бесплатная альтернатива на различных платформах, в том числе Linux. Наиболее простым и современным решением будут Google документы, так как открываются онлайн без скачивания прямо в браузере на любой платформе. Существуют российские качественные аналоги, например от Яндекса.
Будьте внимательны на мобильных устройствах, так как там используются упрощённый функционал даже в официальном приложении от Microsoft, поэтому для просмотра скачивайте PDF-версию. А если нужно редактировать файл, то используйте оригинальный файл.
Файлы такого типа обычно разбиты на страницы, а текст может быть форматированным (жирный, курсив, выбор шрифта, таблицы и т.п.), а также в него можно добавлять изображения. Формат идеально подходит для рефератов, докладов и РПЗ курсовых проектов, которые необходимо распечатать. Кстати перед печатью также сохраняйте файл в PDF, так как принтер может начудить со шрифтами.
















