150821 (732821), страница 3
Текст из файла (страница 3)
4 –манометр, 5 –конденсатор, 6,7 –смотровые окна,
9 –медные наконечники, 10 –вставка для стока конденсата,
11,12 –отвод и нагреватель конденсата, 13 –нагреватель,
14,16 –краники, 15 –гильзы с термопарами.
Как показали эксперименты, для условий однофазной конвекции на линии насыщения при расчете коэффициента теплоотдачи к реактивным топливам может быть использовано уравнение
(4)
Погрешность расчета по выражению (4) не превышает 20 %.
Для развитого пузырькового кипения для поверхности без отложений получена расчетная зависимость, основанная на модели В.В.Ягова (Ягов В.В. Теплообмен при развитом пузырьковом кипении //Теплоэнергетика, -1988. -№3. ‑С.4-9.).
. (5)
где
для всех реактивных топлив.
При выводе расчетного соотношения исходили из особенностей процесса кипения сложных, многокомпонентных смесей, в частности более низкой интенсивности испарения жидкости с поверхности менисков на границах сухих пятен (центров парообразования). Как известно, увеличение локальной концентрации высококипящих компонентов смеси в пристенном слое жидкости и вызванное этим снижение действительного температурного напора приводит к резкому уменьшению плотности центров парообразования. В результате обобщения всего массива опытных данных получено расчетное соотношение.
Среднеквадратичное отклонение опытных точек от расчетной зависимости (5) составляет 4.63 %. На рисунке 11 приведено сопоставление экспериментальных точек по реактивным топливам с расчетной зависимостью. Аналогичные результаты получены и для автомобильных бензинов и дизельного топлива.
Рис.11. Обобщение экспериментальных данных по реактивным топливам
с помощью модели кипения В.В.Ягова
Как уже было отмечено ранее, при нагреве топлив по мере наработки формируются отложения, которые оказывают значительное влияние на процессы теплообмена. Коксоотложения на поверхности теплоотдающей поверхности здесь играют роль своего рода как теплоизоляторов, так и являются потенциальными центрами генерации паровых пузырей, в связи с чем на интенсивность охлаждения оказывает влияние их толщина и теплопроводность.
При изучении закономерностей парообразования на поверхности с коксоотложениями следует рассмотреть три аспекта процесса: зарождение парообразования, интенсивность теплоотдачи при кипении и наступление кризиса кипения.
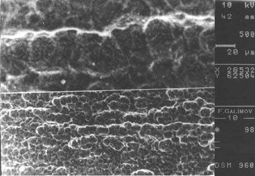
Эксперименты, проведенные с реактивными топливами для условий естественной конвекции, показали, что образование отложений оказывает незначительное влияние на коэффициент теплоотдачи. Была изучена теплоотдача как на поверхности после 16-и суток окисления при температуре 114 С, так и после развитого пузырькового кипения в течении 8 часов при q=200 кВт/м2 и Ps=0.5 МПа. Структура отложений, образовавшихся при данных температурах, приведена на фотографии (Рис.12).
Рис.12. Структура отложений на поверхности 1Х18Н9Т при нагреве
реактивного топлива ТС-1.
Верхняя часть фото –после 16 –и суток окисления при Тст=114-116 оС
Нижняя часть фото –после 8 –и часов развитого кипения при Тст=278 оС
Сопоставление экспериментальных данных для топлив с расчетной зависимостью (4), полученной для гладких поверхностей, показало, что коксоотложения несколько снижают . Погрешность расчета по этой зависимости составляет 28 %. Однако, если в этом выражении несколько изменить значение постоянного множителя и показателя степени, то расчетная зависимость
(6)
позволяет описать опытные точки для всех реактивных топлив с погрешностью до 12 %. Аналогичные результаты получены и для других топлив (бензин А-76, АИ-93 и дизельного топлива) в интервале давлений Ps=0.1-1.1 МПа и плотности теплового потока q=1.1-7.6 кВт/м2.
В этом выражении за определяющую величину принят диаметр трубки.
Определение условий возникновения паровой фазы и зарождения пузырей на твердой поверхности является одной из наиболее сложных и важных задач физики кипения жидкостей. Этот вопрос еще более усложняется для поверхности, покрытой отложениями. На рисунке 13а приведены результаты экспериментов по изучению условий возникновения пузырей на поверхности кипения, покрытой отложениями для топлива ТС-1. Сплошная линия соответствует поверхности, обработанной по техническому классу чистоты (6 - 7 и ниже) со средней глубиной впадин до 10 мкм, без отложений.
Как видно из этого рисунка, условия образования отложений вносят существенный вклад на значение теплового потока, необходимого для зарождения паровых пузырей. Если для поверхности после 16 суток окисления при температуре 114 С мы наблюдаем значительный рост необходимого теплового потока для зарождения пузырей, который достигает до 3-4 кВт/м2, то для поверхности, подвергнутой заранее 8 часам развитому пузырьковому кипению при плотности теплового потока q=200 кВт/м2 и Ps=0.5 МПа, значение перегрева и соответственно плотности теплового потока влияет незначительно (не превышает 1.5 кВт/м2 для всего диапазона исследованных давлений). Объяснение этому можно найти в структуре образования самих отложений (см.рис.12). Как уже отмечалось ранее, при пониженных температурах на поверхности (имеется в виду Тст.=114-116 оС) в основном откладываются смолообразные осадки, которые в свою очередь забивают имеющиеся шероховатости. Последнее приводит к необходимости роста перегрева трубки для условия зарождения на ней парового пузыря, что мы и наблюдаем.
На поверхности, подвергнутой 8 часам развитому пузырьковому кипению, образовавшиеся отложения состоят, кроме смолообразных отложений, также из асфальтено-смолистых и карбено-карбоидных отложений, которые, как известно, представляют из себя более высокомолекулярные соединения и являются предшественниками образования кокса. Отложение последних приводит к образованию пористых структур на поверхности, в связи с этим шероховатость поверхности по сравнению с предыдущей поверхностью оказывается выше. Причем эти поры забиваются не топливом из объема системы, а обогащены соединениями, содержащими смолообразную структуру, т.е. температура их кипения намного выше, чем температура кипения самого топлива.
Замедление зарождения паровых пузырей по сравнению с чистой поверхностью можно объяснить только низкой теплопроводностью и толщиной этих отложений.
Аналогичные результаты получены также при обратном переходе от режима одиночных пузырей к однофазной конвекции. Здесь наблюдалось незначительное снижение плотности теплового потока, т.е. имел место своего рода гистерезис вырождения кипения как для чистой поверхности, так и для поверхности с отложениями. Причем величина гистерезиса для чистой поверхности лежит в пределах 1-1.5 кВт/м2, а для поверхностей с отложениями составляет до 3-5 кВт/м2.
Рис.13. Влияние коксоотложений на переход
а) -от режима естественной конвекции к пузырьковому кипению;
б) - от режима пузырькового кипения к естественной конвекции.
На рисунке 13б представлены результаты экспериментов для топлива ТС‑1. Следует также отметить, что вырождение пузырей на поверхности после 8 часов развитого кипения происходит значительно позже, чем для чистой поверхности и поверхности после однофазного окисления, что также объясняется природой процесса кипения. Динамические процессы на поверхности кипения, связанные с ростом парового пузыря, приводят к деформации образовавшихся отложений, что приводит к росту неровностей и шероховатости. Для отложений, образовавшихся при повышенной температуре, как уже отмечалось ранее, свойственно присутствие асфальтено-смолистых и карбено-карбоидных соединений, шероховатость которых оказывается значительно выше, чем для поверхности с смолообразными отложениями.
Аналогичные результаты получены также для топлив РТ, Т-6, Т-1.
Для расчета теплоотдачи при кипении топлив на поверхности, покрытых отложениями, теплофизические свойства которых заметно отличны от свойств металла, известные формулы, полученные при кипении на трубках в начале наработки, когда отложений не было, в общем случае оказываются непригодными. Это обусловлено тем, что появление слоя малотеплопроводных отложений на металлической стенке приводит к изменению условий для зарождения и роста паровых пузырей. В зависимости от природы образовавшихся отложений, значительно претерпевается изменению шероховатость поверхности, а также заметно уменьшается коэффициент аккумуляции тепла на стенке
, что в свою очередь снижает интенсивность теплоотдачи. Кроме этого, отложения оказывают влияние на возникновение температурных пульсаций при испарении микрослоя жидкости в окрестности центров парообразования.
Как показали предварительные эксперименты, влиянием шероховатости стенки, вследствие образования отложений при развитом кипении, можно пренебречь, так как в условиях развитого пузырькового кипения коэффициент теплоотдачи в течение значительного времени изменяется незначительно. Кроме того, как показали эксперименты по зарождению пузырей (Рис.13), отложения, образованные в условиях кипения, оказали меньшее влияние на образование паровой фазы, чем смолообразные отложения, которые образуются при пониженных температурах. В связи со всем вышесказанным можно заключить, что на поверхностях нагрева, обработанных по техническому классу чистоты (6‑7 и ниже) со средней глубиной впадин до 10 мкм, т.е. достаточно грубо, изменение шероховатости за счет коксоотложений не оказывает влияния на коэффициент теплоотдачи.
Среднее значение глубины проникновения температурных пульсаций при испарении микрослоя топлив с поверхности отложений, согласно оценкам, выполненным по формуле
, (7)
не превышает 0.1 мм.
Для описания теплоотдачи при развитом пузырьковом кипении в условиях образования на поверхности нагрева отложений получена расчетная зависимость
, (8)
где рассчитывается из уравнения (5).
Параметр
определяется из выражения
отл/hср+(1-отл/hср)2
]2 . (9)
Выражение (8) отличается своей универсальностью. Так для чистой поверхности выражение под корнем =1. Для условия, когда толщина отложений отл, превышает величину глубины температурных пульсаций (hср/отл<1), расчет ведется согласно теплофизическим свойствам отложений, а для случая, когда (hср/отл>1), используется выражение (9)
Погрешность расчета по зависимости (8) не превышает 35 % для всех исследованных топлив.
Глава 4 посвящена моделированию процессов теплообмена и образования коксоотложений при течении углеводородных топлив в топливных каналах силовых и энергетических установок. Предложена трехстадийная схема образования веществ кокса
Топливо + Кислород
Промежуточные продукты
Промежуточные продукты + Топливо
ВМС (10)
ВМС
кокс
Рассмотрим окисление углеводородов по этой схеме при развитом турбулентном течении в обогреваемых каналах.
Поскольку концентрации продуктов окисления весьма малы (10-4 моль/л) и концентрация кислорода незначительна (10-2 моль/л), изменением концентрации топлива и тепловыми эффектами реакции окисления можно пренебречь, и течение окисляемого топлива можно отнести к классу течений химически реагирующих сильно разбавленных жидкостей.
Система уравнений гидродинамики и теплообмена записывается в виде:
1>













