150810 (732818)
Текст из файла
ЗАДАНИЕ № 1
ЛИНЕЙНЫЕ ЭЛЕКТРИЧЕСКИЕ ЦЕПИ ПОСТОЯННОГО ТОКА
В соответствии с вариантом, заданным двумя последними цифрами шифра, указанного в зачетной книжке, выписать из табл. 1.1 и 1.2 условия задачи и выполнить следующее:
-
Начертить схему электрической цепи с обозначением узлов и элементов ветвей, соблюдая требования ЕСКД.
-
Определить и составить необходимое число уравнений по законам Кирхгофа для определения токов во всех ветвях.
-
Определить токи ветвей методом контурных токов и узловых потенциалов и свести их в таблицу.
-
Проверить результаты расчетов по уравнениям баланса мощностей.
-
Определить ток в первой ветви методом эквивалентного генератора.
Таблица 1.1
| Сопротивления резисторов, Ом. Э.д.с. источников в В и тока в А | |||||||||||
| R1 | R2 | R3 | R4 | R5 | R6 | Е1 | E2 | Е3 | Е4 | E5 | J6 |
| 5 | 6 | 7 | 8 | 9 | 10 | 21 | 22 | 23 | 24 | 25 | 1 |
УСЛОВИЯ К ЗАДАНИЮ № 1.
Таблица 1.2
ЛОГИЧЕСКОЕ СОДЕРЖАНИЕ ЭЛЕКТРИЧЕСКОЙ ЦЕПИ
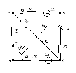
| Схема электрической цепи | |
| a(R1 +R3Ē3bR4)cR2Ē2d(R6Ĵ6b+R5)а |
РЕШЕНИЕ:
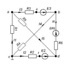
Электрическая схема:
Дано:
= 5 Om;
= 6 Om;
= 7 Om;
= 8 Om;
= 9 Om;
= 10 Om;
E2= 22 B; E3 = 23B; J =1A.
Для нахождения количества контуров упростим схему:
Подставим вместо источника J эдс ER6= 1А·
Определим количество узлов и контуров.
Узлов = 4;
Контуров =4.
Составим необходимое количество уравнений по законам Кирхгофа.
По первому закону n = У -1 =3;
По второму n = К =3.
Общее количество уравнений N = 3+5=8.
По первому закону Кирхгофа:
Узел с:
Узел а:
Узел b:
По второму закону Кирхгофа.
Для контура 1:
Для контура 2 :
Для контура 3:
Подставим числовые значения:
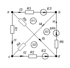
Рассчитаем токи методом контурных токов(МКТ).
В данной схеме 3 независимых контура. Значит и уравнений будет тоже 2.
, где
Подставим полученные значения в систему уравнений:
Решим уравнения и найдем контурные токи.
Выразим
из первого уравнения через
, из третьего
через
и подставим во второе.
Подставим это выражение в уравнение 2,3
Составим новую систему уравнений
Выразим из первого уравнений
через
Подставим во второе уравнение
Найдем
,
Далее выразим истинные токи через контурные токи:
Определим баланс мощности
. = 72.953 Вт.
= 73.29.
Допускается расхождение
Баланс сходится , значит расчет верен.
Определим токи во всех ветвях методом узловых потенциалов.
Выберем в качестве нулевого узла узел «с». Необходимо найти потенциалы узлов a,b,d.
Вычислим собственные проводимости этих узлов:
=
Общая проводимость этих узлов:
Находим узловые токи:
В узле «а»:
Составим систему уравнений для нахождения потенциалов узлов по методу узловых потенциалов.
Подставляем числовые значения
Решим эту систему и найдем потенциалы узлов. Выразим
из первого уравнения через
.
Подставим полученный результата во второе уравнение.
=-3.22 + 0.322·
- 0.133·
Подставим в третье уравнение.
=-1.734 – 0.134
+ 0.344·
Запишем новую систему.
Выразим из первого уравнения
через
Подставим во второе уравнение
70.7·
=1015
=14.36 В
Найдем
=
=10.58 В.
Найдем
= - 0.17 В.
Рассчитаем токи
Как видно, токи, полученные методом контурных токов и методом узловых потенциалов примерно равны. Погрешности объясняются округлением результатов вычислений.
Определение тока методом эквивалентного генератора.
Найдем ток
.
Определим токи в ветвях этой схемы методом контурных токов.
Найдем
и
и выразим через них истинные токи в ветвях этой схеме.
=
Внутреннее сопротивление эквивалентного источника равно входному сопротивлению относительно выводов « ac» пассивного двухполюсника.
Преобразуем схему
Тогда
Окончательная схема имеет вид
По закону Ома:
ЗАДАНИЕ № 2
ЛИНЕЙНЫЕ ЭЛЕКТРИЧЕСКИЕ ЦЕПИ ОДНОФАЗНОГО
СИНУСОИДАЛЬНОГО ТОКА
Выписать из табл. 2.1 и 2.2 условия задания и выполнить следующее.
-
Начертить схему электрической цепи, соблюдая требования ЕСКД.
-
Составить уравнения по законам Кирхгофа для токов в интегро-дифференциальной и символической формах.
-
Применить один из методов расчета линейных электрических цепей. Определить комплексные действующие токи во всех ветвях цепи. Записать выражения для мгновенных значений токов. Частота тока во всех вариантах
-
ƒ= 400 Гц.
-
Построить топографическую диаграмму для цепи, совмещенную с векторной диаграммой токов.
-
Обозначить произвольно начала двух катушек в любых двух ветвях и предусмотрев взаимную индуктивную связь М между ними, записать уравнения, составленные по законам Кирхгофа в интегро-дифференциальной и в символической формах.
-
Определить показания ваттметра цепи.
P=Re
УСЛОВИЯ К ЗАДАНИЮ №2.
Таблица 2.1
ЗНАЧЕНИЯ ПАРАМЕТРОВ ЦЕПИ
| L1 L2 L3 мгн | С1 С2 С3 мкф | R1 R2 R3 Ом | Й1 Еs2 Й2 Еs2 Й3 ES3 В/град | г, Гц | ||||||||||||||
| 7 | 8 | 7 | 5 | 4 | 5 | 2 | 0 | 8 | 14/45 | 20/0 | 10/60 | 50/30 | 50/0 | 18/90 | 400 | |||
Таблица 2.2
ЛОГИЧЕСКОЕ СОДЕРЖАНИЕ ЭЛЕКТРИЧЕСКОЙ ЦЕПИ
| Схема электрической цепи | |
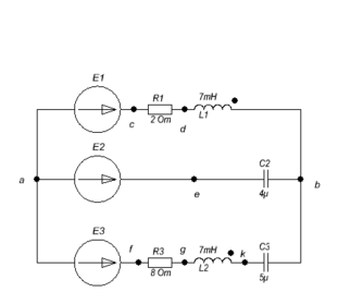
| a(Ē1"R1L1+Ē2"C2+Ē3'L3R3C3)b |
РЕШЕНИЕ:
Исходные данные
= 2 Ом;
;
=0,007 Гн;
=0,007 Гн;
=4 мкФ;
=5 мкФ;
;
;
.
Составим уравнения по законам Кирхгофа в интегро-дифференциальной и символической формах. Направление токов выберем произвольно.
Перейдем от мгновенных значений ЭДС к комплексам действующих значений.
=2∙р∙f=2∙3.14∙400=2513.27 рад/с
Интегро-дифференциальная форма.
Комплексная форма.
Где
=2+j17.59=17.7∙
= - j∙99.47=99.47∙
=8 – j61.98=62.5∙
3. Определим комплексные действующие токи во всех цепях.
Применим метод узловых потенциалов. Найдем проводимости цепей.
Пусть
, тогда по методу двух узлов(частный случай метода узловых потенциалов) имеем:
.
Теперь рассчитаем токи.
Проверим уравнения, составленные по законам Кирхгофа.
(
)∙( - j∙99.47)=-16.47-J17.675
(
Как видно, все уравнения сошлись.
4. Векторная диаграмма, совмещенная с топографической.
Найдем потенциалы остальных точек.
Небольшие неточности в неравнозначности
связаны с погрешностями расчетов.
Построим диаграмму.
5. Взаимоиндукция.
Обозначим начала катушек и запишем уравнения, составленные по законам Кирхгофа. M – взаимоиндукция.
В символической форме:
6. Определить показание ваттметра.
P=Re[
=
P=U·I·
=
=8.178 Вт.
ЗАДАНИЕ № 3
ПЕРЕХОДНЫЕ ПРОЦЕССЫ
Выписать из табл. 3.1 и 3.2 условия задания и выполнить следующее:
-
Начертить схему электрической цепи с обозначением узлов и элементов ветвей.
-
Рассчитать переходный процесс классическим и операторным методами: т.е. определить для тока в одной из ветвей и для напряжения на одном из элементов ветвей в функции времени.
-
Построить графики переходных процессов в функции времени.
-
Определить энергию, рассеиваемую на одном из резисторов цепи в переходном процессе.
Примечание: символу « K » соответствует разомкнутое состояние ключа до коммутации.
Характеристики
Тип файла документ
Документы такого типа открываются такими программами, как Microsoft Office Word на компьютерах Windows, Apple Pages на компьютерах Mac, Open Office - бесплатная альтернатива на различных платформах, в том числе Linux. Наиболее простым и современным решением будут Google документы, так как открываются онлайн без скачивания прямо в браузере на любой платформе. Существуют российские качественные аналоги, например от Яндекса.
Будьте внимательны на мобильных устройствах, так как там используются упрощённый функционал даже в официальном приложении от Microsoft, поэтому для просмотра скачивайте PDF-версию. А если нужно редактировать файл, то используйте оригинальный файл.
Файлы такого типа обычно разбиты на страницы, а текст может быть форматированным (жирный, курсив, выбор шрифта, таблицы и т.п.), а также в него можно добавлять изображения. Формат идеально подходит для рефератов, докладов и РПЗ курсовых проектов, которые необходимо распечатать. Кстати перед печатью также сохраняйте файл в PDF, так как принтер может начудить со шрифтами.
















