150517 (732757), страница 4
Текст из файла (страница 4)
Графики изменений токов цепи, сдвига фаз и напряжения на зажимах цепи при изменении частоты источника питания называются частотными характеристиками контура и показаны на рис. 4.
Рис. 3 Рис. 4
Частотные характеристики контура могут быть построены по уравнениям (3), (4), (5), (8), (9), (10).
Частотная характеристика тока позволяет определить экспериментально добротность контура
(16)
Если определить полосу пропускания частот
, пропускаемых контуром на уровне
, то добротность контура можно найти из выражения
(17)
На границе полосы пропускания сдвиг фаз между напряжением на зажимах цепи и током в ней составляет φ = ± 450. Если катушка индуктивности L имеет собственное активное сопротивление (рис. 5), то ток в ней определяется выражением
(18)
В
ычислив эквивалентные проводимости катушки
(19)
Рис. 5
перейдём к эквивалентной схеме с параллельным соединением R, L, C.
Полная активная проводимость эквивалентного параллельного контура равна сумме внешней проводимости
и собственной активной проводимости gK катушки L
(20)
Эквивалентная индуктивность такого контура
(21)
Резонансная частота контура будет зависеть от собственного сопротивления RK катушки L
(22)
При относительно малом сопротивлении катушки RK >> ωL можно пользоваться выражениями (11) – (17).
Содержание работы
Исследование электрической цепи с параллельным соединением резистора, катушки индуктивности и конденсатора при различных соотношениях индуктивного и ёмкостного сопротивлений.
Описание лабораторной установки
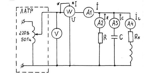
Схема экспериментальной установки для исследования электрической цепи с параллельным соединением элементов R, L, C представлена на рис. 6.
Рис. 6
В её состав входят ЛАТР (лабораторный автотрансформатор), на входных клеммах которого устанавливают напряжение U = 20 В.
Вольтметр V предназначен для измерения действующего значения напряжения, прикладываемого к электрической цепи. Амперметр А1 измеряет действующее значение тока в неразветвлённой части цепи, амперметры А2, А3, А4 измеряют действующие значения токов соответственно в резисторе (А2), конденсаторе (А3), катушке индуктивности (А4). В качестве резисторной нагрузки используется реостат (R1 = 300 Ом, 0,5 А), ёмкости С – магазин конденсаторов (С = 1 Мкф ÷ 20 Мкф), индуктивность L – катушка индуктивности (L = 50 мГн, RK = 30 Ом).
Информационно-методическое обеспечение дисциплины:
-
Нейман Л.Р., Дениргян К.С. ТОЭ. Т1, Т2. - М.: Высшая школа, 1981.
-
Бессанов Л.А. ТОЭ. Т1, Т2, Т3. - М.: Высшая школа, 1984.
-
Ионкин П.А. и др. ТОЭ. Т1. - М.: Высшая школа 1981.
-
Основы теории цепей /Г.В. Зевенс, П.А. Ионкин, А.В. Нетушин, С.В. Страхов/ М.: Высшая школа, 1989.
-
Матхомов П.Н. Основы анализа электрических цепей. Линейные цепи. – М.: Высшая школа, 1990.
-
Матхамов П.Н. Основы анализа электрических цепей. Нелинейные цепи. – М.: Высшая школа, 1990.
-
Сборник задач и упражнений по ТОЭ под ред. П.А. Ионкина. – М.: Энергоиздат, 1982.
-
Шебес М.Р. Задачник по теории линейных электрических цепей. – М.: Высшая школа, 1989.
-
Задачник по ТОЭ– М.: Энергия, 1975.















