150517 (732757), страница 3
Текст из файла (страница 3)
Полученные соотношения можно использовать для расчёта мгновенных значений напряжения и тока в последовательной цепи, питаемой от источника гармонической ЭДС.
Рассмотрим несколько примеров.
З
адана ЭДС.
Необходимо определить i(t), uR(t), uL(t), uC(t)
З
адано uC (t)
Анализ параллельной цепи переменного тока
При заданном гармоническом напряжении, ток в каждом элементе электрической цепи будет следующим:
Объединим эти элементы в параллельную цепь и зададим ЭДС источника. Неизвестный ток этого источника найдём в виде i=Im sin(ωt – φ)
Y
– полная проводимость электрической цепи;
g – активная проводимость;
bL – bC – реактивная проводимость.
Напряжения, сопротивления и проводимости R, L, C при синусоидальном токе i = Im sinωt
| R | L | C |
|
|
|
|
Таблица. Описание элементов R, L, C в комплексной форме.
| | | | |
| | | | |
Основные формулы для расчёта цепей с последовательным и параллельным соединением элементов R, L, C
| Последовательное соединение | Параллельное соединение |
| | |
Цель работы – исследование электрической цепи с последовательным соединением элементов R, L, C при различных соотношениях индуктивного и емкостного сопротивлений.
Общие сведения
В работе сначала определяются параметры катушки методом амперметра, вольтметра и ваттметра при питании напряжения частоты f1 = 50 Гц.
Схема для определения параметров катушки показана на рис. 1
Рис. 1
По изменённым значениям тока IK, напряжения UK и мощности PK можно определить полное, активное и индуктивное сопротивления катушки по формулам
,
,
, (1)
а также индуктивность и сдвиг по фазе между напряжением и током
;
(2)
- угловая частота.
При последовательном соединении элементов R, L, C полное сопротивление цепи определяется выражением
(3)
где R – активное сопротивление цепи;
x – реактивное сопротивление цепи.
Реактивное сопротивление цепи при этом определяется выражением
(4)
где xL = ωL – индуктивное сопротивление цепи;
xC = 1/ωC – емкостное сопротивление цепи.
Действующее значение тока в цепи определяется выражением
(5)
где U – действующее значение напряжения на зажимах цепи.
При последовательном соединении R, L и C при определённых значениях xL и xC имеет место явление, называемое резонансом напряжения.
Резонансом напряжений называется такое состояние электрической цепи при последовательном соединении элементов R, L, C (рис. 2), когда сдвиг по фазе между напряжением на зажимах цепи и током в ней равен нулю, при этом xL = xC [1,2].
Напряжение на активном сопротивлении совпадает по фазе с током и равно
(6)
Напряжение на емкости отстаёт от тока по фазе на 900
(7)
Напряжение на индуктивности опережает ток на 900
(8)
Средняя мощность, расходуемая в цепи, определяется по формуле
(9)
Сдвиг фаз между напряжением на зажимах цепи и током в ней определяется выражениями:
;
;
(10)
При резонансе cosφ = 1, а ток в цепи достигает максимального значения.
Если катушка индуктивности L имеет собственное сопротивление RL, то падение напряжения на ней равно
(11)
При этом полное активное сопротивление цепи будет равно сумме внешнего сопротивления R1 и собственного сопротивления катушки RL
Векторная диаграмма напряжений и тока в цепи при индуктивном характере нагрузок показана на рис. 3.
П
ри резонансе φ = 0, и, следовательно, xL = xC. При постоянных L и C это равенство имеет место на резонансной частоте
или
(12)
Резонансное значение тока в цепи
(13)
Рис. 3
Напряжение на активном сопротивлении R при резонансе равно напряжению источника питания.
(14)
Напряжение на емкости и на индуктивности при резонансе равны между собой
(15)
где
- добротность контура;
- волновое или характеристическое сопротивление контура.
Средняя мощность при резонансе
(16)
Векторная диаграмма напряжений и токов при резонансе напряжений показана на рис. 4. Настроить цепь в резонансе с частотой источника питания можно также изменением индуктивности на ёмкости. Графики изменений тока в цепи, сдвига фаз и напряжений на элементах схемы при изменении частоты источника питания называются амплитудно-частотной (АЧХ) и фазо-частотной (ФЧХ) характеристиками контура и показаны на рис. 5.
Частотные характеристики могут быть построены по уравнениям (3) ÷ (12). Из выражения (5) следует
(17)
Максимумы UL и UC достигаются при частотах, отличных от резонансной частоты ωР. UL max наступает при частоте
, а UC max – при частоте
Частотная характеристика тока позволяет экспериментально определить добротность контура.
Если определить полосу частот
, пропускаемых контуром на уровне
, то добротность контура может быть найдена из выражения
(18)
На границах полосы пропускания сдвиг фаз между напряжением на зажимах цепи и током в ней составляет φ = ± 450.
Содержание работы
-
Определение параметров катушки индуктивности методом амперметра, вольтметра и ваттметра при питании напряжением частоты 50 Гц.
-
Исследование электрической цепи с последовательным соединением резистора, катушки индуктивности и конденсатора при различных соотношениях индуктивного и емкостного сопротивлений.
Описание лабораторной установки
Схема экспериментальной установки для исследования электрической цепи с последовательным соединением элементов R, L, C представлена на рис. 6.
Рис. 6
В её состав входят ЛАТР (лабораторный автотрансформатор), на выходных клеммах которого устанавливается напряжение U = 40 В.
Вольтметр V1 предназначен для измерения действующего значения напряжения, прикладываемого к электрической цепи; соответственно измеряет действующие значения напряжения на элементах R, L, C.
Амперметр А измеряет действующее значение тока в цепи. В качестве R1 используется реостат (Rреост = 30 Ом, 5 А), емкости С – магазин емкостей
(С = 1 мкФ ÷ 20 мкФ), индуктивности L – катушка индуктивности (с параметрами L и RL, определяемыми экспериментально).
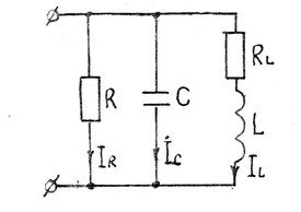
Цель работы – исследование электрической цепи с параллельным соединением элементов R, L, C при различных соотношениях индуктивного и емкостного сопротивлений.
Общие сведения
При параллельном соединении элементов R, L, C (рис. 1) полная проводимость равна
(1)
где g = 1/R – активная проводимость цепи;
b – реактивная проводимость цепи.
Реактивная проводимость цепи при этом определяется выражением
(2)
Рис. 1
Ток в цепи определяется выражением
(3)
Ток в активной проводимости совпадает с напряжением по фазе
(4)
Ток в ёмкости определяет напряжение по фазе на 900
(5)
Ток в индуктивности отстаёт от напряжения по фазе на 900
(6)
Средняя активность мощность, расходуемая в цепи
(7)
Сдвиг фаз между напряжением U на зажимах цепи и током I в ней определяется выражениями
(8)
(9)
Векторная диаграмма напряжения и токов в цепи показана на рис. 2 (при bC > bL).
Р
езонансом токов называется такое состояние электрической цепи при параллельном включении элементов R, L, C, когда сдвиг по фазе между напряжением на зажимах цепи и током в ней равны нулю, при этом bC = bL, а ток в неразветвлённой цепи имеет наименьшее значение.
При постоянных значениях L и C резонансная частота определяется выражением
Рис. 2
(11)
Резонансное значение тока в цепи
(12)
Ток в активной проводимости при резонансе равен полному току
(13)
Токи в ёмкости и индуктивности при резонансе равны между собой
(14)
где
- добротность контура;
- волновая и характеристическая проводимость контура.
Средняя мощность при резонансе
(15)
Векторная диаграмма напряжения и токов при резонансе токов показана на рис. 3.
Настроить цепь в резонанс с частотой источника питания можно изменением индуктивности или ёмкости, а также с помощью изменения частоты источника питания.















