150304 (732686)
Текст из файла
Тема
З’єднання та відгалудження жил проводів та кабелів
ЗМІСТ
І. Загальні відомості про кабельні лінії
ІІ. З'єднання, відгалуження та окінцювання алюмінієвих і мідних струмопровідних жил проводів і кабелів
ІІІ. Послідовність операцій під час з'єднування і відгалуження жил кабелів
ІV. Заходи безпеки при монтажі кабельних ліній
Список використаниої літератури
І. Загальні відомості про кабельні лінії
Кабелі прокладають на опорних конструкціях, лотках (у виробничих приміщеннях, тунелях); по стінах будинків і споруд; у траншеях і блоках (по території підприємства або міста).
Монтаж кабелів у траншеях найпоширеніший і найлегший у виконанні, оскільки при цьому основна робота зводиться до риття траншей та вкладання в них кабелів. Недоліком цього способу є можливість механічного пошкодження кабелів, які знаходяться в землі, і нещасних випадків з людьми під час виконання земляних робіт на кабельній трасі або поблизу неї.
Більш надійно захищеною є кабельна лінія, розташована в блоках з азбестоцементних труб або бетонних блоків, проте таке прокладання кабелів складніше і веде до суттєвого збільшення вартості лінії. Крім того, внаслідок менш сприятливих умов охолодження допустимі струмові навантаження кабелів, що знаходяться в блоках, нижчі, ніж у кабелів, прокладених відкрито або в землі.
Жили кабелю нагріваються струмом. При цьому відбувається розрідження і необоротне переміщення розчину, яким просочений кабель. З усіх матеріалів, що входять до конструкції кабелю, просочувальний розчин має найбільший коефіцієнт об'ємного розширення, і тому при нагріванні струмопровідних жил у кабелі створюється надлишковий тиск, який може за певних умов призвести до розтягування його оболонки і збільшення її об'єму до небезпечної величини. Крім того, в кабелі, прокладеному похило або вертикально, під дією сил гравітації стікає просочувальний розчин, внаслідок чого в нижній частині кабелю накопичується надлишкова кількість просочувального розчину, а у верхній можуть утворюватися пустоти, які заповнюються газовими включеннями. Внаслідок такого переміщення просочувального розчину погіршується ізоляція у верхній частині кабелю, а в нижній зростає тиск — створюється загроза розтягання і навіть розриву оболонки кабелю. Слід також дотримуватися передбачуваних проектом і приписуваних директивними вказівками мінімальних відстаней від кабельної лінії до найближчих будівель, підземних споруд та різноманітних комунікацій (водопровід, газопровід, каналізація, труби теплофікаційної мережі тощо).
Відстань між кабелем і фундаментами будинків повинна становити не менше 0,6 м, а між силовими кабелями і кабелями зв'язку — 0,5 м. Прокладання кабелів паралельно трубопроводам по вертикалі не допускається.
Дозволяється розміщувати кабелі паралельно трубопроводам у горизонтальній площині за умови, що відстань між кабелем і трубопроводами становитиме, не менше: 0,5 м — у разі прокладання паралельно трубопроводам усіх призначень, крім нафтопроводів, газопроводів і теплопроводів; 1,0 м — у разі прокладання паралельно нафтопроводам і газопроводам.
Кабелі, які знаходяться на відстані від трубопроводів меншій від зазначеної вище (але не менше 0,25 м), повинні бути захищені азбестоцементними або гончарними трубами.
Кабелі, що розташовуються даралельно теплопроводам, повинні бути віддалені від останніх не менше ніж на 2 м. Ця відстань може бути зменшена за умови, що теплопровід має ізоляцію, яка забезпечує нагрівання грунту в місці проходження кабелю не більше ніж на 10 °С будь-якої пори року.
Кабель, який перетинає теплопровід, повинен бути віддалений від останнього не менше ніж на 0,5 м. При цьому теплопровід на ділянці перетинання плюс по 2 м в кожний бік від крайніх кабелів повинен бути ізольований так, щоб температура грунту не перевищувала найвищу літню температуру більше ніж на 10 °С і найнижчу зимову —більше ніж на 15 °С.
Перетинання кабелем електрифікованих залізниць і тих, які підлягають електрифікації, повинні бути виконані в ізолюючих блоках і трубах. Ділянка перетинання повинна бути віддалена від стрілок, хрестовин та місць приєднання до рейок відсмоктувальних кабелів не менше ніж на: 3 м — для трамвайних ліній і не-електрифікованих залізниць; 10 м — для електрифікованих залізниць.
У випадку перетинання кабельними лініями трубопроводів, у тому числі нафтопроводів, відстань між кабелем і трубопроводом повинна становити не менше 0,5 м.
ІІ. З'єднання, відгалуження та окінцювання алюмінієвих і мідних струмопровідних жил проводів і кабелів
Надійна робота електроустановок значною мірою залежить від якості виконання з'єднань, відгалужень, окінцювання та приєднання проводів. З'єднання, відгалуження, окінцювання та приєднання повинні бути механічно міцними, мати малий електричний опір і залишатися справними за умов нагрівань і охолоджень, що часто виникають внаслідок різких змін струмових навантажень у мережі. Ці вимоги забезпечуються чітким дотриманням технології монтажу, а також правильним вибором застосовуваних з'єднувальних деталей та робочого інструменту.
Основними способами з'єднування і окінцювання алюмінієвих та мідних струмопровідних жил проводів і кабелів є опресовування і зварювання — електричне, газове або термітне. В деяких випадках застосовують і паяння струмопровідних жил проводів і кабелів, яке хоча й створює надійне з'єднання, проте вимагає більших витрат часу і припою, що дорого коштує. Вибір способу окінцювання, з'єднування і відгалуження залежить в основному від матеріалу проводів (алюміній або мідь), оскільки фізичні властивості алюмінію суттєво відрізняються від фізичних властивостей міді.
Останнім часом більшість електропроводок виконують проводами з алюмінієвими жилами. Це пояснюється тим, що алюміній менш дефіцитний, проводи і кабелі з алюмінієвими жилами дешевші від мідних і мають меншу масу. Разом з тим алюміній має деякі фізико-механічні властивості, які потребують дотримання особливих умов під час з'єднування алюмінієвих проводів між собою або з мідними проводами і контактами.
Однією з негативних властивостей алюмінію є швидке окислення при сполученні з повітрям і утворення на його поверхні тугоплавкої (з температурою плавлення близько 2000 °С) плівки оксиду, який погано проводить електричний струм і тому перешкоджає створенню щільного контакту. Крім того, під час контакту алюміній — мідь утворюється «гальванічна пара», внаслідок чого алюміній, зазнаючи електрокорозії, руйнується, що призводить до поступового погіршення з'єднання. Для запобігання погіршенню і руйнуванню контактних з'єднань алюміній захищають від окислення, змащуючи з'єднання в процесі монтажу кварцовазе-ліновою або цинковазеліновою пастою, а також вкриваючи готові з'єднання лаками (асфальтовим, гліфталевим, полівінілхлорид-ним).
Наявні в пласті тверді часточки руйнують плівки оксидів, що утворюються на контактних поверхнях, а вазелін перешкоджає надходженню повітря до контактних поверхонь і таким чином запобігає їх окисленню та утворенню на них плівок.
З'єднування і відгалуження однодротяних алюмінієвих проводів і кабелів перерізом до 10 мм2 опресовуванням
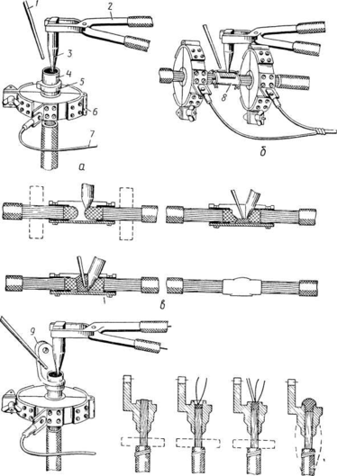
З'єднування і відгалуження однодротяних алюмінієвих жцл перерізом^ до 10 мм2 виконують опресовуванням в алюмінієвих гільзах місцевим вдавлюванням гільзи в одному або двох місцях за допомогою кліщів ПК-2 або гідравлічних кліщів ГКМ Після опресовування з'єднання вкривають шаром асфальтового або гліфталевого лаку, а потім ізолюють липкою стрічкою впівнапуску і вдруге вкривають лаком для запобігання доступу повітря й вологи. Операції опресовування проводів кліщами ГКМ зображені на рис. 1.1, а-д.
Рис. 1.1 З'єднування одножильних алюмінієвих проводів
опресовуванням у гільзі:
а - підготовка проводів до однобічного опресовування,
б - те саме, для двобічного опресовування,
в - момент опресовування кліщами ГКМ,
г - опресовані з'єднання д - готові з'єднання,
1 - гільза ГАО, 2 - кліщі ГКМ, З - пластмасовий ковпачок,
4 - липка полівшілхлоридна стрічка
Під час опресовування алюмінієвих жил проводів і кабелів обов'язково застосовують кварцовазелінову або цин-ковазелінову пасту. Цинковазелінова паста токсична, тому слід запобігати потраплянню її в їжу, на пошкоджені ділянки шкіри обличчя й рук та в очі.
З'єднування і відгалуження однодротяних алюмінієвих проводів і кабелів перерізом 2,5-10 мм2 паянням і зварюванням
Паяння є одним з найнадійніших, але трудомістких способів з'єднування. Для паяння алюмінієвих проводів застосовують припій марки А.
З кінця кожного із з'єднуваних проводів, які підлягають паянню, видаляють ізоляцію, ретельно зачищають їх сталевою щіткою або ножем і з'єднують внапуск подвійним скручуванням так, щоб утворився жолоб (рис. 57, а). Потім нагрівають проводи паяльною лампою або гасовим пальником до температури, близької до температури плавлення алюмінію (860°С), і з натиском натирають паличкою припою ділянку з'єднання, щоб зняти тугоплавку плівку оксиду, яка утворилася на поверхні проводу. Припій, що плавиться при цьому, повинен заповнити жолобок між двома проводами. Пропаявши провід з одного боку жолобка, операцію паяння повторюють на його другому боці. Ділянку з'єднання протирають чистою ганчіркою, змоченою в бензині, а потім вкривають шаром гліфталевого або полівінілхлоридного лаку і ізолюють липкою стрічкою. Ізольовану ділянку з'єднання вкривають шаром лаку.
Рис. 1.2 З'єднування алюмінієвих жил перерізом до 10 мм2:
а - паянням; б - зварюванням в обоймі за допомогою кліщів з вугільними електродами, 1 - газовий пальник, 2 - паличка припою, З - плоскогубці, 4 - кліщі з вугільними електродами
За Будівельними нормами і правилами (БНіП, розд. VI — «Електротехнічні пристрої») з'єднування і відгалуження алюмінієвих жил перерізом від 2,5 до 10 мм2 рекомендується здійснювати переважно зварюванням.
Електрозварювання проводів здійснюють в обоймі за допомогою кліщів та вугільних електродів із застосуванням флюсу або без нього.
У разі зварювання без застосування флюсу (рис 1.2, б) звільнені від ізоляції і зачищені кінці проводів обтискують за допомогою плоскогубців обоймою із куска штабової сталі розміром 20X160 і завтовшки 0,8—1 мм так, щоб кінці зварюваних проводів виступали з обойми на 3—4 мм, а потім зварюють у полум'ї дуги, утвореної між вугільними електродами кліщів, приєднаних до зварювального трансформатора. Після остигання металу знімають обойму, зачищають сталевою дротяною щіткою з'єднані кінці і вкривають їх гліфталевим або асфальтовим лаком, розгинають жили (якщо електропроводка відкрита), а потім ізолюють з'єднання ізоляційною стрічкою або вініпластовим ковпачком і вдруге вкривають лаком.
Зварювання із застосуванням флюсу відрізняється від способу електрозварювання без застосування флюсу лише тим, що зварювані кінці проводів скручують разом, вкривають флюсом і, не розміщуючи їх в обоймі, сплавлюють у полум'ї дуги між вугільними електродами кліщів.
З'єднування і відгалуження багатодротяних алюмінієвих проводів і кабеліз перерізом понад 16 мм2 зварюванням
Алюмінієві багатодротяні проводи великих перерізів (16— 240 мм2) з'єднують встик електрозварюванням за методом контактного розігрівання або термітним зварюванням.
Електрозварювання. Звільняють ділянку жили від ізоляції і промивають бензином. Потім, встановивши жилу вертикально, надягають на неї обидві половинки рознімної форми 4 (рис. 1.3, а) (вугільної або сталевої) і скріплюють їх сталевим хомутиком 5 або дротяним бандажем. Верхні краї форми повинні виступати на 1—2 мм над торцем зварюваної жили; нижню частину форми підмотують азбестовим шнуром 01—1,5 мм. Безпосередньо під формою, на очищеній від ізоляції жилі, закріплюють охолоджувач 6. Кінці проводів, які йдуть від електротримача і охолоджувача, приєднують до зварювального трансформатора потужністю не менше 1,5 кВ-А і, змастивши торець жили флюсом, приступають до зварювання. Для цього притискують закріплений в електротри-мачі 2 вугільний електрод 3 до торця жили і тримають у такому положенні до сильного нагрівання та появи перших ознак її плавлення.
У подальшому, повільно переміщуючи електрод по торцю жили, розплавляють усі дротики жили і в отриманий розплав вводять обмазаний флюсом присаджувальний алюмінієвий пруток 1. Розплавляючись, присаджувальний пруток заповнює форму вщерть Після остигання металу знімають з жили форму і охолоджувач, а утворений монолітний зварений кінець жили очищають сталевою щіткою від шлаку та залишків флюсу. Підготовлені до з'єднування таким чином кінці жил вкривають флюсом і вкладають з незначним зазором між торцями в горизонтально розташовану з'єднувальну або відгалужувальну жолобчасту форму, яку потім прикріплюють до проводів дротом.
З обох боків форми S, на очищених від ізоляції ділянках встановлюють охолоджувачі і підключають їх до зварювального трансформатора (рис. 1.3, б). Почергово торкаючись електродом торців зварюваних жил, розплавляють їх, а потім вводять у форму обмазаний флюсом присаджувальний пруток і також розплавляють, продовжуючи зварювання до заповнення розплавом алюмінію всієї форми й утворення над формою сферичного наплаву заввишки 1-2 мм. Знявши форму і охолоджувачі, обпилюють ділянку зварювання напилком і, вкривши асфальтовим або гліфталевим лаком, ізолюють, а потім ізоляцію вкривають лаком. Послідовність операцій зварювання з'єднуваних жил проводів зображено на рис. 1.3, в.
Характеристики
Тип файла документ
Документы такого типа открываются такими программами, как Microsoft Office Word на компьютерах Windows, Apple Pages на компьютерах Mac, Open Office - бесплатная альтернатива на различных платформах, в том числе Linux. Наиболее простым и современным решением будут Google документы, так как открываются онлайн без скачивания прямо в браузере на любой платформе. Существуют российские качественные аналоги, например от Яндекса.
Будьте внимательны на мобильных устройствах, так как там используются упрощённый функционал даже в официальном приложении от Microsoft, поэтому для просмотра скачивайте PDF-версию. А если нужно редактировать файл, то используйте оригинальный файл.
Файлы такого типа обычно разбиты на страницы, а текст может быть форматированным (жирный, курсив, выбор шрифта, таблицы и т.п.), а также в него можно добавлять изображения. Формат идеально подходит для рефератов, докладов и РПЗ курсовых проектов, которые необходимо распечатать. Кстати перед печатью также сохраняйте файл в PDF, так как принтер может начудить со шрифтами.












