150236 (732650)
Текст из файла
Тема: Динамічне гальмування асинхронного двигуна на прикладі фрезерного деревообробного верстата
Зміст
Вступ
Розділ I. Електрообладнання верстата ФВ та ФСШ
Розділ IІ. Електрична схема верстата ФВ та ФСШ при 380 В
Розділ IІІ. Будова і принцип дії апаратури управління
Розділ IV. Загальні відомості про асинхронні двигуни
Розділ V. Обслуговування електродвигунів
Розділ IV. Безпека праці
Список використаної літератури
Вступ
Технологія виробничого процесу промислових підприємств висуває різні вимоги до системи керування двигунами робочих механізмів. При цьому виникає необхідність у найрізноманітніших схемах керування, що забезпечують в одному випадку, гальмування електродвигуна, в іншому — визначену послідовність включення окремих двигунів, у третьому - своєчасні перерви в їхній роботі й ін.
Велике значення мають блокування між окремими вузлами, що виключають можливість неправильних включень електродвигунів. У ряді випадків виникає необхідність включення двигунів поштовхами, що, зокрема, властиво настановному і налагоджувальному режимам.
Електричні апарати здійснюють керування потоком енергії від джерела до приймача. Вони застосовуються в системах виробництва і розподілу електричної енергії й енергопостачання у всіх областях народного господарства, у схемах автоматичного і неавтоматичного керування електричними машинами і різноманітним устаткуванням.
Поряд з електричними машинами електричні апарати є основними засобами електрифікації й автоматизації. Вартість їх нерідко виявляється порівнянної з вартістю керованих ними електричних машин і устаткування або навіть перевищує неї. Електричні апарати складають самостійну і велику область електротехніки, до якої відноситься більшість засобів автоматики.
Науково-технічний прогрес безпосередньо зв'язаний з електроозброєністю виробництва, гак як продуктивність праці пропорційна його електроозброєності. Простий ріст кількості апаратів, що випускаються, не забезпечує темпи електрифікації країни. Необхідно безперервне їхнє удосконалювання на основі розвитку загальної теорії електроапаратобудування, поглиблення представлений про фізика явищ, що протікають в електричних апаратах, і уміння застосовувати закони електротехніки при їхньому проектуванні. При зниженні матеріалоємність електричних апаратів і працевтрат на їхнє виготовлення потребує підвищення рівнів їхніх напруг і струмів, швидкодії, надійності і ресурсу.
Розділ І. Електрообладнання верстата ФВ та ФСШ
Рис. 1. Схема розташування електрообладнання
Перелік до принципової схеми вказано у таблиці 1.
Таблиця 1.
| Позначення | Найменування | Тип | 220В | 380В | Примітки |
| М | Електродвигун з лівим розташуванням коробки виводов для верстатів моделей ФС, ФСШ N-3,3/4,1 квт п = 1500/3000 об/хв | А02-41-4/2УЗ | 1 | 1 | |
| В1 | Автомат змінного струму з відсіченням 14 1н, кріплення за панеллю на струм: 12,5 А 16 А В2, ВЗ, Мікроперемикач | АК63-ЗМ | 1 | 1 | |
| В2,В3 | Мікроперемикач МРТУ 16-526 012-65 ісп. 5 | МП230-2У2 | 4 | 4 | |
| В5,В6 | |||||
| Д1 | Вентиль кремнієвий | В-50-7 | 4 | 1 | |
| В4 | Перемикач исполне¬ние по довжині валу III МРТУ 16-526 013-65 | ПКП25-2-115УЗ | 1 | 1 | |
| R1 | Поле опору Резистор 1 ом 10% ГОСТ 6513-66 | НС4Н-1.45 ПЭ-150 | 3 | 4 | |
| Р1 | Магнітний пускач Р2 (110-2Н.0+2НЗ) МРТУ 16-529.008-65 | ПМЕ-211У4 | 2 | 2 | |
| Р2 | 1 | 1 |
| Р4 | Р4 Реле часу пневматі-чеськоє з котушкою на 110в | РВП22-Э122-00У4 | 1 | 1 | |
| КнС | Кнопка управління ісп. 2 кр. ТУ 16-526.007-71 | КЕ 04 1У2 | 1 | 1 | |
| КнП | Кнопка управління ісп. 2 чер. ТУ 16-526.007-71 | КЕ 03 1У2 | 1 | 1 | |
| Л1 | Світильник верстатний | НКС01Х Х100/П0О-01 | 1 | 1 | |
| В5 | |||||
| Пр1 | Запобіжник різьбовий з плавкою вставкою ПВД-4 МРТУ 16-522.011-67 | 2 | 2 | ||
| Пр2 | |||||
| Р5 | Реле теплове струмове Р6 двополюсне з нагревательним елемєї струм: 8А 12,5А | ТРН-25 ТРН-25 | 2 | 2 | |
| Р6 | |||||
| Тр1 | Трансформатор однофазний ісп. 220 або 380 (5-22-110) 24 ТУ 16-517.259-72 | ТБСЗ-0.16УЗ | 1 | 1 | |
| Тр2 | ТБСЗ-0.4УЗ | 2 | |||
| Л2 | Сигнальна арматура | AC0 | 1 | 1 | |
| Л2 | Лампа ГОСТ2204-69 | МН6,3-0,22 | 1 | 1 | |
| Л1 | Лампа ТУ 16-535 | М024Х40 | 1 | 1 |
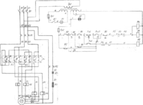
Розділ IІ. Електрична схема верстата ФВ та ФСШ при 380 В
Р
ис. 2. Схема електрична принципова верстата ФВ та ФСШ при 380 В
Пуск електродвигуна відбувається кнопкою КнП пуск яка замикає коло котушки контактора Р1 та Р4 реле часу. Зупинка двигуна здійснюється кнопкою КнС Стоп. При цьому реле часу через деякий час здійснює включення пускача Р2 який здійснює динамічне гальмування електродвигуна М за допомогою кремнієвого вентиля Д1 та поля опору R1.
За допомогою перемикача В4 здійснюємо переключення обертів електродвигуна М з 1500 на 3000 об/хв.
З
| Поз позначення | Найменування апарату | |
| R1 | Резистор | |
| B1 | Автомат | |
| B2,B3,B5,B6 | Мікроперемикач | |
| B4 | Перемикач | |
| Д1 | Вентиль кремнієвий | |
| КнС | Кнопка керування «стоп» | |
| КнП | Кнопка керування «пуск» | |
| Л1,В7 | Світильник верстатний | |
| М | Електродвигун | |
| Пр1,Пр2 | Запобіжник різьбовий | |
| Р1,Р2 | Пускач магнітний | |
| Р4 | Реле | |
| Р5,Р6 | Реле теплове | |
| Тр1 | Трансформатор | |
| Л2 | Арматура сигнальна | |
Діаграма перемикача В4
| Схема обмоток | ∆ | Y Y | |
| З’єд- Нання рукоятки | 0 | 1 | 2 |
| 63-А4(1-2) | - | Х | - |
| 63-А5(3-4) | - | - | Х |
| С4-А4(5-6) | - | - | Х |
| С4-4С2(7-8) | - | - | Х |
| В3-4С2(9-10) | - | Х | - |
| В3-2С2(11-12) | - | - | Х |
| С4-А3(13-14) | - | Х | - |
| С5-А3(15-16) | - | - | Х |
В електросхемі передбачені блокувальні пристрої В2, В3, В5, В6, які здійснюють відключення верстата при відчиненні дверей електрошафи та при проведенні пусконалагоджувальних робіт.
Мережа керування електродвигуном живиться від трансформатора напруги Тр1. Захист кола керування та освітлювання верстата Л1 здійснюється запобіжниками Пр1 і Пр2. В коло керування включена сигнальна лампа Л2.
Рис. 3. Схема керування пуском і динамічним гальмуванням асинхронного двигуна з короткозамкненим ротором.
Характеристики
Тип файла документ
Документы такого типа открываются такими программами, как Microsoft Office Word на компьютерах Windows, Apple Pages на компьютерах Mac, Open Office - бесплатная альтернатива на различных платформах, в том числе Linux. Наиболее простым и современным решением будут Google документы, так как открываются онлайн без скачивания прямо в браузере на любой платформе. Существуют российские качественные аналоги, например от Яндекса.
Будьте внимательны на мобильных устройствах, так как там используются упрощённый функционал даже в официальном приложении от Microsoft, поэтому для просмотра скачивайте PDF-версию. А если нужно редактировать файл, то используйте оригинальный файл.
Файлы такого типа обычно разбиты на страницы, а текст может быть форматированным (жирный, курсив, выбор шрифта, таблицы и т.п.), а также в него можно добавлять изображения. Формат идеально подходит для рефератов, докладов и РПЗ курсовых проектов, которые необходимо распечатать. Кстати перед печатью также сохраняйте файл в PDF, так как принтер может начудить со шрифтами.















