150072 (732580)
Текст из файла
Федеральное агентство по образованию и науки РФ
Дагестанский государственный технический университет
Реферат
По дисциплине:
"МАП"
Тема:
"Анализ способов защиты и хищения информации в счетчиках электрической энергии"
Выполнил: Студент 5 курса
гр. У-631
Ухмусултанов К.А.
Проверил: Магомедов И.А.
Махачкала 2010 г.
Содержание
Введение
1. Технические способы хищения электроэнергии
1.1 Способ "Ноль"
1.1.1 Для однофазных счетчиков
1.1.2Для трехфазных счетчиков
1.1.3 Экономия 30,60,100%
1.2 Способ "Генератор"
1.2.1 Детали и конструкция
1.2.2 Наладка
1.3 Способ "Фаза розетка"
2. Меры по обнаружению и предотвращению хищения электроэнергии
Введение
Один из главных показателей эффективной деятельности энергосистемы - уровень коммерческих потерь в электрических сетях. Эти потери являются прямым следствием недоучета и хищений электроэнергии, захлестнувших в последние годы предприятия электросети. Практика показывает, что львиная доля таких потерь приходится на бытовой и мелкомоторный сектор электропотребления.
Большинство способов хищений электроэнергии базируется на несовершенстве приборов учета. Поэтому важно использовать электросчетчики, гарантирующие наибольшую точность измерения. Выпуская широкий ассортимент приборов и средств учета электроэнергии, компания постоянно работает над повышением точности и надежности производимой техники и добилась значительных успехов в этом направлении. Специалисты Концерна на основе анализа существующих способов хищений выявили "слабые места" приборов учета. Новые конструктивные решения позволили сделать электросчетчики практически неуязвимыми для многих приемов "народных умельцев".
Многие способы хищений опираются на узкий нормируемый диапазон электросчетчика по току нагрузки. Этот конструктивный недостаток характерен прежде всего для индукционных электросчетчиков, у которых диапазон по току нагрузки составляет от 5 до 400%. Электронные счетчики обеспечивают более высокую точность и достоверность учета. Для электросчетчиков Концерна - однофазных ЦЭ6807Б, ЦЭ6827 и трехфазных ЦЭ6803В, ЦЭ6804, ЦЭ6828 - нормируемый диапазон по току нагрузки составляет от 1% до 1000% Iном, и это при 50% -ном запасе погрешности измерения во всем диапазоне токов нагрузки.
Применение бытовой аппаратуры, в состав которой входят однополупериодные или несбалансированные по полуволнам нагрузки, обуславливает присутствие в токе нагрузки постоянной составляющей. По статистике, по этой причине даже при отсутствии хищений теряется от 8 до 12% электроэнергии. Если же добавляются хищения, например, путем включения части нагрузки через полупроводниковый диод, - недоучет возрастает до 45%. Использование воздушных трансформаторов, не входящих в режим однополярного насыщения, делает электросчетчики Концерна практически неуязвимыми с этой позиции.
Воздействие электромагнитных полей также может стать причиной недоучета и хищений. В электросчетчиках Концерна датчики тока и шаговые двигатели отсчетных устройств надежно защищены специальным экраном. Дополнительно в отсчетных устройствах установлена "защелка" (стопор обратного хода), не позволяющая уменьшать показания электросчетчиков.
Недоучет электроэнергии может быть обусловлен инвертированием фазы тока нагрузки относительно фазного напряжения. Этот путь хищений легко реализуется на незащищенных индукционных электросчетчиках. Специальная микросхема преобразователя мощности в электросчетчиках Концерна обеспечивает достоверный учет электроэнергии независимо от фазы тока нагрузки. Таким образом, они надежно защищены от этого способа хищения.
Источником воровства электроэнергии может стать также шунтирование датчиков тока. Здесь одинаково уязвимы как индукционные, так и электронные приборы учета. Поэтому специалистами компании были разработаны и запущены в серийное производство две модификации двухэлементных однофазных электросчетчиков ЦЭ6807Б с двумя датчиками тока (один в цепи фазы, другой в цепи нуля). Двухэлементный электросчетчик ЦЭ6807Б-Д2 сохраняет класс точности как при шунтировании токовой цепи, так и при изменении фазировки подключения. При выявлении хищения на лицевой панели счетчика появляется соответствующая индикация. В модификации ЦЭ6807Б-Д3 при попытке хищения (при разнице токов в фазной и нулевой цепи более 300 мА) электросчетчик выходит из класса точности в плюс и попытка хищения приносит потребителю убытки.
Таким образом, электросчетчики Концерна позволяют практически полностью исключить хищения, что делает продукцию компании особенно привлекательной для энергетиков. Ежегодный рост объемов продаж - лучшее тому подтверждение.
1. Технические способы хищения электроэнергии
1.1 Способ "Ноль"
1.1.1 Для однофазных счетчиков
Как известно энергия учитываемая счетчиком определяется по формуле интеграл по времени U*I*COS. В этом способе изменяют величину U напряжение на обмотке или датчике счетчика. Для этого необходимо отключить нулевой провод от счетчика. Это достигается переламыванием жилы провода, не снимая изоляции. Для того чтобы предотвратить контакт концов жилы растягивают изоляцию и через шприц заливают в место разрыва клей, герметик. По перемычке синего цвета нормальный ноль подключается к квартире. Так иногда делают электрики при поломке пакетного переключателя, на учет это не влияет, затем в нулевой провод, идущий от счетчика к нулевой колодке надо врезать сопротивление 3...15 кОм (зависит от желания, на сколько "снизить" учет и от сопротивления обмотки напряжения счетчика). Мощность сопротивления достаточна 1. .3 Вт, надежный контакт тоже не требуется. Врезку можно сделать, разрезав провод прикрутить сопротивление, все согнуть и хорошо замотать изолентой, чтобы было похоже на обычную скрутку. Изменяя величину сопротивления можно менять погрешность счетчика от 0 до - 100%. Погрешность счетчика в 99.9% при проверках не проверяется. Двух полюсный индикатор будет показывать, что ноль есть.
Данный способ пригоден абсолютно к любым однофазным счетчикам. Для реализации данного способа надо иметь доступ к проводам, а также определенные навыки в области электроники.
Рисунок 1. Хищение электроэнергии в однофазном счетчике
1.1.2Для трехфазных счетчиков
Способ основан на следующем принципе:
Обмотки напряжения в трехфазном счетчике активной энергии (в электронных конструкция другая, но принцип тот же) включены в звезду, если отключить нейтраль от центра звезды в центре все равно будет результирующий ноль, а если в ее центральную точку подать одну из фаз (на рис.3 Фазу С) то разница напряжений на концах катушки этой фазы будет равна нулю, а тж. энергия учитываемая счетчиком равна интегралу по времени произведения величин тока и напряжения (напряжение = 0) и энергия в этой фазе будет = 0. Ну а ток же, можно пропускать через измерительный элемент этой фазы любой величины счетчик не будет его учитывать.
Жила переламывается. Далее необходимо проследить, чтоб она не соединилась (изоляция остается целой).
В щит устанавливается однополюсный автомат Q желательно на ток не более 1 А и затем происходит его подключение как показано на рис.2. Провод, идущий от счетчика до автомата Q, бывает обычно либо спрятан, либо замаскирован. От автомата Q отводится провод, к которому подключается обычная розетка (желательно подальше от шита) –
Рисунок 2. Хищение информации в трехфазном счетчике
Теперь если автомат Q выключен или включен, но в розетку не чего не включено, счетчик будет работать как раньше, (нормально). Если же включить автомат Q, а потом включить в ту розетку, какой ни будь электроприбор, к примеру, приемник, лампу накаливания или просто перемычку (далее прибор) счетчик перестанет учитывать любую нагрузку в фазе, к которой подключена эта розетка в нашем случае фаза С. Теперь на эту фазу (у нас автомат Q2) можно навесить всю однофазную нагрузку дома.
Трехфазная нагрузка же будет учитываться счетчиком, как и раньше, полностью т.к напряжение на других лучах звезды (не в сети) повысится на корень из трех. В случае проверки даже если не выключить автомат Q или прибор из розетки, работник энергосбыта перед проверкой сам отключит автомат Q. Ну а если прибор выключен то и придраться к схеме не возможно.
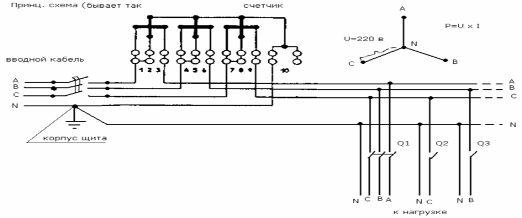
Возможно, что счетчик может быть подключен не по правилам, а именно так:
Рисунок 3. Принципиальная схема трехфазного счетчика при неправильном его подключении
Тогда делается следующее (принцип остается прежним):
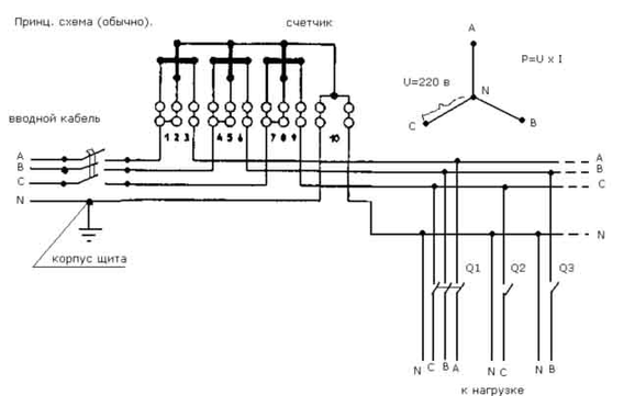
Рисунок 4. Хищение информации в трехфазном счетчики
Провода "на счетчик" и "на автомат Q" должны быть соединены между собой, но изолированы от болта и других проводов для этого применяют диэлектрические текстолитовые шайбы. В современных ЕВРО щитах можно проще реализовать этот узел.
Теперь, если есть необходимость остановить или даже отмотать счетчик необходимо в любую розетку после счетчика подключить трехфазный трансформатор (380/. .), его вторичные обмотки не задействуются.
Первичные подключаются следующим образом (стандартное подключение в "звезду"):.
Рисунок 5. Схема подключения первичных обмоток по схеме "звезда"
В нашем случае фаза "С" уже безучетна. Обмотку трансформатора, которая будет подключаться на эту фазу необходимо доработать. То есть добавить определенное количество витков.
Теперь подробнее о количестве витков: т.к их количество сильно зависит от мощности трансформатора его типа их желательно подобрать методом проб. Цель: напряжение на обмотке С (при включение трансформатора на две фазы А и В) должно быть в пределах 380 + 3. .20 в. с отводами через 2. .3 вольта. Обычно всего 30. .100 витков. Желательно все это проверить экспериментально последовательным включением и замером напряжения. Сечение провода надо взять не меньше чем тот, которым намотаны первичные обмотки.
Настройка: Переключением отводов от трансформатора необходимо добиться максимальной обратной скорости счетчика или торможения (для электронных), но при этом надо следить, чтобы трансформатор не перегревался (50. .60 градусов). Собственно мощность отмотки-остановки прямо зависит от мощности исходного трансформатора.
При отключение фазы С, трансформатор работает в холостом режиме.
Для ступенчатого переключения можно использовать пакетный переключатель, а можно один раз настроить.
Дополнение.
Существует еще ряд способов для трехфазного учета:
Если нет пломб на клеммной крышке, можно поменять местами провода на выводах 1 и 3,4 и 6,7 и 9 что будет снижать учет соответственно на 60, - 30, - 100%. Если учет косвенный, можно менять местами провода на трансформаторах тока фаз А, В, С аналогично. На прямом учете можно отвинчивать перемычки на клеммной коробке между 1 и 2,4 и 5,7 и 8.
1.1.3 Экономия 30,60,100%
Можно вывести один или несколько трансформаторов из строя. Забить тонкий гвоздь (потом вынуть) в незаметное место трансформатора, что нарушит целостность его измерительной обмотки. Экономия 30% с одного сломанного транса. Аналогично можно переломать жилу измерительных проводов идущих от трансформаторов.
Электронные счетчики обычно довольно просто выводятся из строя электрошокером, кратковременным включением очень большой нагрузки, обработкой паром на морозе, впрыскиванием внутрь не большого количества кислоты. Если есть возможность доступа в сам счетчик, можно устанавливать перемычки внутри между клеммами 1 и 3,4 и 6, 7 и 9. Экономия зависит от сечения перемычек (шунта). Можно также шунтировать трансформаторы тока.
1.2 Способ "Генератор"
Устройство предназначено для отмотки показаний индукционных электросчетчиков без изменения их схем включения. Применительно к электронным и электронно-механическим счетчикам, в конструкцию которых заложена неспособность к обратному отсчету показаний, устройство позволяет полностью остановить учет до мощности потребления в несколько кВт. При указанных на схемах элементах устройство рассчитано на номинальное напряжение сети 220 Б и мощность отмотки 2 кВт. Применение других элементов позволяет соответственно увеличить мощность.
Устройство, собранное по предлагаемой схеме, просто вставляется в розетку, и счетчик начинает считать в обратную сторону. Вся электропроводка остается нетронутой. Заземление не нужно.
Теоретические основы работоспособности устройства основаны на том, что датчики тока электросчетчиков, в том числе и электронных, содержат входной индукционный преобразователь, имеющий низкую чувствительность к токам высокой частоты. Этот факт позволяет внести значительную отрицательную погрешность в учет, если потребление осуществлять импульсами высокой частоты. Другая особенность - счетчик является реле направления мощности, т.е. если с помощью какого-либо источника (например, дизель-генератора) питать саму электрическую сеть, то счетчик вращается в обратную сторону.
Перечисленные факторы позволяют создать имитатор генератора. Основным элементом такого устройства является конденсатор соответствующей емкости. Конденсатор в течение четверти периода сетевого напряжения заражают от сети импульсами высокой частоты. При определенном значении частоты (зависит от характеристик входного преобразователя счетчика), счетчик учитывает только четверть от фактически потребленной энергии. Во вторую четверть периода конденсатор разряжают обратно в сеть напрямую, без высокочастотной коммутации. Счетчик учитывает всю энергию, питающую сеть. Фактически энергия заряда и разряда конденсатора одинакова, но полностью учитывается только вторая, создавая имитацию генератора, питающего сеть. Счетчик при этом считает в обратную сторону со скоростью, пропорциональной разности в единицу времени энергии разряда и учтенной энергии заряда. Электронный счетчик будет полностью остановлен и позволит безучетно потреблять энергию, не более значения энергии разряда. Если мощность потребителя окажется большей, то счетчик будет вычитать из нее мощность устройства.
Характеристики
Тип файла документ
Документы такого типа открываются такими программами, как Microsoft Office Word на компьютерах Windows, Apple Pages на компьютерах Mac, Open Office - бесплатная альтернатива на различных платформах, в том числе Linux. Наиболее простым и современным решением будут Google документы, так как открываются онлайн без скачивания прямо в браузере на любой платформе. Существуют российские качественные аналоги, например от Яндекса.
Будьте внимательны на мобильных устройствах, так как там используются упрощённый функционал даже в официальном приложении от Microsoft, поэтому для просмотра скачивайте PDF-версию. А если нужно редактировать файл, то используйте оригинальный файл.
Файлы такого типа обычно разбиты на страницы, а текст может быть форматированным (жирный, курсив, выбор шрифта, таблицы и т.п.), а также в него можно добавлять изображения. Формат идеально подходит для рефератов, докладов и РПЗ курсовых проектов, которые необходимо распечатать. Кстати перед печатью также сохраняйте файл в PDF, так как принтер может начудить со шрифтами.















