150072 (732580), страница 2
Текст из файла (страница 2)
Фактически устройство приводит к циркуляции реактивной мощности в двух направлениях через счетчик, в одном из которых осуществляется полный учет, а в другом - частичный.
Принципиальная схема устройства
Устройство состоит из четырех модулей, принципиальные схемы которых приведены на рис.7-10.
Интегратор (рис.7) предназначен для выделения из сетевого напряжения сигналов, синхронизирующих работу других модулей. Это прямоугольные импульсы уровня ТТЛ на выходах С1 и С2.
Фронт сигнала С1 совпадает с началом положительной полуволны сетевого напряжения, а спад - с началом отрицательной полуволны. Фронт сигнала С2 совпадает с началом положительной полуволны интеграла сетевого напряжения, а спад - с началом отрицательной полуволны. Таким образом, сигналы С1 и С2 представляют собой прямоугольные импульсы, синхронизированные сетью и смещенные по фазе относительно друг друга на угол х/2.
Сигнал, соответствующий напряжению сети, снимается с резистивного делителя Е.1.1, Е.1.3, ограничивается до уровня 5 В с помощью резистора ЕЛ.5 и стабилитрона D1.2, затем через узел гальванической развязки на оптроне ОС 1.1 подается на другие модули. Аналогично формируется сигнал, соответствующий интегралу напряжения сети. Процесс интегрирования обеспечивается процессами заряда и разряда конденсатора С1.1
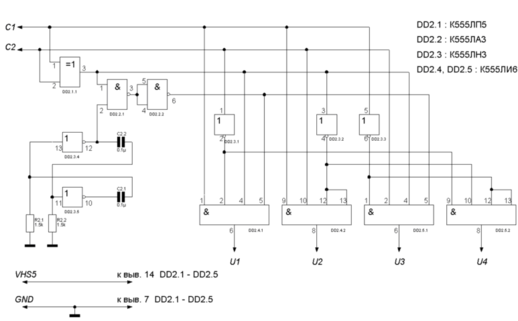
Система управления (рис.8) служит для формирования сигналов управления мощными ключевыми транзисторами рекуператора (рис.9). Алгоритм управления синхронизирован сигналами С1 и С2, получаемыми с интегратора. Для обеспечения импульсного процесса протекания энергопотребления устройством служит задающий генератор на логических элементах DD2.3.4 и DD2.3.5 Он формирует импульсы частотой 2 кГц амплитудой 5 Б. Частота сигнала на выходе генератора и скважность импульсов определяются параметрами времязадающих цепей С2.1-R2.1 и С2.2-Е.2.2 Эти параметры могут подбираться при настройке для обеспечения наибольшей погрешности учета электроэнергии, потребляемой устройством.
Логический блок системы на основе анализа сигналов С1 и С2 формирует сигналы Ul - U4, каждый из которых управляет соответствующим плечом рекуператора. В необходимые моменты времени логический блок модулирует соответствующий выходной сигнал, сигналом задающего генератора, обеспечивая высокочастотное энергопотребление.
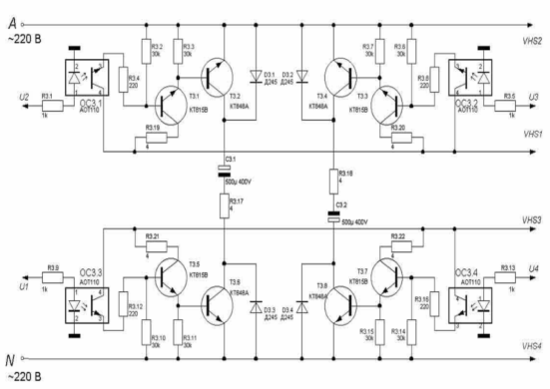
Рекуператор (рис.9) представляет собой два одинаковых канала, каждый из которых обеспечивает подключение к электрической сети отдельного накопительного конденсатора С3.1 или С3.2 Канал управления конденсатором С3.1 состоит из мощных транзисторов Т3.2, Т3.6, выпрямительных диодов D3.1, D3.3, усилительных каскадов на транзисторах Т3.1, ТЗ. З и узлов гальванической развязки от электросети на оптронах ОС3.1, ОСЗ.З. Канал управления конденсатором С3.2 построен аналогично. За счет алгоритма работы системы управления обеспечивается работа конденсатора С3.1 на положительной полуволне сетевого напряжения, а С3.2 - на отрицательной.
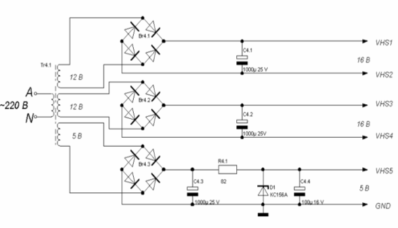
Блок питания (рис.10) построен по классической схеме. Необходимость применения трех каналов питания продиктована особенностью связи каскадов рекуператора с электрической сетью. При этом общим проводом можно лишь условно считать отрицательный полюс 5-вольтового выхода. Он не должен заземляться или иметь связь с проводами сети. Главным требованием к блоку питания является возможность обеспечить ток до 3 А на выходах 16 Б. Это необходимо для ввода мощных ключевых транзисторов в режим насыщения в открытом состоянии. В противном случае на них будет рассеиваться большая мощность, и они выйдут из строя.
1.2.1 Детали и конструкция
Микросхемы могут применяться любые: 155, 133, 156 и других серий. Не рекомендуется применение микросхем на основе МОП - структур, так как они более подвержены влиянию наводок от работы мощных ключевых каскадов.
Ключевые транзисторы рекуператора обязательно устанавливаются на радиаторах. Лучше для каждого транзистора использовать отдельный радиатор площадью не менее 100 см^. Из соображений безопасности не следует использовать металлический корпус устройства в качестве радиатора для транзисторов.
Для всех высоковольтных конденсаторов на схеме обозначено их номинальное напряжение. Конденсаторы на более низкое напряжение применять нельзя. Конденсатор С1.1 может быть только неполярным. В этом узле применение электролитического конденсатора не допускается. Схема рекуператора специально составлена для использования в качестве С3.1 и С3.2 дешевых электролитических конденсаторов, но надежнее и долговечнее всё-таки применение неполярных конденсаторов.
Резисторы: Е1.1 - ЕЛ.4 типаМЛТ-2; Е3.17 - Е3.22 проволочные мощностью не менее 10 Вт; остальные резисторы типаМЛТ-0.25.
Трансформатор Trl - любой маломощный с двумя раздельными вторичными обмотками на 12 Б и одной на 5 Б. Главное требование - обеспечить при номинальном напряжении 12В ток каждой вторичной обмотки не менее 3А.
Все модули устройства следует смонтировать на отдельных платах для облегчения последующей настройки. Устройство в целом собирают в каком-либо корпусе. Очень удобно (особенно в целях конспирации) использовать для этого корпус от бытового стабилизатора напряжения, которые в недалеком прошлом широко использовались для питания ламповых телевизоров.
1.2.2 Наладка
При наладке схемы необходимо соблюдать осторожность! Стоит помнить, что не вся низковольтная часть схемы имеет гальваническую развязки от электрической сети! Не рекомендуется в качестве радиатора для транзисторов использовать металлический корпус устройства. Применение плавких предохранителей - обязательно! Накопительные конденсаторы работают в предельном режиме, поэтому перед включением устройства их нужно разместить в прочном металлическом корпусе.
Низковольтный блок питания проверяют отдельно от других модулей. Он должен обеспечивать ток не менее 3 А на выходах 16 Б, а также 5 Б для питания системы управления.
Затем налаживают генератор, отключив силовую часть схемы от электросети. Генератор должен формировать импульсы амплитудой 5 В и частотой около 2 кГц. Скважность импульсов приблизительно 1/1. При необходимости для этого подбирают конденсаторы С2.1, С2.2 или резисторы Е2.1, Е2.2 Логический блок системы управления при условии правильного монтажа наладки не требует. Желательно только убедиться с помощью осциллографа, что на выходах Ul-U4 есть сигналы прямоугольной формы.
Интегратор проверяют двулучевым осциллографом. Для этого общий провод осциллографа соединяют с нулевым проводом электросети (N), провод первого канала подсоединяют к точке соединения резисторов Е1.1 и Е1.3, а провод второго канала - к точке соединения Е1.2 и Е1.4 На экране должны быть видны две синусоиды частотой 50 Гц и амплитудой около 150 Б каждая, смещенные между собой по оси времени на угол х/2. Далее проверяют наличие сигналов на выходах С1 и С2. Для этого общий провод осциллографа соединяют с точкой GND устройства. Сигналы должны иметь правильную прямоугольную форму, частоту также 50 Гц, амплитуду около 5 В и также должны быть смещены между собой на угол х/2 по оси времени. Если фазосмещение сигналов отличается от х/2, то его корректируют подбирая конденсатор С1.1
Настройка ключевых элементов рекуператора заключается в установке тока базы транзисторов Т3.2, Т3.4, Т3.6, Т3.8 на уровне не менее 1.5 - 2 А. Это необходимо для насыщения этих транзисторов в открытом состоянии. Для настройки рекомендуется отключить рекуператор от системы управления (выходы U1-U4), и при настройке каждого каскада подавать напряжение +5 Б на соответствующий вход рекуператора U1-U4 непосредственно с блока питания. Ток базы устанавливают поочередно для каждого каскада, подбирая сопротивление резисторов Е.3.19 - R3.22 соответственно. Для этого может потребоваться еще подбор Е.3.4, Е.3.8, Е.3.12, Е.3.16 для соответствующего каскада. После отключения напряжения на входе ток базы ключевого транзистора должен уменьшаться почти до нуля (несколько мкА). Такая настройка обеспечивает наиболее благоприятный тепловой режим работы мощных ключевых транзисторов.
После настройки всех модулей восстанавливают все соединения в схеме и проверяют работы схемы в сборе. Первое включение рекомендуется выполнить с уменьшенными значениями емкости конденсаторов С3.1, С3.2 приблизительно до 1 мкФ. Конденсаторы лучше использовать неполярные. После включения устройства дайте ему поработать несколько минут, обращая особое внимание на температурный режим ключевых транзисторов. Если все в порядке - можете устанавливать электролитические конденсаторы. Увеличивать емкость конденсаторов до номинального значения рекомендуется в несколько этапов, каждый раз проверяя температурный режим.
Мощность отмотки непосредственно зависит от емкости конденсаторов С3.1 и С3.2 Для увеличения мощности нужны конденсаторы большей емкости. Предельное значение емкости определяется величиной импульсного тока заряда. О его величине можно судить, подключая осциллограф параллельно резисторам Е.3.17 и Е.3.18. Для транзисторов КТ848А он не должен превышать 20 А. Если требуется еще большая мощность отмотки, придется использовать более мощные транзисторы, а также диоды D3.1-D3.4
Не рекомендуется использовать слишком большую мощность отмотки. Как правило, 1-2 кВт вполне достаточно. Если устройство работает совместно с другими потребителями, счетчик при этом вычитает из их мощности мощность устройства, но электропроводка будет загружена реактивной мощностью. Это нужно учитывать, чтобы не вывести из строя электропроводку.
Рисунок 6. Интегратор
Рисунок 7. Система управления
Рисунок 8. Рекуператор
Рисунок 9. Блок питания 1
1.3 Способ "Фаза розетка"
Основой данного способа является возможность пользоваться электроэнергией без учетного при неправильным подключение счетчика. То есть ели на первую клемму счетчика приходит фаза необходимо исправить это. Для этого надо выключить выключатель и поменять местами отходящие провода. Внешне это будет абсолютно незаметно. Если у пользователя электроэнергии частный дом при необходимости он может поменять местами провода на вводе в дом или на опоре. Возможно, это придется делать под напряжением или отключать воздушную линию. Данное действие не противозаконно счетчик будет продолжат работать нормально, более
того возможно при строительстве эта ошибка уже допущена (50/50). Это надо проверить в первую очередь, поднеся индикатор напряжения к первой (крайней левой) клемме счетчика. Если на крышке клеммной коробки счетчика отсутствует пломба энергоснабжающий организации, то проще всего поменять провода местами (клеммы 1 и 3) там.
Стоит обратить внимание, что если пользователю пришлось менять местами фазу и ноль ему так же придется поменять местами провод, подключенный к автоматам с проводом, идущим на нулевую клемму (после счетчика). Иначе работать все будет, но автоматы не будут защищать от коротких замыканий фазы на землю (рис.11).
Рисунок 10. Часть схемы электрических соединений щитка (местами меняются 11 и 12, 13 и 14)
Если в щите установлено УЗО его необходимо заменить на соответствующий автомат. Если у пользователя в квартире установлены евророзетки (с заземлением по настоящему) ему нужно будет убедиться что фаза приход на третью клемму, а ноль на первую. Если евророзетки отсутствуют, то ему придется делать розетку с заземлением, заземляющий контакт обычно подключают к трубе центрального отопления, корпуса электрощита или лому забитому в землю для частных домов.
Рис 11. Розетка с заземлением.
Затем проводится модификация удлинителя (с евророзетками), то есть разбирается его корпус, отключают и изолируют нулевой (обычно синий) провод, подключают перемычку между нулевыми клеммами и клеммами заземления (рис 13). После это в розетку удлинителя можно подключать любые приборы - счетчик не будет учитывать их мощность.
В случае опасности достаточно лишь отключить удлинитель из розетки, а приборы подключить к розетке и счетчик заново начнет работать.
Рис 12. Удлинитель с евророзетками после модификаций
2. Меры по обнаружению и предотвращению хищения электроэнергии
Приведенный анализ многочисленных и разнообразных способов хищения электроэнергии показывает, что все эти способы будут не только применяться в дальнейшем, но и совершенствоваться, принимая все более скрытые и изощренные формы. Для этого существуют объективные предпосылки, в т. ч. повышение стоимости электроэнергии, снижение платежеспособности населения, сравнительная простота и доступность использования рассмотренных способов хищения, несовершенство законодательной базы для привлечения расхитителей электроэнергии к ответственности и т.д.















