150040 (732568)
Текст из файла
АВТОМОБИЛЬНЫЕ ГЕНЕРАТОРЫ
Тенденции развития
Долгое время основным источником электрической энергии на автомобилях являлись генераторы постоянного тока, которые обеспечивали требования эксплуатации автомобилей выпуска до 60-х годов по максимальной мощности, характеристикам и сроку службы. Начало 60-х годов в отечественном автомобилестроении характеризовалось значительным увеличением срока службы автомобилей, снижением эксплуатационных затрат на обслуживание и ремонт, повышением требований к безопасности дорожного движения и комфорту пассажиров. В связи с этим выявилась необходимость значительного увеличения мощности генератора, срока его службы, улучшения характеристик и снижения эксплуатационных затрат. Одновременно существенно повысились требования к максимальной частоте вращения и габаритным размерам генератора исходя из условий его компоновки в ограниченном подкапотном пространстве автомобиля.
Удовлетворение указанным требованиям путем совершенствования конструкции и технологии производства генераторов постоянного тока, учитывая низкую надежность работы в эксплуатации щеточно-коллекторного узла и малый срок его службы, а также большие габариты и массу генератора, практически оказалось неосуществимо. С помощью научного поиска и исследований было определено новое направление в развитии автомобильных генераторов. Ими явились генераторы переменного тока.
Название «генератор переменного тока» несколько условно и касается в основном особенностей внутренней его конструкции, так как этот генератор имеет встроенный полупроводниковый выпрямитель и питает потребителей постоянным (выпрямленным) током.
В генераторах постоянного тока таким выпрямителем является щеточно-коллекторный узел, выпрямляющий переменный ток, полученный в обмотках якоря. Развитие полупроводниковой техники позволило применить в генераторах переменного тока более совершенный выпрямитель на полупроводниковых вентилях (диодах). При этом генератор получил качества, которые обеспечили ему широкое распространение в автомобилестроении.
Основными технико-экономическими преимуществами генераторов переменного тока перед генераторами постоянного тока являются: уменьшение в 1,8 ... 2,5 раза массы генератора при той же мощности и примерно в 3 раза расхода меди; большая максимальная мощность при равных габаритах; меньшее значение начальных частот вращения и обеспечение более высокой степени заряженности аккумуляторных батарей; значительное упрощение схемы и конструкции регулирующего устройства вследствие исключения из него элемента ограничения тока и реле обратного тока; уменьшение стоимости эксплуатационных затрат в связи с большей надежностью работы и повышенным сроком службы.
Первые автомобильные генераторы переменного тока были спроектированы для работы с отдельными селеновыми выпрямителями и вибрационными регуляторами напряжения. Селеновые выпрямители имели значительные размеры и их приходилось размещать отдельно от генератора в местах, где обеспечивалось хорошее охлаждение. Для соединения селенового выпрямителя с генератором требовалась дополнительная проводка.
Кроме того, селеновые выпрямители недостаточно теплостойки и допускают максимальную рабочую температуру не выше + 800С. Поэтому в дальнейшем селеновые выпрямители были заменены выпрямителями, состоящими из кремниевых диодов, которые более теплостойки и имеют значительно меньшие размеры, что попозволяет размещать их внутри генератора.
На смену вибрационным регуляторам напряжения пришли сначала контактно-транзисторные, а затем бесконтактные на дискретных элементах и бесконтактные интегральные регуляторы. Габариты интегральных регуляторов позволяют встраивать их в генератор, который со встроенными регулятором и выпрямительным блоком называется генераторной установкой.
Для автомобильных генераторов надежность и срок службы определяются в основном тремя факторами: качеством электрической изоляции; качеством подшипниковых узлов; надежностью щеточно-контактных устройств.
Первые два фактора зависят от уровня развития смежных производств. Третий фактор может быть исключен посредством разработки бесконтактных генераторов, имеющих более высокую надежность и, следовательно, больший ресурс, чем контактные. Это обстоятельство стимулировало создание автомобильных бесконтактных генераторов переменного тока с электромагнитным возбуждением - индукторных генераторов и генераторов с укороченными полюсами.
Индукторные генераторы нашли широкое применение на тракторах и сельхозмашинах благодаря простоте конструкции, надежности при работе в тяжелых условиях эксплуатации (пыль, грязь, влага, вибрации) и невысокой стоимости.
Применение на автомобилях существующих конструкций индукторных генераторов сдерживается из-за их основных недостатков: - невысоких удельных показателей;
- повышенного уровня пульсации выпрямленного напряжения;
- повышенного магнитного шума.
Дальнейшее совершенствование конструкции и устранение вышеперечисленных недостатков позволят применять индукторные генераторы на автомобилях.
Производство бесщёточных генераторов с укороченными полюсами только начинается, а первыми моделями этого семейства являются генераторы 45.3701 и 49.3701, которые планируется устанавливать на автомобили семейства УА3.
Принцип действия генераторов переменного тока
Упрощенная схема устройства автомобильного генератора переменного тока с клювообразным ротором представлена на рис. 1.
Рис. 1. Автомобильный генератор переменного тока с клювообразным ротором
В крышке 4 со стороны контактных колец установлены пластмассовый щеткодержатель 8 с двумя прямоугольными меднографитовыми щетками 6 и выпрямительный блок 1. При помощи крыльчатки 15 создается притяжная вентиляция для охлаждения генератора. Привод генератора осуществляется при помощи шкива 13.
Принцип действия генератора заключается в следующем. При включении замка зажигания на обмотку возбуждения 2 подается напряжение аккумуляторной батареи, которое вызывает появление тока возбуждения. Ток возбуждения, проходя по обмотке возбуждения, создает магнитный поток, рабочая часть которого распределяется по клювообразным полюсам одной полярности. Выходя из полюсов, магнитный поток пересекает воздушный зазор, проходит по зубцам и спинке статора 10, еще раз пересекает воздушный зазор, входит в клювообразные полюсы другой полярности и замыкается через втулку и вал.
При вращении ротора 3 под каждым зубцом статора 10 проходит попеременно то положительный, то отрицательный полюс, т. е. магнитный поток, пересекающий обмотку статора 11, изменяется по величине и направлению. При этом в обмотках фазы будет индуцироваться переменная по величине и направлению ЭДС, действующее значение которой
(1.1 )
где f - частота; w - число витков обмотки одной фазы; kоб- обмоточный коэффициент; Ф - магнитный поток.
Частота
,
где p - число пар полюсов; n - частота вращения.
3начение обмоточного коэффициента kоб зависит от числа пазов
статора, приходящихся на полюс и фазу
q= z/(2pm)
где z - число пазов; m - число фаз.
Для отечественных генераторов характерны следующие параметры:
| z | 18 | 36 | 72 |
| Kоб | 0,866 | 1 | 0,966 |
| q | 0,5 | 1,0 | 2 |
В фазах обмотки статора синхронного генератора индуцируется ЭДС, описываемая зависимостью, которую можно переписать в более простом виде:
(1.2)
где Се= 4, 44 рwkоб/60 - постоянный коэффициент.
Характер изменения ЭДС в проводниках обмотки статора зависит от кривой распределения магнитной индукции в зазоре, которая определяется формой полюса. Форму полюса делают такой, чтобы форма ЭДС приближалась к синусоиде.
В автомобильных генераторах наибольшее применение нашли трехфазные мостовые двухполупериодные схемы выпрямления. В этих схемах наиболее благоприятное соотношение между выпрямленной мощностью Рd. И мощностью генератора Рг (теоретически Рг = 1 ,045Р d)' Трехфазная мостовая схема выпрямления обеспечивает относительно небольшие пульсации выпрямленного напряжения, что является одним из важных требований к автомобильным генераторам в связи с широким применением электроники на автомобиле.
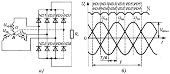
Работает мостовая трехфазная схема выпрямления следующим образом. Предположим, что обмотки статора генератора соединены по схеме «звезда» (рис. 2а). В каждый данный момент времени работает тот диод первой группы, у которого анодный вывод в это время имеет наибольший положительный потенциал относительно нейтральной точки N генератора, а вместе с ним - диод второй группы, у которого катодный вывод имеет наибольший по абсолютному значению отрицательный потенциал относительно этой же точки. Частота пульсации выпрямленного напряжения при такой схеме выпрямления равна удвоенному числу фаз генератора, т. е. шесть пульсаций за период (рис. 2б).
Для повышения мощности генератора в выпрямителе могут использоваться диоды, подключенные к нейтрали трехфазной обмотки статора, соединенного по схеме «звезда". Этот эффект достигается тем, что в реальных условиях форма напряжения, вырабатываемого генератором, отлична от синусоиды и потенциал нейтральной точки периодически отличается от нуля.
Рис. 2. Мостовая трехфазная схема выпрямления: а - электрическая схема; б - осциллограммы фазных и выпрямленного напряжений.
На современных генераторах для питания обмотки возбуждения применяется отдельный выпрямитель. Он состоит из трех дополнительных маломощных диодов (типа Д 223 А с номинальным током 2 А) и трех диодов, общих с силовым выпрямителем. Принцип действия выпрямителя для питания обмотки возбуждения такой же, как и у силового выпрямителя. Применение диодов с меньшим падением напряжения в прямом направлении позволяет повысить ток отдачи генератора. Кроме того, подключение обмотки возбуждения к дополнительному выпрямителю препятствует протеканию через нее тока разрядки аккумуляторной батареи при неработающем двигателе.
В выпрямительных блоках генераторов последних конструкций, например, в компактных генераторах Bosch, вместо обычных силовых диодов используются стабилитроны. Применение силовых стабилитронов позволяет ограничить пики напряжения генератора.
Для соединения фазных обмоток по схеме «звезда» справедливы следующие соотношения:
где Uл и Uф - соответственно линейное и фазное напряжение;Iл Iф соответственно линейная и фазная сила тока.
К выпрямителю подается линейное напряжение генератора. Выпрямленное напряжение Ud - пульсирует с частотой fn, В 6 раз большей частоты переменного напряжения генератора, т. е. fn = 6pn= 6pn/60 = 0,1 pn.
Минимальное значение выпрямленного напряжения равно 1,5 UФmax, а максимальное 1,73 UФmах. Пульсация выпрямленного напряжения при соединении обмоток генератора по схеме «звезда»
= (1,73-1,5) UФmах= 0,23 UФmах,
где UФmах - амплитудное значение фазного напряжения (рис. 1.4.6.)
Среднее значение выпрямленного напряжения (период пульсации Т/6)
Характеристики
Тип файла документ
Документы такого типа открываются такими программами, как Microsoft Office Word на компьютерах Windows, Apple Pages на компьютерах Mac, Open Office - бесплатная альтернатива на различных платформах, в том числе Linux. Наиболее простым и современным решением будут Google документы, так как открываются онлайн без скачивания прямо в браузере на любой платформе. Существуют российские качественные аналоги, например от Яндекса.
Будьте внимательны на мобильных устройствах, так как там используются упрощённый функционал даже в официальном приложении от Microsoft, поэтому для просмотра скачивайте PDF-версию. А если нужно редактировать файл, то используйте оригинальный файл.
Файлы такого типа обычно разбиты на страницы, а текст может быть форматированным (жирный, курсив, выбор шрифта, таблицы и т.п.), а также в него можно добавлять изображения. Формат идеально подходит для рефератов, докладов и РПЗ курсовых проектов, которые необходимо распечатать. Кстати перед печатью также сохраняйте файл в PDF, так как принтер может начудить со шрифтами.















