149968 (732504), страница 2
Текст из файла (страница 2)
Поле в этом конденсаторе весьма неоднородно, и напряженность его вблизи тонкой проволоки очень велика. Повышая постепенно напряжение и наблюдая за проволокой в темноте, можно заметить, что при известном напряжении возле проволоки появляется слабое свечение (корона), охватывающее со всех сторон проволоку; оно сопровождается шипящим звуком и легким потрескиванием. Если между проволокой и источником включен чувствительный гальванометр, то с появлением свечения гальванометр показывает заметный ток, идущий от генератора по проводам к проволоке и от нее по воздуху комнаты к стенам, между проволокой и стенами переносится ионами, образованными в комнате благодаря ударной ионизации. Таким образом, свечение воздуха и появление тока указывает на сильную ионизацию воздуха под действием электрического поля. Коронный разряд может возникнуть не только вблизи проволоки, но и у острия и вообще вблизи любых электродов, возле которых образуется очень сильное неоднородное поле.
Применение коронного разряда. Электрическая очистка газов (электрофильтры). Сосуд, наполненный дымом, внезапно делается совершенно прозрачным, если внести в него острые металлические электроды, соединенные с электрической машиной, а все твердые и жидкие частицы будут осаждаться на электродах. Объяснение опыта заключается в следующем: как только и проволоки зажигается корона, воздух внутри трубки сильно ионизируется. Газовые ионы прилипают к частицам пыли и заряжают их. Так как внутри трубки действует сильное электрическое поле, заряженные частицы пыли движутся под действием поля к электродам, где и оседают.
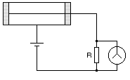
Счетчики элементарных частиц. Счетчик элементарных частиц Гейгера – Мюллера состоит из небольшого металлического цилиндра, снабженного окошком, закрытым фольгой, и тонкой металлической проволоки, натянутой по оси цилиндра и изолированной от него. Счетчик включают в цепь, содержащую источник тока, напряжение которого равно нескольким тысячам вольт. Напряжение выбирают необходимым для появления коронного разряда внутри счетчика.
При попадании в счетчик быстро движущегося электрона последний ионизирует молекулы газа внутри счетчика, отчего напряжение, необходимое для зажигания короны, несколько понижается. В счетчике возникает разряд, а в цепи появляется слабый кратковременный ток. Чтобы обнаружить его, в цепь вводят очень большое сопротивление (несколько мегаом) и подключают параллельно с ним чувствительный электрометр. При каждом попадании быстрого электрона внутрь счетчика листка электрометра будут откланяться.
Подобные счетчики позволяют регистрировать не только быстрые электроны, но и вообще любые заряженные, быстро движущиеся частицы, способные производить ионизацию путем соударений. Современные счетчики легко обнаруживают попадание в них даже одной частицы и позволяют поэтому с полной достоверностью и очень большой наглядностью убедиться, что в природе действительно существуют элементарные заряженные частицы.
Громоотвод. Подсчитано, что в атмосфере всего земного шара происходит одновременно около 1800 гроз, которые дают в среднем около 100 молний в секунду. И хотя вероятность поражения молнией какого-либо отдельного человека ничтожно мала, тем не менее молнии причиняют немало вреда. Достаточно указать, что в настоящее время около половины всех аварий в крупных линиях электропередачи вызывается молниями. Поэтому, защита от молнии представляет собой важную задачу.
Ломоносов и Франклин не только объяснили электрическую природу молнии, но и указали, как можно построить громоотвод, защищающий от удара молнии. Громоотвод представляет собой длинную проволоку, верхний конец которой заостряется и укрепляется выше самой высокой точки защищаемого здания. Нижний конец проволоки соединяют с металлическим листом, а лист закапывают в Землю на уровне почвенных вод. Во время грозы на Земле появляются большие индуцированные заряды и у поверхности Земли появляется большое электрическое поле. Напряженность его очень велика около острых проводников, и поэтому на конце громоотвода зажигается коронный разряд. Вследствие этого индуцированные заряды не могут накапливаться на здании и молнии не происходит. В тех же случаях, когда молния все же возникает (а такие случаи очень редки), она ударяет в громоотвод и заряды уходят в Землю, не причиняя вреда зданию.
В некоторых случаях коронный разряд с громоотвода бывает настолько сильным, что у острия возникает явно видимое свечение. Такое свечение иногда появляется и возле других заостренных предметов, например, на концах корабельных мачт, острых верхушек деревьев, и т.д. Это явление было замечено еще несколько веков тому назад и вызывало суеверный ужас мореплавателей, не понимавших истинной его сущности.
Электрическая дуга. В 1802 году русский физик В.В. Петров (1761-1834) установил, что если присоединить к полюсам большой электрической батареи два кусочка древесного угля и, приведя угли в соприкосновение, слегка их раздвинуть, то между концами углей образуется яркое пламя, а сами концы углей раскалятся добела, испуская ослепительный свет.
Простейший прибор получения электрической дуги состоит из двух электродов, в качестве которых лучше брать не древесный уголь, а специально изготавливаемые стержни, получаемые прессованием смеси графита, сажи и связующих веществ. Источником тока может служить осветительная сеть, в которую для безопасности включается реостат.
Заставляя гореть дугу при постоянном токе в сжатом газе (20 атм), удалось довести температуру конца положительного электрода до 5900°С, т.е. до температуры поверхности солнца. Еще более высокой температурой обладает столб газов и паров, обладающий хорошей электрической проводимостью, через который идет электрический заряд. Энергичная бомбардировка этих газов и паров электронами и ионами, подгоняемыми электрическим полем дуги, доводит температуру газов в столбе до 6000-7000°С. Такая сильная ионизация газа возможна только благодаря тому, что катод дуги испускает очень много электронов, которые своими ударами ионизирую газ в разрядном пространстве. Сильная электронная эмиссия с катода обеспечивается тем, что катод дуги сам накален до очень высокой температуры (от 2200 до 3500°С). Когда для зажигания дуги угли приводятся в соприкосновение, то в месте контакта, обладавшем очень большим сопротивлением, выделяется почти все джоулево тепло проходящего через угли тока. Поэтому концы углей сильно разогреваются, и этого достаточно для того, чтобы при их раздвижении между ними вспыхнула дуга. В дальнейшем катод дуги поддерживается в накаленном состоянии самим током, проходящим через дугу. Главную роль в этом играет бомбардировка катода падающими на него положительными ионами.
Вольтамперная характеристика дуги носит совершенно своеобразный характер. В дуговом разряде при увеличении тока напряжение на зажимах дуги уменьшается, т.е. дуга имеет падающую вольтамперную характеристику.
Применение дугового разряда. Освещение. Вследствие высокой температуры электроды дуги испускают ослепительный свет (свечение столба дуги слабее, так как излучающая способность газа мала), и поэтому электрическая дуга является одним из лучших источников света. Она потребляет всего около 3 Вт на канделу и является значительно более экономичной, нежели наилучшие лампы накаливания. Электрическая дуга впервые была использована для освещения в 1875 году русским инженером-изобретателем П.Н. Яблочкиным (1847-1894) и получила название «русского света» или «северного света». Сварка. Электрическая дуга применяется для сварки металлических деталей. Свариваемые детали служат положительным электродом; касаясь их углем, соединенным с отрицательным полюсом источника тока, получают между телами и углем дугу, плавящую металл. Ртутная дуга. Большой интерес представляет ртутная дуга, горящая в кварцевой трубке, так называемая кварцевая лампа. В этой лампе дуговой разряд происходит не в воздухе, а в атмосфере ртутного пара, для чего в лампу вводят небольшое количество ртути, а воздух откачивают. Свет ртутной дуги чрезвычайно богат ультрафиолетовыми лучами, обладающими сильным химическим и физиологическим действием. Чтобы можно было использовать это излучение, лампу делают не из стекла, которое сильно поглощает УФО, а из плавленого кварца. Ртутные лампы широко используют при лечении разнообразных болезней, а также при научных исследованиях как сильный источник ультрафиолетового излучения.
В качестве источника информации был использован Элементарный учебник физики под
редакцией академика Г.С. Ландсберга (том 2). Москва, издательство «Наука», 1985.
Выполнил МАРКИДОНОВ ТИМУР, г. Иркутск.















