kursovik (732172), страница 5
Текст из файла (страница 5)
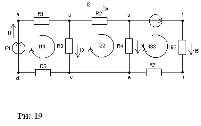
I1=(V3-V1+E1)/(R1+R6)=42.1975/42=1.0047 (A)
I2=(V1-V2)/R2=11.6496/24=0.4854 (A)
I3=(V3-V1)/R3= -7.8025/15= -0.5201 (A)
I4=(V3-V2)/R4= 0.2137 (A)
I5=(V3-V2+E2)/(R5+R7)= 53.8471/60=0.8974 (A)
2.5 Энергетический баланс мощностей
На основании закона сохранения энергии количество теплоты выделяющиеся в единицу времени на резисторах должно равняться энергии доставляемой за это же время источниками энергии.
IE=I2R
Энергетический баланс мощностей методом контурных токов:
E1*I1+E2*I5=I12 *(R1+R5)+I22*R2+I32 *R3+I42*R4+I52*(R5+R7)
50.5+37.5=32.64+6.120+3.825+0.068+34.382
88.35=77.055 (Вт)
Энергетический баланс мощностей методом узловых потенциалов:
E1*I1+E2*I5=I12 *(R1+R5)+I22*R2+I32 *R3+I42*R4+I52*(R5+R7)
50.235+44.87=42.3948+5.6547+4.0575+0.8208+48.318
95.105=101.245 (Вт)
2.6 Построение потенциальных диаграмм для двух замкнутых контуров.
Vb=Va-I1*R1= -12.05 B (12;-12.0564)
R=12 (Ом)
Vc=Vb-I3*R3= -19.8579 C (27;-19.8579)
R=R+15 (Ом)
Vd=Vc-I1*R6= -50.02 D (57;-50.02)
R=R+30 (Ом)
Va=Vd+E1= 0 A (57;0)
R=57 (Ом)
Рис. 20
Vt=0
Vf=Vt+I5*R5= 22.71 F(30;22.71)
R=30 (Ом)
Ve=Vf+I5*R7= 45.42 E(60;45.42)
R=R+30 (Ом)
Vs=Ve-I4*R4= 40.884 S(78;40)
R=R+18 (Ом)
Vt=Vs-E2= 10 T(78;10)
R=78 (Ом)
Рис. 21
Заключение.
В процессе выполненных заданий я проанализировал схему разветвленной электрической цепи постоянного тока, в полном объёме изучил её работу, различные методы определения токов и напряжений, узловых потенциалов, проверил на практике различные законы Ома, законы Кирхгофа, баланс мощностей. Наглядно графическим методом показал зависимость напряжения от сопротивления.
Список литературы.
Дятлаф А.А. Яворский Б.М. Курс физики//Высшая школа . 2000г.
Башин М. Л. Теория электрических цепей // Электротехника. 2001г.
Кринина М. Физика для высшеё школы // Физфакультет. 2000г.
Савельев И.Р. Курс общей физики // Москва 2000г.
Шабанова А.Р. Лекции // 2003г.
37















