kursovik (732172), страница 2
Текст из файла (страница 2)
R-R0/R=at,
если До — сопротивление проводника при 0°С, К — сопротивление проводника при температуре {.
Сопротивление проводника меняется за счет изменения удельного сопротивления, так как при нагревании геометрические размеры проводника меняются незначительно.
Для всех металлов к > 1 и мало меняется при изменении температуры проводника.
Удельное сопротивление проводника линейно зависит от температуры (рис. 61). У чистых металлов, а =1/273*K-1, для растворов электролитов, а < 0 и с увеличением температуры сопротивление уменьшается. ,
столкновении с ионами электроны теряют скорость направленного движения. Это и приводит
Возрастание удельного сопротивления можно объяснить тем, что с ростом температуры амплитуда колебаний ионов кристаллической решетки металлов увеличивается и возрастает вероятность их столкновения с электронами. Это и приводит к возрастанию удельного сопротивления. Столкновении с ионами электроны теряют скорость направленного движения.
Рис.2 Зависимость удельного сопротивления от температуры.
Рис.3 Зависимость удельного сопротивления от температуры для ртути.
Зависимость сопротивления металлов от температуры используется, например, в термометрах сопротивления.
Многие проводники обладают свойством сверхпроводимости, состоящей в том, что их сопротивление скачком падает до нуля при охлаждении ниже определенной критической температуры Т^, характерной для данного материала. Такие вещества получили название сверхпроводники.
Впервые это явление наблюдал в 1911 г. нидерландский физик Гейке Камерлинг-Оннес (1853-1926). Он обнаружил, что ртуть при Т = 4,15°К переходит в новое состояние, названное сверхпроводящим (рис. 62). Позже им было установлено, что электрическое сопротивление ртути восстанавливается при T < Tk в достаточно сильном магнитном поле. Прохождение тока в сверхпроводниках происходит без потерь энергии, поэтому их используют в электромагнитах со сверхпроводящей обмоткой. На основе явления сверхпроводимости иногда работают элементы памяти счетно-вычислительных устройств. Устройство переключающих элементов электронных вычислительных машин иногда основано на принципе разрушения сверхпроводящего состояния магнитным полем.
Ведутся исследования по созданию сверхпроводящих линий электропередачи, но главная трудность здесь в необходимости глубокого охлаждения всей линии для перехода в сверхпроводящее состояние до температуры ниже 20°К.
1.5. Последовательное и параллельное соединение проводников.
На практике электрические цепи представляют собой совокупность различных проводников, соединенных между собой определенным образом. Наиболее часто встречающимися типами соединений проводников являются последовательное и параллельное соединения.
Последовательное соединение проводников
При таком соединении все проводники включаются в цепь поочередно друг за другом. Примером такого типа соединения проводников может быть соединение ламп в елочной гирлянде:
выход из строя одной лампы размыкает всю цепь.
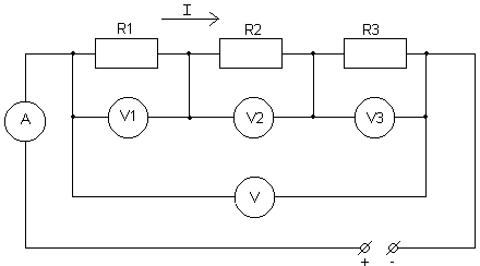
Рассмотрим случай последовательного соединения трех проводников сопротивлениями J^, Д^, Ну подключенных к источнику постоянного тока. Схема такой электрической цепи представлена на рисунке.
Рис.4
Амперметром А измеряют общую силу тока JT в цепи. Вольтметрами V1, V2, V3 измеряют напряжение на каждом проводнике, а вольтметром V — напряжение на всем участке цепи.
Расчет токов, напряжений и сопротивлений на участке цепи при таком соединении делают с помощью четырех правил.
а) Сила тока одинакова во всех участках цепи:
I1=I2=I3=I=const.
так как в случае постоянного тока через любое сечение проводника за определенный интервал времени проходит один и тот же заряд.
б) Падение напряжения в цепи равно сумме падений напряжений на отдельных участках:
U1+U2+U3=U
Это можно установить из опытов по показаниям вольтметров.
в) Падение напряжения на проводниках прямо пропорционально их сопротивлениям:
U1/U2=R1/R2
Согласно закону Ома для участка цепи и правилу (а):
I=U1/R1;
I2=U2/R2=>U1/R1=U1/R2, откуда
U1/U2=R1/R2
г) Общее сопротивление цепи равно сумме сопротивлений отдельных участков:
R=R1+R2+R3
Воспользуемся законом Ома для участка цепи и правилами (а) и (б):
I=U/R=>U=I*R
Аналогично:
U1=I*R1, U2=I*R2, U3=I*R3
U=U1+U2+U3=I*R1+I*R2+I*R3=I*(R1+R2+R3)=I*R
Откуда получим формулу для общего сопротивления цепи:
R=R1+R2+R3
Параллельное соединение
Например, соединение приборов в наших квартирах, когда выход из строя какого-то прибора не отражается на работе остальных.
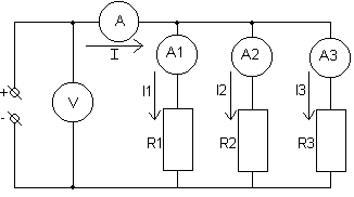
При параллельном соединении трех проводников сопротивлениями R1, R2 и R3 их начала, и концы имеют общие точки подключения к источнику тока. Все вместе параллельно соединенные проводники составляют разветвление, а каждый из них называется ветвью. Схема соединения изображена на рисунке.
Рис.5
Силу тока в каждой ветви измеряют амперметрами A1, A2 и A3. Для расчета токов, напряжений и сопротивлений также пользуются четырьмя правилами:
а) Падение напряжения в параллельно соединенных участках цепи одинаково:
U1=U2=U3=U=const.
так как во всех случаях падение напряжения измеряют между
одними и теми же точками.
б) Сила тока в неразветвленной части цепи равна сумме сил токов, текущих в разветвленных участках цепи:
I1=I2=I3=I
в) Сила тока в разветвленных участках цепи обратно пропорциональна их сопротивлениям:
I1:I2:I3=1/R1:1/R2:1/R3
Воспользуемся законом Ома для участка цепи:
I1=U1/R1=>U1=I1*R1
Аналогично:
U2=I2*R2
U3=I3*R3
Согласно правилу (а):
U1=U2=U3=>I1*R1=I2*R2=I3*R3, откуда
I1:I2:I3=1/R1:1/R2:1/R3
г) Общее сопротивление цепи:
1/R=1/R1+1/R2+1/R3
Согласно закону Ома для участка цепи:
I=U/R
и для каждой ветви:
I1=U1/R1; I2=U2/R2; I3=U3/R3
Используя правила (а) и (б), получим:
I=I1+I2+I3=U/R1+U/R2+U/R3=U*(1/R1+1/R2+1/R3) =U/R,
откуда
1/R=1/R1+1/R2+1/R3
1.6. Закон Ома для полной цепи.
Рис.6
Закон Ома для полной (замкнутой) цепи выражает связь между силой тока в цепи, ЭДС и полным сопротивлением.
Рассмотрим полную электрическую Т цепь, состоящую из источника тока с ЭДС е и внутренним сопротивлением r и внешнего сопротивления R. Внутреннее сопротивление — сопротивление источника тока, внешнее сопротивление — сопротивление потребителя электрического тока, например резистора.
Электрический ток совершает работу не только на внешнем, но и на внутреннем участке цепи: нагревается не только резистор, но и сам источник тока.
По закону сохранения энергии работа электрического тока в замкнутой цепи, равная работе сторонних сил источника тока, равна количеству теплоты, выделившейся на внутреннем и внешнем участках цепи:
A=Aст=Q
Поскольку за время t через поперечное сечение проводников пройдет заряд. q, то работа сторонних сил по перемещению заряда равна:
Aст=e*q=eI*t
где I=q/t - сила тока в проводнике. При этом выделившееся
количество теплоты согласно закону Джоуля-Ленца равно:
Q=I2R*t+I2r*t
Тогда
Aст=eI*t=I2R*t+I2r*t, или
E=I*R+I*r
Здесь произведение IR называется падением напряжения на внешнем участке цепи, Ir — падением напряжения на внутреннем участке цепи.
Таким образом, ЭДС равна сумме падений напряжений на внешнем и внутреннем участках полной (замкнутой) цепи.
Напряжение U (падение напряжений) на внешней цепи:
U=e-Ir
Сумма внешнего и внутреннего сопротивлений есть полное сопротивление цепи: R + r. Закон Ома для полной цепи:
I=e/R+r
Сила тока в полной электрической цепи равна отношению ЭДС цепи к ее полному сопротивлению.
Следствия из закона Ома для полной цепи
1. Если внутреннее сопротивление источника тока r мало по сравнению с внешним сопротивлением R, то оно не оказывает заметного влияния на силу тока в цепи. При этом напряжение на зажимах источника приблизительно равно ЭДС:
U=IR=е
2. Когда внешнее сопротивление цепи стремится к нулю (R -> 0) — при коротком замыкании, сила тока в цепи определяется внутренним сопротивлением источника и принимает максимальное значение:
Imax=e/r
3. При разомкнутой цепи, когда R-> оо (сопротивление внешнего участка цепи бесконечно велико) I = 0, напряжение источника тока равно его ЭДС. или ЭДС источника измеряется разностью потенциалов на его клеммах:
e=U=ф2-ф1
Знак ЭДС и напряжение на участке цепи могут быть положительными и отрицательными. Значение ЭДС считается положительным, если она повышает потенциал в направлении тока — ток внутри источника идет от отрицательного полюса к положительному полюсу источника. Напряжение принимается положительным, если ток внутри источника идет в направлении понижения потенциала (от положительного полюса источника к отрицательному полюсу).
1.7. Источники тока, их соединения.
На практике несколько источников электрической энергии соединяются в группу — батарею источников электрической энергии. Соединение в батарею может быть последовательное, параллельное и смешанное.
При последовательном соединении положительный полюс предыдущего источника соединяется с отрицательным полюсом последующего.
Полная ЭДС цепи равна алгебраической сумме ЭДС отдельных элементов, а внутреннее сопротивление батареи равно сумме сопротивлений источников:
Рис.7
=i=1i,
r=i=1ri,
Объяснить это можно тем, что при последовательном соединении электрический заряд поочередно проходит через источник электрической энергии и в каждом из них приобретает энергию. Внутреннее сопротивление батареи также увеличивается.
При последовательном соединении одинаковых источников с ЭДС е и внутренним сопротивлением г ЭДС батареи и ее внутреннее сопротивление равны.
б=*n,
Rб=R*n
где п — число источников.
Закон Ома для полной цепи при последовательном соединении одинаковых источников тока записывается в виде;
I=(*n)/(R+r*n)
где и r — ЭДС и внутреннее сопротивление одного источника, R — сопротивление внешнего участка цепи, I — сила тока в цепи.
Рис.8
Например, полная цепь содержит несколько источников тока, ЭДС которых равны E1,E2,E3 а внутренние сопротивления—r1,r2,r3, соответственно. ЭДС, действующая в цепи, равна:
б=1 -2+3-4
Сопротивление батареи равно:
r,, = r, + r, + r, + г.
При этом учитываем, что положительными являются те ЭДС, которые повышают потенциал в направлении обхода цепи, т.е. направление обхода цепи совпадает с переходом внутри источника от отрицательного полюса источника к положительному.
Последовательное соединение источников тока применяется в тех случаях, когда нужно повысить напряжение на внешней цепи, причем сопротивление внешней цепи велико по сравнению с внутренним сопротивлением одного источника.
Рис.9
При параллельном соединении источников все их положительные
полюсы присоединены к одному проводнику, а отрицательные—к другому.
Полная ЭДС цепи (всей батареи равна ЭДС одного источника: б= ,а внутреннее сопротивление батареи равно:
Rб=r/n
где п — число параллельно соединенных источников.
При параллельном соединении ток одного источника электрической энергии уже не проходит через другие, и поэтому каждый заряд получает энергию только в одном источнике. Сопротивление батареи меньше сопротивления одного источника, так как через каждый источник электрической энергии проходит только часть зарядов, перемещающихся во внешней цепи.
Закон Ома для полной цепи при параллельном соединении одинаковых источников тока записывается в виде:















