kursovik (732172), страница 4
Текст из файла (страница 4)
1.11. Электрический ток в электролитах. Закон электролиза
(закон Фарадея).
Растворы, проводящие электрический ток, называются электролитами. Ток в электролите обусловлен движением положительных и отрицательных ионов, т.е. осуществляется ионной
проводимостью.
Электролитами являются растворы кислот, щелочей и солей, а также расплавленные соли. Электролиты иначе называют проводниками II рода (проводники с ионной проводимостью). Прохождение тока в электролитах связано с переносом вещества.
Ионами называют атомы или молекулы, потерявшие или присоединившие к себе один или несколько электронов. Положительно заряженные ионы называют иначе катионами (ионы металлов в растворах солей, водорода в растворе кислот), а отрицательно заряженные — анионами (ионы кислотных остатков и гидроксильной группы ОН~).
Пластины, создающие электрическое поле в электролите, называют электродами. Электрод, который соединен с положительным полюсом источника тока, называется анодом, а электрод, соединенный с отрицательным полюсом, — катодом. Возникновение ионов в электролитах объясняется процессом электролитической диссоциации — распадом молекул растворенного вещества на положительные и отрицательные ионы под действием растворителя. Молекулы растворяемых веществ состоят из взаимосвязанных ионов противоположного знака, которые удерживаются друг около друга электрическими силами притяжения.
Взаимодействие этих молекул с полярными молекулами растворителя — воды — приводит к уменьшению силы взаимодействия притяжения ионов в молекулах (диэлектрическая проницаемость воды равна 81). При хаотическом тепловом движении молекул растворенных веществ и растворителей происходят их столкновения, которые приводят к распаду молекул на отдельные разноименно заряженные ионы.
Степенью диссоциации, а называют долю молекул растворенного вещества, распадающихся на ионы, т.е. это отношение числа молекул п, диссоциировавших на ионы, к общему числу молекул растворенного вещества N
Степень диссоциации зависит от температуры, диэлектрической проницаемости растворителя и концентрации электролита. При повышении температуры степень диссоциации возрастает, т.к. тепловое движение способствует разрыву молекул на ионы и, следовательно, концентрация ионов увеличивается. Чем больше диэлектрическая проницаемость £ растворителя, тем выше степень диссоциации, поскольку сила взаимодействия ионов в молекуле электролита в растворе уменьшена b£ раз.
Ионы разных знаков могут объединяться (рекомбинировать) в нейтральные молекулы при тепловом хаотическом движении ионов в растворе. В результате в растворе при неизменных условиях устанавливается динамическое равновесие между процессами электролитической диссоциации и рекомбинации ионов, при котором число молекул, распадающихся на ионы в единицу времени, равно числу пар ионов, которые за это время воссоединяются в нейтральные молекулы- Ионы в электролитах движутся хаотически до тех пор, пока в жидкость не опускаются электроды. Тогда на хаотическое движение ионов накладывается их упорядоченное движение к соответствующим электродам. В жидкости при этом возникает электрический ток.
Прохождение тока через электролит сопровождается выделением на электродах составных частей растворенного вещества — электролизом. Положительно заряженные ионы (катионы) движутся к катоду и приобретают на этом электроде недостающие электроны. Отрицательно заряженные ионы (анионы) отдают аноду лишние электроны. Таким образом, на аноде происходит реакция окисления, а на катоде — восстановления.
Электролизом называют процесс выделения на электродах веществ, связанный с окислительно-восстановительными реакциями.
Количественные характеристики электролиза определяются законами электролиза (законами Фарадея).
Первый закон электролиза (первый закон Фарадея)
Масса вещества, выделившегося на электроде за время Д? при прохождении электрического тока, пропорциональна силе тока и времени.
Коэффициент пропорциональности k называется электрохимическим эквивалентом вещества. Он численно равен массе
вещества, которые выделяется при переносе ионами через электролит единичного заряда. Единица измерения электрохимического эквивалента k = [кг/Кл].
Второй закон электролиза (второй закон Фарадея) устанавливает пропорциональность между электрохимическим и химическим эквивалентом вещества:
k =1/eNa * / n
где/; — молярная масса вещества, п — валентность, Na — число Авогадро, e— заряд электрона, / n — химический эквивалент (или грамм-эквивалент) вещества.
Произведение заряда электрона на постоянную Авогадро носит название постоянной (числа) Фарадея:
F=e Na
Законы Фарадея можно объединить выражением:
т. = 1/F * / n It
Это выражение называют объединенным законом электролиза Фарадея.
Постоянная Фарадея численно равна электрическому заряду, который нужно пропустить через электролит для выделения на электроде массы любого вещества, равной в килограммах отношению молярной массы вещества к валентности. Значение числа Фарадея в СИ:
F = 96485 Кл/моль
Электрический заряд q любого иона согласно объединенному закону Фарадея равен:
q= +- nF/ Na
Заряд одновалентного иона (л = 1) равен по абсолютному значению заряду электрона:
q=e=1,602*10-19 Kл
Таким образом, любой электрический заряд является кратным элементарному заряду — заряду электрона е.
Электролиз широко применяется в различных электрохимических производствах. Например, это электролитическое получение металлов из водных растворов их солей и из расплавленных солей; гальваностегия, гальванопластика, электрополировка. Электролитическое получение металлов из водных растворов их солей может быть осуществлено рафинированием или электроэкстракцией.
Рафинирование представляет собой очищение металла от небольшого количества примесей путем электролиза с активным анодом (в качестве анодов в электролитическую ванну помещают металл с примесями), электролитом служит раствор соли очищаемого металла. При электролизе такой анод растворяется, примеси оседают на дно, а на катоде выделяется чистый металл. Рафинированием получают чистые медь, серебро и золото.
Электроэкстракцией называется извлечение металла из электролита при неактивном аноде. Электролитом служит водный раствор соли металла, выделяющегося на катоде, а на аноде выделяются кислород или хлор. Таким способом получают чистые цинк и никель.
Электролиз расплавленных солей проводится с помощью неактивных (угольных) электродов и при высокой температуре, применяется при добывании металлов, реагирующих с водой и поэтому не выделяющихся из водных растворов. Таким путем добывают магний, алюминий, бериллий, литий, калий, кальций и другие металлы.
Гальваностегией называется покрытие металлических предметов слоем другого металла с помощью электролиза на активном аноде. Таким путем пользуются для покрытия предметов не окисляющимся на воздухе металлом, чтобы предохранить их от коррозии. Например, при никелировании, хромировании и т.д. Гальваностегией также пользуются для изготовления украшений (серебрение и золочение).
Гальванопластикой называется получение металлических копий с рельефных изображений на каких-либо поверхностях путем электролиза при активном катоде. Гальванопластика имеет большое значение, например, для изготовления клише, применяемых в литографии.
Электрополировка заключается в выравнивании металлической поверхности с помощью электролиза. В электролитическую ванну в качестве анода опускается предмет, поверхность которого должна быть отполирована. При электролизе в раствор уходит больше всего вещества с выступающих неровностей на поверхности анода, т.е. происходит его полировка.
2 Расчётная часть
2.1Задание на курсовую работу
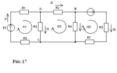
Расчет разветвлённой электрической цепи постоянного тока.
Для заданной электрической цепи необходимо:
-
Записать систему уравнений по законам Кирхгофа (без расчетов);
-
Определить все токи и напряжения методами контурных токов и узловых потенциалов;
-
Проверить результаты расчетов по уравнениям баланса мощностей;
-
Построить потенциальные диаграммы для двух замкнутых контуров.
ЭДС=E1=E2=50 В
Резисторы R1=12 Ом
R2=24 Ом
R3=15 Ом
R4=18 Ом
R5=30 Ом
R6=30 Ом
R7=30 Ом
2.2 Составление уравнений по двум законам Кирхгофа.
З
аписываем уравнения по первому закону Кирхгофа для любых двух узлов:
Узел А: I1+I2+I3=0
Узел B: I3+I4+I5=0
-
Выбираем независимые контуры и направления их обходов.
3) Записываем уравнения по второму закону Кирхгофа для выбранных независимых контуров.
I1*(R1+R6)-I2*R3=E1
I3*R2+I2*R3-I4*R4=0
I4*R4-I5*R7-I5*R5=E2
4) Подставим численное значение:
I1+I2-I3=0
I3+I4+I5=0
I1*(12+30)-I2*15=50
I3*24+I2*15-I4*18=0
I4*18-I5*30-I5*30=50
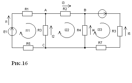
2.3 Определение всех токов и напряжений методами контурных
токов.
-
Выбираем независимые контуры:
R6,E1,R1,R6;
R3,R2,R4;
R4,E2,R5,R7;
-
Полагаем, что в каждом контуре течет свой контурный ток: I11,I22,I33.
-
Произвольно выбираем их направления.
-
Записываем уравнения по второму закону Кирхгофа относительно контурных токов, для выбранных независимых контуров:
I11(R1+R3+R6)-I22*R3=E1
I22(R2+R3+R4)-I11*R3-I33*R4=0
I33(R4+R5+R7)-I22*R4=E2
Подставим численные значения:
I11*57-I22*15+0=50
-I11*15+I22*57-I33*18=0
0-I22*18+I33*78=50
-
Решаем полученную систему уравнений через определители:
Главный определитель:
|57 -15 0|
= |-15 57 -18| = 253422+0+0-0-17550-18468=217404
|0 -18 78|
Вспомогательный определитель 1:
|50 -15 0|
1= |0 57 -32| = 222300+0+13500-0-0-16200=219600
|50 -18 78|
Вспомогательный определитель 2:
|57 50 0|
2= |-15 0 -18| = 0+0+0-0-(-58500)-(-51300)=109800
|0 50 78|
Вспомогательный определитель 3:
|57 15 50|
3= |-15 57 0| = 162450+13500+0-0-11250-0=164700
|0 -18 50|
I11=1/=219600/217404=1.01(A)
I22=2/=109800/217404=0.505 (A)
I33=3/=-164700/217404=0.757 (A)
I1=I11=1.01 (A)
I2=I22=-0.505 (A)
I3=I11-I22=1.01-0.505=0.505 (A)
I4=I22-I33=0.505-0.757=-0.252 (A)
I5=I33=0.757 (A)
6)Энергетический баланс мощностей
На основании закона сохранения энергии количество теплоты выделяющиеся в единицу времени на резисторах должно равняться
энергии доставляемой за это же время источниками энергии.
IE=I2R
E1*I1+E2*I5=I12 *(R1+R5)+I22*R2+I32 *R3+I42*R4+I52*(R5+R7)
50.5+37.5=32.64+6.120+3.825+0.068+34.382
88.35=77.055 (Вт)
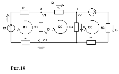
2.4 Метод узловых потенциалов.
1
) Выбираем базисный узел (целесообразно за базисный принимать тот узел, в котором пересекается больше всего ветвей):
V3=0
2) Задаемся положительными направлениями узловых потенциалов от базисного узла.
3) Записываем собственные и взаимные проводимости узлов, исключая базисный:
g11=0.0238+0.0416+0.0666=0.132 (Сим)
g22=0.0416+0.0555+0.0166=0.1137 (Сим)
g12=0.0416 (Сим)
4) Введем узловые токи для всех узлов, исключая базисный:
I11,I22
I11=1.1904 (A)
I22= -0.8333 (A)
Узловой ток равен алгебраической сумме токов от действия ЭДС ветвей пересекающихся в данном узле.
Если ЭДС направлено к узлу, то ЭДС записываем со знаком «+»,
в противном случае «-».
-
Записываем систему уравнений:
V1*g11-V2*g12=I11
V2*g22+V1*g21=I22
g12=g21=0.0416 (Сим)
V1*0.132+V2*(-0.0416)=1.1904
V2*0.1137+V1*(-0.0416)= -0,8333
V1*0.132-V2*0.0416=1.1904
-V1*(-0.0416)+V1*0.132= -0.8333
|0.132 -0.0416|
= |-0.0416 0.132| = 0.0174-0.0174=0.0157
|1.1904 -0.0416|
1= |-0.8333 0.132| = 0.1571+0.0346=0.1225
|0.132 1.1904|
2= |-0.0416 -0.8333| = (-0.1099)-(-0.0495)= -0.0604
V1=1/= 0.125/0.0157= 7.8025
V2=2/= -0.0604/0.0157= -3.8471















