149525 (731804)
Текст из файла
Министерство общего и профессионального
образования Российской Федерации.
Орский Гуманитарно-Технологический Институт
Кафедра общей физики.
КУРСОВАЯ РАБОТА
Измерения параметров электромагнитных волн на сверхвысоких частотах.
Выполнил: студентка физико-математического факультета группы 4Б
Бессонов Павел Александрович.
Научный руководитель: к. ф.-м. н. доцент Абрамов Сергей Михайлович.
Орск. 1998г.
Содержание
Стр
-
Основные понятия 3
-
§1. Измерение мощности 3
-
1. Общие сведения 3
-
2. Калориметрические измерители мощности 3
-
§2. Измерение частот 8
-
1. Основные характеристики частотомеров 8
-
2. Резонансные частотомеры 8
-
3. Гетероидные частотомеры 13
-
§3. Измерение полного сопротивления 15
-
1. Общие сведения 15
-
2. Поляризационные измерители полных сопротивлений 51
-
3. Панорамные измерители КСВ и полного сопротивления 17
ОСНОВНЫЕ ПОНЯТИЯ
В диапазоне СВЧ, как правило, измеряют мощность, частоту и полное сопротивление устройств. Важными также являются измерения фазового сдвига, напряженности поля, добротности, ослабления мощности волны, амплитудно-частотного спектра и др. Чтобы определить указанные величины в широких интервалах их изменения, требуется использовать различные методы и радиоизмерительные приборы.
Различают прямые и косвенные измерения. Прямые измерения применяют в тех случаях, когда измеряемая величина доступна непосредственному сравнению с мерой или может быть измерена приборами, проградуированными в выбранных единицах. Прямые измерения выполняют либо методом непосредственной оценки, когда измеряемую величину определяют по показаниям проградуированного прибора, либо методом сравнения, когда измеряемую величину определяют сравнением ее с мерой данной величины. Косвенные измерения состоят в замене измерений данной величины другими, связанными с искомой известной зависимостью.
Основными характеристиками радиоизмерительных приборов являются: диапазон измеряемых величин; диапазон частот, в котором прибор может применяться; чувствительность по измеряемому параметру, представляющая собой отношение приращения показаний прибора к вызвавшему его приращению измеряемой величины; разрешающая способность, определяемая как минимальная разность двух значений измеряемых величин, которую может различить прибор; погрешность; потребляемая мощность.
§1. ИЗМЕРЕНИЕ МОЩНОСТИ.
1. Общие сведения
Уровни мощностей, подлежащие измерениям, различаются более чем на двадцать порядков. Естественно, что методы и приборы, используемые при таких измерениях, весьма разнообразны. Принцип действия подавляющего большинства измерителей мощности СВЧ, называемых ваттметрами, основан на измерении изменений температуры или сопротивления элементов, в которых рассеивается энергия исследуемых электромагнитных колебаний. К приборам, основанным на этом явлении, относятся калориметрические и терморезисторные измерители мощности. Получили распространение ваттметры, использующие пондеромоторные явления (электромеханические силы), и ваттметры, работающие на эффекте Холла. Особенность первых из них - возможность абсолютных измерений мощности, а вторых - измерение мощности независимо от согласования ВЧ-тракта.
По способу включения в передающий тракт различают ваттметры проходящего типа и поглощающего типа. Ваттметр проходящего типа представляет собой четырехполюсник, в котором поглощается лишь небольшая часть общей мощности. Ваттметр поглощающего типа, представляющий собой двухполюсник, подключается на конце передающей линии, и в идеальном случае в нем поглощается вся мощность падающей волны. Ваттметр проходящего типа часто выполняется на основе измерителя поглощающего типа, включенного в тракт через направленный ответвитель.
2. Калориметрические измерители мощности
Калориметрические методы измерения мощности основаны на преобразовании электромагнитной энергии в тепловую в сопротивлении нагрузки, являющейся составной частью измерителя. Количество выделяемого тепла определяется по данным изменения температуры в нагрузке или в среде, куда передано тепло. Различают калориметры статические (адиабатические) и поточные (не адиабатические). В первых мощность СВЧ рассеивается в термоизолированной нагрузке, а во вторых предусмотрено непрерывное протекание калориметрической жидкости. Калориметрические измерители позволяют измерять мощность от единиц милливатт до сотен киловатт. Статические калориметры измеряют малый и средний уровни мощности, а поточные - средние и большие значения мощности.
Условие баланса тепла в калориметрической нагрузке имеет вид
где P-мощность СВЧ, рассеиваемая в нагрузке; Т и Т0-температура нагрузки и окружающей среды соответственно; с, m - удельная теплоемкость и масса калориметрического тела; k-коэффициент теплового рассеяния. Решение уравнения представляется в виде
где τ=сm/k - тепловая постоянная времени.
В случае статического калориметра время измерения много меньше постоянной τ и мощность СВЧ в соответствии с формулой 1 будет:
Здесь скорость изменения температуры в нагрузке измерена в град•с-1,m-в г, c- в Дж•(г•град)-1, Р - в Вт.
Если с имеет размерность кал•(г•град)-1, то
Основными элементами статических калориметров являются термоизолированная нагрузка и прибор для измерения температуры. Нетрудно рассчитать поглощаемую мощность СВЧ по измеренной скорости повышения температуры и известной теплоемкости нагрузки.
В приборах используются различные высокочастотные оконечные нагрузки из твердого или жидкого диэлектрического материала с потерями, а также в виде пластинки или пленки высокого сопротивления. Для определения изменения температуры применяют термопары и различные термометры.
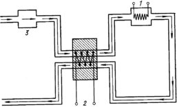
Рассмотрим статический калориметр, в котором снижены требования к термоизоляции и отпадает необходимость в определении теплоемкости тc калориметрической насадки (рис. 1). В этой схеме используется метод замещения. В ней для калибровки прибора 4, измеряющего повышение температуры при рассеянии измеряемой мощности, подводимой к плечу 1, используется известная мощность постоянного тока или тока низкой частоты, подводимая к плечу 2. Предполагается, что температура насадки 3 изменяется одинаково при рассеянии равных значений мощности СВЧ и постоянного тока. Статические калориметры позволяют измерять мощность несколько милливатт с погрешностью менее ±1%.
Рис.1
Основными элементами поточного калориметра являются: нагрузка, где энергия электромагнитных колебаний превращается в тепло, система циркуляции жидкости и средства для измерения разности температур входящей и выходящей жидкости, протекающей через нагрузку. Измеряя эту разность температур в установившемся режиме, можно рассчитать среднюю мощность по формулегде υ - расход калориметрической жидкости, см3•с-1; d-плотность жидкости, г•см-3; ΔT - разность температур, К; с, кал•(г•град)-1.
Поточные калориметры различают по типу циркуляционной системы (открытые и замкнутые), по типу нагрева (прямой и косвенный) и по методу измерения (истинно калориметрические и замещения).
В калориметрах открытого типа обычно применяют воду, которая из водопроводной сети поступает сначала в бак для стабилизации давления, а далее в калориметр. В калориметрах замкнутого типа калориметрическая жидкость циркулирует в замкнутой системе. Она постоянно накачивается насосом и охлаждается до температуры окружающей среды перед очередным поступлением в калориметр, В этой системе используются в качестве охлаждающих жидкостей кроме дистиллированной воды раствор хлористого натрия, смесь воды с этиленгликолем или глицерином.
При прямом нагреве ВЧ-мощность поглощается непосредственно циркулирующей жидкостью. При косвенном нагреве циркулирующая жидкость используется только для отбора тепла от нагрузки. Косвенный нагрев позволяет работать в более широком диапазоне частот и мощностей, поскольку функции переноса тепла отделены в нем от функции поглощения ВЧ-энергии и согласования нагрузки.
Рис. 2.
Схема истинно калориметрического метода представлена на (рис. 2.). Измеряемая ВЧ-мощность рассеивается в нагрузке 1 и прямо или косвенно передает энергию протекающей жидкости. Разность температур входящей в нагрузку и выходящей из нее жидкости измеряют с помощью термоблоков 2. Количество жидкости, протекающее в системе в единицу времени, измеряют расходомером 3. Естественно, что поток жидкости при таких измерениях должен быть постоянным.Погрешности измерений ВЧ-мощности в рассмотренной схеме связаны с рядом факторов. Прежде всего формула 4 не учитывает передачу тепла, существующего между различными частями калориметра, и потерю тепла в ВЧ-нагрузке и трубопроводах. Различными конструктивными приемами можно уменьшить влияние этих факторов. Неравномерность скорости течения калориметрической жидкости, появление пузырьков воздуха приводят к погрешности при определении скорости потока жидкости и изменению ее эффективной теплоемкости. Для уменьшения этой погрешности применяют уловители пузырьков воздуха и добиваются равномерности течения жидкости с помощью регулятора потока и других средств.
Схема измерений, реализующая метод замещения, отличается от рассмотренной тем, что в ней последовательно с СВЧ-нагрузкой вводится дополнительный нагревательный элемент, рассеивающий мощность низкочастотного источника тока. Заметим, что при косвенном нагреве мощность СВЧ-сигнала и мощность низкочастотного тока вводятся в одну и ту же нагрузку и потребность в дополнительном нагревательном элементе отпадает.
Возможны два способа измерений по методу замещений - калибровки и баланса. Первый из них состоит в измерении такой мощности низкой частоты, поданной в нагревательный элемент, при которой разность температур жидкости на входе и выходе такая же, как и при подаче СВЧ-мощности. При балансном способе сначала устанавливается какая-либо разность температур жидкости при подаче мощности низкой частоты Р1, затем подается измеряемая ВЧ-мощность Р, а мощность низкой частоты уменьшается до такого значения Р2, чтобы разность температур осталась прежней. При этом Р=P1-Р2.
Рис. 3.
Погрешности измерений, связанные с непостоянством скорости потока жидкости в течение цикла измерений, можно избежать, если на входе и выходе нагрузки 1 (рис. 3) и нагревательного элемента 2 предусмотреть термочувствительные резисторы R1, R2, R3, R4, соединенные по мостовой схеме. При условии идентичности термочувствительных элементов баланс моста будет наблюдаться для любой скорости потока жидкости. Измерения ведутся балансным способом.Характеристики
Тип файла документ
Документы такого типа открываются такими программами, как Microsoft Office Word на компьютерах Windows, Apple Pages на компьютерах Mac, Open Office - бесплатная альтернатива на различных платформах, в том числе Linux. Наиболее простым и современным решением будут Google документы, так как открываются онлайн без скачивания прямо в браузере на любой платформе. Существуют российские качественные аналоги, например от Яндекса.
Будьте внимательны на мобильных устройствах, так как там используются упрощённый функционал даже в официальном приложении от Microsoft, поэтому для просмотра скачивайте PDF-версию. А если нужно редактировать файл, то используйте оригинальный файл.
Файлы такого типа обычно разбиты на страницы, а текст может быть форматированным (жирный, курсив, выбор шрифта, таблицы и т.п.), а также в него можно добавлять изображения. Формат идеально подходит для рефератов, докладов и РПЗ курсовых проектов, которые необходимо распечатать. Кстати перед печатью также сохраняйте файл в PDF, так как принтер может начудить со шрифтами.















