149525 (731804), страница 2
Текст из файла (страница 2)
Рассмотренные поточные калориметры применяют для абсолютных измерений прежде всего больших уровней мощностей. В сочетании с калиброванными направленными ответвителями они служат для градуировки измерителей средней и малой мощности. Имеются конструкции поточных калориметров и для непосредственных измерений средних и малых мощностей. Время измерений не превышает нескольких минут, а погрешность измерений может быть доведена до 1-2%
Среди калориметрических ваттметров для измерения мощности непрерывных колебаний, а также среднего значения мощности импульсно-модулированных колебаний отметим приборы МЗ-11А, МЗ-13 и МЗ-13/1, которые перекрывают диапазон измеряемых мощностей от 2 кВт до 3 МВт на частотах до 37,5 ГГц.
§2. ИЗМЕРЕНИЕ ЧАСТОТЫ
1. Основные характеристики частотомеров
Одной из важнейших задач измерительной техники является - измерение частоты или длины волны колебаний. Частота связана с длиной волны соотношением:
(5)
Измерения частоты и длины волны по своей природе различны: первое основано на измерении времени, а второе - на измерении: длины. Обычно в качестве основной величины выбирают частоту, поскольку значение ее не зависит от условий распространения и, что не менее важно, существуют эталоны частоты высокой точности, с которыми можно сравнивать измеряемые частоты.
Основными характеристиками приборов, используемых для измерения частоты я длины волны, являются: относительная погрешность, чувствительность, диапазон измеряемых частот и надежность работы.
Под относительной погрешностью прибора понимают отношение разности измеренной и образцовой частот к значению образцовой частоты. По точности все приборы разбиваются на три группы: малой точности с относительной погрешностью более 0,1%, средней точности с погрешностью (0,01-0,1)% и высокой точности с погрешностью менее 0,01%. Чувствительность прибора характеризуется минимальной мощностью сигнала, подводимого к частотомеру, при которой возможен отсчет частоты.
2. Резонансные частотомеры
Рис. 4.
Рис. 5.
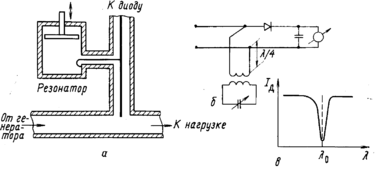
Резонансные частотомеры обычно содержат следующие Элементы (рис. 4): объемный резонатор 2, элементы связи 1, элемент настройки 3, индикатор 5 с усилителем 4 или без него. Связь входной линии и индикаторного устройства с резонатором выбирают на основе компромисса между величиной нагруженной добротности резонатора и чувствительностью прибора. Настройку частотомера на определенную частоту измеряемых колебаний проводят путем измерения геометрических размеров резонатора. При этом размеры резонансной длинны волны или частоты определяют по положению настроечных органов в момент резонанса, который определяют по индикаторному устройству. В качестве индикаторов чаще всего применяют микропараметр постоянного тока, а при изменении частоты модулированных колебаний – осциллограф или измерительный усилитель. Различают два способа включения частотомера – с индикацией настройки по максимуму тока прибора (проходная схема) и минимуму тока (поглотительная или абсорбционная, схема). Первая схема, получившая наибольшее распространение, изображена на (рис. 5). Резонатор с элементами связи и устройством перестройки по частоте показан на (рис. 5.а), эквивалентная схема его – на (рис. 5,б). При расстроенном резонансе частотомера показание индикаторного прибора равно нулю. В момент резонанса через прибор протекает максимальный ток (см. рис. 5.в).В некоторых случаях полезна вторая схема включения резонансного частотомера - с индикацией по минимуму тока при. резонансе. Устройство такого резонатора изображено на (рис. 6а), эквивалентная схема - на (рис. 6б). На частотах отличных от резонансной входное сопротивление параллельно включенного контура мало и, будучи трансформированным в цепь. детектора через отрезок длиной λ/4, не вносит заметных изменений в основную цепь. Вследствие этого через индикаторный прибор частотомера на соответствующую частоту измеряемых колебаний проводят путем изменения геометрических размеров резонатора. При этом значение резонансной длины волны или частоты определяют по положению настроечных органов в момент резонанса, который отмечают по индикаторному устройству. В качестве индикаторов чаще всего применяют микроамперметр постоянного тока, а при измерении частоты модулированных колебаний - осциллограф или измерительный усилитель. Различают два способа включения частотомера - с индикацией настройки по максимуму тока прибора (проходная схема) и минимуму тока (поглотительная, или абсорбционная, схема). Первая схема, получившая наибольшее распространение, изображена на (рис. 2). Резонатор с элементами связи и устройством перенастройки по частоте показан на (рис. 2а), эквивалентная схема его - на (рис. 26). При расстроенном резонаторе частотомера показание индикаторного прибора равно нулю. В момент резонанса через прибор протекает максимальный ток (см. рис. 2в).
Рис. 6.
В некоторых случаях полезна вторая схема включения резонансного частотомера – с индикацией по минимуму тока при резонансе. Устройство такого резонатора изображено на (рис. 3а) эквивалентная схема – на (рис. 3б). На частотах отличной от резонансной входное сопротивление параллельно включенного контура мало и, будучи трансформированным в цепь детектора через отрезок длинной λ/4, не вносит заметных изменений в основную цепь. В следствии этого через индикаторный прибор проходит значительный ток. При настройке контура на частоту колебаний внешнего СВЧ-источника его входное сопротивление резко возрастает, цепь детектора оказывается шунтированной малым сопротивлением и ток через прибор значительно уменьшается (рис. 3в). Скорость изменения показаний прибора при изменении настройки вблизи резонанса зависит как от собственной добротности резонатора, так и от коэффициента связи резонатора с линией. При измерении частоты непрерывных колебаний стремятся обеспечить максимально возможную собственную добротность резонатора. Большую добротность имеют резонаторы с большими размерами. Однако размеры их не должны быть чрезмерными, иначе появляются нежелательные колебания высших видов, затрудняющие выделение рабочего вида колебаний. Подавить паразитные колебания можно выбором соответствующей конструкции и определенного расположения элементов связи, а также применением щелей или других элементов с сильным затуханием для волн нежелательных видов.Рассмотрим конструктивные особенности резонансных частотомеров, Они в основном различаются по типу колебательных систем.
На (рис. 7) показаны устройства резонаторов с элементами связи и настройки, наиболее часто применяемые в резонансных частотомерах. На (рис. 7а) приведена конструкция резонатора в виде четвертьволнового отрезка коаксиальной линии. Связь резонатора с ВЧ-генератором и измерительным прибором осуществляется посредством петель, расположенных в боковой стенке. Резонатор настраивается при изменении длины центрального проводника. Шкала микрометра, связанного с центральным проводником, градуируется в длинах волн или снабжается градуировочной кривой. ВЧ-контакт между внутренним проводником и торцевой стенкой резонатора образуется при помощи емкости. Противоположный конец резонатора закрыт металлической крышкой. Из-за емкостного краевого эффекта у свободного конца центрального проводника резонансная длина получается несколько меньше λ/4.
Частотомеры коаксиального типа применяют преимущественно в диапазоне длин волн 3-300 см. Диапазон настройки частотомеров с подвижным центральным проводником составляет 2:1. Погрешность частотомеров коаксиальной конструкции составляет (0,05-0,1)% и зависит от конструктивных особенностей прибора и точности калибровки.
Рис. 7.
На более высоких частотах СВЧ-диапазона используют резонансные частотомеры в виде цилиндрических объемных резонаторов. Большую широкополосность и высокую добротность имеют резонаторы, возбуждаемые на колебаниях вида НО011 и НО111.В случае резонаторов на колебаниях вида НО011 для изменения длины цилиндра можно применить бесконтактную торцевую пластину (см. рис. 7,б), так как линии токов колебания этого вида имеют вид окружностей в поперечном сечении цилиндра. Наличие зазора необходимо для устранения других видов колебаний, линии токов которых проходят через зазор. Поле этих колебаний, возбуждаемое в пространстве за пластиной, поглощается в специальном поглощающем слое. Наиболее опасными являются колебания вида ЕО111, имеющие ту же резонансную частоту, что и НО011 . Для ее подавления кроме перечисленных выше мер большое значение имеют выбор и расположение элементов связи учитывающие различие в конфигурации полей колебаний вида НО011 и ЕО111,. В рассматриваемом случае элемент связи представляет собой узкую щель, прорезанную по образующей цилиндра и вдоль узкой стенки подводящего волновода. Повышенные требования предъявляются к тщательности изготовления резонатора, поскольку даже небольшая асимметрия может привести к возбуждению колебаний вида ЕО111 и к снижению добротности резонатора, достигающей в 10-см диапазоне волн 50000.
Конструкция резонатора, работающего на колебаниях вида НО111, изображена на (рис. 7в). Нагруженная добротность его может составлять 15000, что достигается увеличением объема резонатора. Поскольку колебание вида НО111 является основным, сравнительно простыми мерами можно освободиться от паразитных видов колебаний, не сужая значительно диапазон перестройки частот. Длину резонатора изменяют перемещением поршня, который, в отличие от предыдущего случая, должен быть обязательно электрически связан с боковой поверхностью цилиндра при помощи дроссельного соединения, как это указано на рисунке. Погрешность широкодиапазонных частотомеров с цилиндрическими резонаторами в диапазоне длин волн 1-15 см составляет (0,01-0,05)%. Однако в узком диапазоне частот можно получить погрешность 0,005%, а разность частот может быть измерена с погрешностью до 0,001% номинальной частоты.
Погрешность измерения частоты резонансным частотомером зависит от точности настройки его в резонанс, от совершенства механической системы и градуировки, а также от влияния влажности и температуры окружающей среды.
Точность настройки в резонанс зависит от нагруженной добротности резонатора Qн погрешности индикаторного устройства:
где Δf -расстройка частоты, при которой амплитуда тока в А раз меньше, чем амплитуда тока при резонансе. Чтобы уменьшить Δf/f0, нужно выбирать А возможно более близкой к единице, т. е. необходимо иметь точный индикаторный прибор, отмечающий малые изменения тока. Так, если А= 1,02, то Δf/f0=1/ 10 Qн и при Qн =5000 получается Δf/f0=2·10-5.
В резонансных частотомерах с высокой добротностью определенную погрешность вносит механическая неточность настройки вследствие люфтов в приводе, ненадежности контактов между подвижными частями резонатора и т. п.
Чем на больший частотный диапазон рассчитаны частотомеры, тем больше погрешность измерений, связанная с неточностью считывания показаний. Эту погрешность можно рассчитать по формуле
где Δl -погрешность определения положения элемента настройки, обычно соответствующая цене одного деления и равная 0,5-10 мкм. Для того чтобы эта погрешность была одной и той же во всем рабочем диапазоне частот, необходимо иметь df/dl пропорциональное f0.















