147684 (730545)
Текст из файла
ТО та ремонт бульдозера ДЗ-37
ЗМІСТ
Вступ
1 Будова робочого устаткування бульдозера ДЗ-37
2 Організація технічного обслуговування
3 Ремонт бульдозерів
4 Вимоги безпеки при технічному обслуговуванні
Перелiк використаної лiтератури
Вступ
Залежно від потужності й конструкції бульдозери можуть працювати на різних ґрунтах: від болотистих і піщаних до розбірних, висаджених або розпушених порід і руд. Економічно вигідна дальність переміщення ґрунту бульдозером залежить від класу базового трактора, виду й міцності ґрунту й експлуатаційних розумів. Звичайно вона не перевищує 60 м.
При можливості перекосу відвала й достатнім тяговому зусиллі бульдозерами з неповоротним відвалом можна розробляти до 70% всіх видів ґрунтів, включаючи мерзлі й гірські породи, для яких звичайно потрібне попереднє розпушування. Бульдозери з поворотним відвалом мають обмежену область застосування. Їх в основному використовують для нарізки терас на косогорах, засипання траншів поперечними ходами й прокладки піонерних доріг. При цьому повернений у плані відвал дає деякі переваг. Положення центра тиску базових тракторів не дозволяє використовувати відвал, повернений у плані на кут менш 60° від поздовжньої осі. У зв'язку із цим безперервний схід ґрунту убік не забезпечується й тому робота безперервними поздовжніми ходами практично не дає ефекту. До 90-95% години такі бульдозери працюють із прямою установкою відвала.
Бульдозери класифікують по призначенню, номінальному тяговому зусиллю й різним конструктивним ознакам.
Робоче устаткування більшості бульдозерів і всіх скреперів оснащено гідравлічним приводом. Він служить для керування положенням елементів робочого устаткування при виконанні технологічних операцій.
1 Будова робочого устаткування бульдозера ДЗ-37
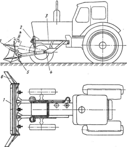
Робочим устаткуванням бульдозера називають землерійно-транспортний орган, що навішується попереду базової машини і керований за допомогою канатного або гідравлічного приводу.
У робочому устаткуванні бульдозера ДЗ-37 на колісному тракторі "Бєларусь" відвал жорстко прикріплений до штовхаючи брусів прямокутного перетину. Відвал 1 криволінійної форми позаду посилений балками. У нижній частині відвала встановлені змінні ножі. Торці відвала закриті бічними щоками, у яких пророблено ряд отворів для кріплення знімних поширювачів 6. Вони виконані у вигляді криволінійних листів, установлених до відвала під кутом 30° і посилених листовими косинками. Позаду до відвала шарнірно приєднані три відкидних розпушувальних зуби 5. При розробці ґрунту відвалом під час переднього ходу машини зуби сковзають тильною стороною на його робочій поверхні; при відході бульдозера назад вони можуть розпушувати ґрунт. Зуби зроблені знімними і можуть бути демонтовані. Штовхаючі бруси, установлені на підрамниках 3 за допомогою двох запряжних шарнірів 4. На машині застосовано два підрамники, що на болтах прикріплені до трактора. Бульдозерне устаткування піднімають і опускають за допомогою двох гідроциліндрів подвійної дії 2. Однією стороною вони шарнірно закріплені на підрамниках, іншою - на штовхаючих брусах.
Ножі бульдозерів ріжуть ґрунт у процесі його розробки. Від конструкції ножа, форми ріжучої кромки, збереження загострення її у процесі роботи, зносостійкості залежить продуктивність машини. Застосовують два типи ножів: середні й бічні.
Рис. 2.1. Робоче обладнання бульдозера ДЗ-37:
1 - відвал з жорсткими штовхаючими брусами, 2 - гідроциліндр, 3 - підрамник, 4 - шарнір, 5 – розпушувальні зуби, 6 - поширювачі
Середній ніж виготовляють зі смугового прокату. Виконані по його краях паралельні кромки скошені під кутом 30°. Для підвищення довговічності ріжучі кромки ножів наплавляють сормайтом або сталінітом. Два ряди квадратних отворів ножа із двох сторін роззенковані під кутом 90°. Отвори втримують кріпильні болти із квадратним оголовником від провертання при нагвинчуванні гайок. Конічна головка болта входить в отвір таким чином, що виявляється на рівні із плоскою робочою поверхнею ножа й не заважає руху ґрунту по ньому. Отвори розташовані на відстані а й б.
Схема зсуву й перестановки середніх ножів показана на мал. 2.2, а. На заводі середній ніж 1 прикріплюють до подножевої плити 3 болтами 2 з гайками в нижньому ряді отворів (положення І). Після зношування ріжучої кромки на міжцентрову відстань б гайки відвертають, ніж опускають до сполучення верхнього ряду отворів (положення II) і свердлінь у плиті 3 і затягують ніж болтами. Коли ріжуча кромка знову зношується, ніж знімають з відвала, розвертають на 180° і закріплюють у нижньому ряді отворів (положення III). Після подальшого зношування його знову зміщають і кріплять на верхньому ряді отворів (положення IV).
Якщо ріжуча кромка виступає на 15...25 мм над нижнім краєм підножевої плити, то ніж заміняють новим. Чотириразова перестановка середнього ножа значно підвищує строк його служби.
На бульдозерний відвал установлюють два-три середніх ножі для полегшення їхньої перестановки.
Лівими й правим бічними ножами 4 (мал. 2.3, б) захищають краї відвала. Відлито ножі зі зносостійкої сталі. Кожний ніж являє собою плоску пластину, бічні й нижня зовнішні кромки якої стовщені для підвищення строку їхньої служби.
Рис. 2.2. Ріжучі ножі бульдозерного відвала:
а - середній, б – бічний
Нижні й бічні кромки скошені під заднім кутом 60°. Верхній край ножа зрізаний під кутом 45°, щоб зменшити залипание ґрунту. У ножі зроблені чотири ряди квадратних отворів з конічної зенковкой із зовнішньої сторони для установки конічних голівок кріпильних болтів. Ножі прикріплені до подножевої плити 3 двома рядами болтів 2 (положення V). Два інших ряди використовують для зсуву ножів долілиць після їхнього зношування (положення VI).
Рис. 2.3. Схеми перестановки ріжучих ножів бульдозера:
а - середнього, б - бічного; 1,4 — ножі, 2 - болт, 3 – плита
2 Органiзацiя технічного обслуговування
У процесі експлуатації бульдозерів і скреперів виникають несправності й ушкодження, обумовлені виробничими, конструктивними або експлуатаційними причинами.
Виробничі причини - це результат порушення технології виготовлення деталей і складальних одиниць, використання матеріалів із прихованими дефектами, неякісного зварювання або зборки.
Конструктивні причини викликають несправності внаслідок призначення розмірів або матеріалу деталей, що не відповідають діючим навантаженням, неправильного вибору сполучення деталей або виду термічної обробки і т.п.
Експлуатаційні причини виникають головним чином у результаті неправильного керування машиною, її перевантаженням, несвоєчасного або неякісного Технічного устаткування і ремонту.
Найбільш розповсюджена несправність - зношування сполучених деталей. Воно виникає в результаті тертя женных деталей. Тертям називають опір відносному переміщенню дотичних тіл, що виникає в місці їхнього контакту. У залежності від характеру цього переміщення розрізняють тертя ковзання і качения.
Тертям ковзання називають тертя руху, при якому швидкості тіл у точці торкання різні по величині і напрямкові або по величині або напрямкові.
Тертя катання характеризує ТО, що швидкості двох твердих тіл у точках торкання однакові по величині і напрямкові.
У залежності від наявності мастильного матеріалу в зоні контакту двох тіл розрізняють два види тертя: без мастильного матеріалу і з мастильним матеріалом.
Найбільш поширене механічне зношування, що виникає в результаті механічних впливів.
Для бульдозерів і скреперів характерно механічне зношування від тертя ковзання, що виникає на поверхнях фрикціонів муфт зчеплення і гальм, шийок валів і підшипників, зчіпних пристроїв, шарнірів робочого устаткування, а також зношування від тертя катання в шарико- і роликопідшипниках. Результатом одночасного впливу тертя ковзання і качения є знос зубів шестірень коробка передач і редукторів.
Різновидом цього виду зношування є абразивним, обумовленим улученням між поверхнями Тертя деталей абразивних часток. Воно характерно для деталей бульдозерів і скреперів, що працюють у ґрунтових умовах, при високої запыленности повітря.
При роботі землерійно-транспортних машин виникають атмосферна і ґрунтова корозії, викликані вологістю повітря і ґрунту.
На характер і величину зносу впливають багато факторів, основними з яких є матеріали деталей, якість поверхні після механічної обробки, зазори і натяги в сполученнях деталей, якість змазування, умови експлуатації.
Метали, застосовувані для виготовлення деталей машин, розрізняються зносостійкістю. Для сполучених пар деталей не рекомендують брати однакові матеріали з рівною твердістю. Складну деталь виготовляють з більш міцного матеріалу. У цьому випадку швидше зношується проста і, отже, дешева деталь, що легше замінити при ремонті.
Неправильно задана термічна обробка матеріалу знижує зносостійкість деталей. Так, наприклад, перегріті зуби шестірень стають тендітними, а недогартовані швидко зношуються.
Висока зносостійкість деталей може бути отримана тільки за умови витримування необхідної шорсткості їхніх поверхонь після механічної обробки. При цій обробці на поверхні деталі залишаються гребінці і шорсткості, що у процесі приробляння інтенсивно стираються і діють як абразив, збільшуючи знос. Шорсткуваті поверхні деталей, крім того, погіршують умови змазування поверхонь Тертя, тому що порушують безперервність масляної плівки між ними.
Зазори, менші допуска мінімально, різко погіршують умови змазування деталей і приводять до їхнього інтенсивного зношування. При збільшених зазорах мастильний матеріал видавлюється зі сполучення і також підвищує знос.
Нерухомі сполучення характеризуються заданим натягом. У процесі експлуатації під дією переданих навантажень натяги зменшуються і сполучення слабшає, викликаючи зношування поверхонь деталей. Цьому значною мірою сприяють перепрессовки деталей при зборці і розбиранні.
Використовувані для змазування матеріали повинні відповідати необхідним фізичним властивостям по в'язкості, хімічній стійкості, відсутності механічних домішок і кислот. При недотриманні цих вимог в умовах високих температур, що виникають у поверхнях Тертя, утворяться смоли і нагары, що погіршують змазування. В'язкість мастильного матеріалу впливає на товщину плівки, що змазується. При підвищеній в'язкості швидше утвориться плівка і зменшується знос деталей в абразивному середовищі.
Оскільки зношування в процесі експлуатації машини неминуче, дуже важливо визначати ступінь зносу деталі й установити необхідність її ремонту. Відомо, що первісний знос з'являється в період приробляння двох деталей. Цей знос незначний і залежить від зазорів і шорсткості поверхонь. Надалі нарастание зносу відбувається за тривалий період експлуатації і, нарешті, знос досягає величини, коли настає значне порушення сполучення деталей. Тому в техніку прийняті поняття про припустимий і граничний знос.
Припустимим зносом називається знос, при якому виріб зберігає працездатність.
Граничний знос відповідає граничному станові деталі, що зношується.
Найбільш поширені наступні методи визначення зносу деталей: візуальний, мікрометричним виміром, визначенням часток в олії.
Візуальний метод дозволяє виявити износы, видимі неозброєним оком. До них відносяться тріщини, вигини, порушення зварених швів, корозія. Метод мікрометричних вимірів полягає у визначенні розмірів деталей після відпрацьовування на машині і зіставленні їх з первісними розмірами. Продуктами зношування деталей є дрібні металеві частки, що знаходяться в зваженому стані в мастильному маТОріалі. При доборі проб з нього можна зробити висновок про наявність металу і, отже, зношуванні деталей.
Запобігти цілком зношування деталей не можна, але сповільнити його поява, продовжити ТОрмін служби машини можна при правильній експлуатації механізмів. Точне дотримання вимог інструкції з експлуатації, своєчасне виявлення й усунення виникаючих несправносТОй можуть забезпечити рішення цієї задач. Основні положення системи планово-попереджувального Технічного обслуговування і ремонту машин
Система планово-попереджувального технічного обслуговування і ремонту машин являє собою комплекс організаційно-технічних заходів, проведених у плановому порядку для забезпечення працездатності і справності машин протягом усього терміну їхньої служби, при дотриманні заданих умов і режимів експлуатації.
Плановий характер системи дозволяє заздалегідь визначити потреба в маТОріалах, запасних частинах, устаткуванні і штаті робітників, необхідних для обслуговування і ремонту. Система називається попереджувальної, тому що обов'язкове Технічне обслуговування і ремонт спрямовані на запобігання несправносТОй машин, а також причин їхнього виникнення.
Технічне обслуговування. Технічне обслуговування являє собою комплекс операцій по підтримці працездатності або справності машини при використанні по призначенню, збереженні і транспортуванні.
Технічне обслуговування містить у собі наступні основні елементи: зовнішнє обслуговування (огляд, мийку, збирання); кріпильні роботи; контроль і регулювання; виявлення й усунення несправностей; змазування складальних одиниць; заправлення систем.
Характеристики
Тип файла документ
Документы такого типа открываются такими программами, как Microsoft Office Word на компьютерах Windows, Apple Pages на компьютерах Mac, Open Office - бесплатная альтернатива на различных платформах, в том числе Linux. Наиболее простым и современным решением будут Google документы, так как открываются онлайн без скачивания прямо в браузере на любой платформе. Существуют российские качественные аналоги, например от Яндекса.
Будьте внимательны на мобильных устройствах, так как там используются упрощённый функционал даже в официальном приложении от Microsoft, поэтому для просмотра скачивайте PDF-версию. А если нужно редактировать файл, то используйте оригинальный файл.
Файлы такого типа обычно разбиты на страницы, а текст может быть форматированным (жирный, курсив, выбор шрифта, таблицы и т.п.), а также в него можно добавлять изображения. Формат идеально подходит для рефератов, докладов и РПЗ курсовых проектов, которые необходимо распечатать. Кстати перед печатью также сохраняйте файл в PDF, так как принтер может начудить со шрифтами.















