147621 (730525), страница 3
Текст из файла (страница 3)
Кодирование с приемного конца (что соответствует неправильному направлению движения) осуществляется на частоте не ниже 175 Гц.
Конденсатор С1 емкостью 8 мкФ, представляющий собой емкостный ограничитель тока на питающем конце при шунтировании рельсовой линии поездом, служит также для обеспечения оптимального входного сопротивления питающего конца и получения требуемых фазовых соотношений на путевых реле ДСШ-2. Конденсаторы С2 и С3 предназначены для настройки в резонанс на частоту 50 Гц приемных концов для достижения максимального входного сопротивления конца, составляющего не менее 0,2 Ом, что обеспечивает нормативную шунтовую чувствительность РЦ. Конденсаторы С1, С2 осуществляют, кроме того, пропуск сигнальных токов АРС при кодировании РЦ с соответствующих концов.
Суммарное сопротивление кабельной линии и регулируемых резисторов Rд должно быть не менее 100 Ом. При длине кабеля более 2 км резисторы выключаются. Сопротивление регулируемого резистора Rо (типа 7157 с полным сопротивлением 0,6 Ом), служащего для ограничения ответвляющегося в аппаратуру РЦ тягового тока, составляет 0,15 Ом.
Таблица 4.1
| Параметр | Значение параметра при длине РЦ, м | |||||
| 50 | 100 | 150 | 200 | 250 | 300 | |
| Uн, В | 98 | 103 | 108 | 113 | 116 | 123 |
| Угол сдвига фаз, град | 105 | 105 | 104 | 104 | 103 | 103 |
| Uш, В | 94 | 100 | 107 | 113 | 120 | 126 |
| Угол сдвига фаз, град | 63 | 62 | 61 | 60 | 59 | 59 |
В табл.4.1 приведены значения напряжения Uн на вторичной обмотке трансформатора ПТ в нормальном режиме и угла сдвига фаз между напряжениями на местной и путевой обмотках путевого реле при напряжении на реле 55 В и в шунтовом режиме соответственно при напряжении на реле 18 В и нормативном шунте 0,06 Ом на приемном конце РЦ. Регулировочные данные соответствуют удаленности аппаратуры от конца РЦ на 2 км.
7. Особенности применения рельсовых цепей на аппаратуре БРЦ
При использовании аппаратуры бесстыковых рельсовых цепей для контроля разветвленных стрелочных участков возникают вопросы, связанные с обеспечением контроля исправности изолирующих стыков. Контроль целостности изоляции в стыках необходим для обеспечения безопасности движения поездов. Отсутствие контроля в случае "пробоя" изолирующего стыка влечет опасность прохождения сигнала АРС через замкнутый стык из одной РЦ в другую. При движении по одному маршруту появляется возможность передачи разрешающего кодового сигнала АРС для поезда враждебного маршрута.
В РЦ частотой 50 Гц для выявления неисправности стыков используется принцип компенсации токов смежных рельсовых цепей, приводящей к обесточиванию путевых реле.
В рельсовых цепях, работающих на аппаратуре БРЦ, при коротком замыкании стыков также происходит наложение сигналов, однако путевые реле смежных РЦ могут остаться под током. Входное сопротивление аппаратуры смежной РЦ, подключаемой параллельно данной РЦ при пробое изоляции в стыке, превышает сопротивление нормативного шунта (0,06 Ом) в 4-5 раз, поэтому взаимное шунтирование смежных концов при неисправности изолирующих стыков нельзя гарантировать.
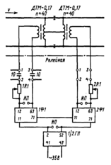
Для контроля исправности изолирующего стыка в смежных РЦ, стыкующихся питающими концами, применяется схема, приведенная на рис.4.9 В этом случае используется общий для смежных РЦ путевой генератор ГРЦ и усилитель У типа ПУ-1 аналогично питающему концу на бесстыковом пути для каждой РЦ устанавливается индивидуальный комплект, состоящий из выходного трансформатора ВТ типа ПТЦ, путевого фильтра Ф типа ФП и согласующего трансформатора ПОБС-2А. Допускается использовать в качестве согласующего элемента дроссель-трансформатор ДТМ-0,17 или ДТ-0,6. Контроль исправности изолирующего стыка обеспечивается благодаря снижению сигнального тока РЦ в рельсовой линии из-за наложения сигнала самого на себя в противофазе при пробое изоляции в стыке. Трансформаторы ВТ1 и ВТ2 подключаются таким образом, чтобы фазы сигнального тока в смежных РЦ различались на 180°. Короткое замыкание хотя бы одного стыка должно вызывать отпускание якоря путевого реле в обеих РЦ.
Изменением числа витков вторичных обмоток трансформаторов ВТ1 и ВТ2 осуществляется раздельная регулировка смежных рельсовых цепей.
Схемы контроля исправности изолирующих стыков
Рис.4.9 на аппаратуре питающего конца БРЦ Рис.4.10 на аппаратуре БРЦ третьего поколения
Схема контроля исправности изолирующих стыков при использовании аппаратуры третьего поколения приведена на рис.4.10
Если длины смежных рельсовых цепей отличаются более чем в 1,5 раза или условия распространения сигнального тока в РЦ различны, то из-за отсутствия возможности раздельной регулировки на релейном конце, работающем с перегрузкой, устанавливается уравнивающий трансформатор УТ3 таким образом, что его первичная обмотка (выводы 1-2) подключается к выводам 11-43 путевого приемника, а вторичная обмотка - к кабельной линии. Коэффициент трансформации выбирается исходя из требуемого значения напряжения на входе путевого приемника в нормальном (регулировочном) режиме. Для обеспечения нормативного сопротивления уравнивающего трансформатора он настраивается на несущую частоту сигнального тока рельсовой цепи установкой внешней перемычки:
Частота сигнала, Гц 420 480 580 720 780
Выводы для установки перемычек 3-10 4-10 5-10 6-10 7-10
При расположении изолирующих стыков между приемными концами смежных РЦ (рис.4.11) для обеспечения контроля исправности изоляции в стыке используется один или два дополнительных путевых приемников ДФР типа ПРЦМ или ППМ.
Рис.4.10 Схема контроля исправности изолирующих стыков с использованием аппаратуры приемного конца БРЦ
Дополнительный приемник разделяет схему на два контура, взаимосвязанных по сигналам РЦ и вместе с тем разграниченных по сигналам АРС. К выходу дополнительного приемника подключается реле АНШ 2-1230 с параллельно соединенными обмотками.
В случае свободности РЦ2 и РЦ3 и исправного состояния изолирующих стыков сигнальный ток, поступающий из РЦ2, воспринимается приемниками 2ФР и ДФР, а сигнальный ток РЦ3 - приемником 3ФР. Соответствующие исполнительные реле находятся под током. При исправности стыков исключается прохождение сигнального тока АРС из РЦ2 в РЦ3 через аппаратуру, поскольку входной контур дополнительного приемника настроен на сигнал РЦ, и его входное сопротивление на частоте АРС минимально.
При движении поезда контрольное реле КС остается под током и при занятой РЦ2, поскольку получает питание по обходной цепи через собственный фронтовой контакт и тыловой контакт повторителя основного путевого реле. Разница во времени отпускания якорей реле П2П и КС компенсируется с помощью конденсатора С1 емкостью 1000 мкФ.
При замыкании стыка сигнал рельсовой цепи поступает на вход дополнительного приемника, помимо основной цепи, также и по обходной через замкнутый стык. Благодаря встречному включению дополнительных обмоток дроссель-трансформаторов (вторичных обмоток согласующих трансформаторов ПОБС-2А) сигнальный ток из РЦ2 накладывается на входе дополнительного приемника сам на себя в противофазе. Контрольное реле отпускает якорь и не встает под ток до тех пор, пока не восстанавливается нормальная работа изолирующего стыка.
Контакты контрольного реле используются в сигнализации нормальной работы у дежурного по станции и в системе АЛС-АРС для исключения кодирования стрелочной секции при наличии двух поездов враждебных маршрутов.















