147228 (730455), страница 2
Текст из файла (страница 2)
Гидробак, гидравлический фильтр, автомат разгрузки, электроприводной насос, гидравлический фильтр, предохранительный клапан и датчик давления расположены под задним зализом центроплана. Клапаны разъема и обратные клапаны расположены на передних силовых шпангоутах в правой и левой гондолах двигателей. Гидропневматический аккумулятор с баллоном, электромагнитный кран и обратные клапаны установлены на заднем силовом шпангоуте гондолы левого двигателя со стороны хвостового отсека.
Гидропневматический аккумулятор тормозов, датчик, перепускной клапан и обратный клапан установлены в отсеке переднего шасси, бортовые приемные клапаны всасывания и нагнетания — на бортовой панели гидросистемы на левом борту правой гондолы двигателя, кран кольцевания — на левом пульте в кабине экипажа.
4. Наддув гидробака
Участок наддува гидробака состоит из следующих агрегатов: редуктора, штуцера наддува, клапана стравливания, фильтра воздушного и фильтра осушителя и предохранительных клапанов. Наддув поддерживает в гидробаке избыточное давление, необходимое для работы насосов в полете. Кроме того, повышенное давление в гидробаке позволяет подводить жидкость к насосам по трубопроводам относительно небольшого диаметра.
Воздух для наддува отбирается после десятых ступеней компрессоров обоих двигателей. Осушка воздуха и очистка его от механических примесей осуществляется фильтром-осушителем с силикогелевым поглотителем и фильтром. Давление воздуха, поступающего в гидробак, снижается редукционным клапаном до 1±0,1 кгс/см2. Для защиты от чрезмерного повышения давления на гидробаке установлены два предохранительных клапана, открывающихся при избыточном давлении 1,5±0,3 кгс/см2.
Для улучшения работы насосов наземного гидроагрегата давление наддува гидробака может создаваться от аэродромного источника через штуцер, расположенный на панели бортовых приемных клапанов гидросистемы. Воздух в штуцер должен подаваться под давлением 1—7 кгс/см2. На бортовой панели расположен также клапан для стравливания давления из гидробака. Перед открытием горловины гидробака необходимо предварительно стравить давление.
Обратные клапаны, редуктор, фильтры установлены на левом борту правой гондолы двигателя в нише шасси, клапан стравливания и бортовой штуцер наддува — на бортовой панели аэродромного питания гидросистемы на левом борту правой гондоле двигателя.
5. Участок уборки и выпуска шасси
Участок уборки и выпуска шасси состоит из следующих основных агрегатов: крана ГА-142, цилиндров замков убранного положения шасси, цилиндра выпущенного положения шасси, гидроцилиндров механизмов распора основного шасси, цилиндров уборки-выпуска шасси, вентиля, дросселя и обратных клапанов.
Участок уборки-выпуска шасси подключен к общей системе источников давления и обеспечивает уборку и выпуск переднего и главного шасси. Управление осуществляется электромагнитным краном. Кран шасси, получая соответствующий сигнал, открывается и подает жидкость под давлением из линии нагнетания общей сети в линию уборки или в линию выпуска шасси. Другая линия в это время сообщается краном со сливной магистралью для слива жидкости в гидробак из полостей силовых цилиндров шасси. При обесточивании крана линия нагнетания источников давления перекрывается, а обе линии шасси сообщаются со сливной магистралью. Для достижения синхронности движения основных шасси установлен в линии выпуска правой стойки шасси дроссель, так как эта линия короче линии, идущей к левой главной ноге. Для предупреждения непроизвольного включения или случайной перекладки переключателя шасси через нейтральное положение на выпуск после уборки шасси или на уборку после выпуска рычаг переключателя контрится поворотной шайбой с прорезью, разворачивающейся в одно из трех положений: в первом рычаг контрится в нейтральном положении, во втором допускается движение рычага на выпуск шасси, в третьем — на уборку.
Уборка шасси. Электрическая цепь уборки шасси (см. рис. 1) может работать только в том случае, если она замкнута концевым выключателем, установленным на амортизационной стойке правой стопки шасси. Он замыкается при полностью выдвинутом штоке амортизатора. Таким образом, при стоянке на земле, когда амортизатор обжат, цепь уборки шасси разомкнута. При отрыве колес от земли цепь уборки замыкается. Для уборки шасси при отказе концевого выключателя на центральном пульте установлен нажимный выключатель, при включении которого электропитание подается па кран шасси независимо от концевого выключателя.
Рис. 1 Электросхема уборки-выпуска шасси1
1 — шина на щите АЗС; 2 — выключатель АЗР-б: 3—переключатель 2ППНГ-15К уборки-выпуска шасси; 4 — выключатель ВНГ-15ГК отключения блокировки шасси; 5, 5. 10 — диоды Д'2Н; 6 — выключатель концевой ДП-702 блокировки уборки шасси на земле; 7 — крак электромагнитный ГА-140 зарядки гнд-роппевматического а кку? гул я тор а -т2 (см. рис. 5.1); .9 — кран электромагнитный ГЛМ2/1 уборки-выпуска шасси
Перед уборкой шасси необходимо убедиться, что электроцепи управления поворотом колес передней ноги обесточены: зеленые лампы сигнализации включения управлении передней ноги не горят. При установке переключателя шасси в положение «Уборка» «плюс» постоянного тока подается на кран 63 шасси (на электромагнит уборки) и на кран зарядки аккумулятора (на закрытие крана). Жидкость из крана поступает одновременно в цилиндр открытия замка выпущенного положения и цилиндр уборки-выпуска передней ноги, в цилиндры распора и цилиндры уборки-выпуска главного шасси. Начинается уборка шасси. Вначале размыкаются концевые выключатели 2, 4 и 6 (рис. 2) сигнализации выпущенного положения и гаснут зеленые лампы «Шасси выпущено». После полной уборки шасси срабатывают концевые выключатели 1, 3, 5 сигнализации убранного положения шасси, которые включают красные лампы сигнализации убранного положения. При этом запираются все замки убранного положения шасси и зажигаются красные лампы «Шасси убрано».
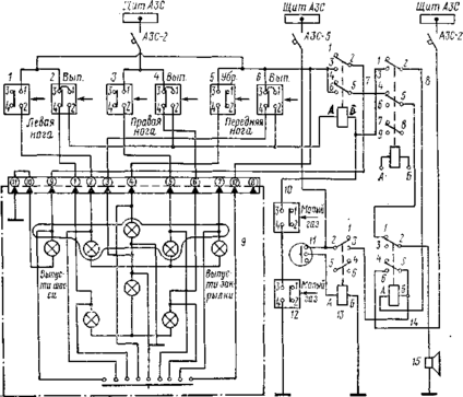
Рис.2 Электросхема сигнализации шасси2
1 — выключатель концевой ДП-702 сигнализации убранного положения левого шасси; 2 — выключатель концевой ДП-102 выпущенного положения левого шасси; 3 - выключатель концевой ДП-702 убранного положения правого шасси; 4 — выключатель концевой ДП-102 выпущенного положения правого шасси; 5 — выключатель концевой убранного положения переднего шасси; 6 — выключатель концевой ДП-102 выпущенного положения переднего шасси; 7 —реле сигнализации шасси; 8 — реле сигнализации закрылков; 9 — пилотажно-посадочный сигнализатор ППС-2МВК; 10,12 - выключатели концевые КВ-9А сигнализации убранного положения шасси па секторах газа; 11 —кнопка отключения сирены; 13 - реле промежуточное; 14 — реле отключения звуковой сигнализации; 15 — сирена С-1
Через 3—5 с. после загорания всех ламп «Шасси убрано» переключатель шасси 3 (см. рис. 1) должен быть переведен в нейтральное положение и законтрен. При этом краном линии уборки и выпуска шасси сообщаются со сливной магистралью, а краном открывается линия зарядки аккумулятора из общей сети нагнетания. При уборке шасси подъем ног происходит резко, поэтому при наземной обработке шасси следует тщательно проверять установку самолета на гидроподъемниках.
Выпуск шасси. При установке переключателя 3 (см. рис. 1) в положение «Выпуск» «плюс» постоянного тока подается на кран. Жидкость из крана поступает одновременно к цилиндрам замков убранного положения шасси. Подача жидкости в цилиндры уборки-выпуска происходит через цилиндры замков убранного положения. При этом в каждом цилиндре замка канал для прохода жидкости к цилиндру уборки-выпуска открывается только после открытия замка. Такая последовательность подачи жидкости обеспечивает открытие замка, нагруженного только массой ноги без догрузки его цилиндром уборки-выпуска. Кроме того, подача жидкости в цилиндры главных ног через цилиндры замков убранного положения обеспечивает практически синхронное открытие замков главных ног.
После открытия замков убранного положения ноги шасси выпускаются под действием собственной массы (а в полете, кроме того от встречного потока воздуха) и освобождают концевые выключатели 1, 3, 5 убранного положения шасси (см. рис. 2). Каждый концевой выключатель сигнализации в этот момент отключает свою красную лампу. Жидкость под давлением поступает в цилиндры ног на выпуск, помогая тем самым выпуску ног. Для предотвращений резкого удара при выпуске в цилиндре каждой ноги смонтировано дроссельное устройство, включающееся в конце хода для торможения выпуска.
Когда ноги полностью выпущены, запираются замки выпущенного положения и нажимаются концевые выключатели 2, 4 и 6 сигнализации выпушенного положения. Каждый концевой выключатель включает свою зеленую лампу сигнализации выпущенного положения шасси и разрывает свою линию питания табло «Выпусти шасси» и сирены 15. После выпуска трех стоек питание этого табло и сирены полностью отключится. Через 3—5 с. после загорания всех ламп «Шасси выпущено» переключатель шасси 3 (см. рис. 1) должен быть переведен в нейтральное положение и законтрен. При этом линии выпуска шасси сообщаются со сливной магистралью.
Прерванная уборка или выпуск шасси. При необходимости во время уборки шасси можно перейти на выпуск и, наоборот, во время выпуска перейти на уборку шасси. Для этого переключатель шасси 3 следует поставить в положение «Нейтрально», выдержать 3—5 с. и затем установить в требуемое положение — «Выпуск» или «Уборка». Сигнализация при этом работает в соответствии с движением стоек шасси.
Аварийный выпуск шасси при ожесточенном кране ГА142/1. При обесточенном электрокране можно произвести выпуск шасси от основной системы, включив кран вручную нажатием его кнопки. Рукоятка механизма нажатия кнопки электрокрана выведена в грузовую кабину фюзеляжа в правый короб на потолке между шпангоутами. Для доступа к рукоятке следует открыть в этом месте участок панели. Выпуск шасси производится вытягиванием на себя рукоятки и удерживанием ее в этом положении до окончания выпуска всех стоек шасси. Вытягивание рукоятки следует производить с усилием 8—10 кгс. до упора. При вытягивании рукоятки усилие через рычаг механизма передается на золотник крана, поэтому прилагать к рукоятке усилие, значительно прерывающее указанную величину, запрещается.
Работа гидросистемы и сигнализации шасси при управлении электрокраном вручную происходит так же, как и при обычном выпуске.
Аварийный выпуск шасси при отказе гидросистемы. Аварийный выпуск шасси производится открытием вручную замков убранного положения передней и главных стоек с помощью рукояток и тросовой проводки. Для того чтобы обеспечить беспрепятственный выпуск жидкости из цилиндров уборки-выпуска (из полостей уборки) при любом положении золотника крана, шасси, перед аварийным выпуском следует открыть вентиль сброса давления из линии уборки, расположенной в кабине экипажа на центральном пульте. При аварийном выпуске шасси переключатель шасси должен находиться в положении «Нейтрально».
Заключение
Таким образом, в моем реферате были рассмотрены все основные вопросы, касающиеся конструкции гидросистемы самолета и сети управления выпуском шасси:
-
Основная система применяется в нормальных условиях эксплуатации самолета и обеспечивает обслуживание всех механизмов и устройств, работающих от гидросистемы.
-
Аварийная система используется для выпуска закрылков, торможения колёс, открытия аварийного люка экипажа и аварийного управления откатом и накатом рампы при выходе из строя основной системы.
-
Система ручного насоса обеспечивает открытие - закрытие пороговых и боковых замков, откат и накат рампы, открытие замков рельсов, подъем рампы и дозаправку гидробака.
-
Участок наддува гидробака состоит из следующих агрегатов: редуктора, штуцера наддува, клапана стравливания, фильтра воздушного и фильтра осушителя и предохранительных клапанов. Наддув поддерживает в гидробаке избыточное давление, необходимое для работы насосов в полете.
-
Участок уборки и выпуска шасси состоит из следующих основных агрегатов: крана ГА-142, цилиндров замков убранного положения шасси, цилиндра выпущенного положения шасси, гидроцилиндров механизмов распора основного шасси, цилиндров уборки-выпуска шасси, вентиля, дросселя и обратных клапанов.Участок уборки-выпуска шасси подключен к общей системе источников давления и обеспечивает уборку и выпуск переднего и главного шасси.
Список литературы
-
Бортовые системы управления самолетом. Под общ. ред. Ю.В. Байбородина. Учебное пособие для студентов ВУЗов гражданской авиации. – М.: «Транспорт», 1975. 355 с.
-
Логвинов Л.М. «Повышение надежности гидравлических систем» Вестник Самарского государственного аэрокосмического университета, №1, 2007
-
Малков С.Н. Организация централизованного ремонта агрегатов самолетов. – М.: «Транспорт», 1974 г. 180 с.
-
Самолет АН-26. Конструкция и эксплуатация. Черненко Ж.С., Лагосюк З.С., Горовой Б.И. – М.: «Транспорт», 1978. 311 с.
-
Самолет АН-26. Конструкция и эксплуатация. Черненко Ж.С., Лагосюк З.С., Горовой Б.И. – М.: «Транспорт», 1977. 341 с.
1 - Самолет АН-26. Конструкция и эксплуатация. Черненко Ж.С., Лагосюк З.С., Горовой Б.И. – М.: «Транспорт», 1978. – с. 133
2 - Самолет АН-26. Конструкция и эксплуатация. Черненко Ж.С., Лагосюк З.С., Горовой Б.И. – М.: «Транспорт», 1978. – с. 134
















