147007 (730384)
Текст из файла
ДИСПЕТЧЕРСКАЯ ЦЕНТРАЛИЗАЦИЯ СИСТЕМЫ «НЕВА»
1 Характеристика системы
Диспетчерская централизация – это комплекс устройств ж.д. автоматики и телемеханики, состоит из АБ на перегонах, ЭЦ стрелок и сигналов на станциях, системы ТУ – ТС и дающей возможность поездному диспетчеру задавать поездные и маневровые маршруты на раздельных пунктах диспетчерского участка из поста ДЦ.
ДЦ «Нева» нашла широкое распространение на сети железных дорог Украины. Она обеспечивает спорадическую (по мере надобности) управляющих сигналов и циклическую (непрерывную) передачу известительных приказов. Преимуществами системы ДЦ «Нева» по сравнению с другими системами ДЦ являются:
-
использование более простой и совершенной линейной цепи;
-
отсутствие на линейных пунктах пусковой аппаратуры (начинающих, главного и других реле);
-
автоматическое исправление в следующем цикле случайных искажений известительного приказа;
-
возможность применение на разветвлённых участках дороги и узлах;
-
независимость загрузки известительных каналов от размеров движения поездов.
Система «Нева» хорошо себя зарекомендовала, однако необходимость повышения эффективности применения современных средств А и Т при управлении перевозочными процессами потребовала существенного увеличения ёмкости канала ТУ в ДУ. Основноё причиной этого является стремление к осуществлению диспетчерского управления маневровыми передвижениями взамен местного. Была создана система ДЦ «Луч», в которой обеспечивается высокая достоверность и защищённость от искажений сигнала в канале ТУ.
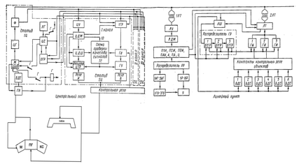
В проектируемой системе «Нева» центральный пост ЦП соединён одним физическим каналом связи с линейными пунктами ЛП, которые устраиваются по одному на каждой промежуточной станции. Канал связи, соединяющий ЦП с ЛП, используется как для передачи приказов объектам, так и для извещения о их состоянии.
Для размещения кодовой аппаратуры ЛП, а также трансляционных пунктов, применяются стативы закрытого типа. На посту ДЦ размещено выносное табло, пульт-манипулятор с поездографом (ПГ), панелью манипулятора (М), и панелью концентратора связи (КС), а также стативы 1Ц, 2Ц, О и СКР. Для посылки управляющего приказа диспетчер воздействует на кнопки пульт-манипулятора при этом срабатывает наборные реле ГН и включают реле Г. Генерируется управляющий приказ, характер которого определяется шифратором ЦШР и в соответствии с содержанием передаваемого распоряжения. Бесконтактный шифратор с наборной группой реле ГН связан через блоки БДС, исключающие образование обходных цепей. Модулятор М поочередно шунтирует колебательные контуры генератора ЦГ. Частоты управляющего приказа через разделительный фильтр Ф поступают в линейную цепь.
Р
ис. 1 Структурная схема ДЦ «Нева».
На линейных пунктах эти частоты проходят через трансформатор 1ЛТ, усиливаются и демодулятором ЛДМ преобразуются в импульсы постоянного тока. В результате дальнейшей дешифрации при помощи повторителей реле, фиксирующих характер частоты ( П1И, П2И, ПОИ, ПАИ ), распределителя РР и избирательных реле (1ИГ — 5ИГ ) возбуждается групповое избирательное реле ГУ группы объектов, в которую поступает приказ, и регистрирующее реле Р, фиксирующее характер приказа. Включается управляющее реле У и приказ реализуется.
Известительные приказы передаются, циклически, причем последовательность их посылки от различных групп объектов определяется групповыми распределителями. Групповой распределитель, непрерывно отсчитывая кодирующие группы, определяет момент времени, когда посылка информации должна производиться с данного линейного пункта. Так, на рис.1 эту функцию выполняет групповой распределитель ГР состоящий из трех четвертичных счетчиков, размещенных в блоках 1БТГР — ЗБТГР.
В соответствующий момент времени распределитель ГР поочередно включает групповые избиратели 1ГИ — ЗГИ, которые при помощи контактов контрольных реле и блоков БДС настраивают шифратор ЛШ. Генератор ЛГ вырабатывает частоты в соответствии с этой настройкой и передает всю необходимую информацию поочередно от всех групп объектов линейного пункта. Эти частоты через трансформатор 2ЛТ поступают в линейную цепь.
На центральном посту для приема информации, передаваемой по каждому известительному каналу, устанавливается отдельный статив 2Ц с соответствующей аппаратурой. При использовании трех известительных каналов на центральном посту устанавливаются три статива. Соответствующие частоты при поступлении на пост проходят через разделительный фильтр Ф, усиливаются и демодулятором ЦДМ преобразуются в импульсы постоянного тока. При дальнейшей дешифрации в блоке ЦДШ принятая информация затем фиксируется в первой ступени регистра ЦТР. В свою очередь групповой распределитель 1ГР определяет группу объектов, из которой поступила информация, а схема проверки качества выявляет наличие в принятом цикле новой информации. Если такая информация имеется, то она передается во вторую ступень регистра ЦТР и вызывает срабатывание исполнительных реле И. Групповой распределитель при этом включает групповой избиратель ГИ и через усилитель ГУ включает избирательное реле В группы объектов, от которой поступила информация. Через контакты реле В и И включаются соответствующие контрольные реле К, осуществляющие необходимые переключения на табло. Если новой информации в принятом групповом цикле не оказывается, то реле 5, И, а также К. не возбуждаются и индикация на табло не изменяется.
Аналогично работают устройства центрального поста и при приёме информации, поступающей по другим известительным каналам.
Кодирующие группы отсчитываются групповыми распределителями центрального поста и линейных пунктов. Синфазность работы распределителей обеспечивается посылкой за 64 мс до окончания полного цикла проверки объектов с центрального поста сигнала цикловой синхронизации частотой f3у. Для этого установлен блок цикловой синхронизации ЦС, который совместно с общим групповым распределителем ОГР определяет периодичность и длительность передачи сигнала ЦС. Генератор ЛГ центрального поста содержит задающий каскад 4000 Гц и делитель частоты 1:32 и выдаёт на вход блока ЦС тактовые импульсы с интервалом 8 мс, обеспечивая работу этого блока и распределителя ОГР.
2 Главные характеристики системы ДЦ «Нева»
Особенностью системы «Нева» является применение циклического контроля управляемых и контролируемых объектов устройств. Информация о состоянии объектов передаётся на диспетчерский пост периодически, независимо от того, изменялось это состояние или нет. Время в течении которого на диспетчерский пост поступает информация о состоянии всех устройств на диспетчерском участке, называется длительностью цикла и при расчётной ёмкости системы равно 5376 мс. Начало каждого цикла определяется посылкой по каналу ТУ сигнала цикловой синхронизации ЦС, запускающего на каждом исполнительном пункте устройство точного отсчёта времени, разделяющее цикл 24 интервала длительностью каждый 224 мс. В каждом интервале передаётся сигнал ТС, содержащий информацию о состоянии объектов в отдельной группе, группа объединяет 20 двухпозиционных объектов. Из 24 интервалов 23 предназначены для передачи сигналов ТС, а 24-й для передачи сигнала ЦС. Увеличение ёмкости системы достигается применением нескольких частотных каналов (см. таб.1).
Таблица 1
| номер канала ТС | Частота, Гц | |||
Граничная | Рабочая | |||
| нижняя | верхняя | f1 и | f2 и | |
| I | 900 | 1350 | 1025 | 1225 |
II | 1500 | 1950 | 1625 | 1825 |
III | 2100 | 2550 | 2225 | 2425 |
IV | 2700 | 3150 | 2825 | 3025 |
При двухпроводной линейной цепи можно использовать три канала ТС ( II, III, IV ); I сигнал, близко расположенный к частотам канала ТУ, следует применять при 4-х проводной схеме связи. По сравнению с системами ДЦ спорадического действия система "Нева" имеет особенности: автоматически исправляет случайные искажения в канале ТС в непрерывно следующих циклах проверки, не имеет начинающих и других реле, выявляющих изменения состояния объектов и осуществляющих пуск передачи сигналов ТС; в линейной цепи отсутствуют контакты реле для отключения части цепи за пунктом, ведущим передачу сигнала ТС; все приёмники и передатчики к линейной цепи подключаются параллельно, в связи с чем имеется возможность работы на разветвлённых цепях.
Ёмкость ДЦ системы "Нева" характеризуется следующими данными:
-
расчётное число ИП – 20;
-
число групп управляемых объектов на одном ИП – до 7;
-
число тактов для посылки команд в группу – 8;
-
ёмкость ТУ по числу управляемых объектов – 1120;
-
число групп в одном канале ТС – 23;
-
число групп контролируемых объектов – до 6;
-
число двухпозиционных объектов, контролируемых по одному каналу ТС – 460;
-
число параллельных каналов ТС при 2-х проводной линейной цепи – 3.
3 Структура сигналов ТУ и ТС и назначение каждого элемента
кода соответственно с заданием
В диспетчерской централизации системы «Нева» одна физическая цепь может быть использована для организации одного управляющего и трех известительных каналов. В управляющем канале применяются частоты 500, 600, 700 и 800 Гц, в известительных — 1625 и 1825 Гц (второй канал); 2225 и 2425 Гц (третий канал); 2825 и 3025 Гц (четвертый канал).
Распределение групп объектов по известительным каналам показано на рис.2, в виду того что не рекомендуется использовать первый известительный канал из-за близости его частот к каналу ТУ на каждом линейном пункте было взято не по 6 групп ТС, а по 4 группы на каждом линейном пункте.
Управляющий приказ содержит 19 импульсов (рис.3), его четные импульсы передаются частотами f1у и f2у (500 и 600 Гц), нечетные — частотами f3у и f4у (700 и 800 Гц). Активными являются частоты f1у и f3у, пассивными — f2у и f4у. Нулевой импульс передается частотой f2у и служит для приведения приемных устройств линейных пунктов в рабочее состояние. Импульсы 1—6 являются избирательными и предназначены для выбора одной из станций, для заданного варианта номер станции 15. Три из шести импульсов передаются активными частотами, остальные—пассивными. Импульсы 7, 8, 9 и 18 выбирают на станции соответствующую группу объектов (первая группа). Два из четырех импульсов передаются активными частотами два — пассивными, что позволяет иметь на каждой станции до шести групп управляемых объектов . Число групп управляемых объектов на станции может быть доведено до семи, для выбора седьмой группы импульсы 7, 8, 9 и 18 передаются активными частотами.
Импульсы 10—14 исполнительные и используются для передачи приказов объектам выбранной группы (маршрут с 3-го пути). Импульсы 15-17 определяют признак команды (чётное отправление).
Известительные приказы и каждом канале передаются двумя частотами. Это обусловлено тем, что синхронная работа распределителей центрального поста и линейных пунктов обеспечивается установкой специальных тактовых генераторов с высокой стабильностью частоты. Поэтому соседние импульсы в известительных приказах могут передаваться одинаковыми частотами.
Синфазность работы распределителей при передаче известительных приказов достигается посылкой сигнала цикловой синхронизации. Контролируемые объекты разделены на группы по 20 объектов.
На каждую группу контролируемых объектов выделены 22 импульса длительностью 8 мс каждый (рис.3), из которых 1-й — начальный, 2—21 — передают соответствующую информацию, 22-й — завершающий. Начальный и завершающий импульсы всегда посылаются активными частотами, характер остальных импульсов определяется содержанием передаваемой информации, по нашему варианту активным является 4-й импульс (маршрут с 3-го пути, см. таб.2). Групповые известительные циклы отделены один от другого интервалами в 48 мс.
Характеристики
Тип файла документ
Документы такого типа открываются такими программами, как Microsoft Office Word на компьютерах Windows, Apple Pages на компьютерах Mac, Open Office - бесплатная альтернатива на различных платформах, в том числе Linux. Наиболее простым и современным решением будут Google документы, так как открываются онлайн без скачивания прямо в браузере на любой платформе. Существуют российские качественные аналоги, например от Яндекса.
Будьте внимательны на мобильных устройствах, так как там используются упрощённый функционал даже в официальном приложении от Microsoft, поэтому для просмотра скачивайте PDF-версию. А если нужно редактировать файл, то используйте оригинальный файл.
Файлы такого типа обычно разбиты на страницы, а текст может быть форматированным (жирный, курсив, выбор шрифта, таблицы и т.п.), а также в него можно добавлять изображения. Формат идеально подходит для рефератов, докладов и РПЗ курсовых проектов, которые необходимо распечатать. Кстати перед печатью также сохраняйте файл в PDF, так как принтер может начудить со шрифтами.
















