146915 (730354), страница 3
Текст из файла (страница 3)
Устройство контроля кабельных цепей осуществляет непрерывную проверку состояния изоляции жил кабеля с отключением передающей аппаратуры РЦ в случае обрыва, одно - или двухполюсного замыкания цепей между собой и через оболочку кабеля, а также при замыкании жилы на землю. После выявления и устранения повреждения устройство автоматически переходит в исходное рабочее состояние.
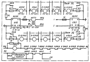
Рис.3.5 Схема контроля исправности кабельных цепей
Схема (рис.3.5) предназначена для контроля исправности четырех питающих (передающих) и четырех релейных (приемных) кабельных цепей. Имеются две идентичные схемы контроля, в одну из которых включены питающие цепи, а в другую - релейные. Каждая из них состоит из последовательно соединенных источника питания, в качестве которого используется блок БВ (БВ3), и контрольных реле, включенных между контролируемыми цепями. Одно из крайних контрольных реле (11-13 ПКЛ или 13-15 РКЛ) подключено между контролируемой цепью и заземлителем, а другое (НПКЛ или НРКЛ) - между кабельной цепью и одним из полюсов блока питания. Основное назначение реле НПКЛ и НРКЛ - не нарушать симметрию первых по схеме кабельных цепей.
Контрольные реле АНШ 2-1230 предназначены для фиксирования (через отпускание якоря) снижения напряжения на обмотках вследствие какой-либо неисправности в кабельной цепи. Это реле выбрано из-за наличия в его характеристиках нормированных граничных значений напряжения отпускания якоря 1,7-2,8 В при напряжении полного притяжения якоря 7,0 В. Количество реле, обеспечивающих контроль жил одного кабеля, превышает число контролируемых кабельных цепей (пар жил) на 1, что обусловлено введением реле НПКЛ и НРКЛ в цепи контроля кабелей соответственно питающего и релейного концов. При исправном состоянии кабельных цепей контрольные реле возбуждены, получая питание от блока БВ через контролируемые цепи и резисторы R1 - R3 в питающем кабеле и резисторы R4 - R6 в релейном. Возбуждено также и общеконтрольное реле НКЛ через фронтовые контакты всех контрольных реле ПКЛ и РКЛ. На табло дежурного по станции горит ровным светом белая контрольная лампа. Резисторы R1 - R6 типа МЛТ-2 предназначены для снижения напряжения на обмотках контрольных реле в режиме контроля до значения, превышающего верхнее значение напряжения отпускания якоря этого типа реле (2,8 В) на 30%, что составляет 3,64 В при контрольном токе 2,96 мА, обтекающем кабельные цепи. В режиме запуска, когда резисторы R2, R3, R5 и R6 зашунтированы тыловыми контактами реле НКЛ, напряжение на каждом из контрольных реле должно быть выше напряжения полного притяжения якоря этих реле (7 В) на 25%, что составляет 8,75 В. Для достижения указанных значений напряжений на обмотках контрольных реле ПКЛ и РКЛ сопротивления резисторов R1 - R6 подбираются для каждой конкретной схемы контроля кабельных цепей.
Фронтовыми контактами общеконтрольных реле замыкается цепь питания генераторов рельсовых цепей.
В случае повреждения любой из кабельных цепей, например при размыкании или замыкании ее с другой цепью или землей, отпускают якоря (одно или сразу несколько) соответствующие реле, которые отключают питание общеконтрольного реле. В случае размыкания кабельной цепи контрольные реле лишаются питания, и на табло загорается в мигающем режиме контрольная красная лампа. При сообщении между жилами или понижении сопротивления изоляции между ними и землей лишается питания одно или несколько контрольных реле, включенных между цепями, реле НПКЛ и НРКЛ остаются под током. На табло мигает белая лампа.
Общеконтрольное реле НКЛ, которое с замедлением отпускает якорь, переводит устройство контроля в режим запуска, шунтируя контактами резисторы R2, R3, R5 и R6. Для получения замедления на отпускание якоря реле НКЛ используется типовой блок БКР-76, который подключается параллельно обмоткам реле. Соответствующими перемычками на блоке обеспечивается включение конденсатора С емкостью 1000 мкФ и резистора R сопротивлением 51 Ом для получения времени замедления примерно 1 с.
Питающие трансформаторы НТПК и НТРК типа ПТ-25А или ПОБС-3АУ3 обеспечивают преобразование напряжения сети переменного тока 220 В в напряжение нужного значения на входах блоков питания цепей контроля кабельных жил питающего и релейного концов рельсовых цепей.
В общем случае при монтаже кабельной линии и различных переключениях в ней должны исключаться случаи соединений жил одной пары с жилами других пар (распаривание). После окончания работ в кабельной сети, связанных с переключением пар, необходимо провести проверку правильности их выполнения в следующем порядке: проверить изоляцию жил кабеля; подключить к кабелю входы приемных устройств всех рельсовых цепей в соответствии с проектом; исключить передачу сигналов АРС (изъятием предохранителя в цепи питания блока усилителя или другим способом); подключить выход одного передающего устройства рельсовой цепи к соответствующей по проекту паре кабеля, при этом путевые реле свободных рельсовых цепей, к которым подключено передающее устройство, должны встать под ток, а путевые реле других рельсовых цепей остаться без тока; выполнить аналогичные проверки для передающих устройств других рельсовых цепей. Если возбуждение путевых реле происходит только от передающего устройства собственной рельсовой цепи, то кабельная магистраль может быть включена в эксплуатацию. В противном случае должны быть приняты меры по исключению неправильных соединений в кабеле.
6. Наложение кодовых сигналов АРС
Применение бесстыковых рельсовых цепей исключает возможность посылки кодовых сигналов АРС в хвост поезду (ДАУ-АРС), поскольку они могут быть восприняты идущим сзади поездом. Для БРЦ наиболее приемлемым решением является использование системы "Днепр",
в которой кодовые сигналы АРС, несущие информацию о допустимой скорости движения на данной и последующей РЦ, передаются в голову поезда с момента занятия БРЦ. Для формирования кодовых сигналов (КС) в системе "Днепр" используются одновременно две частоты переменного тока. В табл.3.3 приведено распределение кодовых сигналов и сигнальные показания на пульте машиниста, соответствующие этому распределению.
В двухчастотном КС более низкая частота несет информацию о текущем (основном) значении допустимой скорости, более высокая - предупредительную информацию об ожидаемом значении допустимой скорости на следующей РЦ. Если эта скорость равна или больше значения основной допустимой скорости, то в качестве второй сигнальной частоты используется частота 325 Гц. На пульте машиниста в этом случае горит лампа РС (равенство скоростей). Таким образом, машинист предупреждается лишь о необходимости снижения скорости к следующей по ходу движения РЦ или имеет информацию о равенстве скоростей.
Таблица 3.3
| Индекс КС | Частота, Гц | Сигнальное показание, км/ч | ||
| основная | предупредит | основное | предупредит | |
| 16 | 75 | 325 | 80 | РС(80) |
| 12 | 125 | 70 | ||
| 13 | 175 | 60 | ||
| 14 | 225 | 40* | ||
| 15 | 275 | 0* | ||
| 26 | 125 | 325 | 70 | РС(70) |
| 23 | 175 | 60 | ||
| 24 | 225 | 40 | ||
| 25 | 275 | 0* | ||
| 36 | 175 | 325 | 60 | РС(60) |
| 34 | 225 | 40 | ||
| 35 | 275 | 0 | ||
| 44 | 225 | 225 | 40 | - |
| 45 | 275 | 0 | ||
| 46 | 225 | 325 | 40 | РС(40) ** |
| 1 | 75 | - | 40 | - |
| 2 | 125 | - | - | |
| 3 | 175 | - | - | |
| 4 | 225 | - | - | |
| 6 | 325 | - | ||
| 5 | 275 | - | 0 | - |
* - не используется
** - признак направления
Для передачи кодового сигнала направления (КС-Н) используется комбинация сигнальных частот 225 и 325 Гц. При этом она несет информацию о допустимой скорости 40 км/ч. На поезде сигнал направления дешифрируется и фиксируется, если машинист находится в том вагоне поезда, в сторону которого в рельсовую линию передается КС-Н.
Кодовый сигнал направления передается в рельсовую линию только перед светофором полуавтоматического действия на станциях с путевым развитием с момента задания маршрута и открытия светофора, а также кратковременно или постоянно с момента занятия РЦ перед выходным светофором на промежуточной станции.
Поскольку с потерей одной из двух сигнальных частот достоверность принятой информации снижается, то все одиночно принимаемые сигналы разрешающей частоты (кроме 275 Гц) дешифрируются как сигнал о допустимой скорости 40 км/ч.
Сигнальные частоты АРС формируются групповыми устройствами, в которых содержатся шесть групповых и один резервный комплекты аппаратуры (рис.3.6). Каждый комплект включает в себя генератор G типа ПГ-АЛСМ, усилитель У типа ПУ-2, выходной трансформатор ВТ типа ПТЦ, фильтр Ф типа ФП-АЛСМ и контрольное реле К типа АНВШ2-2400 с мостовой схемой выпрямления и последовательно соединенными обмотками.
Каждый из генераторов в основных комплектах настраивается на одну из шести сигнальных частот 75, 125, 175, 225, 275 или 325 Гц, а генератор резервного комплекта PG - на частоту 275 Гц. С выхода генератора сигнал подается на вход усилителя У и далее на выходной трансформатор ВТ.
Фильтры Ф1 - Ф6, РФ выделяют основную гармонику усиленного сигнала, который поступает на их входы с трансформатора ВТ, и обеспечивают с контрольными реле 1К - 6К, РК контроль вырабатываемой соответствующими генераторами частоты и значения сигнала. В основных комплектах фильтр настроен постоянно на частоту генератора, к которому он подключен. Фильтр РФ резервного комплекта перестраивается одновременно с генератором PG посредством схемы настройки, выполненной на контактах контрольных реле 1К - 6К. Если какое-нибудь из контрольных реле отпускает якорь, его контакты перестраивают резервный генератор и фильтр на соответствующую частоту и подключают к требуемой сигнальной шине, отключив от нее неисправный комплект. При одновременной неисправности двух комплектов замещается комплект, обеспечивающий передачу сигнала о более высокой допустимой скорости движения, поэтому отказ не окажет существенного влияния на пропускную способность линии.
Рис.3.6. Схема передачи сигнальных частот АРС от групповых устройств в индивидуальное передающее устройство
Шины сигнальных частот Ш75, Ш125, Ш175, Ш225, Ш275 и Ш325 подключаются к аппаратуре их формирования через цепи аварийного переключения основной и резервной аппаратуры. Сигнал от групповых комплектов через устройство формирования кодовых сигналов ФКС и цепи выбора частот ЦВЧ поступает на вход индивидуальных передающих устройств АРС ИПУ каждой БРЦ. Устройство ФКС обрабатывает информацию о поездном положении по состоянию путевых реле, функционировании групповых устройств по состоянию контрольных реле и в соответствии с этим вырабатывает управляющий сигнал для ИПУ, определяя частотный состав, время и адрес посылки кодового сигнала. В состав ФКС входят повторители путевых реле, управляющие реле по допустимым скоростям движения поезда (80, 70, 60 и 40 км/ч), реле фиксации хвоста поезда и реле сравнения допустимых скоростей.
















