zil-130 (730188)
Текст из файла
Центр образования Карасунскго Административного округа.
Творческий проект.
По специальности: «автослесарь».
Тема: «Система охлаждения автомобиля Зил-130».
Подготовил: ученик 11 класса «В» сош. №53
Радченко Артем Александрович
Руководитель проекта: Марков Виктор Фёдорович.
Г. Краснодар – 2003г.
Содержание:
Введение.
1.Устройство и принцип действия системы охлаждения Зил-130.
1.1.Назночение системы охлаждения Зил-130.
1.2.Принцып действия системы охлаждения Зил-130.
1.3.Устройство системы охлаждения Зил-130.
1.3.1.Радиатор.
1.3.2.Пробка радиатора.
1.3.3.Жалюзи.
1.3.4.Вентилятор.
1.3.5.Электротепловой указатель температуры.
1.3.6.Водяной насос.
1.3.7.Термостат.
2.Возможные неисправности системы охлаждения Зил-130.
2.1.Перегрев двигателя.
2.2.Переохлаждение двигателя.
2.3.Недостаточное количество охлаждающей жидкости.
2.4.Неплотности в соединениях.
2.5.Пробуксовка ремня радиатора.
2.6.Невключение электрофрикционной магнитной муфты.
2.7.Заедание термостата.
2.8.Заедание жалюзи.
3.Техническое обслуживание системы охлаждения Зил-130.
3.1.Применение Антифриза.
3.2.Ежидневное техническое обслуживание.
3.3.Обслуживание дважды в год.
3.4.ТО-1.
3.5.ТО-2.
3.6.Регулировка ременных передач.
3.7.Промывка системы.
4.Ремонт системы охлаждения автомобиля Зил-130.
4.1.Радиатор трех рядный трубчатый.
4.2.Водяной насос.
Список использованной литературы.
Введение.
Создание конструкции и освоение производства новых грузовых автомобилей семейства ЗИЛ-130, принципиально отличающихся, является серьезной трудовой победой коллективов Московского автомобильного завода имени И.А. Лихачева и многочисленных заводов поставляющих приборы, агрегаты, материалы, заготовки и оборудование для производства автомобилей. Московский автозавод имени И.А. Лихачева первый среди автомобильных заводов страны приступил к массовому выпуску автомобилей с мощными карбюраторами 8-ми цилиндровыми двухрядными двигателями. В связи с большим запасом мощности двигателя высокоэффективное использование автомобилей ЗИЛ-130 и его модификации достигается прежде всего, при использовании с ними прицепов и полуприцепов. Новые возможности получения высоких эксплутационных показателей возникают при использовании длиннобазного автомобиля ЗИЛ - 130 Г. Автомобили ЗИЛ – 130 обладают высокой долговечностью и надежностью. В результате дальнейшего совершенствования конструкции автомобилей, применения новых материалов и новой технологии производства в 1966 году завод должен обеспечить пробег до капитального ремонта 200 тысяч километров. Возможность получения высоких эксплутационных показателей в значительной степени зависит от совершенства знаний конструкции автомобилей работниками эксплуатации, соблюдения или правил технического обслуживания и подготовки технических служб автохозяйств к приёму новых автомобилей. Следует иметь в виду, что высокая эффективность использования, долговечность и надежность в эксплуатации автомобилей, ЗИЛ – 130 гарантированны только при условии применения предусмотренных заводов высококачественных топлив и смазочных материалов.
Автомобиль ЗИЛ – 130 обладает значительно более высокими динамическими качествами Внешняя характеристика двигателя ЗИЛ – 130 составляет 41 кГн. Высокие мощные показатели двигателя ЗИЛ – 130 получены за счёт увеличения степени сжатия. Максимальная скорость, развиваемая полностью груженым автомобилем на горизонтальном, прямом и равном автомобильной дороги с твердым покрытием составляет 80 – 85 км/час.
1.Устройство и принцип действия системы охлаждения Зил-130.
1.1.Назночение системы охлаждения Зил-130.
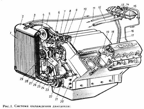
Система охлаждения предназначена для принудительного отвода от деталей лишней теплоты и передачи её окружающему воздуху. В результате этого создается определённый температурный режим, при котором двигатель не перегревается и не переохлаждается, т.е. рабочий цикл протекает нормально. Наивыгоднейший тепловой режим работы двигателя создается при температуре охлаждающей жидкости 80 –95 градусов Цельсия и обеспечивается системой охлаждения двигателя (рис.1.).
На двигатели ЗИЛ-130 приняты жидкостная система охлаждения закрытого типа, т. е. она не связана непосредственно с атмосферой, в результате чего давление в системе увеличивается и повышается температура кипения охлаждающей жидкости (до 108 – 119°), а также снижается расход жидкости на испарение.
В систему охлаждения входят: рубашки охлаждения блока, головок цилиндров и впускного трубопровода, радиатор, патрубки, шланги, водяной насос, вентилятор, термостат, жалюзи, сливные краники.
1.2. Принцип действия системы охлаждения Зил-130.
Система охлаждения должна быть полностью заполнена охлаждающей жидкостью. Если жидкости не достаёт 5-7 % от ёмкости системы, может прекратиться её циркуляция, что при низких температурах приводит к образованию накипи, а при высоких температурах к перегреву двигателя. Для контроля температурного состояния системы в рубашке охлаждения впускного трубопровода установлен датчик указателя температуры охлаждающей жидкости. Если температура охлаждающей жидкости свыше 115° (у Зил-130) на щетке загорается сигнальная лампа, включаемая датчиком, установленным в верхнем бочке радиатора.
Охлаждающая жидкость из радиатора поступает по нижнему патрубку с распорной пружиной в водяной насос, из которого по двум раструбам и поступает в правую и левую рубашки охлаждения блока цилиндров. Охлаждающая жидкость в рубашке охлаждения двигателя нагревается за счет отбора теплоты от цилиндров. По рубашке охлаждения жидкость поднимается вверх и по каналам, проходящим у выпускных клапанов, поступает в рубашки охлаждения головок цилиндров, из которых горячая жидкость проходит в рубашку впускного трубопровода и нагревает его, обеспечивая лучшие условия смесеобразования. Далее жидкость проходит через клапан термостата и по выпускному патрубку и его шлангу возвращается в радиатор, где она растекается по тонким латунным трубкам и отдаёт им свою теплоту. Охлаждению жидкости способствует интенсивный обдув радиатора и двигателя встречным воздухом, усиленным вентилятором который приводится во вращение вместе с валом водяного насоса от шкива коленчатого вала.
Смотрите дальше.
1.3. Устройство системы охлаждения Зил-130.
1.3.1. Радиатор.
Радиатор состоит из нижнего и верхнего бачков, сердцевины, патрубков, горловины с пробкой и пароотводной трубки.
Радиатор, расположенный на раме впереди двигателя, крепят на резиновых подушках с пружинами. Он охлаждается встречным потоком воздуха, а вентилятор установленный между радиатором и двигателем, усиливает этот поток.
Наиболее распространены трубчатые и пластинчатые радиаторы.
У трубчатых сердцевина образована несколькими рядами латунных трубок пропущенных через горизонтальные пластины увеличивающие поверхность охлаждения и предающих радиатору жесткость.
У пластинчатых сердцевина состоит из одного ряда плоских латунных трубок, каждая из которых изготовлена из спаянных между собой по краям гофрированных пластин.
Верхний бачок радиатора (кроме КАМАЗа) имеет заливную горловину и пароотводную трубку. Горловина радиатора герметически закрывается пробкой имеющей два клапана.
1.3.2. Пробка радиатора.
Пробка радиатора закрывается герметично, что уменьшает потери воды от испарения или расплескивания. Паровой клапан предохраняет систему, и особенно радиатор, от разрыва и выпучивания: он открывается, когда вода закипает и давление в системе достигает 1,25 кгс/см2 (125 кн/м2). Воздушный клапан предотвращает смятие радиатора при охлаждения (конденсации паров воды). При разрежении 0,8 кгс/см2 (80 кн/м2 ) он открывается и в радиатор поступает воздух. В герметично закрытую систему охлаждения не нужно часто доливать воду, это уменьшает отложение накипи на стенках рубашки головки и блока цилиндров и теплопередачу стенок не ухудшает. У автомобиля КАМАЗ и Газ-24 в системе охлаждения имеется расширительный бачок, позволяющий охлаждающей жидкости изменить объем при расширении или охлаждении.
1.3.3. Жалюзи.
Жалюзи (металлические створки), установленные перед радиатором, позволяют водителю регулировать поток воздуха, проходящий через радиатор. При прогреве двигателя и движении в холодное время жалюзи прикрывают, чтобы обеспечить наиболее выгодную температуру охлаждающей жидкости.
1.3.4. Вентилятор.
Вентилятор усиливает поток воздуха через сердцевину радиатора. Ступицу вентилятора крепят на валу водяного насоса, они вместе приводятся во вращение от шкива колен вала одним или двумя трапециевидными ремнями. Вентилятор заключен в установленный на рамке радиатора кожух, что способствует увеличению скорости потока воздуха проходящего через радиатор.
1.3.5. Электротепловой указатель температуры.
Температуру воды в системе охлаждения контролируют по электротепловому термометру. Он состоит из датчика, установленного в головке блока цилиндров и указателя, расположенного на щитке приборов.
При включенном зажигании термометр не действует и стрелка занимает положение за 100°. Когда зажигание включено, ток через замкнутые контакты датчика протекает по спирали указателя и нагревает биметаллическую пластину. Пластина изгибается, и ее верхний конец перемещает стрелку в крайнее левое положение (за число «40»). Биметаллическая пластина датчика, нагретая током, проходящим по спирали, изгибается и размыкает контакты, прерывая цепь тока по спирали. Пластина охлаждается и начинает выпрямляться. Одновременно охлаждается и пластина датчика, так как по ее спирали также прекратится течение тока. Контакты датчик снова замкнутся.
У непрогретого двигателя размыкание контактов кратковременно, пластина датчика интенсивно нагревается, и стрелка показывает соответствующую низкую температуру. С увеличением температуры воды контакты разомкнуты длительнее. Стрелка перемещается вправо и указывает более высокую температуру.
1.3.6. Водяной насос.
Охлаждающая жидкость в системе охлаждения должна прокачиваться до 10 раз в 1 минуту. Для обеспечения циркуляции жидкости в систему охлаждения двигателя ЗИЛ-130 включен укрепленный на переднем торце блока двигателя ЗИЛ-130 центробежный водяной насос (рис.2) с односторонним подводом жидкости. Вал (рис.2) привода водяного насоса (6) установлен в чугунном корпусе (9) на двух шариковых подшипниках между которыми находится распорная втулка. Крыльчатка наоса находится на одном валу с вентилятором. Для предупреждения попадания жидкости в корпус подшипников (5) на заднем конце вала (6) в ступице крыльчатки помещен самоподжимный сальник, состоящий из резиновой манжеты (2) с пружиной (1), обоймы (4) и текстолитовой шайбы (3), которая плотно прижимается к торцу корпуса насоса (9).
Охлаждающая жидкость поступает в центр крыльчатки 7 насоса от радиатора по патрубку, и далее от крыльчатки подаётся под паром 1,4 – 2,6 кГ/см.2 через раструбы в правую и левую группы цилиндров двигателя.
В корпусе подшипников (5) имеется отверстие, через которое при износе деталей сальника жидкость вытекает наружу. Для смазки подшипников в их корпусе имеются масленка и контрольное отверстие для выхода лишнего смазочного материала.
1.3.7. Термостат.
Термостат установлен на выходе охлаждающей жидкости из рубашки охлаждения впускного трубопровода двигателя (у двигателя ЗИЛ-645 два термостата, установленных в закрепленной на крышке распределительных шестерен термостатной коробке). В системе охлаждения двигателя ЗИЛ-130 и ЗИЛ-645 применен термостат (рис.3.4.б, в) с твердым наполнителем, состоящим из смеси церезина с медным порошком.
Наполнитель помещен в медном баллоне (14), закрытом резиновой диафрагмой (15), упирающейся в резиновый буфер (9). Сверху буфера установлен шток (10), соединенный с рычагом, который при помощи пружины удерживается в закрытом положении. При нагревании охлаждающей жидкости до70° C наполнитель в баллоне начинает плавиться и, расширяясь, поднимает диафрагму вверх. Давление диафрагмы через буфер и шток передается на рычаг, который открывает заслонку (11) термостата. У двигателя ЗИЛ-645 имеется, помимо основного радиаторного клапана (20), перепускной клапан (22), который открыт при прогреве двигателя и закрывается при нагреве жидкости до температуры 78°…95° C. При этом открывается основной клапан и жидкость начинает циркулировать через радиатор.
При работе двигателя жидкость из нижнего бачка радиатора (26) через отводящий шланг (21) нагнетается водяным насосом в рубашку охлаждения блока цилиндров и головок блока. При прогреве холодного двигателя патрубок, соединяющий рубашку охлаждения двигателя, перекрыт клапаном термостата и жидкость циркулирует по малому кругу, минуя радиатор и поступая из рубашки охлаждения (включая рубашку охлаждения компрессора пневматического привода тормозов) опять к водяному насосу. При прогреве жидкости открывается клапан термостата, и она начинает циркулировать по большому кругу через радиатор, который обеспечивает необходимый отвод тепла.
Характеристики
Тип файла документ
Документы такого типа открываются такими программами, как Microsoft Office Word на компьютерах Windows, Apple Pages на компьютерах Mac, Open Office - бесплатная альтернатива на различных платформах, в том числе Linux. Наиболее простым и современным решением будут Google документы, так как открываются онлайн без скачивания прямо в браузере на любой платформе. Существуют российские качественные аналоги, например от Яндекса.
Будьте внимательны на мобильных устройствах, так как там используются упрощённый функционал даже в официальном приложении от Microsoft, поэтому для просмотра скачивайте PDF-версию. А если нужно редактировать файл, то используйте оригинальный файл.
Файлы такого типа обычно разбиты на страницы, а текст может быть форматированным (жирный, курсив, выбор шрифта, таблицы и т.п.), а также в него можно добавлять изображения. Формат идеально подходит для рефератов, докладов и РПЗ курсовых проектов, которые необходимо распечатать. Кстати перед печатью также сохраняйте файл в PDF, так как принтер может начудить со шрифтами.
















