ch 2 (729786), страница 8
Текст из файла (страница 8)
где l1 и l2 – расстояние между светильниками в ряду и между смежными рядами светильников.
Принимаем для цеха листовой штамповки лампы типа ДРЛ (газоразрядные лампы) дожде-защитные РСП05 – 1000 – 103, мощность лампы 1000 Вт, диаметр лампы 610 мм, высота 677 мм.
шт, принимаем расчетное количество светильников 28 штук.
где а длина помещения;
b – ширина помещения;
h – высота подвеса светильников над освещаемой поверхностью,
h = H – hc – hp, (6. 6)
где H – высота помещения цеха, Н = 8,4 м;
hp – высота рабочей поверхности пола, hp = 1,2 м;
hc – высота светильника, hc = 0,6777 м;
h = 8,4 – 0,677 – 1,2 = 65 м
При i = 3 коэффициент использования светового потока = 0,5
При полученной величине светового потока, равного 56000 Лм, лампа ДРЛ 1000 подходит по по параметрам к выбранной мощности лампы – 1000 Вт, напряжение сети - 220 В, световой поток – 57000 Лм. Размер лампы диаметр 181 мм, длинна подвеса 410 мм, тип цокола Е 40.
Для цеха листовой штамповки применяем совмещенное освещение. Естественное освещение в цехе – боковое, оно осуществляется через световые проемы в наружных стенах.
Основная задача производства создать наилучшие условия труда и условия видения. Эта задача осуществляется только осветительной системой, отвечающей следующим требованиям. Характеру зрительной работы должна соответствовать такая освещенность, которая должна соответствовать следующим параметрам:
-
объект различия – размер рассматриваемого предмета, отдельная его часть или дефект, который надо видеть во время работы. Для цеха листовой штамповки применяем наименьший размер объекта различения 0,3…0,5 мм – это соответствует высокой точности характера зрительной работы;
-
фон – поверхность, прилегающая непосредственно к объекту различения, на которой он рассматривается, характеризуется коэффициентом отражения, зависит от цвета и фактуры поверхности, значения которого находятся в пределах 0,02…0,95. Коэффициент отражения поверхности в цехе 0,2…0,4, по этому коэффициенту соответствует светлый (серый) фон;
-
контраст объекта с фоном – характеризуется соотношением яркости рассматриваемого объекта и фона.
Для повышения равномерности естественного освещения цеха, осуществляется общее освещение. Светлая краска потолка, стен и производственного оборудования способствует созданию равномерного распределения яркостей в зоне зрения. Блескость – это повышение яркости светящихся поверхностей, вызывающая нарушения зрительных функций (ослепительность). Прямую блескость, яркость источников света, уменьшаем правильным выбором защитного угла светильника, увеличением высоты подвеса светильника. Отраженную блескость уменьшаем правильным выбором светового потока на рабочем месте, на рабочую поверхность, заменяем где можно матовыми повехностями блистяшие.
Величину освещенности устанавливаем в зависимости от характера зрительной работы, которую определяют наименьшим размером объекта размещения, контраста объема с фоном и характеристикой фона. В нашем случае разряд зрительной работы 3-й (высокой точности) подразряд зрительной работы (контраст объекта с фоном – средний, характеристика фона – светлый). Расчет естественного освещения проводим по СН и П – П – 4 – 79 «Стрительные нормы и правила»:
-
площадь светлых проемов:
S0 = 508,4 м2;
-
при боковом освещении цеха:
где So площадь световых проемов, Sо = 508,4 м2;
Sn – площадь пола помещения, Sn = 1440 м2;
Ln – нормированное значение;
K3 – коэффициент запаса, K3 = 1,5
о – световая характеристика, о = 6,5
Kзд – коэффициент, учитывающий окон противостоящими зданиями, Kзд = 1,2;
rо – коэффициент светоспускания:
rо = r1 r2 r3 r4 r5, (6. 8)
где r1 - коэффициенты светопропускания материала (стекло листовое солнцезащитное), r1 = 0,65
r2 – коэффициент, учитывающий потери света в светопроемах (вид переплета двойной, окна двойные открывающиеся), r2 = 0,6;
r3 - коэффициент, учитывающий потери света в несущих конструкциях, r3 = 0,9;
r4 - коэффициент, учитывающий потери света в солнцезащитных устройствах, r4 = 0,8;
r5 - коэффициент, учитывающий потери света в защитной сетке, установленной под фонарями, r5 = 0,9
rо = 0,65 0,6 0,9 0,8 0,9 = 0,25
Следовательно, естественного света не достаточно для освещения цеха, требуется также искусственное освещение.
Проверка коэффициента естественного освещения (К, l, С) при боковом освещении:
где Еб геометрическое (К, l, С) в расчетной точке при боковом освещении, учитывающий прямой свет неба, Еб = 1,5;
g – коэффициент, учитывающий неравномерную яркость облачного неба, g = 1;
R - коэффициент, учитывающий яркость противоположного здания (кирпич или бетон), R = 0,22;
1 - коэффициент, учитывающий повышение (К, l, С) при боковом освещении благодаря свету, отраженному от поверхностей помещений и подстилающего слоя прилегающего здания, 1 = 1,25
ЕН ЕФ
П
лан размещения на потолке цеха светильников типа ламп ДРЛ – 1000: светильники размещены на потолке в 7 рядов по 4 штуки в ряду (рис. 8. 1.).
рис. 6.1. Размещение светильников на потолке.
6.1.3. Снижение шума и вибраций кузнечно-прессового оборудования.
Для снижения шума при работе прессов применяется глушитель шума отработанного воздуха. На прессах применяют шумопоглощающую обшивку, экран, специальные ограждения. В соответствии с требованиями ГОСТа рабочие в цехе на рабочих местах пользуются средствами индивидуальной защиты от шума. Противошумовые наушники ВЦНИИОТ, ВЦНИИОТ – 1 и ВЦНИИОТ – 2 предназначены для защиты органов слуха от воздействия от воздействия производственных шумов с уровнем звукового давления до 110 дБ, среднечастотного до 150 дБ.
Для обеспечения нормальных санитароно-технических условий работы штамповщиков важное значение имеет снижение вибрации пола, на котором стоит рабочий. Это достигается применением виброизолированных фундаментов для штамповочных прессов с усилием 2500 кН.
Эксплуатация пресса на виброизолированных фундаментах показало, что они значительно снижают возникающие при работе колебания, улучшают условия эксплуатации конструкции здания, цеха и работы обслуживающего персонала.
Уровень вибрации в 1,5…3,5 раза ниже, чем допускаемые санитарные нормы. Для снижения уровня вибрации также применяется скошенные штампы, что позволяют дополнительно снизить уровень вибрации на 3…4 дБ.
При работе с ручными механизированными электрическими инструментами (в частности шлифовки) применяем средства индивидуальной защиты рук от вибрации. К ним относятся рукавицы, виброзащитные прокладки или пластины. Общие технические требования к средствам индивидуальной защиты от вибраций определены ГОСТ 12. 4002 – 74.
Проектируемые изготовляемые прессы с пневмо-фрикционными муфтами включения обеспечены средствами глушения шума на пути распространения воздушной струи (на пневмоклапанах).
рис. 6. 2. Глушитель шума.
Глушитель шума со сферическим дном, устанавливаемых на прессах КД2124. Для глушения шума при работе прессов КД2124 разработан и внедрен глушитель шума.
Корпус глушителя представляет собой стаканчик из полиэтилена, выдерживающего высокое давление, со сферическим дном. Отработанный сжатый воздух из пневмоклапанов через клапан последовательного включения поступает в полость глушителя и проходит через 216 отверстий d = 2 мм, расположенных друг к другу под углом 60о.
6.1.4. Электробезопасность.
Электротравмы возникают при прохождении электрического тока через тело человека или попадение человека в среду электрической дуги.
Основой электробезопасности эксплуатации электроустановок в цехе является требование совершенно закрыть или сделать недоступным токоведущие части установки.
Токоведущие части рубильников, включателей плавких предохранителей, клем электродвигателей закрыты сплошными кожухами, применены блокировки кожухов, рубильников, которые не допускают его включение при снятом или не закрытом кожухе.
На всех выключателях положение включения и выключения обозначены подписями « Вкл. » и « Откл. ».
Каждая единица прессового оборудования, объединенная в автоматическую линию, должна иметь вводный выключатель ручного действия, размещенный в безопасном и удобном для обслуживания месте. Штепсельное соединение для напряжения 12 и 42 В отличаются от штепсельных соединений 110 – 220 В как по конструкции, так и по цвету.
Электропроводка в помещениях выполнена изолированными проводами. Изолированные провода, которые проложены в производственном помещении на высоте 2-х метров и менее, ограждены от возможных поверхностей, а проложенные в станках и других агрегатах и под полом заключены в специальные трубы.
Все металлические части пресса и вспомогательного оборудования, которые могут оказываться под напряжением, оснащены устройствами заземления. Для предупреждения электротравматизма применена система защитного зануления.
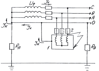
При работе под напряжением с разъединителями высокого напряжения и при положении временных заземлений применяют изолирующие клемы или штанги. Диэлектрические перчатки и боты относятся к дополнительным средствам защиты от поражения электрическим током. В данном проектируемом цехе применяют «заземление» и «зануление» для трехфазной четырехпроводной цепи с глухо заземленной нейтралью.
Предупреждение работающих от всевозможной опасности устанавливаются защитные ограждения опасных зон, в местах производства развешивают плакаты, предостерегающие, напоминающие, разрешающие, запрещающие.
р
ис. 6.3. Трехфазная четырехпроводная цепь с глухозеземленной нейтралью.
рис. 6.4. Принципиальная схема зануления.















