146406 (729713)
Текст из файла
МИНИСТЕРСТВО ОБРАЗОВАНИЯ РОССИЙСКОЙ ФЕДЕРАЦИИ
САМАРСКИЙ ГОСУДАРСТВЕННЫЙ ТЕХНИЧЕСКИЙ УНИВЕРСИТЕТ
РЕФЕРАТ
ПО ДИСЦИПЛИНЕ<>
НА ТЕМУ<>
Выполнил: студент IV курса
Заочного факультета, группы1А
Клёпов А.С.
Проверил: Брятов А.С.
САМАРА 2004
Содержание
1. Внутрицеховые сети………………………………………………...стр.3
Питающие………………………………………………………………..стр.3
2. Распределительные внутрицеховые сети………………………..стр.4
Радиальные схемы……………………………………………………….стр.4
Магистральные схемы…………………………………………………..стр.5
Троллейные линии………………………………………………………стр.5
Смешанные (комбинированные) схемы………………………………..стр.6
3. Конструктивное выполнение внутрицеховых электрических сетей……………………………………………………………………...стр.7
3.1. Шинопроводы……………………………………………………...стр.8
3.2 Электропроводки…………………………………………………стр.10
Скрытая электропроводка……………………………………………..стр.10
3.3 Кабельные линии в сетях напряжением до 1 кВ……………..стр.11
Модульные сети………………………………………………………..стр.12
4. Основное оборудование внутрицеховых сетей………………...стр.12
Силовые распределительные шкафы ШР-11…………………………стр.13
Осветительные групповые щитки…………………………………….стр.13
Плавкие предохранители………………………………………………стр.13
Контактор……………………………………………………………….стр.15
Магнитные пускатели………………………………………………….стр.15
Автоматические воздушные выключатели…………………………...стр.16
5. Список используемой литературы………………………………стр.20
Введение.
Сети напряжением до 1 кВ служат для распределения электроэнергии внутри цехов промышленных предприятий, а также для питания некоторых ЭП, расположенных за пределами цеха на территории предприятии. Цеховые электрические сети напряжением до 1 кВ являются составной частью СЭС промышленного предприятия и осуществляют непосредственное питание большинства ЭП. Схема внутри цеховой сети определяется технологическим процессом производства, планировкой помещений цеха, взаимным расположением ТП, ЭП и вводов питания, расчётной мощностью, требованиями бесперебойности электроснабжения, технико-экономическими соображениями, условиями окружающей среды.
Н
а (рис 1) показано устройство внутрицеховых электроустановок, соединение которых между собой по определённой схеме образует цеховую электрическую сеть.
На (рис 1), представляющем собой поперечный разрез пролёта производственного помещения цеха, показаны открытые шинные магистрали 1, расположенные в верхней зоне (А) цеха. Там же установлен осветительный шинопровод 2. На капители колонны в зоне (Б) расположен троллейный шинопровод 3 для питания нагрузок мостового крана, по конструкциям вдоль стены цеха в зоне (В) размещены распределительный 4 и магистральные 8 шинопроводы. В цехе в зоне (Д) имеется кабельный канал 6 для прокладки внутрицеховых кабелей, распределительный шкаф 5 для питания силовых электроприемников и осветительный щиток 7 зона (Г).
1 Внутрицеховые сети.
Внутрицеховые сети делятся на питающие и распределительные.
Питающие отходят от источника питания (ТП) к распределительным шкафам (РШ), к распределительным шинопроводам или к отдельным крупным ЭП. В некоторых случаях питающая сеть выполняется по схеме БТМ (блок трансформатор – магистраль), (рис 2 б и 3). В этом случае от трансформатора КТП отходит магистральный шинопровод (магистраль), предназначенный для передачи электроэнергии нескольким РШ или нескольким ЭП, присоединённым к магистрали в различных точках. Отдельные приёмники и РШ в этом случае присоединяются к магистрали с помощью ответвлений.
2 Распределительные внутрицеховые сети - это сети, к которым непосредственно подключаются различные ЭП цеха. Распределительные сети выполняются с помощью распределительных шинопроводов (ШРА) и распределительных шкафов.
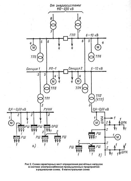
Характерным примером радиальной схемы является (рис 2 а). Здесь от секции 1 распределительного пункта РП-1 напряжением 6-10 кВ потребители НН через трансформатор получают питание отдельными линиями, отходящими от РУНН подстанции ТП1. Радиальные схемы применяют при наличии групп сосредоточенных нагрузок с неравномерным распределением их по площади цеха, во взрыво- и пожароопасных цехах, в цехах с химически активной и аналогичной средой. Радиальные схемы нашли широкое применение в насосных и компрессорных станциях, на предприятиях нефтехимической промышленности, в литейных и других цехах. Радиальные схемы внутрицеховых сетей выполняют кабелями или изолированными проводами. Они могут быть применены для нагрузок любой категории надёжности.
Достоинства радиальных схем является их высокая надёжность, так как авария на одной линии не влияет на работу ЭП, подключенных к другой линии. Недостатками радиальных схем являются: малая экономичность, связанная со значительным расходом проводникового материала, труб, распределительных шкафов; большое число защитной и коммутационной аппаратуры; ограниченная гибкость сети при перемещениях ЭП, вызванных изменением технологического процесса; невысокая степень индустриализации монтажа.
М
агистральные схемы (рис 2 и 3) целесообразно применять для питания силовых и осветительных нагрузок, распределённых относительно равномерно по площади цеха, а также для питания группы ЭП, принадлежащих одной линии. При магистральных схемах одна питающая магистраль обслуживает несколько распределительных шкафов и крупные ЭП цеха.
Одной из разновидностей магистральных схем является схема БТМ (рис 3). В этом случае внутрицеховая сеть упрощается, так как цеховая КТП может быть выполнена без РУНН. Схемы БТМ широко применяются для питания цеховых сетей механических цехов машиностроительных предприятий с поточным производством. Для обеспечения универсальности сети необходимо питающую магистраль 1 рассчитать на передачу всей мощности трансформатора, распределительные шинопроводы 2 –на максимальную расчётную нагрузку
электроприёмников, расположенных на обслуживаемых шинопроводом участка цеха.
Шинопроводом называется жесткий токопровод заводского изготовления напряжением до 1 кВ, поставляемый комплектными секциями.
Согласно схемы БТМ следует проектировать с числом отходящих от КТП магистральных шинопроводов, не превышающим числа установленных на подстанциях трансформаторов. Магистральный шинопровод присоединяется непосредственно к выводам низкого напряжения трансформатора. Длинна магистральных шинопроводов при их номинальной нагрузке и
не должна превышать: 220 м при номинальном токе 1600 А и 180 м при номинальном токе 2500 А. При питании от магистральных шинопроводов одновременно силовых и осветительных нагрузок указанная предельная длинна шинопроводов снижается примерно в 2 раза.
При магистральной схеме ЭП могут быть подключены в любой точке магистрали.
Троллейные линии предназначены для питания подъёмно-транспортных механизмов цеха.
Достоинствами магистральных схем являются: упрощёние РУНН трансформаторных подстанций, высокая гибкость сети, дающая возможность перестановок технологического оборудования без переделки сети, использование унифицированных элементов (шинопроводов), позволяющих вести монтаж индустриальными методами. Недостатком является их меньшая надёжность по сравнению с радиальными схемами, так как при аварии на магистрали все подключенные к ней ЭП теряют питание. (Однако введение в схему резервных перемычек между ближайшими магистралями значительно повышает надёжность магистральных схем.) Применение шинопроводов постоянного сечения приводит к некоторому перерасходу проводникового материала.
На практике для электроснабжения цеховых ЭП радиальные или магистральные схемы редко встречаются в чистом виде. Наибольшее распространение имеют смешанные (комбинированные) схемы (рис 4), сочетающие в себе элементы радиальных и магистральных схем и пригодные для любой категории электроснабжения. Такие схемы применяются в прокатных и мартеновских цехах металлургической промышленности, в кузнечных, котельных и механосборочных цехах, на обогатительных фабриках и т.п. В смешанных схемах от главных питающих магистралей и их ответвлений электроприёмники питаются через распределительные шкафы РШ или шинопроводы ШРА в зависимости от расположения оборудования в цехе. На участках с малой нагрузкой, где прокладка распределительных шинопроводов нецелесообразна, устанавливаются распределительные шкафы, присоединяемые к ближайшим шинопроводам (распределительным или магистральным). РШ устанавливаются вблизи места расположения ЭП при среднем радиусе отходящих от РШ линий 10-30 м.
В схеме (рис 4) распределительные шинопроводы ШРА и шкафы РШ получают питание от главной питающей магистрали (ШМА). Распределительные шинопроводы ШРА применяются в тех цехах, где возможны частые изменения технологического процесса и перестановки оборудования.
В цехах промышленных предприятий с преобладанием нагрузок I и II категории должны предусматриваться резервные перемычки между соседними подстанциями. На (рис 5) показаны такие схемы резервирования. Шины 0,4 кВ двухтрансформаторных КТП секционируются автоматически выключателем QF3 (рис 5 а). При отключении одного трансформатора питание нагрузок осуществляется от другого трансформатора путём автоматического включения QF3 по схеме АВР или вручную. На однотрансформаторных КТП предусматриваются резервные перемычки между соседними РШ или ШРА.
Пропускная способность резервной перемычки должна быть 30-40% мощности силового трансформатора. При нормальной схема электроснабжения цеховых потребителей резервные перемычки разомкнуты. Перемычки создают удобства при эксплуатации, облегчают проведение послеаварийных ремонтных работ, повышают надёжность внутрицеховых сетей и способствуют снижению потерь электроэнергии, так как в часы малых нагрузок можно питать все ЭП от одного трансформатора, отключив остальные.
На выбор схемы внутрицеховых электрических сетей оказывают большое влияние условия окружающей среды цеха. Они определяются температурой воздуха, влажностью, наличием агрессивных газов или пыли, возможностью возникновения взрыва или пожара. Наиболее эффективным средством защиты электроустановки от разрушающего действия химически активных, пожароопасных и взрывоопасных сред является территориальное удаление электрооборудования. Когда это выполнить невозможно, выбирают такие материалы проводников и изоляции, которые способны длительно противостоять разрушающему действию агрессивной среды. Как правило, для помещений с такими неблагоприятными средами применяют радиальные схемы питания ЭП, коммутационные аппараты которых располагают в отдельных помещениях с нормальной средой.
В цехах промышленных предприятий с пожароопасной средой предусматривают устройства противопожарной автоматики. В этом случае на выводе РШ (ШРА), куда подключены электродвигатели вентиляционных механизмов, устанавливают мощный магнитный пускатель. В цепь катушки пускателя последовательно включают размыкающий контакт датчика противопожарного устройства. Для сокращения зоны распространения огня в случае возникновения пожара в цехе этим контактом отключаются все вентиляционные установки.
3 Конструктивное выполнение внутрицеховых электрических сетей
Внутрицеховые электрические сети напряжением до 1 кВ различаются между собой по многим конструктивным признакам. Конструкции сетей зависят от материала проводников, способов изоляции, условия окружающей среды, от степени ответственности электроустановки, от расстояния источника питания до потребителя, от характера нагрузки (спокойная, ударная) и других факторов.
По способам изоляции сети напряжением до 1 кВ можно разделить на две большие группы: выполняемые из шин и неизолированных проводов и из изолированных проводов и кабелей. К сетям напряжением до 1 кВ, выполняемым неизолированными проводами, относятся ВЛ, которые на промышленных предприятиях имеют крайне ограниченное применение. Из неизолированных и изолированных шин выполняют шинопроводы. Электропроводки и КЛ относятся к сетям, выполненным из изолированных проводников.
Характеристики
Тип файла документ
Документы такого типа открываются такими программами, как Microsoft Office Word на компьютерах Windows, Apple Pages на компьютерах Mac, Open Office - бесплатная альтернатива на различных платформах, в том числе Linux. Наиболее простым и современным решением будут Google документы, так как открываются онлайн без скачивания прямо в браузере на любой платформе. Существуют российские качественные аналоги, например от Яндекса.
Будьте внимательны на мобильных устройствах, так как там используются упрощённый функционал даже в официальном приложении от Microsoft, поэтому для просмотра скачивайте PDF-версию. А если нужно редактировать файл, то используйте оригинальный файл.
Файлы такого типа обычно разбиты на страницы, а текст может быть форматированным (жирный, курсив, выбор шрифта, таблицы и т.п.), а также в него можно добавлять изображения. Формат идеально подходит для рефератов, докладов и РПЗ курсовых проектов, которые необходимо распечатать. Кстати перед печатью также сохраняйте файл в PDF, так как принтер может начудить со шрифтами.















