GORNYAK (729675), страница 10
Текст из файла (страница 10)
В отечественной практике нашли применение пока лишь две системы электропривода с плавным регулированием: асинхронный вентильно-машинный каскад и асинхронный вентильный каскад. Существенное преимущество каскадных схем то, что преобразуемая электрическая мощность в них определяется диапазонами регулирования скорости в отличие от других систем регулируемого привода, в которых преобразуется вся мощность, подводимая к приводному двигателю, независимо от диапазона регулирования. Поскольку для вентиляторов требуемая глубина регулирования частоты вращения обычно не превышает 1 : 2, то и величина преобразуемой мощности в каскадных схемах не превышает половины полной мощности привода. Это уменьшает мощность преобразовательного оборудования и обеспечивает наиболее высокий КПД из всех систем регулируемого привода.
6.1 Электропривод по системе асинхронного вентильного каскада
Донгипроуглемашем на основе разработок ВНИИЭлектропривода выполнен проект унифицированных комплектов электрооборудования вентиляторных установок с регулируемым приводом. В качестве последнего принята система асинхронного вентильного каскада (АВК). Комплекты оборудования применяются для вентиляторов ВЦД-47У, ВЦД-47 ''Север'', ВЦД-31,5М.
Комплекты предназначаются для:
-
автоматизированного выполнения всех технологических операций при эксплуатации вентиляторных установок;
-
изменения режима работы вентиляторов регулированием частоты вращения;
контроля работы и автоматического отключения вентиляторов при возникновении аварийных ситуаций.
Комплекты обеспечивают:
автоматические повторные пуски вентиляторных агрегатов в периоды кратковременных (до 9 с) исчезновений или глубоких падений напряжения сети;
-
реверсы воздушных струй без остановки центробежных вентиляторов;
-
регулирование производительности вентиляторов изменением частоты вращения;
возможность автоматического включения резервных вентиляторных агрегатов при аварийных отключеньях работающих;
автоматическое включение резервных вводов низкого напряжения.
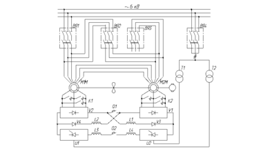
Рис. 2.1. Принципиальная схема электропривода вентиляторов ВЦД-47У и ВЦД-47
''Север'' по системе асинхронного вентильного каскада
Электрической схемой предусмотрены следующие виды управления вентиляторной установкой: автоматизированное из машинного зала; автоматизированное из диспетчерской; ремонтное (местное) с места установки механизмов. Выбор места управления производится универсальными переключателями, установленными на соответствующих станциях управления. При автоматизированном управлении комплект позволяет осуществить: выбор агрегата для работы (первый или второй); выбор режима работы (всасывание или нагнетание); пуск и остановку агрегата. В режиме ремонтного управления обеспечивается опробование любого вспомогательного механизма вентиляторной установки.
В связи с существенной разницей в способах пуска каскадных приводов для вентиляторов ВЦД-47У, ВЦД-47 ''Север'' (плавный пуск по схеме АВК с остановленного состояния) и вентилятора ВЦД-31,5М (резисторный пуск с последующим переходом в работу по схеме АВК) соответствующие принципиальные схемы заметно отличаются.
На рис.2.1 приведена принципиальная схема электропривода по системе АВК для вентиляторов ВЦД-47У и ВЦД-47 ''Север''. Схема дана для одного агрегата (для второго идентична). Комплект электрооборудования каждой вентиляторной установки состоит из двух одинаковых наборов электрооборудования вентиляторов и набора электрооборудования вспомогательных приводов.
Технические данные основного электрооборудования электропривода по системе АВК для вентиляторов ВЦД-47У и ВЦД-47 ''Север'':
Электродвигатель асинхронный с фазным ротором АКН2-18-53-12УХЛ4, 2000 кВт, 495 мин-1, 6000 В, 237 А, напряжение и ток ротора 1050 В, 1170 А (для вентилятора ВЦД-47У; обозначение на рис. 5.3 М1М, М2М).
Электродвигатель асинхронный с фазным ротором АКС-17-76-12, 3200 кВт, 495 мин-1, 6000 В, 376 А, напряжение и ток ротора 1360 В, 1425 А (для вентилятора ВЦД-47 ''Север'' – М1М, М2М).
Агрегат ТДП2-2500/400-2Т УХЛ4, 50 Гц, 4700 В, 125 А (VI,Ul,V2 u U2).
Трансформатор ТСЗП-1000/10УЗ, сетевая обмотка 6000 В, Ud=460 В, Id=1600 А (Т1, Т2).
Выключатель автоматический Q1 быстродействующий ВАБ-42-4000/10, ток уставки 1600 – 4000 А, номинальное напряжение 1050 В.
Реактор ТРОС-160 УХЛ4, номинальный ток 1000 А, индуктивность 0,5 мГн.
Рассматриваемый электропривод имеет свои особенности. Применяемые для приводов вентиляторов ВЦД-47У и ВЦД-47 ''Север'' асинхронные двигатели с фазным ротором имеют соответственно номинальные напряжения ротора 1050 и 1360 В. Выпускаемые для асинхронных вентильных каскадов преобразователи тока ротора имеют напряжение 700 В. Поэтому в каскаде для снижения напряжения предусмотрено последовательное соединение статорных обмоток двигателей М1М, М2М и включение их в зависимости от достигаемого значения частоты вращения в общую звезду или в общий треугольник. В зависимости от значения тока ротора в преобразователе переменного тока роторов производится переключение выпрямителей VI, V2 с параллельного на последовательное или наоборот.
Для регулируемых двухдвигательных приводов вентиляторов ВЦД-47У и ВЦД-47 ''Север'' целесообразно иметь глубину регулирования частоты вращения порядка 1 : 5 – 1 : 4. Для осуществления ступенчатого резисторного пуска асинхронных двигателей, применяемых в приводе вентиляторов ВЦД-47 ''Север'', отсутствуют серийно выпускаемые надежные средства. Поэтому принятые регулируемые приводы этих вентиляторов обеспечивают регулирование частоты вращения из остановленного состояния. Это позволяет осуществить надежный бесступенчатый пуск вентиляторов и настройку вентиляторов на необходимый, наиболее экономичный режим работы.
Электропривод вентилятора по системе АВК работает следующим образом. Вначале масляным выключателем высоковольтной ячейки ВЯ4 подается напряжение на согласующие трансформаторы Т1, Т2, а с их вторичных обмоток на инверторы U1, U2 (цепи управления инверторов должны быть подготовлены). На стороне постоянного тока инверторы создадут максимальную противо-ЭДС (автоматический выключатель Q2 разомкнут). Затем масляным выключателем ячейки ВЯЗ последовательно соединенные обмотки статоров асинхронных двигателей М1М и М2М включаются в общую звезду. После этого масляным выключателем ячейки ВЯ1 подается напряжение 6000 В на статорные обмотки двигателей. В результате такого включения напряжение на статорных обмотках каждого двигателя составит U1ф=1732 В, а на кольцах роторов напряжение равно U2Л =525 В в приводе вентилятора ВЦД-47У и U2Л = 680 В в приводе вентилятора ВЦД-47 ''Север''. Как видно, напряжение уменьшается по сравнению с номинальным вдвое и будет ниже номинального напряжения переменного тока 700 В на входе выпрямителей VI, V2. В дальнейшем при включении автоматического выключателя Q2 замыкается цепь контура постоянного тока, выпрямители VI, V2 подключаются параллельно (автоматический выключатель Q1 разомкнут) к последовательно соединенным инверторам U1, U2. Так как суммарная противо-ЭДС постоянного тока, создаваемая двумя инверторами, соответствует подведенному суммарному напряжению переменного тока 380Х2=760 В и превышает выпрямленную ЭДС ротора, соответствующую напряжению роторов 525 В (680 В), ток в контуре постоянного тока проходить не будет. Ток в роторных обмотках также отсутствует. Поэтому двигатели М1М и М2М не вращаются.
В процессе уменьшения противо-ЭДС с момента ее равенства выпрямленной ЭДС роторов начинает плавно возрастать ток в роторах двигателей и контуре постоянного тока. С появлением тока в роторах на валах двигателей возникает вращающий момент. Когда вращающий момент превысит момент сопротивления, двигатели начнут вращаться с плавным повышением частоты вращения. При прекращении изменения угла регулирования тиристоров инвертора устанавливается необходимое значение частоты вращения. При установившейся частоте вращения выпрямленная ЭДС роторов превышает противо-ЭДС инверторов на такое значение, при котором протекает ток в роторах, необходимый для создания на валах двигателей момента, равного моменту сопротивления. В случае необходимости снижения частоты вращения соответствующим изменением угла регулирования тиристоров повышается противо-ЭДC инверторов. Это вызывает уменьшение тока в роторах двигателей, снижение моментов двигателей и соответственно снижение частоты вращения двигателей.
Таким образом, изменение частоты вращения двигателей происходит за счет изменения противо-ЭДС инверторов: снижение ее значения повышает частоту вращения, а повышение – снижает. При максимальном значении противо-ЭДС угол регулирования тиристоров инвертора – максимальный, при минимальном – минимальный. Изменение угла регулирования осуществляется с помощью системы импульсно-фазового управления (СИФУ). В СИФУ подается сигнал выходного напряжения сельсинного задатчика скорости.
В режиме включения статорных обмоток двигателей в общую звезду электропривод обеспечивает получение установившихся частот вращения в зоне I (рис. 2.2).
При необходимости получения частот вращения выше диапазона зоны I на верхнем значении частоты вращения зоны статорные обмотки переключаются с общей звезды в общий треугольник: масляный выключатель ячейки ВЯЗ (см. рис. 2.1) отключается, а масляный выключатель ячейки ВЯ2 включается. При этом напряжение на кольцах роторов двигателей возрастает в
раза и обеспечивается регулирование частот вращения в зоне II.
В случае необходимости дальнейшего повышения частоты вращения при достижении приводом верхнего предела частоты вращения зоны II включается автоматический выключатель Q1 и выпрямители VI и V2 подключаются последовательно к инверторам U1 и U2. Ток по диодам V3 и V4 не протекает, так как они включены непроводящей полярностью по отношению к ЭДС выпрямителей. В таком соединении привод работает в зоне III частот вращения, обеспечивая разгон двигателя до номинальной частоты вращения или работу на любой из частот вращения в пределах зоны III. С достижением электроприводом максимальной, близкой к номинальному значению, частоты вращения замыкаются контакты контакторов К1, К2. Двигатели переводятся на естественную характеристику.
При необходимости перевода привода вентилятора с естественной характеристики в зону III, затем в зону II и далее в зону I вначале размыкаются контакты Kl, К2. После снижения частоты вращения до нижней границы зоны III отключается автоматический выключатель Q1. В дальнейшем при снижении частоты вращения до нижней границы зоны II производится переключение обмоток статоров с общего треугольника в общую звезду, т. е. переключения производятся в обратном порядке. Переключения обмоток статора с общей звезды в общий треугольник и наоборот, а также включение и отключение выключателя Q1 производится автоматически в функции частоты вращения.
Дроссели LI, L2 ограничивают пики выпрямленного тока в процессе включения и отключения автоматического выключателя Q1, а также сглаживают пульсации выпрямленного напряжения при работе в зонах I и II. Дроссели L3 и L.4 предназначены только для сглаживания пульсации выпрямленного напряжения. Инверторы U1, U2 во всех зонах работы электропривода рекуперируют через согласующие трансформаторы Т1, Т2 энергию скольжения в сеть.
Рис. 2.2. Зоны работы электропривода вентилятора ВЦД-470 ''Север''
Наличие в системе регулятора скорости обеспечивает поддержание установленной скорости в необходимых пределах с помощью обратной связи по частоте вращения (напряжению тахогенератора BR). Регулятор тока обеспечивает ограничение максимального значения выпрямленного тока при переходных процессах включения и регулирования частоты вращения.
7. Автоматизация производственных процессов
7.1. Общие положения
Проектные решения в области автоматизации и управления технологическими процессами базируются на предписаниях норм технологического проектирования угольных шахт, разрезов и обогатительных фабрик, и направлены на облегчение условий труда и повышения безопасности производства работ. А также высвобождение рабочих, где это представляется технически возможным и экономически целесообразным, повышение производительности труда и снижение себестоимости угля, экономию энергетических и материальных ресурсов.
Реализация указанных мероприятий достигается следующим путем:
комплексной автоматизацией стационарных установок, групп технологического оборудования и процессов в шахте и на поверхности;
высокого уровня и глубины автоматизации технологических процессов;
-
использования в проекте аппаратуры автоматизации, базирующейся на комплектных устройствах блочного типа, разработанной на совершенной элементарной базе с учетом последних достижений отечественной науки и техники в этой области, имеющих высокие показатели надежности и ремонтопригодности, и оснащенные в ряде случаев средствами технической диагностики;
-
организации оптимальной структуры оперативного управления основным производством.
Таблица 7.1
| Автоматизированный процесс | Используемая аппаратура |
| Автоматизация конвейерных линий | АУК –1М |
| Контроль за содержанием СН4 | «Метан» |
| Автоматизация бункеров | РКУ |
| Главный водоотлив | ВАВ-1М, КАВ |
| Вентиляционные установки | УКАВ-2 |
| Автоматизация очистных работ | САУК |
| Аппаратура громкоговорящей связи | ГИС-1 |
| Автоматизация управления стрелочным переводом | АБСС-1 |
| Аппаратура управления, сигнализации и связи | УМК + АС-3СМ |
| ВМП | АПТВ |
| Шахтные котельные | АПК-1 |
| Калориферные установки | АКУ-3 |
7.2 Средства технологического контроля за работой
вентиляционных установок
В соответствии с правилами безопасности на угольных и сланцевых шахтах схемы управления главными вентиляторными установками должны обеспечивать непрерывное измерение, регистрацию и контроль давления и подачи (производительности) при работе вентилятора как в прямом, так и в реверсивном режиме.
Измерительная аппаратура, в большинстве случаев применяемая для этих целей, представляет собой комплект, состоящий из датчиков давления и производительности, первичного измерительного прибора и связанного с ним системой дистанционной передачи показаний вторичного измерительного прибора, обеспечивающего непрерывный контроль и регистрацию измерений.
Датчики давления и подачи (производительности), устанавливаемые в контрольном сечении вентиляторной установки, обеспечивают получение некоторого пневматического импульса в виде перепада давлений, пропорционального контролируемой величине. Полученный датчиком перепад давлений по импульсным трубкам подается на первичный измерительный прибор, представляющий собой чаще всего дифференциальный манометр, который размещается в здании вентиляторной установки. Вторичные измерительные приборы устанавливают в шкафу управления вентиляторами в помещении вентиляторной установки.















