146353 (729623)
Текст из файла
Курсовой проект
на тему
«Сборка червячного редуктора»
РЕФЕРАТ
Пояснительная записка к курсовому проекту: 49 с., 5 рис., 2 табл., 3 источника.
Объектом данной работы является червячный редуктор общего назначения.
Цель работы — расчет и проектирование редуктора со следующими параметрами: передаваемая мощность — 4.2 кВт, частота вращения выходного вала — 45 об/мин.
Разработка редуктора выполнялась на основе теории зубчатых передач. При расчете отдельных элементов устройства использованы теории прочности (проектирование валов, расчет шпонок) и надежности (выбор подшипников).
В результате работы спроектирован редуктор, обеспечивающий заданные параметры и разработан его общий вид. Объем проведенных расчетов и конструкторских проработок позволяет перейти к разработке комплекта технической документации на одноступенчатый червячный редуктор общего назначения.
РЕДУКТОР, СБОРОЧНЫЙ ЧЕРТЕЖ, ВАЛ, ПЕРЕДАТОЧНОЕ ОТНОШЕНИЕ, РЕМЕННАЯ ПЕРЕДАЧА, ЧЕРВЯЧНАЯ ПЕРЕДАЧА, ЧЕРВЯЧНОЕ КОЛЕСО, ЭПЮРА
ЗАДАНИЕ
для курсового проекта по предмету Теоретическая механика раздел «Детали машин»
учащемуся специальности 5.090242курса 2 группы МО-00-1д тов. Сивер Донецкого электрометаллургического техникума.
Тема задания: рассчитать червячный редуктор общего назначения.
ИСХОДНЫЕ ДАННЫЕ
Мощность на выходном валу редуктора, pвых = 4,2 КВт.
Частота вращения ведомого вала, nвых = 45 об/мин.
Режим нагрузки — постоянный.
Редуктор предназначен для длительной эксплуатации и мелкосерийного производства.
Курсовой проект на указанную тему выполняется учащимся техникума в следующем объеме:
ПОЯСНИТЕЛЬНАЯ ЗАПИСКА
1. Общая часть
Введение
2. Расчетная часть
2.1. Кинематический расчет и выбор электродвигателя.
2.2. Расчет клиноременной передачи.
2.3. Расчет зубчатой передачи редуктора.
2.4. Предварительный расчет валов редуктора и выбор подшипников.
2.5. Конструктивные размеры шестерни и колеса.
2.6. Конструктивные размеры корпуса редуктора.
2.7. Первый этап эскизной компоновки редуктора.
2.8. Проверка долговечности подшипников.
2.9. Второй этап эскизной компоновки редуктора.
2.10. Выбор посадок основных деталей редуктора.
2.11. Тепловой расчет редуктора.
2.12. Проверка прочности шпоночных соединений.
2.13. Уточненный расчет валов.
2.14. Выбор сорта масла.
2.15. Сборка редуктора.
3. Графическая часть
Лист 1. Сборочный чертеж
РЕКОМЕНДУЕМАЯ ЛИТЕРАТУРА
1. Чернавский С.А., Боков К.Н. Курсовое проектирование деталей машин.— М.: 1987.
2. Дунаев П.Ф.. Леликов О.П. Детали машин. Курсовое проектирование.— М.: 1990.
3. Куклин Н.Г., Куклина Г.С. Детали машин.— М.: 1984.
4. Чернилевский Д.В. Детали машин и механизмов. Курсовое проектирование.— К.: 1987.
КАЛЕНДАРНЫЙ ГРАФИК
выполнения курсового проекта
| № | Содержание работ | Примерный объем работ, % | Месяц и дни выполнения | |||||||||
| 06.02.02 | 13.02.02 | 10.02.02 | 06.03.02 | 20.30.02 | 27.03.02 | 03.04.02 | 10.04.02 | 17.04.02 | 24.04.02 | |||
| 1 | Введение | 5 | ||||||||||
| 2 | Кинематический расчет и выбор электродвигателя | 8 | ||||||||||
| 3 | Расчет клиноременной передачи. | 7 | ||||||||||
| 4 | Расчет зубчатой передачи редуктора | 14 | ||||||||||
| 5 | Предварительный расчет валов и выбор подшипников. | 6 | ||||||||||
| 6 | Конструктивные размеры шестерни и колеса | 8 | ||||||||||
| 7 | Конструктивные размеры корпуса редуктора | 7 | ||||||||||
| 8 | Первый этап эскизной компоновки редуктора. | 6 | ||||||||||
| 9 | Проверка долговечности подшипников | 6 | ||||||||||
| 10 | Второй этап эскизной компоновки редуктора. | 7 | ||||||||||
| 11 | Подбор шпонок и проверочный расчет шпоночных соединений | 5 | ||||||||||
| 12 | Проверочный расчет валов редуктора | 7 | ||||||||||
| 13 | Выбор посадок основных деталей редуктора | 5 | ||||||||||
| 14 | Выбор сорта масла | 5 | ||||||||||
| 15 | Сборка редуктора | 3 | ||||||||||
Дата выдачи «____» ___________ 2002 г. Срок окончания «____» ___________ 2002 г.
Преподаватель ______________________ Высочин А.А.
Председатель предметной комиссии _________________
Настоящее задание подшивается к пояснительной записке выполняемого курсового проекта.
СОДЕРЖАНИЕ
1. Общая часть
Введение
2. Расчётная часть
2.1. Кинематический расчёт и выбор электрического двигателя.
2.2. Расчёт клиноременной передачи.
2.3. Расчёт зубчатой передачи редуктора.
2.4. Предварительный расчёт валов редуктора и выбор подшипников.
2.5. Конструктивные размеры корпуса редуктора.
2.6. Первый этап эскизной компоновки редуктора.
2.7. Проверка долговечности подшипников.
2.8. Второй этап эскизной компоновки редуктора.
2.9. Выбор посадок основных деталей редуктора.
2.10. Проверка прочности шпоночных соединений.
2.11. Уточненный расчёт валов.
2.12. Тепловой расчёт редуктора.
2.13. Выбор сорта масла.
2.14. Сборка редуктора.
Литература.
1. Общая часть
Введение
В основе работы большинства машин и механизмов лежит преобразование параметров и кинематических характеристик движения выходных элементов по отношению к входным. Наиболее распространенным механизмом для решения данной задачи является редуктор, который представляет систему зубчатых передач выполненных в герметично закрытом корпусе.
Заданием данного курсового проекта является спроектировать червячный редуктор общего назначения, предназначенный для длительной эксплуатации и мелкосерийного производства.
2. Расчётная часть.
2.1. Кинематический расчёт и выбор эл. двигателя
При выполнении кинематического расчёта и выборе эл. двигателя необходимо учитывать потери энергии, которые происходят временной передачи, в зацеплении зубчатых колёс с учётом потерь в подшипниках.
По таблице 1.1 [1] принимаем их КПД соответственно:
ременной передачи: ηрем 0,94...0,96
зубчатой передачи (червячной): ηзуб = 0,85 (предварит.)
подшипников: ηпод 0,99
Общий КПД привода:
ηобщ = ηрем * ηзуб * η2подш = (0,94...0,96) * 0,8 * 0,992 = 0,73...0,85
Требуемая мощность эл. двигателя:
Рэл.тр. = Рвых / ηоб
Рэл.тр. = 4,2 / (0,73...0,8) = 5,75...5,25 кВт
Требуемая частота вращения вала эл. двигателя:
nэл.треб. = ивых * ирем * изубч
где ирем — передаточное число ременной передачи;
изуб — передаточное число зубчатой передачи.
По табл. 1.2 [1] принимаем:
ирем = 2...4
изуб = 16...50
nэтр = 45(2...4)(16...50) = 1440...9000 об/мин.
По табл. 19.27 [1] выбираем эл. двигатель трёхфазный короткозамкн. закрытый обдуваемый единой серии 4А с асинхронной частотой вращения n1 = nэ = 1445 с мощностью эл. двигателя 5,5 кВт.
Тип двигателя 112М4 / 1445:
Рэ = Р1 = 5,5 кВт.
Общее передаточное число привода:
иобщ = nэ/ввых = n1/n3 = 1445 / 45 = 32,1
иобщ = ирем * изуб
принимаем ирем = 2.
Тогда
изуб = иобщ / прем = 32,1 / 2 = 16,05
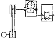
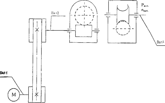
Частота вращения валов (см. рис. 1):
вала 1 — n1 = nэ = 1445
вала 2 — n2 = n1 / ирем = 1445 / 2 = 722,5 об/мин
вала 3 — n3 = nвых n3 = n2 / изуб = 722,5 / 16,05 = 45,0 об/мин
Угловые скорости валов:
вала 1 — 1 = π * n1 / 30 = 3,14 * 1445 / 30 = 151,2 рад/сек
вала 2 — 2 = π * n2 / 30 = 3,14 * 722,5 / 30 = 75,62 рад/сек
вала 3 — 3 = π * п3 / 30 = 3,14 * 45 / 30 = 4,9 рад/сек
Вращающие моменты на валах:
на валу 1 — T1 = 9550 * Р1 / n1 = 9550 * 5,5 / 1445 = 36,34 Нм
на валу 2 — T2 = T1 * ирем * ηрем = 42,95 * 2 * 0,96 = 69,79 Нм
на валу 3 — Т3 = 9550 * Р3 / n3 = 9550 * 4,2 / 45 = 891 Нм
вал 1 — вал эл. двигателя; 2 — вал шестерни; 3 — вал колеса.
| № вала | Частота вращения об/мин | Угловая скор рад/сек | Вращ. момент |
| 1 | 1435 | 151,2 | 36,34 |
| 2 | 722,5 | 75,62 | 69,79 |
| 3 | 45,0 | 4,9 | 897 |
Кинем. схема
2.2. Расчёт шинорем. передачи
Исходные данные для расчёта:
-
передаваемая мощность — 5,5 кВт;
-
частота вращения ведущего шкива — 1445 об/мин;
-
передаточное число ирем = 2.
По номогра мме рисунок 5.2 ( ) в зависимости от частоты вращения n1 = 1445 об/мин и перед. мощности Рэл.дв. = 5,5 кВт принимаем сечение клинового ремня А.
Вращающий момент:
Ттр = Рэл.тр. / ω1
Характеристики
Тип файла документ
Документы такого типа открываются такими программами, как Microsoft Office Word на компьютерах Windows, Apple Pages на компьютерах Mac, Open Office - бесплатная альтернатива на различных платформах, в том числе Linux. Наиболее простым и современным решением будут Google документы, так как открываются онлайн без скачивания прямо в браузере на любой платформе. Существуют российские качественные аналоги, например от Яндекса.
Будьте внимательны на мобильных устройствах, так как там используются упрощённый функционал даже в официальном приложении от Microsoft, поэтому для просмотра скачивайте PDF-версию. А если нужно редактировать файл, то используйте оригинальный файл.
Файлы такого типа обычно разбиты на страницы, а текст может быть форматированным (жирный, курсив, выбор шрифта, таблицы и т.п.), а также в него можно добавлять изображения. Формат идеально подходит для рефератов, докладов и РПЗ курсовых проектов, которые необходимо распечатать. Кстати перед печатью также сохраняйте файл в PDF, так как принтер может начудить со шрифтами.
















