ANDR_WOR (729399)
Текст из файла
Содержание
1.Задание
2.Проведение эксперимента
3.Индентификация каналов методом Симою и проверка аппроксимации
4.Расчет оптимальных настроек регулятора одноконтурной системы
5.Расчет оптимальных настроек регулятора каскадной системы
6.Расчет компенсирующего устройства
7.Расчет оптимальных настроек регулятора одноконтурной системы реального объекта
8.Расчет оптимальных настроек регулятора каскадной системы реального объекта
9.Расчет компенсирующего устройства реального объекта
10.Анализ переходных процессов
11.Перечень файлов
12.Список программного обеспечения
1.Задание
Исследовать работу комбинированной автоматической системы управления в целом и её отдельных контуров. Провести расчет оптимальных настроечных параметров регуляторов САР и провести реализацию полученных результатов на реальном объекте – Ремиконт-120.
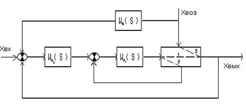
Комбинированная система управления
1 – основной канал (Wоб(S));
3 – канал по возмущению (Wов(S)).
2.Проведение эксперимента
Для проведения эксперимента на Р-120 собираем 3 модели: по основному каналу, по внутреннему каналу и по каналу возмущения.
2.1 Проведение эксперимента по основному каналу
Для снятия кривой разгона подаем на алгоблок 1.1 возмущающее воздействие амплитудой 10% и снимаем с этого алгоблока кривую разгона .Заносим кривую в файл VIT1.После интерполяции по 5 точкам и нормирование получаем кривую разгона , представленную в таблице /см. табл. 2.1/
2.2 Проведение эксперимента по внутреннему каналу
Для снятия кривой разгона по внутреннему каналу проводим такие же действия ,что и при снятии первой кривой. Полученную кривую разгона заносим в файл VIT2.После обработки кривой результаты заносим в таблицу /см. табл. 2.2/
табл 2.2 Нормированная кривая разгона
2.3 Проведение эксперимента по каналу возмущения
Для снятия кривой разгона по каналу возмущения проводим такие же действия ,что и при снятии первой кривой. Полученную кривую разгона заносим в файл VIT2.После обработки кривой результаты заносим в таблицу /см. табл. 2.3/
табл 2.3 Нормированная кривая разгона
3.Идентификация каналов и методом Симою и проверка аппроксимацию
3.1 Основной канал
В программе ASR по нормированной кривой разгона ( исключая запаздывание ) получим значения площадей :
F1=6.6627;
F2=14.5831;
F3=7.1130.
Т.о передаточная функция объекта:W(s)об=1/14.583*s2+6.663*s+1
Проведем проверку аппроксимации , т.е. найдем статическую ошибку нормированной кривой разгона от кривой разгона , полученной по переходному процессу . Воспользуемся преобразованиями по Карлону-Хевисайда и теорему разложения .
В результате получим :
корни характеристического уравнения :14.583*S2+6.663*S+1=0
S1=-0.228+j0.128
S2=-0.228-j0.128
Вещественная часть корней отрицательна , следовательно можно сделать вывод об устойчивости объекта.
Переходной процесс объекта имеет вид :
y(t)=1+2.046*cos(4.202-0.128*t)*e-0.228*t
В это уравнение подставляем значение t ,получаем график переходного процесса по основному каналу (аппроксимированная кривая разгона )
табл. 3.1 Аппроксимированная кривая разгона
Сравнение нормированной кривой разгона и полученного переходного процесса по основному каналу и будет являться проверкой аппроксимации объекта управления.
Расчетная формула : (h(t)-y(t))*100/h(y)
Максимальное отклонение составляет (0.0533-0.0394)*100/0.0533=26%
Полная передаточная функция ( включая звено чистого запаздывания ) имеет вид: W(s)об=1*e-6*s/14.583*s2+6.663*s+1
3.2 Внутренний канал
В программе ASR по нормированной кривой разгона получим значения площадей
F1=8.508;
F2=19.5765;
F3=0.4436.
Т.о передаточная функция объекта:
Проведем проверку аппроксимации , т.е. найдем статическую ошибку нормированной кривой разгона от кривой разгона , полученной по переходному процессу . Воспользуемся преобразованиями по Карлону-Хевисайда и теорему разложения .
В результате получим :W(s)об1=1/19.576*s2+8.508*s+1
корни характеристического уравнения :19.576*S2+8.508*S+1=0
S1=-0.21731+j0.06213
S2=-0.21731-j0.06213
Вещественная часть корней отрицательна , следовательно можно сделать вывод об устойчивости объекта.
Переходной процесс объекта имеет вид :
y(t)=1+3.638*cos(4.434-0.062*t)*e-0.217*t
В это уравнение подставляем значение t ,получаем график переходного процесса по основному каналу (аппроксимированная кривая разгона )
табл. 3.2 Аппроксимированная кривая разгона
При сравнении кривых разгона получаем максимальное отклонение :
(0.0345-0.0321)*100/0.0345=7%
3.3 Канал по возмущению
В программе ASR по нормированной кривой разгона получим значения площадей
F1=5.8678;
F2=8.1402
F3=-4.8742.
Составляем систему уравнений:
a1=5.868+b1
a2=8.14+b1*5.688
0=-4,874+b1*8.14
Откуда b1=0.599 , a1=6.467 , a2=11.655
Т.о передаточная функция объекта:W(s)ов=0.599*s/11.655*s2+6.467*s+1
Проведем проверку аппроксимации , т.е. найдем статическую ошибку нормированной кривой разгона от кривой разгона , полученной по переходному процессу . Воспользуемся преобразованиями по Карлону-Хевисайда и теорему разложения .
В результате получим :
корни характеристического уравнения :11.655*S2+6.467*S+1=0
S1=-0.27743+j0.09397
S2=-0.27743-j0.09397
Вещественная часть корней отрицательна , следовательно можно сделать вывод об устойчивости объекта.
Переходной процесс объекта имеет вид :
y(t)=1+2.605*cos(4.318-0.094*t)*e-0.277*t
В это уравнение подставляем значение t ,получаем график переходного процесса по основному каналу (аппроксимированная кривая разгона )
табл. 3.2 Аппроксимированная кривая разгона
При сравнении кривых разгона получаем максимальное отклонение :
(0.0966-0.0746)*100/0.0966=22.5%
4.Расчет оптимальных настроек регулятора одноконтурной системы
Важным элементом синтеза АСР технологического процесса является расчет одноконтурной системы регулирования . При этом требуется выбрать структуру и найти числовые значения параметров регуляторов . АСР образуется при сочетании объект регулирования и регулятора , и представляет собой единую динамическую систему.
Расчет настроек АСР методом Ротача.
Передаточная функция объекта по основному каналу имеет вид:
W(s)об=1*e-6*s/14.583*s2+6.663*s+1
В программе Linreg производим расчет оптимальных настроечных параметров ПИ регулятора:
Kп=0.51007;
Tи=5.32345;
wкр=0.14544.
Cмоделируем в пакете SIAM переходные процессы одноконтурной системы по управляющему и по возмущающему воздействию.
Структурная схема одноконтурной системы по управляющему воздействию
W(s)=1/(14.583*s2+6.663*s+1)
K=Kп=0.51007
K/S=Kп/Tи=0.0958
K=1,T=6
Переходной процесс
Перерегулирование – 26%
Время затухания – 65с
Степень затухания – 1
Структурная схема одноконтурной системы по возмущающему
воздействию
W(s)=1/(14.583*s2+6.663*s+1)
K=Kп=0.51007
K/S=Kп/Tи=0.0958
K=1,T=6
Перерегулирование – 82%
Время затухания – 65с
Степень затухания – 0.93
5. Расчет оптимальных настроек каскадной системы
5.1 Расчет настроек по внутреннему каналу
Передаточная функция объекта по внутреннему каналу имеет вид:
W(s)об1=1/19.576*s2+8.508*s+1
Расчет настроечных параметров регулятора производим методом Ротача в программе Linreg . Результаты :
Kп=4.06522
Ти=7.26837
wкр=0.4151
В пакете Siam смоделируем переходные процессы по управляющему и по возмущающему воздействию .
Структурная схема внутреннего канала по управляющему воздействию
W(s)=1/(19.576*s2+8.508*s+1)
K=Kп=4.06522
K/S=Kп/Tи=0.5593
Переходной процесс
Перерегулирование – 29%
Время затухания – 9с
Степень затухания – 0.86
Структурная схема внутреннего канала по возмущаеющему
воздействию
W(s)=1/(19.576*s2+8.508*s+1)
K=Kп=4.06522
K/S=Kп/Tи=0.5593
Переходной процесс
Перерегулирование – 21%
Время затухания – 13с
Степень затухания – 0.86
5.2 Выбор и расчет передаточной функции эквивалентного объекта
Настроечные коэффициенты для регулятора Р1 рассчитываются, как настройки для внутреннего контура . Настроечные коэффициенты для регулятора Р2 рассчитываются по передаточной функции эквивалентного объекта .
Сравнивая время затухания переходных процессов внутреннего и основного контуров определяем , что Wэкв соответствует виду : Wэкв(s)=Wоб(s)/Wоб1(s) ,
где Wоб(s)=1*e-6*s/(14.583*s2+6.663*s+1),
Wоб1(s)=1/(19.576*s2+8.508*s+1).
После проведенных расчетов получаем :
Wэкв(s)=(19.576*s2+8.508*s+1)*e-6*s/(14.583*s2+6.663*s+1)
5.3 Расчет оптимальных настроек внешнего регулятора .
В программе Linreg вводим передаточную функцию эквивалентного объекта и получаем значения оптимальных настроек регулятора Р2 .
Kп=0.19898
Ти=1.44671
Характеристики
Тип файла документ
Документы такого типа открываются такими программами, как Microsoft Office Word на компьютерах Windows, Apple Pages на компьютерах Mac, Open Office - бесплатная альтернатива на различных платформах, в том числе Linux. Наиболее простым и современным решением будут Google документы, так как открываются онлайн без скачивания прямо в браузере на любой платформе. Существуют российские качественные аналоги, например от Яндекса.
Будьте внимательны на мобильных устройствах, так как там используются упрощённый функционал даже в официальном приложении от Microsoft, поэтому для просмотра скачивайте PDF-версию. А если нужно редактировать файл, то используйте оригинальный файл.
Файлы такого типа обычно разбиты на страницы, а текст может быть форматированным (жирный, курсив, выбор шрифта, таблицы и т.п.), а также в него можно добавлять изображения. Формат идеально подходит для рефератов, докладов и РПЗ курсовых проектов, которые необходимо распечатать. Кстати перед печатью также сохраняйте файл в PDF, так как принтер может начудить со шрифтами.















