ANDR_WOR (729399), страница 2
Текст из файла (страница 2)
Wкр=0.30928
В пакете Siam смоделируем переходные процессы по управляющему и по возмущающему воздействию .
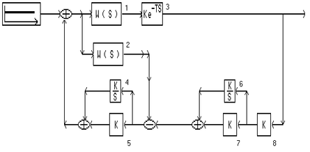
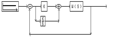
Структурная схема каскадной системы по управляющему воздействию
1.K=Kп=0.19898
2.K/S=Kп/Tи=0.13754
3.K=Kп=4.06522
4.K/S=Kп/Tи=0.5593
5.W(s)=1/(19.576*s2+8.508*s+1)
6.W(s)=1/(14.583*s2+6.663*s+1)
7.K=1,T=6
Переходной процесс
Перерегулирование – 72%
Время затухания – 150с
Степень затухания – 0.42
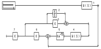
Структурная схема каскадной системы по возмущающему воздействию
1. W(s)=1/(14.583*s2+6.663*s+1)
2. W(s)=1/(19.576*s2+8.508*s+1)
3. K=1,T=6
4. K/S=Kп/Tи=0.5593
5. K=Kп=4.06522
6. K/S=Kп/Tи=0.13754
7. K=Kп=0.19898
8.K=-1
Переходной процесс
Перерегулирование – 31%
Время затухания – 110с
Степень затухания – 0.23
6. Расчет компенсирующего устройства
Для этого смоделируем в пакете SIAM схему комбинированной системы без компенсатора .
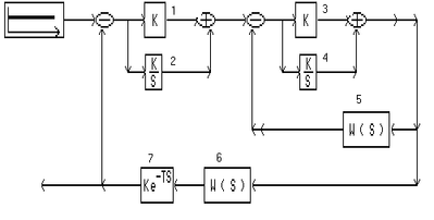
Структурная схема комбинированной системы без компенсатора
1.W(s)=0.599*s/(11.655*s2+6.467*s+1)
2.K=Kп=0.51007
3.K/S=Kп/Tи=0.0958
4.W(s)=1/(14.583*s2+6.663*s+1)
5.K=1,T=6
6.K=-1
7.K=-1
Переходной процесс
Перерегулирование – 7%
Время затухания – 35с
Степень затухания – 0.86
6.2 Комбинированная система управления с подачей дополнительного воздействия на вход регулятора
Определим передаточную функцию фильтра согласно формуле :
Wф(s)=Wов(s)/(Wоб(s)*Wр(s)) ,
где Wов(s) – передаточная функция канала по возмущению ,
Wоб(s) - передаточная функция объекта ,
Wр(s) - передаточная функция регулятора,
Находим значения передаточной функции фильтра для нулевой частоты :
Aф(0)=Aов(0)/(Aоб(0)*Aр(0))=0 Fф(0)=Fов(0)-(Fоб(0)+Fр(0))=90
Находим значения передаточной функции фильтра для резонансной частоты (w=0.14544):
Aф(w)=Aов(w)/(Aоб(w)*Aр(w))=0.072/(0.834*0.326)=0.265
Fф(w)=Fов(w)-(Fоб(w)+Fр(w))=141-(-130+(-52))=323=-37
В качестве компенсатора возмущения используем реальное дифференциальное звено : Wk(s)=Kв*Тв(s)/(Tв(s)+1)
Координаты компенсатора определяем геометрически .
Kв=ОД=0.32
Тв=(1/w)*sqrt(ОС/ДС)=8.876
Cмоделируем в пакете SIAM схему комбинированной системы c компенсатором .
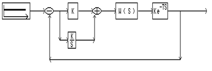
Структурная схема комбинированной системы с компенсатором
1.W(s)=0.599*s/(11.655*s2+6.467*s+1)
2.К=0.32
3.К=8.786,Т=8.786
4.К=-1
5.K/S=Kп/Tи=0.0958
6.K=Kп=0.51007
7.K=1,T=6
8.W(s)=1/(14.583*s2+6.663*s+1)
9.К=-1
10.К=-1
Переходной процесс
Перерегулирование – 8%
Время затухания – 60с
Степень затухания –0.56
7.Расчет оптимальных настроек регулятора одноконтурной системы реального объекта
Расчет настроек АСР методом Ротача.
Передаточная функция объекта по основному каналу имеет вид:
W(s)об=1*e-6*s/13.824*s3+17.28*s2+7.2*s+1
В программе Linreg производим расчет оптимальных настроечных параметров ПИ регулятора:
Kп=0.49;
Tи=5.346;
wкр=0.1403.
Cмоделируем в пакете SIAM переходные процессы одноконтурной системы по управляющему и по возмущающему воздействию.
Структурная схема одноконтурной системы по управляющему воздействию
W(s)=1/( W(s)об1=1/13.824*s3+17.28*s2+7.2*s+1
K=Kп=0.49
K/S=Kп/Tи=0.0916
K=1,T=6
Переходной процесс
Перерегулирование – 27%
Время затухания – 70с
Степень затухания – 1
Структурная схема одноконтурной системы по возмущающему
воздействию
W(s)=1/( W(s)об1=1/13.824*s3+17.28*s2+7.2*s+1
K=Kп=0.49
K/S=Kп/Tи=0.0916
K=1,T=6
Перерегулирование – 85%
Время затухания – 70с
Степень затухания – 0.94
8. Расчет оптимальных настроек каскадной системы
8.1 Расчет настроек по внутреннему каналу
Передаточная функция объекта по внутреннему каналу имеет вид:
W(s)об1=1/23.04*s2+9.6*s+1
Расчет настроечных параметров регулятора производим методом Ротача в программе Linreg . Результаты :
Kп=4.396
Ти=7.875
wкр=0.3931
В пакете Siam смоделируем переходные процессы по управляющему и по возмущающему воздействию .
Структурная схема внутреннего канала по управляющему воздействию
W(s)=1/(23.04*s2+9.6*s+1)
K=Kп=4.396
K/S=Kп/Tи=0.5582
Переходной процесс
Перерегулирование – 30%
Время затухания – 20с
Степень затухания – 0.9
Структурная схема внутреннего канала по возмущаеющему
воздействию
W(s)=1/(23.04*s2+9.6*s+1)
K=Kп=4.396
K/S=Kп/Tи=0.5582
Переходной процесс
Перерегулирование – 20%
Время затухания – 20с
Степень затухания – 0.85
8.2 Выбор и расчет передаточной функции эквивалентного объекта
Настроечные коэффициенты для регулятора Р1 рассчитываются , как настройки для внутреннего контура . Настроечные коэффициенты для регулятора Р2 рассчитываются по передаточной функции эквивалентного объекта .
Сравнивая время затухания переходных процессов внутреннего и основного контуров определяем , что Wэкв соответствует виду : Wэкв(s)=Wоб(s)/Wоб1(s) ,
где Wоб(s)=1*e-6*s/(13.824*s3*17.28*s2+7.2*s+1),
Wоб1(s)=1/(23.04*s2+9.6*s+1).
После проведенных расчетов получаем :
Wэкв(s)=(23.04*s2+9.6*s+1)*e-6*s/(13.824*s3*17.28*s2+7.2*s+1)
8.3 Расчет оптимальных настроек внешнего регулятора .
В программе Linreg вводим передаточную функцию эквивалентного объекта и получаем значения оптимальных настроек регулятора Р2 .
Kп=0.111
Ти=1.037
Wкр=0.29101
В пакете Siam смоделируем переходные процессы по управляющему и по возмущающему воздействию .
Структурная схема каскадной системы по управляющему воздействию
1.K=Kп=0.111
2.K/S=Kп/Tи=0.107
3.K=Kп=4.396
4.K/S=Kп/Tи=0.5582
5.W(s)=1/(23.04*s2+9.6*s+1)
6.W(s)=1/(13.824*s3*17.28*s2+7.2*s+1)
7.K=1,T=6
Переходной процесс
Перерегулирование – 57%
Время затухания – 150с
Степень затухания – 0.91
Структурная схема каскадной системы по возмущаещему воздействию
1. W(s)=1/(13.824*s3*17.28*s2+7.2*s+1)
2. W(s)=1/(23.04*s2+9.6*s+1)
3. K=1,T=6
4. K/S=Kп/Tи=0.5582
5. K=Kп=4.396
6. K/S=Kп/Tи=0.107
7. K=Kп=0.111
8.K=-1
Переходной процесс
Перерегулирование – 30%
Время затухания – 120с
Степень затухания – 0.23
9. Расчет компенсирующего устройства
Для этого смоделируем в пакете SIAM схему комбинированной системы без компенсатора .
Структурная схема комбинированной системы без компенсатора
1.W(s)=1/(9*s2+6*s+1)
2.K=Kп=0.49
3.K/S=Kп/Tи=0.0916
4.W(s)=1/(13.824*s3*17.28*s2+7.2*s+1)
5.K=1,T=6
6.K=-1
7.K=-1
Переходной процесс
Перерегулирование – 87%
Время затухания – 65с
Степень затухания –0.95
9.2 Комбинированная система управления с подачей дополнительного воздействия на вход регулятора
Определим передаточную функцию фильтра согласно формуле :
Wф(s)=Wов(s)/(Wоб(s)*Wр(s)) ,
где Wов(s) – передаточная функция канала по возмущению ,
Wоб(s) - передаточная функция объекта ,
Wр(s) - передаточная функция регулятора,
Находим значения передаточной функции фильтра для нулевой частоты :
Aф(0)=Aов(0)/(Aоб(0)*Aр(0))=0 Fф(0)=Fов(0)-(Fоб(0)+Fр(0))=90
Находим значения передаточной функции фильтра для резонансной частоты (w=0.14544):
Aф(w)=Aов(w)/(Aоб(w)*Aр(w))=0.769/(0.816*0.851)=1.13
Fф(w)=Fов(w)-(Fоб(w)+Fр(w))=-46-(-53+(-76))=83
В качестве компенсатора возмущения используем реальное дифференциальное звено : Wk(s)=Kв*Тв(s)/(Tв(s)+1)
Координаты компенсатора определяем геометрически .
Kв=ОД=7
Тв=(1/w)*sqrt(ОС/ДС)=1.018
Cмоделируем в пакете SIAM схему комбинированной системы c компенсатором .
Структурная схема комбинированной системы с компенсатором
1.W(s)=1/(9*s2+6*s+1)
2.К=7
3.К=1.018,Т=1.018
4.К=-1
5.K/S=Kп/Tи=0.0916
6.K=Kп=0.49
7.K=1,T=6
8.W(s)=1/(13.824*s3*17.28*s2+7.2*s+1)
9.К=-1
10.К=-1
Переходной процесс
Перерегулирование – 56%
Время затухания – 70с
Степень затухания –0.93
10. Анализ переходных процессов
10.1 Анализ переходных процессов модели
Для того чтобы сделать анализ составляется сводная таблица переходных процессов
| Cхема регулирования | по управлению | по возмущению | ||||
| перере- | время | степень | перере- | время | степень | |
| гулиров | регулир | регулир | гулиров | регулир | регулир | |
| одноконтурная | 26 | 65 | 1 | 82 | 65 | 0.93 |
| каскадная | 72 | 150 | 0.42 | 31 | 110 | 0.23 |
| комбинированная без компенсатора | 7 | 35 | 0.86 | |||
| комбинированная с компенсатором | 8 | 60 | 0.56 |
По данным полученным в результате расчетов можно сделать вывод , что лучше справляется с регулированием каскадная АСР без компенсатора возмущения .
10.2 Анализ переходных процессов реального обьекта
| Cхема регулирования | по управлению | по возмущению | ||||
| перере- | время | степень | перере- | время | степень | |
| гулиров | регулир | регулир | гулиров | регулир | регулир | |
| одноконтурная | 27 | 70 | 1 | 85 | 70 | 0.94 |
| каскадная | 57 | 150 | 0.9 | 30 | 120 | 0.23 |
| комбинированная без компенсатора | 87 | 65 | 0.95 | |||
| комбинированная с компенсатором | 56 | 70 | 0.93 |
По данным полученным в результате расчетов можно сделать вывод , что лучше справляется с регулированием каскадная АСР c компенсатором возмущения .















