-2 (729321)
Текст из файла
Введение
Измерительная техника- один из важнейших факторов ускорения научно-технического прогресса практически во всех областях народного хозяйства.
При описании явлений и процессов, а также свойств материальных тел используются различные физические величины, число которых достигает нескольких тысяч: электрические, магнитные, пространственные и временные, механические, акустические, оптические, химические, биологические и другие.
При этом указанные величины отличаются не только качественно, но и количественно и оцениваются различными числовыми значениями.
Установление числового значения физической величины осуществляется путём измерения.
Результатом измерения является количественная характеристика в виде именованного числа с одновременной оценкой степени приближения полученного значения измеряемой величины к истинному значению физической величины.
При реализации любого процесса измерения необходимы технические средства, осуществляющие восприятия, преобразование и представление числового значения физических величин.
На практике при измерении физических величин применяют электрические и неэлектрические методы.
Электрические методы измерений получили наиболее широкое распространение, так как с их помощью достаточно просто осуществлять преобразование, передачу, обработку, хранение, представление и ввод измерительной информации в ЭВМ.
Получение и обработка измерительной информации предназначены не только для достижения требуемого качества продукции, но и организации производства, учёта и составления баланса количества вещества и энергии. В настоящее время важной областью применения измерительной техники является автоматизация научно-технических экспериментов.
Для повышения экономичности проектируемых объектов, механизмов и машин большое значение имеют экспериментальные исследования, проводимые на их физических моделях. При этом задача получения и обработки измерительной информации усложняется настолько, что её эффективное решение становится возможным лишь на основе применения специализированных измерительно-вычислительных средств.
Широкие возможности открылись перед измерительной техникой в связи с появлением микропроцессоров и микроЭВМ. Благодаря им значительно расширились области применения средств измерительной техники, улучшились их технические характеристики, повысились надёжность и быстродействие, открылись пути реализации задач, которые ранее не могли быть решены.
По широте и эффективности применения микропроцессоров одно из первых мест занимает измерительная техника, причём всё более широко применяются микропроцессоры в системах управления. Трудно переоценить значение микропроцессоров и ЭВМ при создании автоматизированных средств измерений, предназначенных для управления, исследования, контроля и испытаний сложных объектов.
Развитие науки и техники требует постоянного совершенствования средств измерительной техники, роль которой неуклонно возрастает.
Техническое задание на проектирование виброизмерительного прибора.
Наименование и область применения
Одной из актуальных проблем современной техники является измерение параметров вибраций, ударов и шумов. Сегодня нельзя назвать практически ни одного объекта контроля или производственного процесса, который не испытывал бы воздействие вибрационных, ударных или акустических нагрузок. Исследования колебательных процессов представляют большой интерес для всех отраслей народного хозяйства – металлургии, энергетического машиностроения, ракетной техники и так далее. Разрабатываются способы борьбы с вредным воздействием вибраций, ударов и шумов в технике и природе. Интенсивно изучаются землетрясения, представляющие собой эпизодические колебания, вызванные освобождением потенциальной энергии упругих деформаций земной коры, происходящих в момент её разрывов в местах концентрации напряжений. Тщательно контролируются вращающиеся или перемещающиеся в различных направлениях с большой скоростью узлы и механизмы крупных сооружений и агрегатов, такие как : электрогенераторы тепла и гидростанции, гребные винты кораблей, авиационные и ракетные двигатели и тому подобное, являющиеся источником возникновения интенсивных периодических и непериодических вибрационных процессов. Особую опасность представляют известные умножения колебаний, возникающие на резонансных частотах упругих конструкций. Возникающие при вибрациях и ударах инерционные силы могут вызвать напряжения, превышающие предел прочности конструкции, или относительные перемещения деталей в недопустимых пределах. Из-за вибраций значительно снижается срок службы оборудования, ухудшается качество его работы.
Вредное воздействие на человека оказывает и шум, представляющий собой акустические колебания в воздушной среде.
Вибрационные процессы могут служить источником информации для диагностики машин и механизмов как средство раннего обнаружения их неисправности. Общеизвестны акустические приборы, определяющие дефекты, размеры и физико-математические свойства материалов и изделий без их разрушения.
Технические характеристики:
Количество контролируемых точек 8
Частотный диапазон, Гц 0 – 500
Диапазон преобразуемых перемещений, мм 0 – 2.0
Основная систематическая погрешность 1%
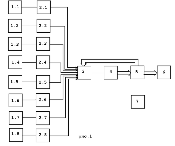
Структурная схема устройства.
На рисунке 1 изображена структурная схема электронного виброизмерительного прибора.
-
- виброизмерительные датчики
-
- усилители напряжений
-
- коммутатор
-
- аналого-цифровой преобразователь
-
– микропроцессорная система
-
– устройство индикации
-
– блок питающих напряжений
Расчёт параметров блоков структурной схемы.
Виброизмерительный датчик.
В качестве виброизмерительного датчика выберем тензорезистивный преобразователь СЕТТ1
Технические характеристики преобразователя:
Диапазон выходных перемещений, мм 0…2
Диапазон входных напряжений, мВ 0…6
Рабочий диапазон частот, Гц 0–500
Погрешность преобразования, не более 0.2%
Температурный уход нулевого сигнала
в рабочем диапазоне ±0.3% / 10°С
Напряжение питания, В 15
Рабочий диапазон температур, °С -40…..+60
Относительная влажность окружающего
воздуха при 25°С до 98
Габаритные размеры, мм 65x44x33
Масса, кг 0.33
Срок службы (часов), не менее 5000
Чувствительным элементом виброизмерительного датчика являются тензорезисторы. Действие тензорезистивных измерительных преобразователей основано на использовании тензоэффекта, который заключается в том, что под действием приложенной растягивающей или сжимающей силы проводниковые материалы изменяют удельную электрическую проводимость.
В ненагруженном состоянии сопротивление R проводника, имеющего длину ℓ, определяется его сечением q и удельным сопротивлением
При растяжении проводника его длина становится равной ( ℓ+∆ℓ ), а сечение q(1-2μ∙∆ℓ / ℓ), где μ=0.3 –коэффициент Пуассона, тогда
Тензоэффект характеризуется тензочувствительностью материала.
Где R , ℓ - длина и сопротивление материала
∆R, ∆ℓ - приращение длины и сопротивления материала вследствие приложения внешних сил.
Выберем тензорезистор проволочный в виде плоской беспетлевой решётки, выполненный из тонкой проволоки диаметром 10мкм из константана на бумажной основе, типа ПКБ-10-200
Технические характеристики тензорезистора:
Номинальное сопротивление 200Ом
Рабочий диапазон температур -50 до +50 ˚С
Активная база, мм 10
Габаритные размеры, мм 25x4.5
Коэффициент тензочувствительности 2,0±0.2
Номинальный рабочий ток, мА 30
Предел измерения относительных деформаций 0.0003
Поперечная чувствительность от продольной 2%
Электрическая схема виброизмерительного преобразователя с тензорезисторами.
Условия равновесия моста:
Коэффициент тензочувствительности:
, где
-коэффициент тензочувствительности.
R – сопротивление тензорезистора
R=200 Ом
, тогда по условию равновесия:
Характеристики
Тип файла документ
Документы такого типа открываются такими программами, как Microsoft Office Word на компьютерах Windows, Apple Pages на компьютерах Mac, Open Office - бесплатная альтернатива на различных платформах, в том числе Linux. Наиболее простым и современным решением будут Google документы, так как открываются онлайн без скачивания прямо в браузере на любой платформе. Существуют российские качественные аналоги, например от Яндекса.
Будьте внимательны на мобильных устройствах, так как там используются упрощённый функционал даже в официальном приложении от Microsoft, поэтому для просмотра скачивайте PDF-версию. А если нужно редактировать файл, то используйте оригинальный файл.
Файлы такого типа обычно разбиты на страницы, а текст может быть форматированным (жирный, курсив, выбор шрифта, таблицы и т.п.), а также в него можно добавлять изображения. Формат идеально подходит для рефератов, докладов и РПЗ курсовых проектов, которые необходимо распечатать. Кстати перед печатью также сохраняйте файл в PDF, так как принтер может начудить со шрифтами.















