-2 (729321), страница 2
Текст из файла (страница 2)
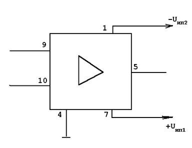
Усилитель напряжения.
Выходное напряжение с виброизмерительного датчика необходимо усилить. Для этого используем микросхему операционного усилителя К140УД15.
Технические характеристики усилителя:
Коммутатор
Коммутатор предназначен для подключения одного из вибродатчиков на вход аналого-цифрового преобразователя. Управление коммутатором осуществляется микропроцессорной системой, которая передаёт на него код с номером коммутируемого канала.
Выберем микросхему КР590КН1, которая представляет собой 8-канальный коммутатор с дешифратором на МОП-транзисторах для коммутации напряжений от –5 до +5 В.
Корпус прямоугольный пластмассовый.
238.16.2
Микросхема КР590КН1 имеет следующие параметры:
Коммутируемое напряжение, В -5…+5
Коммутируемый ток, мА, не более 10
-
каналов
Помехозащищённость, В 0.4
Погрешность, % 0.1
Аналого-цифровой преобразователь.
Для реализации аналого-цифрового преобразования выходного сигнала коммутатора выбрана микросхема К1113ПВ1А, которая представляет собой функционально законченный 10-разрядный преобразователь, сопрягаемый с микропроцессором. Микросхема обеспечивает преобразование как однополярного (униполярного) напряжения в диапазоне 0…9.95 В, так и биполярного напряжения в диапазоне
-4.9…+4.9 В в параллельный двоичный код.
В состав ИС входят ЦАП, компаратор напряжения, регистр последовательного приближения (РПП), источник опорного напряжения (ИОН), генератор тактовых импульсов (ГТИ), выходной буферный регистр с тремя состояниями, схемы управления.
Выходные каскады с тремя состояниями позволяют считывать результат преобразования непосредственно на шину данных микропроцессора, по уровням входных и выходных логических сигналов сопрягаются с транзисторно-транзисторной логикой (ТТЛ) схемами. В измерительных системах выходной ток цифро-аналогового преобразователя (ЦАП) сравнивается с током входного резистора от источника питания (ИП) и формируется логический сигнал регистра последовательного приближения (РПП). Стабилизация разрядных токов цифро-аналогового преобразователя (ЦАП) осуществляется встроенным источником опорного напряжения (ИОН). Тактирование регистра последовательного приближения (РПП) обеспечивается импульсами встроенного генератора тактовых импульсов (ГТИ). Установка регистра последовательного приближения (РПП) в исходное состояние и запуск его в режим преобразования производится по внешнему сигналу “гашение и преобразование”. По окончанию преобразования аналого-цифровой преобразователь (АЦП) вырабатывает сигнал “готовность данных ” и информация из регистра последовательного приближения (РПП) поступает на цифровые выходы через каскады с тремя состояниями.
Корпус : металлокерамический типа 23818-1, масса не более 2.5 г.
Назначение выводов :
1 – девятый разряд
-
– восьмой разряд
-
– седьмой разряд
-
– шестой разряд
-
– пятый разряд
-
– четвёртый разряд
-
– третий разряд
-
– второй разряд
-
– первый разряд
-
– напряжение питания
-
– гашение и преобразование
-
– напряжение питания
-
– аналоговый
-
– аналоговая “земля”
-
– управление сдвигом нуля
-
- цифровая “земля”
-
– готовность данных
-
– десятый разряд (младший)
Электрические параметры:
Номинальное значение питания:
Uп1 5 В±5%
Uп2 -15 В±5%
Напряжение смещения нуля на входе -0.3…+0.3% ПШ
Выходное напряжение высокого уровня ≤ 2.4В
Выходное напряжение низкого уровня ≥ 0.4В
Ток потребления в режиме “гашение”
При Uп1 ≤ 10мА
Uп2 ≤ 18мА
Входной ток высокого (низкого ) уровня, мкА -40…+40
Ток утечки на выходе, мкА -40…+40
Время преобразования, мкс ≤30
Нелинейность -0.1…+0.1% П
Дифференциальная нелинейность -0.1…+0.1% ПШ
Абсолютная погрешность преобразования
в конечной точке шкалы -0.2…+0.2% ПШ
ПШ – от полной шкалы
Микропроцессорная система.
Микропроцессорная система предназначена для управления аналого-цифровым преобразователем (АЦП), приёма с него информации в виде цифрового кода, её обработки, хранения и вывода на индикаторное устройство и для управления внешним устройством через интерфейс связи.
В качестве микропроцессорной системы выбрана микросхема 8-разрядной однокристальной ЭВМ с РПЗУ КМ1816ВЕ751А
Это позволяет получить лучшие массогабаритные показатели прибора, более высокую надёжность и меньшее энергопотребление. Это возможно благодаря тому, что микросхема объединяет в себе все узлы, необходимые для автономной работы:
-
центральный 8-разрядный процессор
-
память программ объёмом 4 Кбайт с возможностью увеличения до 64 Кбайт за счёт подключения внешних микросхем памяти
-
память данных объёмом 128 байт с возможностью увеличения до 64 Кбайт
-
четыре 8-разрядных программируемых порта ввода-вывода, отдельные выводы которых могут выполнять специализированную функцию
-
два 16-байтовых многорежимных таймера / счётчика
-
система прерываний с пятью векторами и двумя уровнями
-
последовательный интерфейс
-
тактовый генератор
Условное обозначение микросхемы КМ1816ВЕ751А:
Рис. микросхемы.
Рис. микросхемы.
Назначение выводов.
| № вывода | Обозначение | Назначение вывода | Тип вывода | |||
| 1-8 | Р1.0-Р1.7 | 8-разрядный двунаправленный порт Р1. Вход адреса А0-А7 при проверке внутр.ПЗУ | вход/выход | |||
| 9 | RST | Сигнал общего сброса | вход | |||
| 10-17 | Р3.0-Р3.7 | 8-разрядный порт с дополнительными функциями | вход/выход | |||
Р3.0 | Данные приёмника последовательного интерфейса RxD | вход | ||||
Р3.1 | Данные передатчика последовательного интерфейса ТxD | выход | ||||
Р3.2 | Вход внешнего запро- са на прерывание 0 | вход | ||||
Р3.3 | Вход внешнего запро- са на прерывание 1 | вход | ||||
Р3.4 | Вход таймера/счётчика 0 | вход | ||||
Р3.5 | Вход Таймера/счётчика 1 | вход | ||||
Р3.6 | Выход стробирующе- го сигнала при чте- нии из внешней памяти данных | выход | ||||
Р3.7 | Выход стробирующе- го сигнала при чте- нии из внешней памяти данных | выход | ||||
| 18 | BQ2 | Выводы для подклю-чения кварцевого резо-натора | выход | |||
| 19 | BQ1 | вход | ||||
| 20 | CND | Общий вывод | ---- | |||
| 21-28 | Р2.0-Р2.7 | 8-разрядный двунаправленный порт Р2. Вход адреса А8-А15 в режиме работы с внешней памятью | Вход/выход | |||
| 29 | РМЕ | Разрешение программирования памяти | выход | |||
| 30 | АLE | Выходной сигнал разрешения фиксации адреса. При программировании ПЗУ-сигнал PROG | Вход/выход | |||
| 31 | DEMA | Блокировка работы с внешней памятью. При программировании ПЗУ подаётся сигнал Upr | Вход/выход | |||
| 32-39 | P0.0-p0.7 | 8-разрядный двунаправленный порт Р0. Шина данных/адреса при работе с внешней памятью. Выход данных в режиме проверки внутреннего ПЗУ | Вход/выход | |||
| 40 | Ucc | Напряжение питания +5В | ||||
Электрические параметры микросхемы КМ1816ВЕ751А
Номинальное напряжение питания 5 В±5%
Выходное напряжение низкого уровня ≤0.5 В
Выходное напряжение высокого уровня ≥2.4 В
Ток потребления, мА ≤220
Входной ток низкого уровня, мкА ≤500
Входной ток высокого уровня, мА ≤|-2.5|
Ток утечки сигналов РО (0…7) ≤100мк
Потребляемая мощность, Вт 1.4
Время задержки сигнала РМЕ относительно
Сигналов адреса А7… А0 ≥0















