DYN_IS (729100)
Текст из файла
-
Динамическое исследование рычажного механизма.
-
Задачи динамического исследования.
Динамический анализ включает в себя следующие основные задачи:
-
Расчет и построение графика приведенного момента сил полезного сопротивления.
-
Построение графика работ сил полезного сопротивления и сил движущих.
-
Построение графика разности работ сил движущих и сил полезного сопротивления.
-
Расчет и построение графика приведенного момента инерции рычажного механизма.
-
Построение кривой Виттенбауэра.
-
Расчет и построение графика истинной угловой скорости кривошипа.
-
Расчет и построение графика истинного углового ускорения кривошипа.
5.2 Определение момента инерции маховика.
1). Расчет и построение графика приведенного момента сил полезного сопротивления.
Значение приведенного момента определяем по формуле:
Полученные результаты сводим в таблицу.
Таблица 4.1
| Расчетная величина. | 0 | 1 | 2 | 3 | 4 | 5 | 6 | 7 | 7’ |
| 0 | 636 | 744 | 768 | 744 | 648 | 480 | 144 | 0 | |
| Рс | 0 | 53 | 62 | 64 | 62 | 54 | 40 | 12 | 0 |
| Ра | 50 | 50 | 50 | 50 | 50 | 50 | 50 | 50 | 50 |
По полученным результатам строим график
.
Интегрирование зависимости
по обобщенной координате ( т.е. по углу поворота звена приведения–кривошипа) приводит к получению графика работы сил полезного сопротивления АС=АС(
) в случае рабочей машины и к получению графика работы сил движущих АД=АД(
) при рассмотрении машины двигателя. В том и другом случае с целью получения наглядного результата целесообразно применять метод графического интегрирования зависимости
.
Для получения графика АД=АД(
) применяют метод линейной интерполяции. С этой целью соединяют прямой начало и конец графика АС(
).
2). Расчет и построение графика приведенного момента инерции рычажного механизма.
Расчет приведенного момента инерции производится по формуле:
ТЗВЕНА ПРИВЕДЕНИЯ=Т1+ Т2+ Т3+ Т4+ Т5
В качестве звена приведения обычно выбирается кривошип, поэтому данная формула в развернутой форме имеет вид:
Из формулы имеем
Данная формула неудобна для практического решения задачи, поэтому её преобразуют к такому виду, чтобы можно было использовать длины отрезков с плана скоростей. При этом надо иметь ввиду:
С учетом этого формула принимает вид
Полученные значения сводим в таблицу:
| 0 | 1 | 2 | 3 | 4 | 5 | 6 | 7 | 7 | 8 | 9 | 10 | 11 | |
| pc3 | 0 | 16 | 22 | 24 | 25 | 22 | 15 | 7 | 0 | 6 | 21 | 29 | 10 |
| pb | 0 | 52 | 59 | 61 | 61 | 57 | 44 | 21 | 0 | 27 | 111 | 140 | 50 |
| bc | 0 | 15 | 9 | 6 | 2 | 10 | 13 | 10 | 0 | 12 | 29 | 10 | 17 |
| ps4 | 0 | 55 | 59 | 62 | 63 | 56 | 41 | 18 | 0 | 23 | 106 | 141 | 49 |
| pc | 0 | 54 | 62 | 63 | 63 | 54 | 59 | 16 | 0 | 21 | 102 | 142 | 53 |
| Iпр | 0 | 1,91 | 3,23 | 3,73 | 3,98 | 3,05 | 1,81 | 0,3 | 0 | 0,28 | 4,49 | 8,54 | 1,09 |
По результатам строим график Iпр= Iпр(
)
3). Построение диаграммы энергомасс.
Построение этой диаграммы выполняют путем исключения параметра
из диаграмм
Т(
) и Iпр(
). В результате получают диаграмму энергомасс
Т(
) =
Т(Iпр). График Iпр(
) целесообразно расположить так чтобы ось Iпр была горизонтальной, а
–вертикальной. Положение осей диаграммы энергомасс увязывают с диаграммами
Т(
) и Iпр(
). После нахождения всех точек диаграммы энергомасс их соединяют сплавной линией, в результате чего получается кривая Виттенбауэра.
5.3. Определение размеров маховика.
Углы наклона касательных к кривой Виттенбауэра определим по формулам:
После нахождения углов проводят две касательные к кривой Виттенбауэра, при этом они ни в одной точке не должны пересекать кривую Виттеннбауэра. Касательные на оси
Т отсекают отрезок ab , с помощью которого находится постоянная составляющая приведенного момента инерции рычажного механизма, обеспечивающая движение звена приведения с заданным коэффициентом неравномерности движения:
Определение частоты вращения маховика:
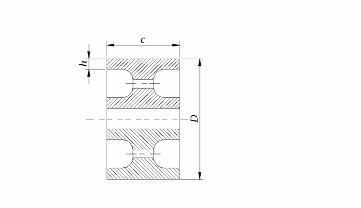
Принимаем материал маховика–чугун.
Определение момента инерции маховика:
Из последней формулы имеем
Принимаем D=1м. h/c=1.2, тогда
-
Определение истинных значений ускорений и скоростей кривошипа.
Для этого используем пакет MathCAD.
Характеристики
Тип файла документ
Документы такого типа открываются такими программами, как Microsoft Office Word на компьютерах Windows, Apple Pages на компьютерах Mac, Open Office - бесплатная альтернатива на различных платформах, в том числе Linux. Наиболее простым и современным решением будут Google документы, так как открываются онлайн без скачивания прямо в браузере на любой платформе. Существуют российские качественные аналоги, например от Яндекса.
Будьте внимательны на мобильных устройствах, так как там используются упрощённый функционал даже в официальном приложении от Microsoft, поэтому для просмотра скачивайте PDF-версию. А если нужно редактировать файл, то используйте оригинальный файл.
Файлы такого типа обычно разбиты на страницы, а текст может быть форматированным (жирный, курсив, выбор шрифта, таблицы и т.п.), а также в него можно добавлять изображения. Формат идеально подходит для рефератов, докладов и РПЗ курсовых проектов, которые необходимо распечатать. Кстати перед печатью также сохраняйте файл в PDF, так как принтер может начудить со шрифтами.















