kursovik (729037)
Текст из файла
МІНІСТЕРСТВО ОСВІТИ ТА НАУКИ УКРАЇНИ
КІРОВОГРАДСЬКИЙ ДЕРЖАВНИЙ
ТЕХНІЧНИЙ УНІВЕРСИТЕТ
Кафедра: «Будівельних, дорожніх машин та будівництва»
Курсова робота
з курсу «Конструкції з дерева і пластмаси»
Виконав: студент гр.ПБ-98-2
Свінцицький С.О..
Прийняв: к.т.н. доцент
Настоящий В.А.
Кіровоград 2001 р.
1. Вступ
Даний проект розроблено на основі завдання № 32 виданого кафедрою “Будівельні, дорожні машини та будівництво”.
2. Призначення будівлі
Проектуєма будівля призначена для житлових цілей в м. Купянск.
3. Розрахункова частина
3.1. Розрахунок покрівлі
В якості огороджувальних конструкції покриття приймаємо дощато-цвяхові щити з дошок третього сорту розміром в плані 2,0х1,5 м, які опирається на нерозрізні спарені прогони з другого сорту деревини. По дощатим щитам вкладають по шару рубероїда, утеплювач, асфальтова стяжка і троьохшаровий рубероїдний килим.
В якості утеплювача приймаємо 2 шара мінераловатних плит товщиною по 5 см кожна з об’ємною массою =350 кг/м3.
Відповідно класу відповідальності будівлі призначаємо коєфіцієнт надійності за призначенням n=0.95
3.1.1. Збір навантажень
При співвідношенні
коефіцієнт надійності для снігового навантаження складає f=1.4
Таблиця 1 – навантаження на 1 м2 горизантальной проекції покриття.
| № | Вид навантаження | Нормативне навантаження кН/м | Коефіцієнт наванта-ження f | Розрахун-кове наван-таження кН/м |
| 1. | Рулоний троьхшаровий килим | 0.10 | 1.3 | 0.13 |
| 2. | Асфальтна стяжка =1 см, S=1800 кг/м3 | 0.18 | 1.3 | 0.23 |
| 3. | Мінераловатні плити =10 см, S=350 кг/м3 | 0.35 | 1.3 | 0.46 |
| 4. | Шар пароізоляції | 0.03 | 1.2 | 0.04 |
| 5. | Дошки робочого настилу =19 мм, =700 кг/м3 | 0.133 | 1.1 | 0.15 |
| 6. | Продольні діогональні бруски | 0.07 | 1.1 | 0.08 |
| Всього постійне навантаження | 0.86 | 1.09 | ||
| Спарені прогони перерізом 2х4.0х17.5 | 0.091 | 1.1 | 0.1 | |
| Тимчасове навантаження – сніг | 0.7 | 1.4 | 0.98 | |
| Всього | 1.62 | 2.13 | ||
Покрівельний щит розраховуємо, як двох прольотну нерозрізну балку.
3.1.2. Розрахунок на постійне і тимчасове снігове навантаження.
Розрахунковий опір згину і модуль пружності деревини берези третього сорту з урахуванням коефіцієента умов роботи mв і коефіцієнта надійності по призначенню n:
де
- розрахунковий опір деревини.
Погоне навантаження на полосу щита шириною 1 м:
-
нормативне
-
розрахункове
Розрахунковий згинаючий момент:
Момент опору і момент інерції полоси 1 м:
Напруження
В зв’язку з малим напруженням зменьшуємо товщину дошок робочого настилу до = 16 мм, після чого слідує що:
Погоне навантаження становить:
-
нормативне
-
розрахункове
Згинаючий момент:
Геометричні характеристики:
Напруження:
Потоншення далі не можливе.
Перевіряємо жорсткість:
3.1.3. Розрахунок на зосереджений вантаж
PH=1 кН З коефіцієнтом надійності f=1.2 і постійне навантаження.
Розрахунковий згинаючий момент:
В зв’язку з наявності в щиті розкісної підшивки, зосереджений вантаж розподіляється на полосу настила шириною 0.5 м. Враховуючи це,
Напруження
де mн =1.2 – коефіцієнт умов роботи при дії монтажного навантження.
3.1.4. Розрахунок прогона
При відстані між прогонами 1 м навантаження на 1 м прогона:
-
нормативне
-
розрахункове
Розрахунковий згинаючий момент на опорах нерозрізного прогона прольотом 4.5 м
Потрібний момент опору
де
- для деревини береза другого сорту
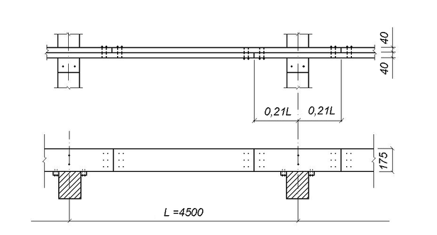
Приймаємо прогон з двох дошок перерізом 40х175 мм, для якого:
Напруження:
Відносний прогин
3.1.5. Розрахунок стику прогона
Стик дошок прогона розташовують в розбіжку на відстані 0.21L выд осі опор.
Для сполучення двох дошок між собою приймаємо цвях діаметром 4 мм і довжиною 120 мм.
Несуча спроможність одного цвяха для однозрізних сполучень:
Розрахункова несуча спроможність
Необхідна кількість цвяхів з кожного боку стика
Приймаємо 6 штук.
3.2. Розрахунок кроквяної балки
Проектуємо клеефанерну балку з плоскими стінками з березової клееної фанери марки ФСФ. Уклон верхнього пояса балки приймаємо i=1:10. Верхній пояс проектуємо з дошок берези третього сорту перерізом 169х33 мм (після остружки дошок 175х40 мм) з пропилами, нижній з таких же дошок другого сорту. Переріз балки приймаємо коробчатий з трьома фанерними стінками товщиною 9 мм кожна.
3.2.1. Навантаження на балку
Навантаження на один кв.метр горизонтальної проекції від захисних конструкцій покриття і покрівлі.
Нормативне снігове навантаження
де =1 – коефіцієнт переходу від снігового навантаження на поверхні землі до навантаження по покритті.
Власна вага балки
де kвв – коефіцієнт власної ваги балки
Розрахункове снігове навантаження
Погонне навантаження на балку:
-
нормативне
-
розрахункове
де a – крок несучих конструкцій.
3.2.2. Конструктивний розрахунок
Висоту поперечного перерізу балки в середині прольота – приймаємо: h=152.5 см, що відповідає стандартної ширині фанерного листа.
При уклоні покрівлі i=1:10 висота перерізу на опорі буде
Потрібна ширина перерізу балки визначається з виразу:
де
- розрахунковий опір клеєної деревини берези другого сорту розтягу вздовж волокон.
Приймаємо пояса балки з двох дошок з занальною шириною
. Тоді загальна ширина балки
Розрахунковими перерізами балки будуть перерізи з координатами:
-
розрахунок по нормальним напруженням і на стійкість фанерної стінки;
x2 = 1.1 м (відстань від опори до першого стика)
-
розрахунок фанерних стінок по головним напруженням;
x3 = 0.55 м (відстань від осі опори до середини первої панелі балки)
-
розрахунок фанерної стінки на стійкість
x4 = 0 (опорний переріз)
-
розрахунок на зріз фанерної стінки і на сколювання між поясом і стінкою
x5 = l/2 – розрахунок по деформаціям
Для цих перерізів обчислюються:
-
згинаючий момент і поперечна сила
-
висота перерізу, відстань між центрами поясів, висота стіни в просвіті
-
приведені до фанери геометр. хар-ки
а) момент інерції
kф – коефіцієнт, який враховує підвищення модуля пружності фанери при згині в площині листа.
б) момент опору
в) статичний момент площі на рівні внутрішньої кромки
Для іншіх перерізів всі необхідні параметри обчислюють аналогічно. Результати обчислень зведені в табл.2
Таблиця 2.
| № пере-різу | коор-дината x, м | Зусилля | Висота перерізу, см | Приведені до фанери геометричні характеристики | |||||
| M, кНм | Q, кН | hx | hx | hcт | Iпр, см4 | Wпр, см3 | Sпр, см3 | ||
| 1. | 4.6 | 163.9 | 13.5 | 138.5 | 121.6 | 104.7 | 1366245 | 19729 | 9054 |
| 2. | 1.1 | 57.7 | 47.2 | 103.5 | 86.6 | 69.7 | 641647 | 12399 | 6448 |
| 3. | 0.55 | 30.3 | 52.5 | 98 | 81.1 | 64.2 | 556324 | 11354 | 6038 |
| 4. | 0 | - | 57.8 | 92.5 | 75.6 | 58.7 | 478128 | - | 5629 |
| 5. | 6.0 | - | - | 152.5 | 135.6 | 118.7 | 1752650 | - | - |
Перевірка напружень
Характеристики
Тип файла документ
Документы такого типа открываются такими программами, как Microsoft Office Word на компьютерах Windows, Apple Pages на компьютерах Mac, Open Office - бесплатная альтернатива на различных платформах, в том числе Linux. Наиболее простым и современным решением будут Google документы, так как открываются онлайн без скачивания прямо в браузере на любой платформе. Существуют российские качественные аналоги, например от Яндекса.
Будьте внимательны на мобильных устройствах, так как там используются упрощённый функционал даже в официальном приложении от Microsoft, поэтому для просмотра скачивайте PDF-версию. А если нужно редактировать файл, то используйте оригинальный файл.
Файлы такого типа обычно разбиты на страницы, а текст может быть форматированным (жирный, курсив, выбор шрифта, таблицы и т.п.), а также в него можно добавлять изображения. Формат идеально подходит для рефератов, докладов и РПЗ курсовых проектов, которые необходимо распечатать. Кстати перед печатью также сохраняйте файл в PDF, так как принтер может начудить со шрифтами.















